| Autor |
|
|
|
BID = 573057
zwilling Gelegenheitsposter
 
Beiträge: 74
|
|
Hallo,
Ich möchte von einem Lichtsteuergerät (Pulsar Touch Panel II) den Chase Step Output (zum Synchronisieren mit baugleichen Geräten ) nutzen, um damit ein anderes Lichtsteuergerät mit Hilfe eines Relais zu steuern.
In der Bedienungsanleitung heisst es "Eine negative oder 0-Spannung an diesem Ausgang bewirkt eine Schrittweiterschaltung"
Gemessen habe ich an diesen Anschluss ca. 12 Volt und bei einer Schrittweiterschalung (Step) ca. 11 Volt.
Jetzt wollte ich den Spannungsabfall als Steuersignal nutzen um bei abfall der Spannung ein Relais kurzzeitig anziehen lassen.
Das ganze funktioniert nach dem Takt von Musik.
Also bei jedem Basstakt kommt ein sehr kurzer Spannungsabfall und dann sollte das Relais kurz anziehen.
Lässt sich so eine Schaltung realisieren?
Bin für jede Hilfe dankbar!
Gruß
Mirko
|
|
BID = 573064
Jornbyte Moderator
      
Beiträge: 7349
|
|
Das kannst du mit einem Komparator und etwas "Hühnerfutter" machen.
_________________
mfg Jornbyte
Es handelt sich bei dem Tipp nicht um eine Rechtsverbindliche Auskunft und
wer Tippfehler findet, kann sie behalten. |
|
BID = 573126
zwilling Gelegenheitsposter
 
Beiträge: 74
|
Hallo,
danke für die Antwort!
Das mit dem Komperator hab ich verstanden, und einige interessante Beiträge dazu gelesen.
Aber was mit dem Hühnerfutter gemeint ist.....??
Naja egal.
Jetzt sind meine Elektronikkenntnisse aber nicht ausreichend um mir so eine Schaltung zusammen zu stellen.
Auf einer Lochrasterplatine nach einem Schaltplan aufbauen ist für mich kein problem.
Könnte mir jemand helfen eine solche Schaltung zu entwerfen.
Es wäre auch schön, den Spannungsabfall mit einem Potti einstellen zu können, wann oder ab wieviel Volt Spannungsabfall das Relais schaltet.
Ich habe leider im Netz nichts passendes zu meinen speziellen Fall gefunden.
Ich sage schon mal Danke für Eure Antworten!
Gruß
Mirko
|
BID = 573128
perl Ehrenmitglied
       
Beiträge: 11110,1 Wohnort: Rheinbach
|
Zitat :
| | In der Bedienungsanleitung heisst es "Eine negative oder 0-Spannung an diesem Ausgang bewirkt eine Schrittweiterschaltung" |
Dann scheint es sich doch aber wohl um Eingang zu handeln ?
Oder ist hier der Ausgang der Eingang (spart Eintritt  ) oder hat da jemand Ursache und Wirkung verwechselt ?
|
BID = 573174
zwilling Gelegenheitsposter
 
Beiträge: 74
|
Hallo,
der Anschluß ist Eingang als auch Ausgang, es ist eine Art Schnittstelle zum Synchronisieren mehrerer Geräte.
Bei dem Touch Panel an dem der schnellere Step anliegt oder aber manuell verändert wird ist in dem moment das Master Steuerteil.
Gruß
Mirko
|
BID = 573180
sam2 Urgestein
     
Beiträge: 35321 Wohnort: Franken (bairisch besetzte Zone)
|
Unter "Hühnerfutter" verstehen wir eine Hangvoll gängiger, meist diskreter elektronischer Bauteile (aktive wie passive).
Also das, was ein Elerktronikbaster gewöhnlich reichlich in den Schubladen hat.
_________________
"Das Gerät habe ich vor soundsoviel Jahren bei Ihnen gekauft! Immer ist es gegangen, immer. Aber seit gestern früh geht es plötzlich nicht mehr. Sagen Sie mal, DA STIMMT DOCH WAS NICHT???"
|
BID = 574152
~ ACDC -- Gesprächig
  
Beiträge: 120 Wohnort: Eining
|
 Ist im grunde ganz einfach. was du benötigst nent man Kippstufe. ich schick dir mal ein paar bilder der Grundschaltung. anstatt ein relais würde ich transistoren oder Triac's vorschlagen. Wie viel Ampere fließen über das Relais???
Gruß
ps. wie bist du mit dem touch panel zufrieden??
[ Diese Nachricht wurde geändert von: ~ ACDC -- am 22 Dez 2008 23:18 ]
|
BID = 574278
zwilling Gelegenheitsposter
 
Beiträge: 74
|
Hallo,
erst mal vielen Dank an ACDC für die Schaltung (ist übrigens eine meiner Lieblingsrockbands )
Einfach fantastisch, das es noch Leute gibt die so was als einfach bezeichnen, wofür ich mir seit wochen meinen Kopf zerbreche
Das Relais dient nicht zum Schalten von einer Spannung, daher fliesst auch kein Strom.
Damit soll von einem Bedienteil ein Taster gesteuert werden.
Dazu ist mir nur ein Relais eingefallen, weil das ja mechanisch funktioniert und eigentlich nur meinen Finger ersetzen soll
Falls so was auch auf elektron. Weg funktioniert hätte ich auch nichts dagegen.
Ach ja noch was.
Lässt sich in der Schaltung auch ein Potti integrieren, womit ich dem Relais sagen kann ab wieviel Volt Spannungsabfall es Schalten soll?
Wünsche schöne Weihnachten!
Gruß
Mirko
|
BID = 574568
~ ACDC -- Gesprächig
  
Beiträge: 120 Wohnort: Eining
|
Hallo.
Ja du kannst ein Potti anstelle des 100Ohm Wiederstands einbaun. Wäre fileicht sogar sinnfoller als ein Festwiederstand. Je Größer der Wiederstand desto Größer muss auch der Spannungsabfall sein. Je Kleiner er ist, desto empfindlicher reagiert das System. Sollte aber zwischen 200 und 50 Ohm sein. (einfach ausprobieren). für die Simulation ds Tastendrucks würde ich dann schon eher ein Relais empfehlen. da ich nicht weis ob der Taster analoge oder Digitale signale Schaltet. und der aufbau mit transistoren uu zu problemen führen könnte. ich baue nochmal eine schaltung auf und stelle sie ins netz, da ich noch einiges verändern muss. (wegen Relais) PS.Frohe weihnachten zurück
|
BID = 574744
~ ACDC -- Gesprächig
  
Beiträge: 120 Wohnort: Eining
|
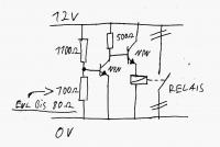
Hier Die versprochene Schaltung. es werden Ausschließlich NPN Transistoren Verwendet die es in jedem Elektroladen richlich gibt. Die Werte sind weitgehend egal. nur der Verstärkungsfaktor sollte mindestens 50 betragen. Dann viel spaß beim Basteln  solltest du noch fragen haben, Einfach mal anschreiben. Gruß!
|
BID = 576840
~ ACDC -- Gesprächig
  
Beiträge: 120 Wohnort: Eining
|
Hier die Neue Schaltung mit NE555. Die sicherere Methode. Die Pinns des Pottis mus man hald raus messen. da es viele Verschiedene gibt. Einfach die 2 Pinns verwenden bei denen sich der Wert verändern lässt. Das Potti kann auch etwas Gröser oder Kleiner sein (500 Ohm oder 150 Ohm) so genau gehts da nicht. sollte aber den bereich von 80 -110 Ohm abdecken. Da die schaltung bei ca 100 Ohm schaltet und man will ja auch ein bischen Spielraum haben. Wenn jemand einen Fehler entdekt haben sollte bitte melden
[ Diese Nachricht wurde geändert von: ~ ACDC -- am 3 Jan 2009 13:28 ]
|
BID = 576936
Bartholomew Inventar
     
Beiträge: 4676
|
Hmm... In Deiner Schaltung kann man den 555 eigentlich auch weglassen
Du hast einen einfachen Analog-Digital-Wandler zusammengezimmert, der ein wenig was von einem Schmitt-Trigger hat.
Wenn T3 durchschaltet, schaltet auch T4. Sperrt T3, sperrt auch T4. Sonderlich genau wird man die Schaltschwelle mit dem Po ti nicht einstellen können.
@zwilling:
Die Schaltseite des Relais wird parallel zum Taster angeschlossen, so dass es egal ist, ob der Taster manuell gedrückt wird, oder das Relais schließt.
Alles, was Du brauchst, ist ein nicht retriggerbares Monoflop, und einen richtig dimensionierten Trigger dafür.
Gruß, Bartho
|
BID = 577055
~ ACDC -- Gesprächig
  
Beiträge: 120 Wohnort: Eining
|
Zitat :
| | Alles, was Du brauchst, ist ein nicht retriggerbares Monoflop, und einen richtig dimensionierten Trigger dafür. |
Richtig  . der ne555 wird als Schmitt-trigger missbraucht. damit man ein starkes eindeutiges Signal erhält. Und nicht so ein Analoggewurschtl.
Wenn du eine alternativschaltung hast stell die doch mal ins Netz.
|
BID = 577107
Bartholomew Inventar
     
Beiträge: 4676
|
Als D/A-Wandler könnte man aber auch prima den anfangs angesprochenen Komparator nehmen  Hinter den Komparator dann einen 555 als Monoflop, der meinetwegen 0,5s lang anzieht (damit das Relais vernünfitg schalten kann).
Man könnte hier z.B. den Operationsverstärker TLC272 als Komparator verbauen: Am einen Eingang wird per Spannungsteiler eine Referenzspannung von meinetwegen 11,5V angelegt, am zweiten Eingang die Eingangsspannung. Sinkt die Eingangsspannung unter die Referenzspannung, geht der Ausgang des OPs von high auf low (oder auch umgekehrt, je nach Eingangsbelegung), und der 555 bekommt seinen sauberen Impuls.
Vermutlich ist es besser, statt des OPs gleich einen richtigen Komparator-IC zu nehmen, aber mit denen habe ich bislang noch keine Erfahrungen gesammelt.
T4 ist in Deiner Schaltung übrigens optional, wenn der 555 bleiben soll; denn der NE555 (nicht die CMOS-Version!) kann ja immerhin 200mA am Ausgang schalten, was locker für ein Relais reicht.
Gruß, Bartho
|
BID = 577158
~ ACDC -- Gesprächig
  
Beiträge: 120 Wohnort: Eining
|
Der Vorschlag mit komparator und 555 ist nicht schlecht!  Aber zum durchschalten des Tasters würde ich kein Relais verwenden. da dieses immer im ungünstigsten moment kaputt geht. bei durchschnittlich 120 Schritten pro minute kann man drauf warten das was kaputt geht. auserdem wäre da noch Die Selbstinduktion und die Überspannung. ich würde es vorerst mit Transistoren versuchen.
|