12V Laser auf 24V Drucker, Platine im Eigenbau. Im Unterforum Projekte im Selbstbau - Beschreibung: Selbstbau von Elektronik und Elektro
| Autor |
12V Laser auf 24V Drucker, Platine im Eigenbau. Suche nach: laser (1945) drucker (3382) platine (26925) |
|
|
|
|
BID = 1102490
Jornbyte Moderator
      
Beiträge: 7312
|
|
Der Controller erzeugt das PWM. Das Signal steht mit 5V Pegel am Gate des FET Hotbed, Hotend oder FAN zur verfügung, je nach dem was angezapft ist. Da einen Draht anlöten sollte genügen um das PWM dem Laser zur vefügung zu stellen. Damit ist das Themal erledigt. Bleiben nur noch die 12 Volt übrig. Aber dafür hat er ja eine Lösung.
_________________
mfg Jornbyte
Es handelt sich bei dem Tipp nicht um eine Rechtsverbindliche Auskunft und
wer Tippfehler findet, kann sie behalten. |
|
BID = 1102493
Jornbyte Moderator
      
Beiträge: 7312
|
|
Ach ja, die fragwürdigen -24V PWM resultieren daraus das gegen Masse geschaltet wird.
_________________
mfg Jornbyte
Es handelt sich bei dem Tipp nicht um eine Rechtsverbindliche Auskunft und
wer Tippfehler findet, kann sie behalten. |
|
BID = 1102503
seby1302 Gesprächig
  
Beiträge: 111 Wohnort: sizilien/italy
|
Zitat :
|
Das PWM-Signal direkt mit dem Spannungsregler auf 5V bringen, sollte auch funktionieren... Wenn geklärt ist, was es mit den ominösen "-24V PWM" auf sich hat.
|
Damit meinte ich das ohne ZDiode, der 3,3 Spannungsregler keine 3V mehr liefert sondern 24v, und nach paar Sekunden wird der so heiß das es trotz kühl Körper einfach auseinander geplatzt ist.
-24 sollte nur heiße die Pwm Leitung ist Negativ 24v
Deshalb ja auch der OK.
Nur hatte ich im Datenblatt etwas mit 6V gelesen, und war davon ausgegangen das der keine 24v aushalten würde.
War wohl etwas anderes.
Werde das Später direkt über Ok anschließen und dann berichten.
Aber denke auch das es daran sehr wahrscheinlich liegen wird.
Zitat :
|
Der Controller erzeugt das PWM. Das Signal steht mit 5V Pegel am Gate des FET Hotbed, Hotend oder FAN zur verfügung, je nach dem was angezapft ist. Da einen Draht anlöten sollte genügen um das PWM dem Laser zur vefügung zu stellen. Damit ist das Themal erledigt. Bleiben nur noch die 12 Volt übrig. Aber dafür hat er ja eine Lösung.
|
Du meinst jetzt direkt am Chip.
Ja da hatte ich dran gedacht, aber 5V? dachte da liegen nur 3 an, aber guter tipp sollte das mit dem Ok nicht klappen, werde ich mir das angucken.
Ein Schaltplan währe zu dem boards dafür von Vorteil 🤔
Ender 3 pro Board V1.1.4
[ Diese Nachricht wurde geändert von: seby1302 am 28 Sep 2022 3:12 ]
[ Diese Nachricht wurde geändert von: seby1302 am 28 Sep 2022 3:14 ]
|
BID = 1102517
Offroad GTI Urgestein
     
Beiträge: 12829 Wohnort: Cottbus
|
Zitat :
| | die fragwürdigen -24V PWM resultieren daraus das gegen Masse geschaltet wird. |
Aha, das klingt plausibel.
Zitat :
| | der 3,3 Spannungsregler keine 3V mehr liefert sondern 24v, und nach paar Sekunden wird der so heiß das es trotz kühl Körper einfach auseinander geplatzt ist |
Der LD111733 ist auch nur für maximal 15V Eingangsspannung spezifiziert.
Zitat :
| | Nur hatte ich im Datenblatt etwas mit 6V gelesen, und war davon ausgegangen das der keine 24v aushalten würde. |
Im Datenblatt gibt es immer viel zu lesen
Hier ist wohl die Sperrspannung der IR-LED gemeint, die wie bei allen LEDs oft im einstelligen Bereich liegt. Da die LED nicht mit Sperrspannung beaufschlagt wird, ist dieser Wert nicht von Bedeutung.
Ein OK kann man in dem Fall aber schon verwenden. Wenn man einen mit "Push-Pull-Logikausgang" hat, braucht man auch keine weitere Beschaltung. Bei einem normalen OK braucht es halt oft noch eine Treiberstufe für ein sauberes Signal.
Du kannst auch erst mal versuchen, den Ausgang des OK mit einem 1k Widerstand gegen GND zu beschalten, dann liefert er schon recht schönes Rechtecksignal.
Der PC817 ist halt generell nicht der schnellste.
Es reicht aber auch schon ein einfacher PNP-Transistor:
_________________
Theoretisch gibt es zwischen Theorie und Praxis keinen Unterschied. Praktisch gibt es ihn aber.
|
BID = 1102521
seby1302 Gesprächig
  
Beiträge: 111 Wohnort: sizilien/italy
|
Zitat :
|
Der LD111733 ist auch nur für maximal 15V Eingangsspannung spezifiziert.
|
Das habe ich total Übersehen 😳
Hatte extra rein geschaut, anscheinend nur die vom 7805 und 7812 im Kopf gehabt oder so.
Also PWM funktioniert mit nur OK viel Besser.
1- 40% ca.. ist das blinken immer schneller, umso höher das PWM gestellt ist.
Ab 40% hat er Aussetzer etwa alle 4-5 Sekunden, also dauerleuchten, 5Sek später kurzes Aussetzer und wieder dauerleuchten..
Nun habe ich aber gesehen, das der 7812 nur noch 10v Liefert Ohne Laser, also ohne last.
Das wird auch daran liegen, mit dem Aussetzer etc aber.....
Kann der Spannungsregler Leistung verlieren wegen Überstrom, obwohl die Temperatur nicht viel mehr wie 60C° war?
Ich dachte immer es Gibt nur Läuft oder ist kaputt 🤔
Lg
|
BID = 1102523
Offroad GTI Urgestein
     
Beiträge: 12829 Wohnort: Cottbus
|
Zitat :
| | Also PWM funktioniert mit nur OK viel Besser. |
Aber bestimmt nicht mit deiner Phantasie-Beschaltung.
Ohne Oszilloskop kannst du das auch nicht objektiv beurteilen.
Zitat :
| | Kann der Spannungsregler Leistung verlieren wegen Überstrom, obwohl die Temperatur nicht viel mehr wie 60C° war? |
Vieles ist möglich. Wenn du Außen 60°C misst, ist die Temperatur im Inneren des Reglers natürlich wesentlich höher. Selbst bei nur 1A Ausgangsstrom setzt er immerhin schon 12W Verlustleistung um. Das ist für so ein kleines Gehäuse recht viel.
Wie zu Beginn schon festgestellt, ist der Festspannungsregler hier fehl am Platz.
Mit einem separaten 12V Netzteil hast du eine stabile Spannung und quälst den armen Regler nicht so.
_________________
Theoretisch gibt es zwischen Theorie und Praxis keinen Unterschied. Praktisch gibt es ihn aber.
|
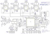
BID = 1102531
Jornbyte Moderator
      
Beiträge: 7312
|
Schaltung
_________________
mfg Jornbyte
Es handelt sich bei dem Tipp nicht um eine Rechtsverbindliche Auskunft und
wer Tippfehler findet, kann sie behalten.
|
BID = 1102547
seby1302 Gesprächig
  
Beiträge: 111 Wohnort: sizilien/italy
|
Zitat :
Jornbyte hat am 28 Sep 2022 14:56 geschrieben :
|
Schaltung
|
Perfekt Vielen dank 😍
Zitat :
|
Aber bestimmt nicht mit deiner Phantasie-Beschaltung.
Ohne Oszilloskop kannst du das auch nicht objektiv beurteilen.
|
Nicht ganz, ich kann ja den Laser Beobachten und sehen ob es Blinkt, Dauer leuchtet oder Aussetzer hat.
Natürlich kann ich nicht beurteilen ob es 1000Hz oder 999hz hat 😆
Dennoch sehe ich das es nicht passen kann.
Aktuell ist eben 1-40% blinken, wobei bei 1% im Sekunden Takt blinkt.
Bei 40% Währe es so schnell das es ein dauerleuchten ergeben würde, geb. es nicht diese Aussetzer.
Außerdem Konnte ich an dem Laser Lüfter, Hören das der Strom in den Knien ging.
Nun ist der Spannungsregler ausgetauscht, und Lüfter dreht mit gleiche Drehzahl wie bei PWM 0% kommen auch wieder die 12V an.
Strom passt...
Zitat :
|
Mit einem separaten 12V Netzteil hast du eine stabile Spannung und quälst den armen Regler nicht so.
|
Problem ist es bringt mir einfach nix, wen der OK das nicht richtig regeln kann.
Und Problem Nr2, ja habe ich schon.
Allergingt Funktioniert das PWM dann auch nicht mehr, die 5V Leitung wird auf 12V Gezogen.
Heißt im Klartext, PWM 100% direkt beim einschalten und das dauerhaft.
Den Laser schadet das nicht, da der auch 12vPWM Abkann.
Aber regeln kann ich dann überhaupt nicht mehr.
Liegt wohl an den separaten Massen?
Kann aber schlecht die 24v Maße mit den 12v Maße Verbinden oder?
|
BID = 1102549
Offroad GTI Urgestein
     
Beiträge: 12829 Wohnort: Cottbus
|
Zitat :
| Problem ist es bringt mir einfach nix, wen der OK das nicht richtig regeln kann.
Und Problem Nr2, ja habe ich schon.
Allergingt Funktioniert das PWM dann auch nicht mehr, die 5V Leitung wird auf 12V Gezogen. |
Ick fall gleich vom Glauben ab...  ....vergiss deine Optokoppler-Schaltung  und baue den Pegelumsetzer wie in meiner Skizze.
Dazu noch ein separates Netzteil für den Laser, und alles wird gut.
Zitat :
| | Kann aber schlecht die 24v Maße mit den 12v Maße Verbinden oder? |
Klar geht das, sind ja separate Netzteile. Die musst du auch verbinden, wenn alles funktionieren soll.
Du meinst mit 24V Masse ja hoffentlich nicht "-24V PWM"
_________________
Theoretisch gibt es zwischen Theorie und Praxis keinen Unterschied. Praktisch gibt es ihn aber.
|
BID = 1102551
Jornbyte Moderator
      
Beiträge: 7312
|
Zitat :
| | Den Laser schadet das nicht, da der auch 12vPWM Abkann. |
NEIN, kann er nicht  Max. 5 Volt Pegel.
_________________
mfg Jornbyte
Es handelt sich bei dem Tipp nicht um eine Rechtsverbindliche Auskunft und
wer Tippfehler findet, kann sie behalten.
|
BID = 1102553
seby1302 Gesprächig
  
Beiträge: 111 Wohnort: sizilien/italy
|
Zitat :
Jornbyte hat am 28 Sep 2022 20:56 geschrieben :
|
Zitat :
| | Den Laser schadet das nicht, da der auch 12vPWM Abkann. |
NEIN, kann er nicht Max. 5 Volt Pegel.
|
Laut darren angaben ja schon.
Siehe Bild im Anhang.
Außerdem Währe der Laser Längst schrott gewesen.
Die kann auch mit 24V Betrieben werden, Ich müsste dafür nur ein 24V Lüfter besorgen, da die 24V Version andre Lüfter besitzt aber selbe Platine.
Zwar steht auf der Platine dann der Aufdruck 24V anstelle von 12V die besitzt aber exakt die selbe Komponenten.
Praktisch nur andrem Aufdruck und 12V Lüfter...
Zitat :
|
Ick fall gleich vom Glauben ab... ....vergiss deine Optokoppler-Schaltung und baue den Pegelumsetzer wie in meiner Skizze.
Dazu noch ein separates Netzteil für den Laser, und alles wird gut.
|
Damit wird dann die Frequenz verstärkt?
Weil am sonnten, könnte ich gleich vom Chip die 5V rein jaggen komplett ohne zwischen Elektronik.
Die Komponenten bestelle ich dann jetzt dennoch.
Zitat :
|
Klar geht das, sind ja separate Netzteile. Die musst du auch verbinden, wenn alles funktionieren soll.
Du meinst mit 24V Masse ja hoffentlich nicht "-24V PWM"
|
Nein Natürlich die 2 Hauptmassen, der beide Netzteile.
So nun Probiert..
Die Frequenz hat sich sogar extrem verschlechtert..
Das was bei 40% war, ist nun bei etwa 60%.
Dabei Hat sich an der Leistung Null verändert oder Nicht sichtbar.
Aber gut erstmal Komponenten abwarten dann weiter sehen...
[ Diese Nachricht wurde geändert von: seby1302 am 28 Sep 2022 21:47 ]
|
BID = 1102556
Jornbyte Moderator
      
Beiträge: 7312
|
Es gibt eine 12 Volt und eine 24 Volt Ausführung. Was hast du? Bei deinem Wissen wird das nix. Ich bin raus.
_________________
mfg Jornbyte
Es handelt sich bei dem Tipp nicht um eine Rechtsverbindliche Auskunft und
wer Tippfehler findet, kann sie behalten.
|
BID = 1102557
seby1302 Gesprächig
  
Beiträge: 111 Wohnort: sizilien/italy
|
Zitat :
Jornbyte hat am 28 Sep 2022 22:05 geschrieben :
|
Es gibt eine 12 Volt und eine 24 Volt Ausführung. Was hast du? Bei deinem Wissen wird das nix. Ich bin raus.
|
Sagte ich doch 12V Version, die kann ich aber mit andrem Lüfter auch als 24V Version Betreiben.
Habe ich auch schon getestet, Ändert jedoch nix am PWM.
Und sollte auch als 12v Weiter betrieben werden, da der andre Drucker nur 12V besitzt.
Zitat :
|
Es reicht aber auch schon ein einfacher PNP-Transistor:
|
Ich hab den Bc557C und 2n2222 doch da gehabt, joa was soll ich sagen.
Selbe Probleme wie anfangs, deshalb hatte ich auch den OK dran geklatscht....
PWM Out = 24V Der 7805 Wird Knall Heiß Gemessen 100C°
Transistor hats auch nicht Überlebt..
Probiere ich gleich direkt Über Den Atmel Pinout die 5V.
[ Diese Nachricht wurde geändert von: seby1302 am 28 Sep 2022 22:37 ]
|
BID = 1102560
seby1302 Gesprächig
  
Beiträge: 111 Wohnort: sizilien/italy
|
So nun habe ich es direkt am Chip 0-5V sind da.
Laser blinkt gleichmäßig, von 1-99% bei 100% läuft sie sauber durch, ohne flackern etc..
Könnte man nun den Pegel Erhöhen weil dieses blinken geht ja mal Gar nicht.
Und nun kann ja nicht mehr passieren das der sich auf 24v zieht Ist ja direkt 5V.🤔
P.s Das Blinken wird mit jedem % schneller.
Also gleiches Ausgangspunkt wie vorher, nur ohne Aussetzer, und saubere Leistung etc.
Wobei in der FW man die Option hätte
| Code : |
// Use software PWM to drive the fan, as for the heaters. This uses a very low frequency
// which is not as annoying as with the hardware PWM. On the other hand, if this frequency
// is too low, you should also increment SOFT_PWM_SCALE.
#define FAN_SOFT_PWM
// Incrementing this by 1 will double the software PWM frequency,
// affecting heaters, and the fan if FAN_SOFT_PWM is enabled.
// However, control resolution will be halved for each increment;
// at zero value, there are 128 effective control positions.
// :[0,1,2,3,4,5,6,7]
#define SOFT_PWM_SCALE 1
// If SOFT_PWM_SCALE is set to a value higher than 0, dithering can
// be used to mitigate the associated resolution loss. If enabled,
// some of the PWM cycles are stretched so on average the desired
// duty cycle is attained.
//#define SOFT_PWM_DITHER
|
|
Mein Vs Code lässt mir aber grade kein Kompilieren zu, muss ich wohl neu installieren, und dann ausprobieren
[ Diese Nachricht wurde geändert von: seby1302 am 29 Sep 2022 1:18 ]
|
BID = 1102564
seby1302 Gesprächig
  
Beiträge: 111 Wohnort: sizilien/italy
|
Erledigt!!!!!!!!
Nach 14 Verschiedenen Fw´s habe ich endlich es geschafft.
#define SOFT_PWM_SCALE 6
+
#define SOFT_PWM_DITHER
ab SOFT_PWM_SCALE 7 mit und ohne SOFT_PWM_DITHER Fing es ab etwa 50% wieder an zu Blinken.
PWM Direkt am Fet abgegriffen Siehe Bild.
P.s Ja MB Version wahr falsche, mein Fehler.
Hatte wohl die Version vom alten Ender im Kopf.
Schaltplan für den V4.2.2 Packe ich hier rein, sollte es Jemand Gebrauchen.
An Dieser stelle, vielen dank für eure Zeit Mühe und die für netten Tipps.
Nicht wundern das der nix lasert, steht Etwa 20x höher wie der eigentliche Focus.
Lasertree Pwm Ender3Pro Video
[ Diese Nachricht wurde geändert von: seby1302 am 29 Sep 2022 2:56 ]
|
|
Zum Ersatzteileshop
Bezeichnungen von Produkten, Abbildungen und Logos , die in diesem Forum oder im Shop verwendet werden, sind Eigentum des entsprechenden Herstellers oder Besitzers. Diese dienen lediglich zur Identifikation!
Impressum
Datenschutz
Copyright © Baldur Brock Fernsehtechnik und Versand Ersatzteile in Heilbronn Deutschland
gerechnet auf die letzten 30 Tage haben wir 13 Beiträge im Durchschnitt pro Tag heute wurden bisher 1 Beiträge verfasst © x sparkkelsputz Besucher : 186492620 Heute : 16725 Gestern : 35614 Online : 209 14.11.2025 20:50 4 Besucher in den letzten 60 Sekunden alle 15.00 Sekunden ein neuer Besucher ---- logout ----viewtopic ---- logout ----
|
xcvb
ycvb
0.112478971481
|