| Autor |
LED Lichtanlage - Problem Suche nach: led (32779) |
|
|
|
|
BID = 496917
Anexus Gelegenheitsposter
 
Beiträge: 78 Wohnort: Rostock
|
|
lol, bin schon oft über diese Seite gestolpert. Bin derzeit am Lesen... scheint ganz gut zu sein. |
|
BID = 497085
teotihuacan Gesprächig
  
Beiträge: 170 Wohnort: Winterlingen
|
|
BID = 508203
Anexus Gelegenheitsposter
 
Beiträge: 78 Wohnort: Rostock
|
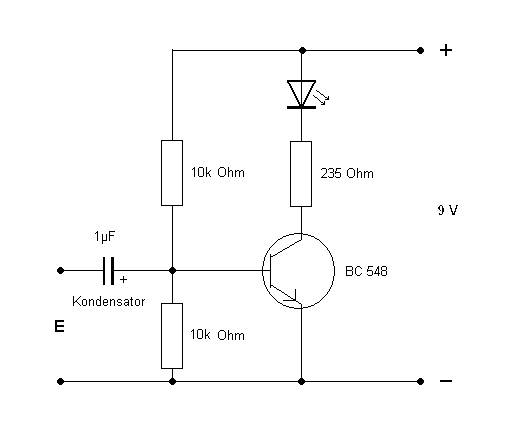
Hi Leutz
Habs nun endlich hinbekommen.
Der Basis-Widerstand war unnötig, da durch ihn nicht genügend Spannung an die Basis kam.
Der Vorwiderstand müsste eigentlich 290 Ohm betragen, doch 235 Ohm tun es auch. Die Schaltung ist nicht gerade die sauberste Lösung, aber für den Anfang reicht es!
Hier mal die Schaltung und ein Video...
|
BID = 508211
Makersting Schriftsteller
    
Beiträge: 612 Wohnort: Ostfriesland
|
TäTää-Tätää...wenn das keinen Tusch wert ist:
Nach all der Diskutiererei kommt am Ende sowas als Resultat raus!!
|
BID = 508357
Anexus Gelegenheitsposter
 
Beiträge: 78 Wohnort: Rostock
|
Im Allgemeinen besteht das Problem nicht beim Vorhaben sondern am Line-Out. Denn durch einen Y-Adapter habe ich 2 Audio Ausgänge. Bei der Schaltung liegen nur 0,45 V, der Transistor schaltet aber erst bei 0,58 V durch. Somit ist ein Poti an der Basis erst bei hoher Lautstärke sinnvoll. Doch dann reiß Wand ein mit dem Lärm
Jetzt gilt es einen Transistor zu finden, der schon bei etwa 0,3 V durchsteuert. Ansonsten müsste man mit einer Basis-Vorspannung arbeiten.
Jedenfalls bedanke ich mich bei den Leuten für die vielen Erklärungen und Hilfestellungen!
|
BID = 508368
Mr.Ed Moderator
      
Beiträge: 36327 Wohnort: Recklinghausen
|
Oder eine weitere Transistorstufe davorschalten...
So wie in den Beispielen.
_________________
-=MR.ED=-
Anfragen bitte ins Forum, nicht per PM, Mail ICQ o.ä. So haben alle was davon und alle können helfen. Entsprechende Anfragen werden ignoriert.
Für Schäden und Folgeschäden an Geräten und/oder Personen übernehme ich keine Haftung.
Die Sicherheits- sowie die VDE Vorschriften sind zu beachten, im Zweifelsfalle grundsätzlich einen Fachmann fragen bzw. die Arbeiten von einer Fachfirma ausführen lassen.
|
BID = 508388
Esko Stammposter
   
Beiträge: 465 Wohnort: Cadolzburg
|
Sorry dafür, aber ich bekomm hier gerade nen Lachkrampf.
Eine Diskussion mit 5 Seiten die sich über ein Vierteljahr hinzieht hat als Ergebnis eine Emitterschaltung.
Respekt!
Ab hier ernsthafter:
Zitat :
Anexus hat am 16 Mär 2008 20:19 geschrieben :
|
Im Allgemeinen besteht das Problem nicht beim Vorhaben sondern am Line-Out. Denn durch einen Y-Adapter habe ich 2 Audio Ausgänge. Bei der Schaltung liegen nur 0,45 V, der Transistor schaltet aber erst bei 0,58 V durch. Somit ist ein Poti an der Basis erst bei hoher Lautstärke sinnvoll. Doch dann reiß Wand ein mit dem Lärm
|
Der Y-Verteiler ist nur ein Verteiler für den Verstärker und deine Schaltung. Durch deine Schaltung dürfte das Signal verzerrt werden weshalb man das Signal mit einem Widerstand abgreifen sollte um eine Rückwirkung von deiner Schalung auf das Signal zu vermeiden.
Zitat :
|
Jetzt gilt es einen Transistor zu finden, der schon bei etwa 0,3 V durchsteuert. Ansonsten müsste man mit einer Basis-Vorspannung arbeiten.
|
Die Basis vorspannen ist hier der richtige Weg. Außerdem gleichspannungsmäßig abkoppeln.
Habe dir mal gezeichnet wie das gemeint ist: Vor den Kondensator gehört, wie ich schon schrieb ein Widerstand, ganz grob geschätzt 1k Ohm.
[ Diese Nachricht wurde geändert von: Esko am 16 Mär 2008 21:55 ]
|
BID = 508401
Makersting Schriftsteller
    
Beiträge: 612 Wohnort: Ostfriesland
|
Oh, eine LED-Dauerleuchte mit NF-Anschluss!
|
BID = 508468
Esko Stammposter
   
Beiträge: 465 Wohnort: Cadolzburg
|
Zitat :
Makersting hat am 16 Mär 2008 22:42 geschrieben :
|
Oh, eine LED-Dauerleuchte mit NF-Anschluss!
|
Das ist keine Dauerleuchte. Bei Techno z.B. ist die Schaltung eine recht taugliche Lichtorgel.
Da mit den vorhandenen Kenntnissen offensichtlich keine Luftsprünge zumachen sind und nur die allereinfachsten Schaltungen infrage kommen ist meine Lösung nicht die schlechteste.
Sie behebt (manche) Mängel der vorhandenen Schaltung und bringt den Fragesteller damit weiter als irgendwelche "abgehobenen" Sachen die er sowieso nicht verstehen kann.
Du hast in diesem Thread leider überhaupt noch keine Hilfestellung gegeben.
|
BID = 508473
Anexus Gelegenheitsposter
 
Beiträge: 78 Wohnort: Rostock
|
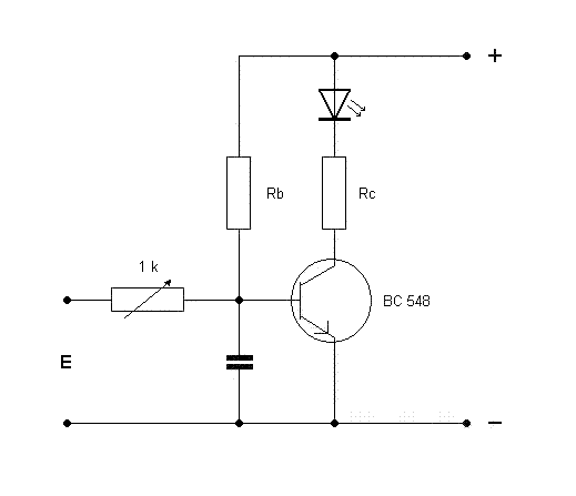
Ich dachte da mehr an diese Schaltung...
Mit dem Poti kann ich die Empfindlichkeit auf die Musik einstellen und der. Der Kondensator ist meiner Meinung nach nur wichtig wenn man ihn mit nem Festwiderstand in einen Tiefpass verwendet.
Inwiefern sich ein Kondensator auf die Schaltung auswirken?
[ Diese Nachricht wurde geändert von: Anexus am 17 Mär 2008 7:29 ]
|
BID = 508476
Anexus Gelegenheitsposter
 
Beiträge: 78 Wohnort: Rostock
|
|
BID = 508514
Makersting Schriftsteller
    
Beiträge: 612 Wohnort: Ostfriesland
|
Zitat :
Esko hat am 17 Mär 2008 03:11 geschrieben :
|
Du hast in diesem Thread leider überhaupt noch keine Hilfestellung gegeben.
|
Verdammt, da hast du recht. Kritisieren ohne mit eigenen Vorschlägen um die Ecke zu kommen ist zu leicht. Also will ich das Risiko mal wagen...
M.E. ist, unter der Prämisse, dass es möglichst einfach sein soll, der Ansatz deiner Schaltung gar nicht so verkehrt. Mir gefallen die Werte für den Spanungsteiler nicht, weil der Transistor damit dauernd durchschaltet.
Mein Vorschlag wäre die Basis bis knapp unter die Durchschaltspannung des Transistors 'anzufüttern'. Eine positive Halbwelle der NF sollte dann für ein Durchschalten sorgen. Die Empfindlichkeit wird mit dem Potentiometer eingestellt.
Ggf. kann man noch mit einem Tiefpass oder besser einer Bandsperre (nur tief und hoch durchlassen) das Aufleuchten der LED auf den Rhythmus optimieren.
Falls die Schaltung die NF zu stark belastet, könnten die Widerstandswerte des Spannungsteilers mit 2 oder 3 Multipliziert werden.
So, nun aber mal Bahn frei für meinen Gang zum Online-Schafott!
@Anexus: Der Kondensator ist bei klein eingestelltem Trimmer ein elektrischer Kurzschluss für tiefe Frequenzen. Sprich, diese Schaltung klaut den Bass für den am Rechner angeschlossenen Verstärker. R müsste größer sein.
[ Diese Nachricht wurde geändert von: Makersting am 17 Mär 2008 11:32 ]
|
BID = 508530
teotihuacan Gesprächig
  
Beiträge: 170 Wohnort: Winterlingen
|
Zitat :
| | Gleichspannung abkoppeln? mit nem Elko? |
Ja.
Kondensatoren lassen nur Wechselspannungen durch, da verhalten sie sich ähnlich wie Widerstände. Bei Gleichspannung sperren sie.
In den vorgeschlagenen Schaltungen von Esko bzw. Makersting wird die Signal(wechsel)spannung auf die Basisvorspannung (Gleichspannung) des Spannungsteilers aufmoduliert, d.h. die positiven Halbwellen werden zu der Basisvorspannung dazuaddiert, während die negativen Halbwellen abgezogen werden. Die Basisvorspannung hat mit Koppelkondensator jedoch keinen Einfluss auf die Signalspannung. Lässt du den Kondensator weg, dann hast du auch einen Gleichspannungsanteil in der Signalspannung, was man ja nicht haben will, da die Signalspannung ja auch zu einem Verstärker/Lautsprecher geht.
|
BID = 508580
Esko Stammposter
   
Beiträge: 465 Wohnort: Cadolzburg
|
Zitat :
Makersting hat am 17 Mär 2008 11:28 geschrieben :
|
Mir gefallen die Werte für den Spanungsteiler nicht, weil der Transistor damit dauernd durchschaltet.
Mein Vorschlag wäre die Basis bis knapp unter die Durchschaltspannung des Transistors 'anzufüttern'. Eine positive Halbwelle der NF sollte dann für ein Durchschalten sorgen. Die Empfindlichkeit wird mit dem Potentiometer eingestellt.
|
Du hast recht, ich habe den Spannungsteiler nicht ordentlich dimensioniert. Auf gut Glück 10k - 10k einzubauen war nicht so glücklich, da hätte ich mal besser nachdenken sollen.
Mit dem Poti, so wie du die Schaltung beschrieben hast ist die Schaltung recht optimal an die Bedürfnisse des Fragestellers angepasst. (Vom Spannungs- und Wissensstand :-)
|
BID = 508617
Makersting Schriftsteller
    
Beiträge: 612 Wohnort: Ostfriesland
|
Die Schaltung beschäftigt mich immer noch.
Aber mein Magen sagt irgendwie, die ganze Sache müsste mit einem zweistufigen Transistorverstärker realisiert werden, um den Einfluss auf die NF wirklich klein zu halten (=nicht wahrnehmbar in den Boxen).
Vielleicht wäre ein Darlington (BC517) noch eine bessere Wahl. Dann müsste statt des 10KOhm Widerstands einen 27KOhm einbauen und alles andere wie gehabt.
Noch was: Meine Angaben sind alle für 9V! Die müssen dann auch relativ, exakt eingehalten werden. Willst du nun mit 12V (vom Rechner)arbeiten, dann solltest du ein 220KOhm Poti verwenden. Kannst du übrigens auch bei 9V schon machen.
Falls ein Tiefbass dazu sollte - damit nur eher Basedrum den Lampentakt angibt - dann könnte man diesen durch einem RC-Glied zwischen Spannungsteiler und Basis realisieren. R in der Basis-Zuleitung und C hinter R nach Masse schalten.
R=10KOhm und C müsste sowas im kleinen nF Bereich sein. Der Darlington hat genug Stromverstärkung, dass der R des RC-Gliedes nicht zu einer Funktionsbeeinträchtigung der Lichtorgel führen sollte. Denke ich...meine ich...hoffe ich...Ausprobieren und schlauer werden!
|