DANKE!!!!!!!!!!! Endlich mal einer ohne Verwandtschaft bei der Staatsanwaltschaft!
Zitat :
wome hat am 18 Jan 2008 09:57 geschrieben :
|
Der Faden ist m.E. teilweise etwas unsachlich.
|
jo.
Zitat :
|
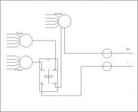
Die PEN-Aufteilung erfolgt hier an dem blauen PEN-Block, der ein bisschen grün-gelber sein könnte, eine "blaue" Erde kann ich ansonsten nicht erkennen.
|
oben an der Klemme kommen alle N und Erden (das heisst hier PE, richtig?) von den Verbrauchern an... sieht man vielleicht nicht so gut auf dem Foto, aber schönes Mischmasch Blau/Gn-Ge.
Zitat :
|
Davon gehen drei einphasige Stromkreise ab, einmal (vermutlich) 2,5mm², zweimal 1,5mm². Ersterer kann je nach Verlegeart mit bis zu 20 A belastet werden, die letzteren mit bis zu 16 A, was vor Ort durch einen Fachmann entschieden werden muss.
|
2,5 verifiziert. War auch blauer Sockel in der Schmelzsicherung = 20A. Vormieter hatte nur 10A reingedreht. Sorry, das hatte sich so angehört als ob ich einfach idi*tischerweise von 10 auf 16 geschaltet hätte.
Übrigens reicht mir die 16+10+10, habe eh nur 35 gesamt im Keller. Grösster Verbraucher (Herd) hängt an der 16., irgendwo kann dann nochmal der Fön zuschlagen mit 1800Watt... mehr ist nicht. Im Notfall soll ein LS auslösen!
Zitat :
|
In der derzeitigen Baumarktausstattung beträgt die maximale Gesamtlast 36 A und könnte z.B. durch einen zweipoligen FI mit 40A Nennstrom nachträglich geschützt werden. Dies erfordert neben dem FI lediglich den Einbau einer getrennten PE-Schiene. Das war meines Wissens die eigentliche Fragestellung.
|
Hurra! Danke!

Tatsächlich meine Frage gelesen!
Werde aber - wie gesagt- abwarten, Vermieter fragen, soll jemand anders machen wenn er es zahlt. Ansonsten ist es wirklich machbar... habe nur keine Lust jetzt eine PE-Schiene einzubauen. Sollte das eigentlich (Neugier) nicht eine Potenzialausgleichschiene sein?
Übrigens: was habt ihr gegen DIESE LS in einer Mietwohnung? Im worst case ersetze ich sie eben - 1,99 pro Stück, das ist ja wohl machbar!
Zitat :
|
Das Isolierband erhöht lediglich den Berührungsschutz der Automaten. Ist m.E. nicht schön, aber nicht falsch.
|
Isolierband war nur dran für alle Fälle während Fotos etc. Schutz. Kommt ansonsten ab.
Danke für den Kommentar - natürlich ist es viel zu weit von den Kontakten um jemals ein Problem zu werden. Das sieht der Berufsnörgler natürlich nicht...
Zitat :
|
Eine abgesetzte Anordnung der LS ist im Wohnungsbau unüblich, aber in der Industrie gelegentlich notwendig, um die Verlustwärme abzuführen, keinesfalls ist sie falsch.
|
Sorry, in diesem Fall war es anders

Ich habe einfach die Blende so geschnitten

Kann die LS hin und herschieben, habe aber keine Lust auf eine neue Blende. Also da steckt wirklich weder Absicht noch Gefahr dahinter! Sorry- Trumbaschl - falsch geraten (dafür lagst du richtig mit dem Sockel!)
Zitat :
|
Die Lüsterklemmen unten und oben links(?!) sind irgendwie nicht okay.
|
Geil Du hast die oben links gesehen!!!
Unten die: kommt weg, ist Blödsinn - auch wenn sie es aushielte, mit Sicherheit. Mag sowas nicht, war schon da und kommt weg (massive Klemmleiste und fertig).
Oben die:

da hat jemand von der anderen Seite durch die Mauer gebohrt und ein Kabel angebohrt und mit Lüsterklemme geflickt.
ZUM GLÜCK BIN ICH HIER AM MURKSEN! Sonst hätte ich das nie gesehen!
DIE Lösung ist nur wirklich nicht tragbar.
Was macht man da eigentlich am Besten? In meinem Perfektionistenwahn würde ich die Lüsterklemme, wenn die Entfernung langt, durch einen Steckverbinder ersetzen, bzw. wenn Kabel zu kurz, 2 Steckverbinder und Stück Kabel...
VIELEN DANK wome!
Du wars der Einzige der meine Frage beantwortet hat.
Du hast trotzdem auf die - offensichtlichen - Mißstände hingewiesen.
DU hast nicht gleich mit Gesetzen gedroht.
Und keine Panik gemacht (Hallo Klgftm30!)
Heimwerker: "Allein schon die Materialauswahl". No comment. Immer teuer ist besser ja?
Lightyear: danke.
Resumee: nur wenige haben wirklich geholfen (NOCHMAL DANKE!). Bei einem gewissenlosen Pfuscher hätten eure Reaktionen nur "abhauen" ausgelöst.
Ich habe hier gelernt:
- Wie der FI geschaltet werden kann (ob ichs nun selber mache oder nicht!)
- ist irgendjemandem eigentlich aufgefallen, dass ich mich mit den Stadtwerken München wegen der Netzform rumgehauen habe? Das waren 3 emails und 2 Tel bis ich erfahren konnte dass hier TN ist! Ist DAS die vorgehensweise eines dummen Halbwissenden, den man besserwisserisch abspeisen darf? (und was macht er dann...?)
- Interessant war auch das juristische Wissen ("Zivilrechtliche Verantwortung..."). No further comment...
Also, verzeiht mir, aber ich möchte den Task hier jetzt wirklich closen. Ich werde wie folgt vorgehen:
-

ich werde NICHTS zurückbauen
- ich werde den Vermieter fragen ob ers zahlt
- und dann (egal wers zahlt!) kommt der Fachmann ins Haus wg. dem FI. Weil es mir zu viel Arbeit ist.
Herzliche Grüsse an Alle, und ein schönes erfolgreiches Jahr übrigensssssssssssssssssssssssssssssssssssshit!!!
[ Diese Nachricht wurde geändert von: goedo am 18 Jan 2008 23:52 ]
[ Diese Nachricht wurde geändert von: goedo am 18 Jan 2008 23:53 ]