Taster und Relais mit CMOS 4017

Im Unterforum Projekte im Selbstbau - Beschreibung: Selbstbau von Elektronik und Elektro

Elektronik Forum Nicht eingeloggt       Einloggen       Registrieren




[Registrieren]      --     [FAQ]      --     [ Einen Link auf Ihrer Homepage zum Forum]      --     [ Themen kostenlos per RSS in ihre Homepage einbauen]      --     [Einloggen]

Suchen


Serverzeit: 24 12 2025  19:15:18      TV   VCR Aufnahme   TFT   CRT-Monitor   Netzteile   LED-FAQ   Oszilloskop-Schirmbilder            


Elektronik- und Elektroforum Forum Index   >>   Projekte im Selbstbau        Projekte im Selbstbau : Selbstbau von Elektronik und Elektro

Autor
Taster und Relais mit CMOS 4017
Suche nach: taster (7733) relais (22569) cmos (1588)

    







BID = 442023

Electronicfox

Schreibmaschine



Beiträge: 1634
Wohnort: hamburg
Zur Homepage von Electronicfox
 

  


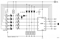
Einfach, billig und genial. Habe ich soeben probiert auf dem Steckbrett. Wer keine 100Hz zur Verfügung hat müsste die mit einem NE555 erzeugen. Die Frequenz kann ruhig >100Hz sein, macht der Schaltung nichts aus.




_________________
Es ist nicht mein Ziel mit dem Kopf durch die Wand zu gehen, sondern mit den Augen eine Tür zu finden. Also warum kompliziert, wenn’s einfach geht.

BID = 442055

Dombrowski

Stammposter



Beiträge: 450

 

  

Moin.

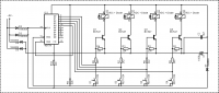
Falls @cgm noch was anderes sucht...

D.







Zurück zur Seite 1 im Unterforum          Vorheriges Thema Nächstes Thema 


Zum Ersatzteileshop


Bezeichnungen von Produkten, Abbildungen und Logos , die in diesem Forum oder im Shop verwendet werden, sind Eigentum des entsprechenden Herstellers oder Besitzers. Diese dienen lediglich zur Identifikation!
Impressum       Datenschutz       Copyright © Baldur Brock Fernsehtechnik und Versand Ersatzteile in Heilbronn Deutschland       

gerechnet auf die letzten 30 Tage haben wir 18 Beiträge im Durchschnitt pro Tag       heute wurden bisher 5 Beiträge verfasst
© x sparkkelsputz        Besucher : 187917799   Heute : 12100    Gestern : 19923    Online : 256        24.12.2025    19:15
21 Besucher in den letzten 60 Sekunden        alle 2.86 Sekunden ein neuer Besucher ---- logout ----viewtopic ---- logout ----
xcvb ycvb
0.112368106842