| Autor |
Lithium-Ionen-Akku laden - aber wie? Suche nach: ionen (355) akku (11534) |
|
|
|
|
BID = 380744
stefan_z Gelegenheitsposter
 
Beiträge: 57 Wohnort: Köln
|
|
Ich habe bei Pollin zwei dieser Akkupacks abgegriffen, sind inzwischen wohl ausverkauft...
http://www.pollin.de/shop/downloads/D270597D.PDF
Eckdaten: 3,7V / 1.400 mA/h - restliche Infos im PDF.
Jetzt stellt sich mir die Frage, wie die Teile zu laden sind... Soweit ich weiß, ist das nicht alzu einfach, oder?
Kann man das mit nem Labornetzgerät machen (habe eines mit 15V / 2A) und die Zeiten mit ner Uhr überwachen?
Wenn das zu "feuchtforsch" ist, was für ein Ladegerät brauche ich?
Könnte man sich eventuell so ein Ladegerät selber basteln? Mir schweben da ein LM317 (o.Ä.) und ein AVR als Steuerung vor.
Und noch eine allgemeine Frage zum Akku-Aufladen: Wird der Akku mit seinem Pluspol an den Pluspol des Netzteils angeklemmt, oder genau umgekehrt?
Danke!
Stefan Z |
|
BID = 380767
Beckenrandschwimmer Schreibmaschine
    
Beiträge: 1923 Wohnort: Altrip
|
|
Das steht alles MEHRMALS im angegebenen Datenblatt:
"Charging Conditions: Constant voltage/constant current, 4,2V, 945mA, 2hours, 20°C."
EDIT:
Plus an Plus, Minus an Minus.
[ Diese Nachricht wurde geändert von: Beckenrandschwimmer am 26 Okt 2006 9:22 ] |
|
BID = 380770
wulf Schreibmaschine
    
Beiträge: 2246 Wohnort: Bozen
|
Zitat :
|
Und noch eine allgemeine Frage zum Akku-Aufladen: Wird der Akku mit seinem Pluspol an den Pluspol des Netzteils angeklemmt, oder genau umgekehrt?
|
ich weiss ja nicht wie du deine (anderen) akkus bisher geladen hast, aber wenn du sie nicht polrichtig anschliesst, ...  .
ich will jetzt ja nicht pessimistisch oder beleidigend klingen, aber wenn du wirklich so wenig weisst, solltest du die finger von LI-akkus lassen. die haben die üble eigenschaft, die kleinste überladung mit einer explosion und einem heftigen brand zu quittieren.
vom prinzip her kann man aber LI-akkus ähnlich laden wie blei akkus.
zuerst mit konstantem strom, und dann mit konstantspannung.
z.b. ein sehr genauer spannungsregler mit strombegrenzung KÖNNTE funktionieren.
allerdings ist mein wissen nur theoretisch, ich hab selber noch nie einen LI-akku geladen.
mfg wulf
edit: da gabs doch mal einen link zu einem video, wie heftig die reaktion von solchen akkus sein kann. vielleicht sollte sich der threaderöffner das video mal anschauen.
ich find nur nicht mehr den link
_________________
Simon
IW3BWH
|
BID = 380777
perl Ehrenmitglied
       
Beiträge: 11110,1 Wohnort: Rheinbach
|
Vor allem darfst du die angebene Ladeendspannung keinesfalls überschreiten !
Du mußt die Ladung also mit einem ordentlichen Digitalvoltmeter kontrollieren.
Wenn du nicht sicher bist, ob dein Ladegerät präzise und konstant genug funktioniert, dann bleib mit der Spannung lieber um 0,1 oder 0,2V unter dem angegeben Wert, sonst droht ein Feuerwerk!
Das ist auch der Grund, weshalb diese Akkus normalerweise nicht im freien Handel zu haben sind.
Tiefentladung mögen sie auch nicht. U.U, sind sie dann hin und tun überhaupt nichts mehr.
_________________
Haftungsausschluß:
Bei obigem Beitrag handelt es sich um meine private Meinung.
Rechtsansprüche dürfen aus deren Anwendung nicht abgeleitet werden.
Besonders VDE0100; VDE0550/0551; VDE0700; VDE0711; VDE0860 beachten !
|
BID = 380799
Beckenrandschwimmer Schreibmaschine
    
Beiträge: 1923 Wohnort: Altrip
|
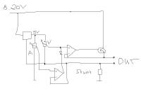
Ich habe ein Li-Ionen Ladegerät gebaut. 2 hintereinander geschaltene Stromquellen --> z-Diode zur Spannungsstabilisierung (Referenzspannung) --> mit Poti abgefasst --> OP zur Verstärkung.
Eingangsspannung: 8V...20V
Ausgangsspannung: 4,18V @ 8V Eingang, 4,19V @ 20V Eingang
Strombegrenzung auf 800mA, über Shunt gemessen --> Weiterer OP, der die Referenzspannung runter "zieht"
Damit lade ich die billig Li-Ionen Akkus aus fern Ost, die die originalen Ladegeräte verschmähen.
Bei Bedarf lad ich mal den Schaltplan hier hoch (muss aber Zeit dazu finden, da ich die Schaltung nicht dokumentiert hab und somit erst wieder abzeichnen muss)
EDIT: um das ganze Temperaturstabieler zu gestalten, kann man als Referenzspannung auch einen 7805 nehmen, anstatt die 2 Stromquellen.
[ Diese Nachricht wurde geändert von: Beckenrandschwimmer am 26 Okt 2006 11:26 ]
|
BID = 380859
Peda Schriftsteller
    
Beiträge: 891
|
Woher bezieht ihr außer Pollin eure Li-Ion Akkus??
Gruss Peter
_________________
Do you have Math Problems ?? Then call 0049-0800 sin(lg((10^45*tan(56))/(f(0)'->(45x^3/3x^2*3x^7)))
|
BID = 380881
ElektroNicki Inventar
     
Beiträge: 6424 Wohnort: Ugobangowangohousen
|
die grüne altbatteriekiste
alle anderen bauteile, die ich hab, stammen aus altgeräten. ich hab nur etwa 5 prozent neuware.
von dem gesparten geld kann man sich dann ein dso zum geburtstag kaufen.
_________________
|
BID = 380892
stefan_z Gelegenheitsposter
 
Beiträge: 57 Wohnort: Köln
|
Zitat :
| ich weiss ja nicht wie du deine (anderen) akkus bisher geladen hast, aber wenn du sie nicht polrichtig anschliesst, ... .
ich will jetzt ja nicht pessimistisch oder beleidigend klingen, aber wenn du wirklich so wenig weisst, solltest du die finger von LI-akkus lassen. die haben die üble eigenschaft, die kleinste überladung mit einer explosion und einem heftigen brand zu quittieren. |
Meine "anderen" Akkus habe ich 1992 entsorgt, nachdem ich sie 1986 geschenkt bekommen hatte (erstes elektrisches Fernlenk-Auto). Die hab ich damals immer in den Akkulader vom Papa gepackt.
Ansonsten habe ich halt keine (alles in Geräten mit Ladestecker verbaut).
Daher ja die Fragen - DENKEN kann ich mir das schon, aber WISSEN ist besser, oder!? Grad bei modernen Akkus.
Zitat :
|
Das steht alles MEHRMALS im angegebenen Datenblatt:
"Charging Conditions: Constant voltage/constant current, 4,2V, 945mA, 2hours, 20°C." |
jaja, schon klar, aber ich dachte mir "frag erstmal, bevors ne Lithium-Verpuffung gibt!"  Dafür ist das Forum doch da, oder?
Also theoretisch schließe ich das "polgleich" an mein labornetzteil an, stelle das auf 4,2 V und begrenze auf 945mA. Dann 2 Stunden dranlassen und drauf achten, dass das Ding nicht heiß wird. Zum Ende hin drehe ich die Voltzahl langsam gegen Null und fertig is?
@ElektroNicki - Deine Schaltung interessiert mich - wäre echt cool.
Prinzipiell bin ich ja auch durchaus bereit, Geld in ein Ladegerät zu investieren, aber da stellt sich ja auch die Frage: Welches?
Vielen Dank für die schnellen Antworten schonmal!
|
BID = 380901
wulf Schreibmaschine
    
Beiträge: 2246 Wohnort: Bozen
|
Zitat :
|
Zum Ende hin drehe ich die Voltzahl langsam gegen Null und fertig is?
|
das würd ich nicht machen, bei ladeende einfach den akku abstecken, und gut ist. an der spannungseinstellung nix ändern. könnte ja sein dass das netzteil rückstrom aufnehmen kann.
@Peda: ich würde mal beim modellbaugeschäft fragen, denn Li-Po akkus sind im modellbau grade der letzte schrei.
mfg wulf
_________________
Simon
IW3BWH
|
BID = 380977
Beckenrandschwimmer Schreibmaschine
    
Beiträge: 1923 Wohnort: Altrip
|
Zitat :
Peda hat am 26 Okt 2006 15:53 geschrieben :
|
Woher bezieht ihr außer Pollin eure Li-Ion Akkus??
Gruss Peter
|
E-Bucht
|
BID = 380983
Beckenrandschwimmer Schreibmaschine
    
Beiträge: 1923 Wohnort: Altrip
|
Zitat :
stefan_z hat am 26 Okt 2006 17:29 geschrieben :
|
@ElektroNicki - Deine Schaltung interessiert mich - wäre echt cool.
|
Wahrscheinlich war ich gemeint.
Hab leider kaum Zeit, deswegen nur eine schnelle Skizze. Die ganzen sieb/glättungs Kondensatoren nicht vergessen.
Schaltung:
|
BID = 381040
Goetz Schreibmaschine
     Beiträge: 1966 Wohnort: Dresden
|
Bitte beachten: die angegebene Spannung muß sehr genau eingehalten werden, ein einfaches 5,-€ Multimeter reicht da nicht !!!!
|
BID = 381080
Beckenrandschwimmer Schreibmaschine
    
Beiträge: 1923 Wohnort: Altrip
|
genau.
das Messgerät sollte schon auf mind. 0,05V bei 4V genau sein!
Das heißt im 20V Messbereich sollte es eine Genauigkeit von 0,05V/20V = 0,25% haben.
Die Anzeigen eines normalen Labornetzteiles haben in der Regel eine Messtoleranz von 2,5%. Also vollkommen ungenügend!
|
BID = 381113
Peda Schriftsteller
    
Beiträge: 891
|
Ein Fluke 177 wird ausreichen
_________________
Do you have Math Problems ?? Then call 0049-0800 sin(lg((10^45*tan(56))/(f(0)'->(45x^3/3x^2*3x^7)))
|
BID = 381811
stefan_z Gelegenheitsposter
 
Beiträge: 57 Wohnort: Köln
|
Zitat :
Beckenrandschwimmer hat am 27 Okt 2006 12:23 geschrieben :
|
genau.
das Messgerät sollte schon auf mind. 0,05V bei 4V genau sein!
Das heißt im 20V Messbereich sollte es eine Genauigkeit von 0,05V/20V = 0,25% haben.
Die Anzeigen eines normalen Labornetzteiles haben in der Regel eine Messtoleranz von 2,5%. Also vollkommen ungenügend!
|
Ja, ok - verstanden!
Danke für die Antworten - ich weiß schon, warum ich gefragt habe...
Die Skizze verstehe ich nicht ganz, Bauteilnamen wäre hilfreich, ich bin nicht der wirkliche "Kenner der Materie"...
Könnte man das Ganze nicht einfach mit nem LM317 (o.Ä.) aufbauen? Dann ne Zeitschaltuhr davor und gut ist!?
Die Ladegeräte für Akkupacks kosten ja auch nicht die Welt, was ist da denn drin? Könnte man nicht vielleicht eins aufpimpen?
Stefan Z
|