Triac Ansteuerung

Im Unterforum Alle anderen elektronischen Probleme - Beschreibung: Was sonst nirgendwo hinpasst

Elektronik Forum Nicht eingeloggt       Einloggen       Registrieren




[Registrieren]      --     [FAQ]      --     [ Einen Link auf Ihrer Homepage zum Forum]      --     [ Themen kostenlos per RSS in ihre Homepage einbauen]      --     [Einloggen]

Suchen


Serverzeit: 24 12 2025  21:28:34      TV   VCR Aufnahme   TFT   CRT-Monitor   Netzteile   LED-FAQ   Oszilloskop-Schirmbilder            


Elektronik- und Elektroforum Forum Index   >>   Alle anderen elektronischen Probleme        Alle anderen elektronischen Probleme : Was sonst nirgendwo hinpasst

Gehe zu Seite ( Vorherige Seite 1 | 2 | 3 Nächste Seite )      


Autor
Triac Ansteuerung
Suche nach: triac (3641)

    







BID = 172700

perl

Ehrenmitglied



Beiträge: 11110,1
Wohnort: Rheinbach
 

  



Zitat :
Da kann ich wählen. Wofür ist das genau

Nein, du kannst nicht wählen, denn deine 12V reichen einfach nicht aus.

Die Nullspannungsschalter verwendet man, um bei Widerstandslasten die hochfrequenten Störungen zu unterdrücken, die sich ergeben wenn der Laststrom schlagartig auf einen hohen Wert springt.

Bei 230V ist der Lastsprung noch relativ gering (10%) und es tritt auch kein nennenswerter Abfall der Effektivspannnung auf, wenn man bei 20..30V schaltet.
Ohne den ZCD würde im Extremfall bei 325V der 1,4-fache Nennstrom geschaltet.

Logischerweise eignen sich Nullspannungsschalter nicht für Dimmer, sondern nur für Lasten die längere Zeit eingeschaltet sind, wie etwa Heizer.



_________________
Haftungsausschluß:



Bei obigem Beitrag handelt es sich um meine private Meinung.



Rechtsansprüche dürfen aus deren Anwendung nicht abgeleitet werden.



Besonders VDE0100; VDE0550/0551; VDE0700; VDE0711; VDE0860 beachten !

[ Diese Nachricht wurde geändert von: perl am 12 Mär 2005 15:53 ]

BID = 172813

Her Masters Voice

Inventar


Avatar auf
fremdem Server !
Hochladen oder
per Mail an Admin

Beiträge: 5312
Wohnort: irgendwo südlich von Berlin

 

  

also ich täts mal so probieren:




_________________
Tschüüüüüüüs

Her Masters Voice
aka
Frank

***********************************
Der optimale Arbeitspunkt stellt sich bei minimaler Rauchentwicklung ein...
***********************************

BID = 172881

ManniHorsti

Stammposter



Beiträge: 337
Wohnort: Rheine

Hallo,

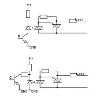
die Dinger haben im Eingang eine Leuchtdiode, d.h. man muss dem Eingang einen Vorwiderstand vorschalten. Berechnen kann man das, wie den Vorwiderstand einer roten Leuchtdiode. Nullspannungsdetektoren für die Einschaltung braucht man nur dann, wenn es im Radio nicht knistern darf. Ausschaltstörungen gibt es beim Triac nicht, weil der ja nur dann ausschaltet, wenn kein Strom mehr fließt, somit enthält der Stromkreis ja keine Energie mehr, die sich austoben muss.

Gruß Manni

[ Diese Nachricht wurde geändert von: ManniHorsti am 12 Mär 2005 21:29 ]

BID = 172906

perl

Ehrenmitglied



Beiträge: 11110,1
Wohnort: Rheinbach


Zitat :
d.h. man muss dem Eingang einen Vorwiderstand vorschalten

Den hat hmv doch eingezeichnet.

Allerdings hat er die LEDs verkehrt herum gezeichnet und der Widerstand in der Kollektorleitung des unteren Transistors ist überflüssig bis schädlich. Also weglassen !


_________________
Haftungsausschluß:



Bei obigem Beitrag handelt es sich um meine private Meinung.



Rechtsansprüche dürfen aus deren Anwendung nicht abgeleitet werden.



Besonders VDE0100; VDE0550/0551; VDE0700; VDE0711; VDE0860 beachten !

BID = 172908

ManniHorsti

Stammposter



Beiträge: 337
Wohnort: Rheine

Die Drehrichtung kannst Du mit vier von den Dingern ausführen. Du schaltest die ähnlich wie einen Brückengleichrichter. In den "Gleichstromzweig" schaltest Du Deinen Verbraucher (Anker), an den "Wechselstromkreis" schaltest Du die Versorgungsspannung in Reihe mit dem Feld. Mit Deinen Ausgängen schaltest Du dann jeweils zwei gegenüberliegende "Triacs" durch. In den Gleichstromzweig schaltest Du den Anker des Motors, in den Wechselstromkreis das Feld des Motors. Niemals alle vier gleichzeitig einschalten, dann knallts. Vorsicht vor "Überkopfzündungen" (das heißt wirklich so). Anker gut mit Transildioden entstören. Wichtig !!!

Gruß Manni

BID = 172909

ManniHorsti

Stammposter



Beiträge: 337
Wohnort: Rheine

Bei einem Synchronmotor oder Kondensatormotor brauchst Du natürlich nur zwei von den "Triacs", die Du dann wechselweise
ansteuern kannst.

BID = 172921

Her Masters Voice

Inventar


Avatar auf
fremdem Server !
Hochladen oder
per Mail an Admin

Beiträge: 5312
Wohnort: irgendwo südlich von Berlin

stümmt, die LEDs sind verkehrt herum. Muss ich mal das Bauteil im Express Schematic anpassen. sollte ja auch nur erstmal das Prinzip erläutern.

_________________
Tschüüüüüüüs

Her Masters Voice
aka
Frank

***********************************
Der optimale Arbeitspunkt stellt sich bei minimaler Rauchentwicklung ein...
***********************************

BID = 173018

sean

Neu hier



Beiträge: 27

@mastervoice

danke dir, die skizze ist brauchbar

@perl


Zitat :
Nein, du kannst nicht wählen, denn deine 12V reichen einfach nicht aus.


Versteh ich jetzt wirklich nicht mehr. Von welchen 12 V reden wir hier? Steuerspannung oder Schaltspannung?

@manni
Drehrichtung ? Motor? Beides nicht. Lampen schalte ich

Bezüglich des Knisterns im Radio muß ich das wohl mal testen. Ich hatte gedacht heute einige SSR S202 S01 zu bestellen (ohne Nullstromschalter), die S02 sind mit Nullstromschalter.
Allerdings hab ich wie oben beschrieben momentan nicht das Verständnis wann er nu schaltet und wann nicht, ich hab halt nur 12 V.

Gruß

sean

BID = 173021

ManniHorsti

Stammposter



Beiträge: 337
Wohnort: Rheine

Bei Lampen brauchst Du natürlich nur für jede Lampe einen.
Ich muss jetzt weg, abre ich kann gleich gerne mal aufmalen,
wie das geht, und Dir ein Foto zusenden. Alles easy.
Bis gleich

BID = 173025

sean

Neu hier



Beiträge: 27

danke dir manni, bis gleich

sean

BID = 173054

ManniHorsti

Stammposter



Beiträge: 337
Wohnort: Rheine

Hallo Sean,

ich habe mal eine Frage an Dich. Dass ich heute morgen Deine Anfrage @manni gesehen habe, war reiner Zufall, weil Du mit Deinem Thema ganz oben standest. Da habe ich dann rein geschaut und den @manni gesehen. Woher kann ich wissen normalerweise wissen, ob mich jemand etwas gefragt hat ?

Jetzt habe ich noch Fragen speziell zu Deiner Sache. Was oder wie sollen wieviele Lampen mit welcher Spannung und Leistung eingeschaltet werden ?

BID = 173088

sean

Neu hier



Beiträge: 27

@manni

[quote]Woher kann ich wissen normalerweise wissen, ob mich jemand etwas gefragt hat [quote]

Ich bekomme immer eine Email zugesendet. Das kann man beim antworten auf einen Beitrag unten auswählen.


Zitat :
Was oder wie sollen wieviele Lampen mit welcher Spannung und Leistung eingeschaltet werden ?


2 Lampen, 12 V AC, jeweils 10 Watt

Die erste Lampe ist immer aus, kann über den ersten Ausgang geschaltet werden. Die zweite Lampe ist immer an, kann über den zweiten Ausgang (ab)geschaltet werden.

So, nu bin ich mal für ne Stunde weg. Bis gleich

Gruß

sean


BID = 173145

ManniHorsti

Stammposter



Beiträge: 337
Wohnort: Rheine

Ich bin zu dumm, wo kann man das anklicken ?

Manni

BID = 173151

ManniHorsti

Stammposter



Beiträge: 337
Wohnort: Rheine

Falls wir den Kontakt verlieren:

    ManfredHorstmann äht t-online.de (automatisch editiert wegen spamgefahr)   

Wir können dann wieder einen Termin für das Forum abmachen.
Jetzt muss ich weg.

Manni

[ Diese Nachricht wurde geändert von: ManniHorsti am 13 Mär 2005 14:53 ]

BID = 173266

sean

Neu hier



Beiträge: 27

Hallo Manni,

ok, ich bin heut Abend und morgen hier im Forum.

Wenn ich ein "neues Thema erstelle" habe ich unter dem großen Textfeld "Optionen", dort kann ich als letzten von 4 Punkten "Emailbenachrichtigung bei Antworten" auswählen.

Momentan kann ich das bei meinen Antworten nicht auswählen, vermutlich weil ich das schon aktiviert habe.

Gruß

sean


Vorherige Seite       Nächste Seite
Gehe zu Seite ( Vorherige Seite 1 | 2 | 3 Nächste Seite )
Zurück zur Seite 1 im Unterforum          Vorheriges Thema Nächstes Thema 


Zum Ersatzteileshop


Bezeichnungen von Produkten, Abbildungen und Logos , die in diesem Forum oder im Shop verwendet werden, sind Eigentum des entsprechenden Herstellers oder Besitzers. Diese dienen lediglich zur Identifikation!
Impressum       Datenschutz       Copyright © Baldur Brock Fernsehtechnik und Versand Ersatzteile in Heilbronn Deutschland       

gerechnet auf die letzten 30 Tage haben wir 18 Beiträge im Durchschnitt pro Tag       heute wurden bisher 6 Beiträge verfasst
© x sparkkelsputz        Besucher : 187920318   Heute : 14621    Gestern : 19923    Online : 357        24.12.2025    21:28
20 Besucher in den letzten 60 Sekunden        alle 3.00 Sekunden ein neuer Besucher ---- logout ----viewtopic ---- logout ----
xcvb ycvb
0.0471370220184