| Autor |
Abschaltverzögerung bauen mit Transistoren Suche nach: transistoren (8044) |
|
|
|
|
BID = 978784
I-need Stammposter
   
Beiträge: 415
|
|
Mit meinem Relais könnte ich lediglich es so verschalten.
Nungut, dann versuche ich das mal aufzubuen.
Und Danke allen |
|
BID = 978788
I-need Stammposter
   
Beiträge: 415
|
|
Funktioniert!!! nur der Wert vom Kondensator stimmt bei mir nicht...ich benötige dass ich auf 1.5 min komme 1000uF. Aber ich nehme ja auch den Transistor BC547. Und ich weis ja auch nicht mit welcher Spannung der Schaltplan gedacht ist. Vielleicht ist das der grund |
|
BID = 978791
der mit den kurzen Armen Urgestein
     
Beiträge: 17437
|
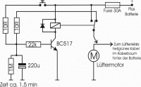
Nein so geht es nicht ! Der Elko wird nach Minus kurzgeschlossen. Demzufolge muss der Lüftermotor auch in der Minusleitung geschaltet werden und nicht in der Plusleitung!
Du solltest dich mal etwas mit den Grundlagen beschäftigen , dann verstehst du auch solche einfachen Schaltungen! Hier habe ich die Mal um gezeichnet!
_________________
Tippfehler sind vom Umtausch ausgeschlossen.
Arbeiten an Verteilern gehören in fachkundige Hände!
Sei Dir immer bewusst, dass von Deiner Arbeit das Leben und die Gesundheit anderer abhängen!
|
BID = 978797
I-need Stammposter
   
Beiträge: 415
|
Hm ja ich bin noch in der Ausbildung  Aber habe hier wirklich gerade ein großen Überlegung Fehler gemacht.
Nun stehe ich aber von einem Weiteren Problem, das ich zwar erkannt habe, aber nicht zu lösen schaffe. Und zwar wird da Die Schaltung Von Plus mit dem Schalter betätigt. Wenn ich den Schalter durch einen Transistor ersetzten will, der ja von der Steuerung davor kommt, dann muss der ein PNP Transistor sein. Der BC547 ist aber ein NPN. Das ist soweit ein Problem, da ich keine PNP habe und ich die Schaltung so einfach wie möglich halten will.
|
BID = 978802
I-need Stammposter
   
Beiträge: 415
|
also so will das nicht funktionieren, da beim Transistor Basis Emiter keine genug hohe Spannung anliegen kann, da es durch die Schaltung einen Widerstand von Emiter nach Minus gibt.
[ Diese Nachricht wurde geändert von: I-need am 10 Jan 2016 12:38 ]
[ Diese Nachricht wurde geändert von: I-need am 10 Jan 2016 12:39 ]
|
BID = 978803
der mit den kurzen Armen Urgestein
     
Beiträge: 17437
|
Mit deinem BC 547 wird das eh nicht gehen, da der einen IC von max 0,1A hat . Bei 12V und 10 Ohm fließen da aber 0,12A . Und wer sagt den das die Last nicht auch am Emitter angeschlossen sein darf?
_________________
Tippfehler sind vom Umtausch ausgeschlossen.
Arbeiten an Verteilern gehören in fachkundige Hände!
Sei Dir immer bewusst, dass von Deiner Arbeit das Leben und die Gesundheit anderer abhängen!
|
BID = 978822
I-need Stammposter
   
Beiträge: 415
|
Es gibt BC547 a,b und c. Typ B darf 200mA schalten.
Aber wie meinst du die Last auch an Emitter anschließen?
|
BID = 978824
Offroad GTI Urgestein
     
Beiträge: 12830 Wohnort: Cottbus
|
Zitat :
| | Es gibt BC547 a,b und c. Typ B darf 200mA schalten. |
Nein. A, B und C sind nur Gruppen verschiedener Stromverstärkungen, die der Hersteller vorselektiert hat.
_________________
Theoretisch gibt es zwischen Theorie und Praxis keinen Unterschied. Praktisch gibt es ihn aber.
|
BID = 978827
der mit den kurzen Armen Urgestein
     
Beiträge: 17437
|
Nein der BC547 hat IC 0,1A kann aber als Spitzenstrom kurzzeitig 0,2A schalten. Die Kennzeichnung a, b,c, d, e oder f gibt die Stromverstärkungsgruppe an.
Zum 2 ten Punkt schau dir mal die Grundschaltungen zum Transistor an. http://www.elektronik-kompendium.de/sites/slt/0204133.htm
Der BC 337 zb kann im Gegensatz zum 547 0,8 A führen und in der Spitze ca 1,2A
_________________
Tippfehler sind vom Umtausch ausgeschlossen.
Arbeiten an Verteilern gehören in fachkundige Hände!
Sei Dir immer bewusst, dass von Deiner Arbeit das Leben und die Gesundheit anderer abhängen!
|
BID = 978833
I-need Stammposter
   
Beiträge: 415
|
Ok, ich gebe mich geschalgen
Danke für den Link
|
BID = 978841
I-need Stammposter
   
Beiträge: 415
|
Also ,ich glaube ich habe es geschafft. Habe doch noch einen PNP gefunden (BC 558c).
Jetzt läuft das Dings. evt. muss ich noch Werte Anpassen aber. soweit so gut.
|
BID = 978843
der mit den kurzen Armen Urgestein
     
Beiträge: 17437
|
Nö so wird das auch mit dem PNP nicht funktionieren!
Edit R5 ist zu klein! Dafür ist R6 viel zu groß und vor allem solltest du bei dem PNP Emitter mit Kollektor tauschen . Nebenbei noch ein 47 K von der Basis zum Emitter des PNP sorgt dafür das dieser schneller und vor allem sauber abschaltet!
_________________
Tippfehler sind vom Umtausch ausgeschlossen.
Arbeiten an Verteilern gehören in fachkundige Hände!
Sei Dir immer bewusst, dass von Deiner Arbeit das Leben und die Gesundheit anderer abhängen!
[ Diese Nachricht wurde geändert von: der mit den kurzen Armen am 10 Jan 2016 15:58 ]
|
BID = 978844
I-need Stammposter
   
Beiträge: 415
|
hab da mal ein Film
[ Diese Nachricht wurde geändert von: I-need am 10 Jan 2016 16:01 ]
[ Diese Nachricht wurde geändert von: I-need am 10 Jan 2016 16:04 ]
|
BID = 978847
I-need Stammposter
   
Beiträge: 415
|
ok so will das nicht mit dem Film...muss das anders uploaden
Zitat :
| | Edit R5 ist zu klein! Dafür ist R6 viel zu groß. |
R5 hängt eben noch mit der Schaltung davor zusammen, sons Schaltet der nicht gut. R6 da bin ich auch überrascht, aber mit kleineren Werten wollte das nicht. Ich glaube das liegt daran, das der Transistor(der beim Temperaturfühler) nicht schön schaltet. (seine Basisspannung variiert nur von 0.5-0.75 V)
Zitat :
| | und vor allem solltest du bei dem PNP Emitter mit Kollektor tauschen |
Jap das ist ein Fehler bei der Zeichnung
[ Diese Nachricht wurde geändert von: I-need am 10 Jan 2016 16:19 ]
|
BID = 978850
der mit den kurzen Armen Urgestein
     
Beiträge: 17437
|
Klar doch das der Transistor nicht sauber schaltet liegt an dem R5 der ist wie gesagt zu Klein! Transistoren werden über den Strom gesteuert! Du solltest evl mal die gesamte Schaltung hier hoch laden!
_________________
Tippfehler sind vom Umtausch ausgeschlossen.
Arbeiten an Verteilern gehören in fachkundige Hände!
Sei Dir immer bewusst, dass von Deiner Arbeit das Leben und die Gesundheit anderer abhängen!
|