Brauche Rat zur Schaltung: OP an Wechselspannung Im Unterforum Grundlagen - Beschreibung: Grundlagen und Fragen für Einsteiger in der Elektronik
| Autor |
|
|
|
BID = 637193
darkangel1208 Gerade angekommen
Beiträge: 1
|
|
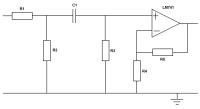
Wir sollen die Freuqeunzkurve in abängigkeit der Verstärkung darstellen.
Dazu haben wir folgendes Schaltbild
Doch mir ist einfach nicht klar wofür die Widerstände R1,R2,R3 gut sind.
Ich würd da jetzt nur 1 Vorwiderstand nehmen und gut is.
Wer kann mir das kurz erklären?
Wie groß sollte ich den Kondensator wählen?
Den Kondensator brauchen wir um den Gleichspannungsanteil möglichst klein zu halten (der wird ja auch verstärkt.
R4,R5 wird benötigt, um die Verstärkungen einzustellen
(V=1,10,100,1000,10000) |
|
BID = 637217
Tom-Driver Inventar
     
Beiträge: 8786 Wohnort: Berlin-Spandau
|
|
Na, im Unterricht gepennt? Oder heimlich Ruckelfilmchen auf dem iKnack geglotzt?
Hausaufgaben sollte man anders angehen, nämlich mit eigenen Überlegungen starten und dann vielleicht mal in den Grundlagen (Nachschlagewerke in Form von Buch, Tabelle oder Wiki) stöbern und dann nachdenken!
gutgemeinte Grüße,
TOM.
_________________
[x] <= Hier Nagel einschlagen für neuen Monitor! |
|
|
Zum Ersatzteileshop
Bezeichnungen von Produkten, Abbildungen und Logos , die in diesem Forum oder im Shop verwendet werden, sind Eigentum des entsprechenden Herstellers oder Besitzers. Diese dienen lediglich zur Identifikation!
Impressum
Datenschutz
Copyright © Baldur Brock Fernsehtechnik und Versand Ersatzteile in Heilbronn Deutschland
gerechnet auf die letzten 30 Tage haben wir 18 Beiträge im Durchschnitt pro Tag heute wurden bisher 3 Beiträge verfasst © x sparkkelsputz Besucher : 187835788 Heute : 5176 Gestern : 15830 Online : 348 20.12.2025 8:08 10 Besucher in den letzten 60 Sekunden alle 6.00 Sekunden ein neuer Besucher ---- logout ----viewtopic ---- logout ----
|
xcvb
ycvb
0.0302848815918
|