| Autor |
|
|
|
BID = 602837
kaper Gelegenheitsposter
 
Beiträge: 52 Wohnort: Stade
|
|
Moin,
ich möchte einen Mikrokontroller (AVR Mega 8, 3,6V Spannungsversorgung) für eine LED-Steuerung über einen Dämmerungsschalter mit Spannung versorgen/einschalten.
Reicht eine einfache Transistorschaltung oder sollte es eine Trigger-Schaltung sein und wie müsste der Mikrokontroller dann angeschlossen werden?
Ein entsprechender Schaltplan wäre eine große Hilfe für mich.
Gruß Ulli
|
|
BID = 602857
Lupin III. Schriftsteller
     Beiträge: 616 Wohnort: Salzburg
|
|
Geht's nur um einen Dämmerungsschalter? Dann ist ein µC etwas übertrieben. Da reicht auch ein NE555 mit ein paar Widerständen (bzw. sogar ein Transistor; dann wird's mit der Hysterese aber schwieriger).
Aber sonst: Man kann den mega8 in einen Schlaf-Modus versetzen, in dem er nur ein paar µA braucht. Irgendwie kann man da auch einen Timer weiterlaufen lassen, der ihn wieder aufweckt (z. B. einmal in der Minute). Da prüfst du dann wie hell es ist (d. h. nur dann bekommt der LDR - oder mit was auch immer du misst - überhaupt Strom) und schaltest dementsprechend.
[ Diese Nachricht wurde geändert von: Lupin III. am 19 Apr 2009 17:30 ] |
|
BID = 602871
kaper Gelegenheitsposter
 
Beiträge: 52 Wohnort: Stade
|
Vielleicht habe ich mich nicht genau ausgedrückt: ich habe eine µC-Platine, die LEDs ansteuern soll. Das Ganze wird an einem Drachen befestigt und soll nach Einbruch der Dunkelheit anfangen zu leuchten. Tagsüber - wenn ich den Drachen starte - soll eine Dämmerungsschaltung den Stromfluss sperren.
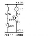
1. Kann ich in der folgenden Schaltung L1 durch die AVR-µC-Platine ersetzen? >>> https://forum.electronicwerkstatt.d.....5.jpg
2. Welche Werte müssen die Bauteile haben?
3. Sollte ich eine Trigger-Schaltung verwenden?
[ Diese Nachricht wurde geändert von: kaper am 19 Apr 2009 18:30 ]
|
BID = 602879
Racingsascha Schreibmaschine
    
Beiträge: 2247 Wohnort: Gundelsheim
|
Kann man machen, ist aber nicht sinnvoll. Da der Transistor linear angesteuert wird, wirkt er wie ein mehr oder weniger großer Widerstand in der Versorgungsspannung der AVR-Platine. Je nach dem wieviele Leuchtdioden grade an sind, geht die Spannung in die Knie, was den Brown-Out-Reset anspringen lässt.
Besser wäre es, wenn du die Helligkeit mit einem LDR und einer Hystereseschaltung den Reset des AVR ansteuerst. Wenn hell dann Reset, wenn dunkel dann Start frei. Hat den Vorteil dass du dich nicht mit Interrupts und Sleep befassen musst (kann für einen Anfänger zu kompliziert sein) und der AVR vielleicht sogar noch weniger Strom als im Sleep braucht.
_________________
Fnord ist die Quelle aller Nullbits in deinem Computer.
Fnord ist die Angst, die Erleichterung, und ist die Angst.
Fnord schläft nie.
|
BID = 602880
ElektroNicki Inventar
     
Beiträge: 6424 Wohnort: Ugobangowangohousen
|
Wäre es auch möglich, ein paar kleine Solarzellen zu verbauen?
Da gibts nämlich ne Platine von Elv, dann kannste den Akku laden, solange es hell ist.
Oder du schlachtest ne Solarlampe aus, in Billigläden gibts die mit etwas Glück für weniger als 5€, da lohnt selber bauen kaum.
_________________
|
BID = 602882
Kleinspannung Urgestein
     
Beiträge: 13388 Wohnort: Tal der Ahnungslosen
|
Geht evtl. auch noch anders(wenn auch nicht Stromsparender)
BAu mit dem LDR und einem Widerstand einen Spannungsteiler,häng den an einen A/D Wandlereingang (so vorhanden) und laß das Programm diesen am Anfang permanent abfragen.Ab einem vorgegeben Wert dann Programmfortsetzung,sonst weiter Abfragen und warten/was anderes sinnvolles tun.
_________________
Manche Männer bemühen sich lebenslang, das Wesen einer Frau zu verstehen. Andere befassen sich mit weniger schwierigen Dingen z.B. der Relativitätstheorie.
(Albert Einstein)
[ Diese Nachricht wurde geändert von: Kleinspannung am 19 Apr 2009 19:34 ]
|
BID = 602920
Lupin III. Schriftsteller
     Beiträge: 616 Wohnort: Salzburg
|
Zitat :
kaper hat am 19 Apr 2009 18:26 geschrieben :
|
Vielleicht habe ich mich nicht genau ausgedrückt: ich habe eine µC-Platine, die LEDs ansteuern soll.
|
Du kannst also die µC-Schaltung und das Programm im µC selbst nicht verändern, oder wie? (das steht bis jetzt noch nirgends klar da)
|
BID = 602926
Kleinspannung Urgestein
     
Beiträge: 13388 Wohnort: Tal der Ahnungslosen
|
Zitat :
Lupin III. hat am 19 Apr 2009 21:44 geschrieben :
|
Du kannst also die µC-Schaltung und das Programm im µC selbst nicht verändern, oder wie? (das steht bis jetzt noch nirgends klar da)
|
HAst Recht!
Wir machen hier,und am Ende kann und will er gar nicht diese ominöse µc-Schaltung ändern,sondern wirklich nur bei Dunkelheit in Betrieb setzen.
In dem Fall würd ich wirklich nen Schmitt-Trigger aus zwei Transistoren und etwas Hühnerfutter zusammenbrutzeln und gut ist.
_________________
Manche Männer bemühen sich lebenslang, das Wesen einer Frau zu verstehen. Andere befassen sich mit weniger schwierigen Dingen z.B. der Relativitätstheorie.
(Albert Einstein)
|
BID = 603246
kaper Gelegenheitsposter
 
Beiträge: 52 Wohnort: Stade
|
Danke für die verschiedenen Lösungsansätze!
Zitat :
| | Besser wäre es, wenn du die Helligkeit mit einem LDR und einer Hystereseschaltung den Reset des AVR ansteuerst |
Am Ende wird es wohl auf einen Schmitt-Trigger rauslaufen, da ich die Schaltung für 20 LEDs wirklich nur bei Dunkelheit in Betrieb setzen will. Eine Solarladung käme als Zusatz in Frage, müsste die Akkus für den AVR Mega 8 aber mit 3,6V Spannung versorgen.
Die endgültige µc-Schaltung ist noch nicht fertig. Ich werde eine vorhandene nach meinen Vorstellungen "umstricken".
|