| Autor |
Wie kann ich zeitversetzt / verzögert Relais ansteuern? Suche nach: relais (22572) |
|
|
|
|
BID = 594538
Bartholomew Inventar
     
Beiträge: 4676
|
|
Moment, hinter den Ausgang des 555, der für den Projektor zuständig ist, muss noch ein Monoflop, da der Impuls Zeitlich sehr begrenzt sein muss:
Michael schrieb:
Zitat :
| | Wenn der Kontakt zu lang dauert, transportiert der Projektor rückwärts! |
Ich empfehle daher eine um einen weiteren 555 erweiterte Fortschalteautomatik:
http://www.themt.de/el-0230-time-49.html#mchn
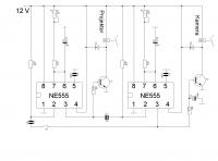
Der 1. 555 Schaltet 0,5s den Projektor, der 2. 555 sorgt für eine 0,5s lange Pause, der 3. 555 schaltet 1s lang den Kameraauslöser.
Der Schaltplan entspricht bis auf Nuancen Peters (ob die Koppelkondensatoren nun 10 oder 100nF haben und der Pullup-Widerstand 22kΩ oder 47kΩ, ist egal).
Mit Peters R/C-Werten (1MΩ/10µF) lassen sich pro 555 Zeiten zwischen 0,01 und 11 Sekunden einstellen; nimmt man 220kΩ-Potis, sind es nur noch bis zu 2,4s (das dürfte hier besser geeignet sein, lässt sich feiner abstimmen).
Zur Berechnung siehe http://www.elektronik-kompendium.de/sites/slt/0310121.htm .
Die Betriebsspannung der 555er sollte übrigens noch mit einem 330nF Folienkondensator gestützt werden:
http://www.reichelt.de/?;ACTION=3;L.....12340
Poti:
http://www.reichelt.de/?;ACTION=3;L.....13845
NE555:
http://www.reichelt.de/?;ACTION=3;L.....13397
Anstelle zweier 555er kann man auch einen 556er nehmen:
http://www.reichelt.de/?;ACTION=3;L.....13398
IC-Sockel:
http://www.reichelt.de/?;ACTION=3;L.....=8230
http://www.reichelt.de/?;ACTION=3;L.....=8206
Gruß, Bartho |
|
BID = 594974
auryn Gerade angekommen
Beiträge: 9 Wohnort: Bornheim
|
|
Zitat :
Otiffany hat am 9 Mär 2009 15:02 geschrieben :
|
Das ist nicht nur für die Ansteuerung des Projektors, sondern ebenfalls für die Kamera. Statt der Glühlampe benutzt Du ein Relais. Den Ausgang des 1. NE555 kannst Du auch mit einem entsprechenden Transistor und einem Relais beschalten.
Gruß
Peter
|
Sorry, aber da muss ich mochmal nachhaken: Ich hatte den Schaltplan so verstanden, dass ich statt der Glühlampe ein Relais einsetze, welches den Diaprojektor mit einem kurzen Impuls und langer Pause ansteuert.
etwa so: -----x-----x-----x---
Welches Signal liegt denn an A1 ?
Kommt an A1 auch ein Transistor BC140 mit 680 Ohm wie R5 ?
Mein Ziel ist ja ein kurzer Impuls ( -> Schliessen eines Relaiskontakts ) für den Diaprojektor und ca. 0,5 Sek. später ein Impuls ( -> 2. Relais schliesst, kann länger anhalten ) an die Kamera
Danke, Michael
|
|
BID = 595050
Bartholomew Inventar
     
Beiträge: 4676
|
Die 555er schalten nacheinander durch. Zwei reichen nicht, Du brauchst drei (wie ich schon schrieb).
Wenn die Versorgungsspannung 12V sein sollte:
Direkt an den Ausgang des 1. und 3. 555 kannst Du z.B. so ein Reed-Relais schalten:
http://www.reichelt.de/?;ACTION=3;L.....27673
Die Freilaufdiode ist gleich mit eingebaut.
15V Versorungsspannung wären bei dem Relais vermutlich besser, 12V sollten aber auch noch funktionieren (im 555 fallen bei Belastung durch das Relais knapp 2V ab, also muss sich das Relais mit 10V zufrieden geben).
Gruß, Bartho
|
BID = 595100
Otiffany Urgestein
     
Beiträge: 13779 Wohnort: 37081 Göttingen
|
Ich habe die Schaltung mal erweitert; wobei ich der Meinung bin, daß ein Kondensator am 2. Transistor den dritten NE ersetzt.
Gruß
Peter
[ Diese Nachricht wurde geändert von: Otiffany am 11 Mär 2009 19:56 ]
|
BID = 595144
Bartholomew Inventar
     
Beiträge: 4676
|
Gegenvorschlag:
Den Kondensator vor die Basis des Projektorentransistors schalten. Bei der Dimensionierung von C3,R5 bin ich mir nicht ganz sicher. Aber ich denke, dass bei 470Ω/100µF das Relais zwischen 0,06s und max. 0,4s (vermutlich weniger) offen bleiben wird. Das sollte also passen. Wenn das zu lange dauert, einfach noch einen Widerstand zwischen Basis und Emitter des Transistors hängen.
Wobei: Es erscheint mir sinnfrei, einen Treibertransistor mit einem 470Ω-Basiswiderstand einzusetzen, wenn das Relais selbst einen Innenwiderstand vom 1000Ω (also mehr!) hat. Eigentlich sollte man die Reed-Relais direkt mit dem 555 schalten können (die gut 100mA kann er selbst erbringen).
Ein 47µF-Kondensator in Reihe zum Projektor-Relais sollte den gewünschten Effekt (kurzes Ansprechen des Relais, geschätzt etwa 0,1s) erzielen.
Am anderen Relais könnte man auch einen solchen Kondensator verbauen, sollte die Kamera Probleme machen. Sind ja eh schon drei baugleiche 47µF-Kondensatoren verbaut.
Funktionsweise:
Der linke 555 geht für 1s auf "high". T1 schaltet R1 für max. 0,4s durch.
Sobald der linke 555 auf "low" geht, geht der rechte 555 für 1s auf high; T2 schaltet so lange R2. Wenn der rechte 555 wieder auf "low" schaltet, geht der linke 555 wieder auf "high".
Gruß, Bartho
Edit: Ich hänge gleich noch einen anderen Schaltplan an.
Edit2: Hier der neue Schaltplan:
Der 330nF-Folienkondensator zum Stützen der 555er fehlt noch. Die Stabilisierungskondensatoren an Pin 5 können auch gegen 10nF-Kondensatoren ersetzt werden; vermutlich kann man sie hier auch ganz weglassen.
Statt zweier 555er kann man auf einen 556er nehmen.
Die Freilaufdioden habe ich nicht mit eingezeichnet, weil sie im Relais selbst gleich verbaut sind.
[ Diese Nachricht wurde geändert von: Bartholomew am 11 Mär 2009 22:15 ]
|
BID = 595167
Otiffany Urgestein
     
Beiträge: 13779 Wohnort: 37081 Göttingen
|
Es führen viele Wege nach Rom.
Jedoch habe ich die Erfahrung gemacht, daß es bisher bei mir noch nie funktioniert hat, direkt an Pin 3 ein Relais anzuschließen, (und ich habe schon Unmengen von Schaltungen mit disem IC aufgebaut) aber bitte, der NE555 ist ja nicht so teuer und wenn man einen Sockel vorsieht, hat man ihn ja auch schnell gewechselt.
Gruß
Peter
|
BID = 595222
auryn Gerade angekommen
Beiträge: 9 Wohnort: Bornheim
|
Zitat :
Otiffany hat am 11 Mär 2009 22:37 geschrieben :
|
Es führen viele Wege nach Rom.
Jedoch habe ich die Erfahrung gemacht, daß es bisher bei mir noch nie funktioniert hat, direkt an Pin 3 ein Relais anzuschließen, (und ich habe schon Unmengen von Schaltungen mit disem IC aufgebaut) aber bitte, der NE555 ist ja nicht so teuer und wenn man einen Sockel vorsieht, hat man ihn ja auch schnell gewechselt.
Gruß
Peter
|
Hallo Otiffany, Bartholomew, Perl und Selfman,
hey Ihr seid ja echt engagiert, ich denke ich werde die Schaltung von Otiffany aufbauen und dann Bericht erstatten, kann leider etwas dauern.
Danke für Eure Unterstützung schon mal.
Michael
|
BID = 595427
Bartholomew Inventar
     
Beiträge: 4676
|
Peter schrieb:
Zitat :
| | Jedoch habe ich die Erfahrung gemacht, daß es bisher bei mir noch nie funktioniert hat, direkt an Pin 3 ein Relais anzuschließen, (und ich habe schon Unmengen von Schaltungen mit disem IC aufgebaut) |
Waren das Reed-Relais oder "normale"?
|
BID = 595456
Otiffany Urgestein
     
Beiträge: 13779 Wohnort: 37081 Göttingen
|
Das waren normale Relais. Aber ich glaube nicht, daß das einen großen Unterschied macht, denn offenbar starb der interne Transistor immer durch den Einschaltstromstoß.
Gruß
Peter
[ Diese Nachricht wurde geändert von: Otiffany am 13 Mär 2009 8:50 ]
|
BID = 595458
auryn Gerade angekommen
Beiträge: 9 Wohnort: Bornheim
|
Zitat :
Bartholomew hat am 13 Mär 2009 01:08 geschrieben :
|
Peter schrieb:
Zitat :
| | Jedoch habe ich die Erfahrung gemacht, daß es bisher bei mir noch nie funktioniert hat, direkt an Pin 3 ein Relais anzuschließen, (und ich habe schon Unmengen von Schaltungen mit disem IC aufgebaut) |
Waren das Reed-Relais oder "normale"?
|
Hallo,
hier nochmal der Michael,
ich hatte vor, zwei DIL Miniatur-Signalrelais FRT5 12VDC, 2 We. 1A von Reichelt zu nehmen. Ohne Transistoren würde es natürlich die Schaltung sehr vereinfachen. Sind die Relais überhaupt geeignet, und benötigt man die Transistoren?
Michael
|
BID = 595463
Otiffany Urgestein
     
Beiträge: 13779 Wohnort: 37081 Göttingen
|
Welche NE555 hast Du denn, die normale Ausführung oder die CMOS?
Gruß
Peter
|
BID = 595475
auryn Gerade angekommen
Beiträge: 9 Wohnort: Bornheim
|
Zitat :
Otiffany hat am 13 Mär 2009 09:34 geschrieben :
|
Welche NE555 hast Du denn, die normale Ausführung oder die CMOS?
Gruß
Peter
|
Ich habe noch nicht bestellt, bin also offen für Empfehlungen,
auch für die anderen Bauteile, welche Dioden soll ich z.B. nehmen?
Sind die DIL Miniatur-Signalrelais FRT5 12VDC von Reichelt passend?
DA fällt mir noch was ein: Ich habe gestern mal gemessen, von Projektortrafo habe ich 12V AC zur Verfügung, einen Gleichrichter habe ich noch. Wie glätte ich die Spannung ausreichend für die Schaltung?
Michael
[ Diese Nachricht wurde geändert von: auryn am 13 Mär 2009 10:32 ]
|
BID = 595538
Bartholomew Inventar
     
Beiträge: 4676
|
Ein 25V-1000µF-Elko hinter dem Gleichrichter und ein 330nF-Folienkondensator direkt vor dem NE555/NE556 sollten genügen. Aus 12V AC werden hier knapp 17V Gleichspannung (12*sqrt(2) ), weniger dem Spannungsabfall über dem Gleichrichter. Am NE555 fallen noch mal 1-2V ab.
Das Reed-Relais und das von Dir verlinkte Relais sollten beide geeignet sein. Als Freilaufdiode kannst Du eine 1N4004/1N4007 nehmen. Vielleicht auch eine 4148.
Peter schrieb:
Zitat :
| | Das waren normale Relais. Aber ich glaube nicht, daß das einen großen Unterschied macht, denn offenbar starb der interne Transistor immer durch den Einschaltstromstoß. |
Genau das wunder mich, denn eine Induktivität bremst ja Stromänderungen. Das Relais zieht beim Einschalten also erstmal weniger Strom als im Betrieb.
Vielleicht war es doch die Ausschalt-Spannungsspitze? Evtl. war die Freilaufdiode nicht fix genug?
Deswegen würde ich auch zum Reed-Relais greifen, weil da von Werk aus schon eine passende Freilaufdiode drin ist.
Gruß, Bartho
|
BID = 595557
Otiffany Urgestein
     
Beiträge: 13779 Wohnort: 37081 Göttingen
|
Ich bin jederzeit gern bereit, selbst in meinem Alter noch etwas dazuzulernen.
Gruß
Peter
|
BID = 595653
Bartholomew Inventar
     
Beiträge: 4676
|
Der Feldversuch hat ergeben:
Ein 400Ω/12V-Relais schaltet mein NE555 (Betriebsspannung: 9V) ohne Murren und Knurren. Habe vorsichtshabler noch 100Ω in Reihe geschaltet. Als Freilaufdiode dient eine 4148.
Ein 100F-Kondensator in Reihe dazu lässt das Relais kurz anziehen und dann gleich wieder abfallen.
Mit einem 50nF-Kondensator klappt das bei meinem Relais nur noch, wenn ich den Vorwiderstand auf 70Ω reduziere (ich betreibe es ja eh im Grenzbereich, von daher nicht verwunderlich).
Bleibt nur die Frage offen, ob Kamera/Projektor mit eventuell auftretendem Prellen des Relais zurechtkommen.
Gruß, Bartho
|