| Autor |
|
|
|
BID = 529473
Marino Gelegenheitsposter
 
Beiträge: 85
|
|
Hallo,
In einer Schaltung, die mit 3 V (2 x AAA) betrieben wird, möchte ich einen Vibrationsmotor für eine sehr kurze Zeit (ca. 50 ms) schalten. Ein Mikrocontroller wird das Schaltsignal geben.
Der Vibrationsmotor ist relativ hungrig und verbraucht bei 3 V, laut Datenplatt, 370 mA (Rated Current: 370mA / Stall Current: 1000mA max) Die kurze Vibration soll sehr heftig sein und deshalb möchte ich die 3 V voll schalten.
Was ist das beste Werkzeug um die 3 V voll zu schalten? Welche Transistor-Art eignet sich am besten und worauf muss ich bei der Transistorauswahl achten?
Am liebsten hätte ich eine Platz sparende SMD Lösung und deshalb möchte ich kein dickes Relai nehmen.
Danke Euch |
|
BID = 529476
DonComi Inventar
     
Beiträge: 8604 Wohnort: Amerika
|
|
Es gibt MOSFETs im SO223 oder auch SOT23 oder SO8, die locker 5A schalten können. Ich würde daher so einen benutzen, und die Gatespannung mit einer Ladungspumpe erzeugen. Die Gatespannung von 3V mag eventuell nicht ausreichen. Aber dazu müsste ein konkreter Typ gefunden werden, dessen Dateblatt darauf eine Antwort gibt.
Edit:
Ich babe hier z.B. von ROHM den RDS035 liegen, der befindet sich im SO8-Gehäuse und schaltet 3.5A. Der schaltet sehr schnell (6ns-20ns bei 2A) und hat einen RDSon von 80mΩ bei 10VGate. Immerhin noch ca. 180mΩ bei 4VGate.
Edit:
Sowas findet man in alten Computerteilen sehr oft.
_________________
[ Diese Nachricht wurde geändert von: DonComi am 21 Jun 2008 16:55 ] |
|
BID = 529484
Marino Gelegenheitsposter
 
Beiträge: 85
|
Vielen Dank für Deine Antwort.
Vorher war ich bei der Suche überfordert, weil ich nicht wusste, welche Transistor-Art am besten wäre. Jetzt werde ich mich auf MOSFET konsentrieren.
Einige MOSFET, die ich gesehen habe, haben einen Gate, einen Drain, einen Source und noch einen vierten Anschluss. Was soll ich mit dem Vierten machen?
Wie kann ich eine Ladungspumpe für eine höhere Gatespannung realisieren?
|
BID = 529495
Marino Gelegenheitsposter
 
Beiträge: 85
|
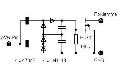
Gerade habe ich über den Begriff Ladungspumpe recherchiert und eine Schaltung gefunden, die beide Fragen beantwortet.
Der Vierte Anschluss wird wahrscheinlich einfach mit dem Source-Anschluss verbunden
Ich werde diese Schaltung ausprobieren.
Vielen Dank
Edit:
Die Gif-Datei mit der Schaltung erscheint nicht.
Noch einmal propieren.
[ Diese Nachricht wurde geändert von: Marino am 21 Jun 2008 18:15 ]
|
BID = 529497
perl Ehrenmitglied
       
Beiträge: 11110,1 Wohnort: Rheinbach
|
Ich verwende für solche Dinge den IRLML2502 im SOT-23 Gehäuse. Kann ein paar Ampere schalten und hat bei Ugs=2,5V typ 50mOhm.
Gibts für kleines Geld u.a. beim C.
_________________
Haftungsausschluß:
Bei obigem Beitrag handelt es sich um meine private Meinung.
Rechtsansprüche dürfen aus deren Anwendung nicht abgeleitet werden.
Besonders VDE0100; VDE0550/0551; VDE0700; VDE0711; VDE0860 beachten !
|
BID = 529500
Marino Gelegenheitsposter
 
Beiträge: 85
|
Super
Danke Euch
|
BID = 529504
perl Ehrenmitglied
       
Beiträge: 11110,1 Wohnort: Rheinbach
|
Du wirst noch eine Freilaufdiode (oder eine Zenerdiode parallel zum Transistor) brauchen, damit die induktive Last dir beim Abschalten nicht den Transistor beschädigt.
Alternativ kannst du einen relativ hochohmigen Widerstand (100k) in die Gateleitung legen, damit der Transistor "weich" schaltet.
_________________
Haftungsausschluß:
Bei obigem Beitrag handelt es sich um meine private Meinung.
Rechtsansprüche dürfen aus deren Anwendung nicht abgeleitet werden.
Besonders VDE0100; VDE0550/0551; VDE0700; VDE0711; VDE0860 beachten !
[ Diese Nachricht wurde geändert von: perl am 21 Jun 2008 18:52 ]
|
BID = 529510
Marino Gelegenheitsposter
 
Beiträge: 85
|
Da war ich eigentlich auch am überlegen, ob eine Zenerdiode 3,6 oder 3,9 parallel zum Vibrationsmotor ausreicht, um den Vibrationsmotor vor höhere Spannungen zu schützen und den Transistor vor induktive Last beim Abschalten zu schützen.
Oder habe ich hier einen Denkfehler und ich benötige immer eine Freilaufdiode parallel zum Transistor?
|
BID = 529522
perl Ehrenmitglied
       
Beiträge: 11110,1 Wohnort: Rheinbach
|
Zitat :
| | Oder habe ich hier einen Denkfehler und ich benötige immer eine Freilaufdiode parallel zum Transistor? |
Du machst einen Denkfehler, denn eine Freilaufdiode liegt niemals parallel zum Transistor, sondern stets parallel zur Last.
Wenn aber die Last mittels langer Leitungen zwischen Transistorausgang und Versorgung angeschlossen ist, dann ist günstiger eine Zenerdiode parallel zum Transistor zu legen, die die Überspannung auf einen ungefährlichen Wert, z.B. 12V, begrenzt.
Die Alternative hatte ich ja schon erwähnt: Ein hochohmiger Widerstand zwischen treibendem Ausgang und Gate.
Die Millerkapazität des Transistors sorgt dann dafür dass er nur langsam abschaltet und sich keine hohe Spannung aufbauen kann.
Dann wird die in der Induktivitität gespeicherte Energie im Transistor verheizt, aber das verträgt er i.d.R problemlos.
_________________
Haftungsausschluß:
Bei obigem Beitrag handelt es sich um meine private Meinung.
Rechtsansprüche dürfen aus deren Anwendung nicht abgeleitet werden.
Besonders VDE0100; VDE0550/0551; VDE0700; VDE0711; VDE0860 beachten !
|
BID = 529666
Marino Gelegenheitsposter
 
Beiträge: 85
|
Zitat :
| | eine Freilaufdiode liegt niemals parallel zum Transistor, sondern stets parallel zur Last |
Irgendwie habe einen Denkfehler gehabt und gleichzeitig ein schlechtes Gefühl. Jetzt verstehe ich die Problematik mit der induktiven Last, und so einen Fehler werde ich nie wieder machen.
Vielen Dank Perl.
Zur Beschaltung Mikrocontroller-Gate: Der Transistor sollte am liebsten "scharf" Ein- und Ausschalten. Einen relativ hochohmigen Widerstand (100k) will ich aber zwischen Gate und GND schalten, oder ist dieser Widerstand sinnlos und ich kann es weglassen?
|
BID = 529684
perl Ehrenmitglied
       
Beiträge: 11110,1 Wohnort: Rheinbach
|
Zitat :
| | oder ist dieser Widerstand sinnlos und ich kann es weglassen? |
Dort, wo du ihn hingezeichnet hast, ist er sinnlos, denn der Ausgangs des Controllers legt das Gate doch aktiv an Masse.
Ich schrieb doch mehrfach "zwischen Ausgang und Gate" !
Das Thema "scharf schalten" kannst du sowieso vergessen.
Der Strom durch die Induktivität steigt nicht plötzlich und wenn du ihn schlagartig unterbrichst, resultieren daraus nur die hohen Spannungsspitzen, die das Oxid des MOSFET durchschlagen können.
Mit "Abschaltvorgang langsam machen" meine ich Zeiten von vielleicht 0,1..1ms.
Dabei nimmt der Transistor die in der Imduktivität gespeicherte Energie auf und verwandelt sie in Wärme.
Das schafft er bei dem kleinen Motörchen problemlos solange du den Vorgang nicht, wie etwa bei einer PWM-Schaltung, einige tausend Mal pro Sekunde wiederholst.
_________________
Haftungsausschluß:
Bei obigem Beitrag handelt es sich um meine private Meinung.
Rechtsansprüche dürfen aus deren Anwendung nicht abgeleitet werden.
Besonders VDE0100; VDE0550/0551; VDE0700; VDE0711; VDE0860 beachten !
|
BID = 529687
DonComi Inventar
     
Beiträge: 8604 Wohnort: Amerika
|
Je nach Mikrokontroller kann es passieren, das nach einem Hardwarereset alle IO-Pinnen hochohmig sind, bevor sie von Programm konfiguriert werden. Für diesen Fall würde ein ebenfalls recht hochohmiger Widerstand, der das Gate in diesem Fall auf GND-Potential legt, nicht schaden.
Das trifft nicht auf alle Mikroprozessoren/-Kontroller zu.
Edit: Zudem kann die Zeit zwischen Reset und Konfiguration der Pins so kurz sein, dass der Motor nichtmal reagiert bzw. die Ladung des Gates so gering ist, dass es nichtmal zu einem nennenswerten Stromfluss kommt. Der Widerstand ist also eher ein Angstwiderstand, der festes Potential definiert und die Ladung des Gates im hochohmigen Zustand des IO-Pins langsam abfließen lässt.  .
_________________
[ Diese Nachricht wurde geändert von: DonComi am 22 Jun 2008 16:26 ]
[ Diese Nachricht wurde geändert von: DonComi am 22 Jun 2008 16:28 ]
|
BID = 529699
perl Ehrenmitglied
       
Beiträge: 11110,1 Wohnort: Rheinbach
|
Stimmt.
Daa trifft aber für alle Beschaltungsvarianten zu.
|
BID = 530080
Marino Gelegenheitsposter
 
Beiträge: 85
|
Eine kleine Frage hätte ich noch:
Wird der Transistor zerstört, wenn nur am Gate eine Spannung vom 3V anliegt?
Hintergrund meiner Frage ist:
Wenn es zur Spannungsunterbrechung kommen sollte (z.B. durch entfernen der Batterien) kann es unter Umständen dazu kommen, dass der Mikrocontroller trotzdem einen Schaltsignal gibt. Der Mikrocontroller hängt an Kondensatoren und wird die Spannungsunterbrechung für einige Sekunden überleben.
|
BID = 530097
perl Ehrenmitglied
       
Beiträge: 11110,1 Wohnort: Rheinbach
|
Nein, da passiert nichts.
Lediglich den Fall, dass der Transistor bei vorhandener Last und unzureichender Ansteuerung, also im Bereich 1..1,5V, betrieben wird, muss man beachten, weil er dabei warm wird.
Mit den Daten des vorhandenen Motors sind aber auch da keine Probleme zu erwarten zumal ausserdem ein Betrieb in diesem Übergangsbereich sicher nicht lange dauert.
P.S.:
Zur Vermeidung evtl. HF-Störungen sollte man einen Widerstand (mindestens einige Dutzend Ohm) zwischen steuerndem Ausgang und Gate immer auch dann verwenden, wenn die Verbindungsleitung länger als wenige cm ist.
In diesem Fall gehört er direkt ans Gate, nicht ans andere Ende er Leitung.
_________________
Haftungsausschluß:
Bei obigem Beitrag handelt es sich um meine private Meinung.
Rechtsansprüche dürfen aus deren Anwendung nicht abgeleitet werden.
Besonders VDE0100; VDE0550/0551; VDE0700; VDE0711; VDE0860 beachten !
[ Diese Nachricht wurde geändert von: perl am 24 Jun 2008 10:51 ]
|