| Autor |
|
Bilderraten |

|
|
|
|
BID = 512934
Morgoth Schreibmaschine
    
Beiträge: 2930 Wohnort: Rockenhausen (Pfalz)
|
|
Na also, geht doch!
_________________
Es irrt der Mensch solang er strebt |
|
BID = 513291
Kleinspannung Urgestein
     
Beiträge: 13374 Wohnort: Tal der Ahnungslosen
|
|
Sam2,wo bleibt unser neues Bild?
_________________
Manche Männer bemühen sich lebenslang, das Wesen einer Frau zu verstehen. Andere befassen sich mit weniger schwierigen Dingen z.B. der Relativitätstheorie.
(Albert Einstein) |
|
BID = 513392
GeorgS Inventar
     
Beiträge: 6440
|
Hallo,
da sam2 anscheinend momentan nicht kann/will/darf :=)
drängle ich mich mal mit einem Fundstück dazwischen.
Gesucht ist die Funktion/Verwendung des Geräts.
Alle Fragen zu den einzelnen Teilen werde ich beantworten,
auch Bilder aus anderen Blickwinkeln bringe ich gern,
wenn gewünscht.
Sollte ein bemoostes Haupt das Ding kennen, bitte erst mal
die "Jugend" vorlassen.
Baujahr dürfte um 1960 gewesen sein.
Gruß
Georg
[ Diese Nachricht wurde geändert von: GeorgS am 5 Apr 2008 15:38 ]
|
BID = 513503
Kleinspannung Urgestein
     
Beiträge: 13374 Wohnort: Tal der Ahnungslosen
|
Eine Pumpe/Filtereinrichtung für was auch immer?
Sind die beiden "Spiralen" da eine Saug/Druckleitung?
_________________
Manche Männer bemühen sich lebenslang, das Wesen einer Frau zu verstehen. Andere befassen sich mit weniger schwierigen Dingen z.B. der Relativitätstheorie.
(Albert Einstein)
|
BID = 513504
GeorgS Inventar
     
Beiträge: 6440
|
Hallo Kleinspannung,
weder Pumpe noch Filter. Die beiden "Spiralen"
sind Wellrohre aus dünnem Messing und führen
m Betrieb Druckluft.
Gruß
Georg
[ Diese Nachricht wurde geändert von: GeorgS am 6 Apr 2008 1:06 ]
|
BID = 513506
Kleinspannung Urgestein
     
Beiträge: 13374 Wohnort: Tal der Ahnungslosen
|
Da ich zu dem von dir genannten Zeitraum des Baujahres dieses Teiles noch nichtmal in Planung war,muß ich jetzt leider passen
Ein Druckregler oder so wird es ja dann auch wohl nicht sein
_________________
Manche Männer bemühen sich lebenslang, das Wesen einer Frau zu verstehen. Andere befassen sich mit weniger schwierigen Dingen z.B. der Relativitätstheorie.
(Albert Einstein)
|
BID = 513507
GeorgS Inventar
     
Beiträge: 6440
|
Eine Art Druck"regler" im weitesten Sinn ist es.
Jetzt mach ich mich aber in die Falle,
Gute Nacht!
Georg
|
BID = 513512
Otiffany Urgestein
     
Beiträge: 13779 Wohnort: 37081 Göttingen
|
Das könnte ein Druckregler aus einer alten Gastherme sein.
Gruß
Peter
|
BID = 513518
:andi: Inventar
     
Beiträge: 3221 Wohnort: Bayern
|
membran-luftpumpe
_________________
"Gestern gings noch, da kann net viel sein"
|
BID = 513520
DMfaF Inventar
     
Beiträge: 6664 Wohnort: 26817 Rhauderfehn
|
|
BID = 513553
GeorgS Inventar
     
Beiträge: 6440
|
Hallo,
@Kleinspannung:
Wann du geboren bist, spielt da
nur eine untergeordnete Rolle, Ich schätze 99,9 %
meines Alters haben so was nie gesehen, 99 %
nie davon gehört.
@Peter:
in einem der beiden Metallschläuche steht
ein geregelter Luftdruck an, aber der ist Selbstzweck.
Mit "Gas" in deinem Sinne hat das nicht zu tun.
@andi:
siehe Post-ID: 513504
@ DMfaF:
das ist nicht ganz auszuschließen, da seitdem viel
Zeit vergangen ist. Aber eher unwahrscheinlich.
Diese Tanklagerfirma ist zu sehr auf die
SBZ konzentriert, das ist kaum ein Zufall.
Ich habe mit viel Mühe eine frühere Firma
"GST Gesellschaft für automatische Temperaturmessung"
und eine andere mit Sitz in Bochum ergoogelt, die es sein
könnten. beides sind aber indirekte Hinweise,
Bücher aus dem Bereich chemische Technik, MSR.
Die Firma existiert ziemlich sicher nicht mehr.
Gruß
Georg
Hinweis:
Das goldfarbene Ding, auf das mit Filzschreiber "102"
geschrieben steht, ist ein Lautsprechermagnet.
Es ist überhaupt ein komplettes Lautsprechersystem da, außer
der Membrane und deren Halterung.
[ Diese Nachricht wurde geändert von: GeorgS am 6 Apr 2008 12:52 ]
|
BID = 513832
Dreheisen Schriftsteller
    
Beiträge: 694 Wohnort: Rheinhessen
|
Hallo Freunde historischer Technik,
es könnte ein elektropneumatischer Regler sein. Eventuell auch ein Signalumsetzer für elektropneumatische Anwendungen.
Gruß Dreheisen
_________________
Techniker/Management < 3/1 => Ein Land fährt an die Wand!!!
Es handelt sich bei obenstehendem um wohlgemeinte, private Tipps welche jedoch jegliche Haftung ausschliessen.
[ Diese Nachricht wurde geändert von: Dreheisen am 7 Apr 2008 12:16 ]
|
BID = 513840
GeorgS Inventar
     
Beiträge: 6440
|
Hallo Dreheisen,
Tusch!
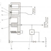
Richtig ist der elektropneumatische Wandler.
Hast du mit so was mal zu tun gehabt?
Das Ganze stellt einen einarmigen Hebel
dar, bei dem rechts das Tauchspulsystem
von dem Stromeingang Kräfte aufgibt,
ziemlich links unter der Plexischeibe
sitzt die Kreuzbandlagerung des Hebels.
Direkt daneben sitzt unter dem Hebel
(verborgen) die Balgfeder, die reibungsfrei
die Gegenkraft aus dem Druck Paus erzeugt.
nochmal einige cm weiter rechts sitzt
das Düse-Prallplatte-System, das als
Wegaufnehmer und pneumatischer Verstärker wirkt.
Umgesetzt wird von 0 bis 20 mA auf den
üblichen pneumatischen Steuerlevel von
0,2 bis 1 Bar (soweit ich mich erinnere).
Das Gerät stammt aus einer Meßwarte einer
großen Raffinerie in SW-Deutschland, wurde
im Rahmen einer technischen Umrüstung anfang
der 70er ausgebaut.
Wenn ich mal gar nichts gescheiteres zu tun habe,
baue ich daraus ein Amperemeter, das als
Anzeige ein Barometer hat. :=)
Dreheisen, weißt du noch was dazu?
(Hast du evtl eine Schema eines solchen Geräts?)
Gruß
Georg
Da ich mich vorgedrängelt hatte, wäre jetzt eigentlich
Sam2 dran.
|
BID = 513849
Dreheisen Schriftsteller
    
Beiträge: 694 Wohnort: Rheinhessen
|
Hallo GeorgS,
Geräte dieser Generation kenne ich auch nur noch als Demonstrationsmodelle. Die modernsten Umsetzer welche ich sah boten im Europakartenformat Platz für 2 Kanäle. Ich hüte jedoch noch einen Kreuzbalgregler der Fa. Eckart welcher auch aus dieser Zeit stammen dürfte.
Nach einem Schema muß ich mich in unserem Archiv mal umsehen. Frag doch gelegentlich (also nicht so schnell) mal wieder nach.
Natürlich kann sam2 jetzt ein neues Rätsel stellen ich hab heute sowieso kein Bild greifbar.
Gruß Dreheisen
_________________
Techniker/Management < 3/1 => Ein Land fährt an die Wand!!!
Es handelt sich bei obenstehendem um wohlgemeinte, private Tipps welche jedoch jegliche Haftung ausschliessen.
|
BID = 514203
Dreheisen Schriftsteller
    
Beiträge: 694 Wohnort: Rheinhessen
|
Hallo Freunde elektropneumatischer signalumformer,
wie versprochen, anbei ein Schema eines Umformers der fa. Eckardt Bj. 1969.
Leider habe ich noch immer kein Bild besorgt, weil ich davon ausging, daß Sam2 dran sei.
Ihr könnt Euch ja derweil am Schema erfreuen.
Gruß Dreheisen
_________________
Techniker/Management < 3/1 => Ein Land fährt an die Wand!!!
Es handelt sich bei obenstehendem um wohlgemeinte, private Tipps welche jedoch jegliche Haftung ausschliessen.
[ Diese Nachricht wurde geändert von: Dreheisen am 8 Apr 2008 18:28 ]
|