| Autor |
Festspannungsnetzteil mit 5V und 12V. Welchen Trafo? Suche nach: trafo (15768) |
|
|
|
|
BID = 452318
Kleinspannung Urgestein
     
Beiträge: 13386 Wohnort: Tal der Ahnungslosen
|
|
Zitat :
lixor hat am 22 Aug 2007 23:06 geschrieben :
|
bekommt man aber nur diese als Tantas. also 0,33µF und 0,10µF
|
bist du dir da so sicher?
0,1µF sind nach meiner Rechnung 100nF,und die bekommste als KerKos nun wirklich an jeder Ecke...
Und sehe das mit den Werten nicht gar so eng.Ich verbaue alles zwischen 100 und 470nF was grad so da ist.Damit hatte ich noch nie Probleme.Hauptsache,die Dinger sind so nahe als möglich an dem Regler.
Und der faustian hat schon Recht.Ich nehme auch Schottky-Dioden und nen dicken Elko,wenn es wirklich um das letzte halbe Volt geht.
Aber da kommste bei deinem übernächsten Netzteil und nach etwas Grundlagenstudium ganz von allein drauf.Ging mir genauso...
Übung macht den Meister,und nur wer nichts macht,macht nichts falsch
_________________
Manche Männer bemühen sich lebenslang, das Wesen einer Frau zu verstehen. Andere befassen sich mit weniger schwierigen Dingen z.B. der Relativitätstheorie.
(Albert Einstein) |
|
BID = 452332
Ltof Inventar
     
Beiträge: 9386 Wohnort: Hommingberg
|
|
Das Thema mit den Rückflußdioden hatten wir schon mal. Meiner Meinung nach sind die überflüssig. In keinem mir bekannten Datenblatt wird die empfohlen. Keine meiner Schaltungen hat diese Diode je gehabt. Mir ist deshalb nie ein Spannungsregler verreckt. Ich habe Versuche gemacht, einen Spannungsregler mit Rückwärtsstrom zu zerstören. Dabei zeigte sich, dass die Diode integriert ist.
Ich ordne die "wichtigen Rückflußdioden" in das Reich der Märchen ein. Möglich, dass die Spannungsregler der ersten Generation ein solches Problem hatten. Das geistert halt so durch den Erfahrungsschatz und ist längst überholt.
Gruß,
Ltof
_________________
„Schreibe nichts der Böswilligkeit zu, was durch Dummheit hinreichend erklärbar ist.“
(Hanlon’s Razor) |
|
BID = 452337
Peda Schriftsteller
    
Beiträge: 891
|
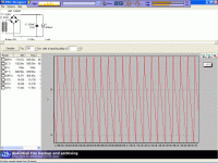
So, hab das ganze mal grad simuliert. Mit den genannten Werten von 500uF und 3V Reglerspannung wird das nichts, siehe Bild unten. Da sollten es für 500mA schon 700uF sein.
Rückwärtsdioden hab ich auch noch nie gebraucht, meine Regler halten immernoch.
Gruß Peter
_________________
Do you have Math Problems ?? Then call 0049-0800 sin(lg((10^45*tan(56))/(f(0)'->(45x^3/3x^2*3x^7)))
|
BID = 452672
sweet18m Gelegenheitsposter
 
Beiträge: 64 Wohnort: Köln
|
@Ltof
Ich habe mal einen 7812 durch Rückwärtsstrom geschossen. Hatte gedacht "brauchste nicht" und schwupps wars mal einer. War nen schöner knall und hat auch gut gestunken.
|
BID = 452703
faustian.spirit Schreibmaschine
    
Beiträge: 1388 Wohnort: Dortmund
|
Ein diskreter Regler für ca. 350V mit Darlington-Ausgangsstufe und 10uF Elko am Ausgang ist mir mal viel übler hochgegangen... Ich hätte dran denken sollen was der Elko mit der EB-Strecke anrichtet, wenn man die Referenzspannung senkt  Naja, der ganze Strom ging dann Richtung Treibertransistor (klassische Emitterschaltung) gegen Masse, und der Treibertransistor mit ziemlichem Feuerwerk in die Luft (da half kein Kühlkörper, das hat ein TO220 Gehäuse mit einem Schlag zerspalten!).
|
BID = 452816
Kleinspannung Urgestein
     
Beiträge: 13386 Wohnort: Tal der Ahnungslosen
|
Zitat :
sweet18m hat am 24 Aug 2007 13:10 geschrieben :
|
Ich habe mal einen 7812 durch Rückwärtsstrom geschossen.
|
Eben,ich auch.Seit dem ist die immer drin,weil das
a) minimaler zusätzlicher Aufwand ist
b) ein Centartikel ist,und man Normalerweise eh davon ne Handvoll rumliegen hat
c) sich um "was wäre wenn" keine Sorgen machen muß
d) ich sehr wohl schon Schaltungsvorschläge gesehen habe,wo die drin war...
_________________
Manche Männer bemühen sich lebenslang, das Wesen einer Frau zu verstehen. Andere befassen sich mit weniger schwierigen Dingen z.B. der Relativitätstheorie.
(Albert Einstein)
|