| Autor |
|
Wieviel Ohm Vorwiderstand bei BC547 |
|
|
|
|
BID = 374729
PhyMaLehrer Schriftsteller
    
Beiträge: 911 Wohnort: Leipzig
|
|
Pull-up- (zieh herauf) Widerstände sind solche, die einen Anschluß mit der Betriebsspannung verbinden. (Es gibt auch pull-down-Widerstände, die mit Masse verbinden.) Das hat den Sinn, daß unbeschaltete Eingänge nicht einfach so "in der Luft hängen". Die hochohmigen Eingänge von CMOS-ICs machen dann nämlich, was sie wollen... Ein solcher Fall würde bei dir überall dort eintreten (siehe hierzu die von Dombrowski gepostete Schaltung), wo einer der elektronischen Schalter des 4066 "offen" ist. Um das zu vermeiden, muß an die Eingänge der Poti-Schaltungen, die vom 4066 geschaltet werden, je ein Widerstand nach plus. Ich würde hier einfach mal 100 kOhm ansetzen; der Wert ist sicher unkritisch.
Das "#" in der Pinbezeichnung (CS# usw.) soll hier die Nummer (1 bis 3) deiner drei Schaltungen bedeuten. CS ist Chip Select, also die Schaltkreis-Auswahl, womit ein Schaltkreis aktiviert werden kann oder eben auch nicht.
INC bedeutet Increment, also um 1 vergrößern. Das ist der Zähleingang, auf den die Impulse des Drehgebers kommen. U/D heißt Up/Down, also auf/ab und es wird hiermit umgeschaltet, ob der Poti-IC aufwärts oder abwärts zählt, also das elektronische Poti quasi "nach links oder rechts gedreht" wird.
Dombrowski meinte mit seinem Hinweis, daß es ausreicht, zum Aktivieren einer der drei Schaltungen nur den Anschluß CS mittels des 4066 umzuschalten, die Pins U/D und INC der drei Poti-ICs können miteinander verbunden werden und brauchen nicht mit umgeschaltet zu werden.
Zur Prüfung des CS-Pins: Du sollst prüfen, ob Pin 10 des 4093 (siehe Schaltung in der PDF-Datei) immer dann, wenn der Drehgeber nicht bewegt wird, eine Spannung von etwa 5 V hat.
Viel Erfolg! |
|
BID = 374732
Mitruel Stammposter
    Beiträge: 404 Wohnort: Memmingen
|
|
Vielen Dank W......(PhyMaLehrer). Du hast mir wie immer sehr geholfen und die Erklärung...das wünscht sich glaube ich jeder so deutlich und verständlich geschrieben.
Werde das dann so machen.
Danke an alle, die geholfen haben. Ohne euch hätte ich das nicht geschafft.
Ich poste gleich mal den endgültigen schaltplan.
Mitruel
[ Diese Nachricht wurde geändert von: Mitruel am 3 Okt 2006 18:40 ] |
|
BID = 374737
Mitruel Stammposter
    Beiträge: 404 Wohnort: Memmingen
|
Hallo nochmal
das heißt ja, wenn ich nur noch ein signal für das widerstands ic schalten muß, kann ich das ja alles mit einem 4066 machen.....
Ist das (auch pin) richtig?
Sind die Widerstände richtig?
|
BID = 374789
Dombrowski Stammposter
   
Beiträge: 450
|
Moin.
Der Schaltplan stimmt anscheinend. Ja, ein 4066 reicht dann. Offene u. ungenutzte Eingänge bei 40XX-CMOS immer mit VCC oder GND verbinden, besser GND. Pullup-Widerstände mit 100k oder bis herunter zu 10k sind richtig.
Das CS# sollte in meinem Fall den negierten bzw. invertierten bzw. low-aktiven Eingang darstellen, weil ich hier den Oberstrich nicht erzeugen kann. Man schreibt teils auch #CS oder -CS oder /CS oder nCS oder sonstwas. Okay, #CS ist wohl besser als CS#. Ist richtig, dass das "#" sonst auch für eine laufende Nummer steht.
D.
[ Diese Nachricht wurde geändert von: Dombrowski am 3 Okt 2006 21:08 ]
|
BID = 374961
Mitruel Stammposter
    Beiträge: 404 Wohnort: Memmingen
|
Dann soll ich alle freien Pins vom 4066 mit GND verbinden,richtig?
|
BID = 375060
Dombrowski Stammposter
   
Beiträge: 450
|
Moin.
Ja.
D.
|
BID = 377571
Mitruel Stammposter
    Beiträge: 404 Wohnort: Memmingen
|
Hallo
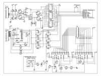
Inzwischen habe ich mir Target gekauft. und habe jetzt auch einen Schalplan für die ganze sache. Wie extrahiere ich den Schalplan, daß ich ihn hier posten kann, denn ich habe wieder eine sache zu fragen.
Bitte vorher den Thread duchlesen. für alle die das nicht wollen, oder nicht wissen um was es geht, hier die kurz-Fassung
Ich habe ein Digitales poti so umgebaut, daß ich mit einem stufenschalter 3 Seperate Ic´widerstände ansteuern kann und mit dem Stufenschalter anwählen kann. Ein Widerstand ic für Höhen, Lautstärke und Bass. Dann habe ich Für die Anzeige wo der "drehregler" steht, ein Vu meter angeschlossen das den "schleifer abgriff" der Poti´s als eingang hat.
Soweit.
Das problem jetzt: Das Vu-meter leuchtet jetzt ja die ganze zeit.
Wie mache ich das, das das Vu-meter nur für ca 5-10 sec angeht, wenn ich den "Selct Schalter" (für die anwahl der Ic´wiederstände) drücke?!
Wenn mir jemand sagt, wie ich aus Target den Schalplan extrahiere, poste ich ihn hier....
Mfg
Mitruel
Ich poste mal den Target schalplan im Original...wenn jemand was damit anfangen kann
[ Diese Nachricht wurde geändert von: Mitruel am 13 Okt 2006 21:55 ]
|
BID = 377608
Mitruel Stammposter
    Beiträge: 404 Wohnort: Memmingen
|
Hey sunday my Friend
Also "Tiff" ist leider kein Format was ich hier posten kann, so dankbar ich dir für diese lösung bin....
Schönes We
Mitruel
|
BID = 377634
Dombrowski Stammposter
   
Beiträge: 450
|
Moin.
Wenn's nur als TIFF geht, dann nimm einen Formatkonverter. Unter Linux z.B.
| Code : |
$ tifftopnm datei.tiff | pnmtopng > datei.png |
|
Weil du ja "pimpen" wolltest: Nimm doch einen µC mit LC-Display, mit dem du die Potistellung als Prozent- und Balkenanzeige darstellen kannst. Der µC kann sowohl den Drehgeber auswerten wie auch die Impulse für die DigiPots/EEPots liefern.
D.
|
BID = 377666
Mitruel Stammposter
    Beiträge: 404 Wohnort: Memmingen
|
Hallo
µC mit lc...sagt mir nix. was ist das?
Aber ich möchte unbedingt sowas mit anzeige und balken machen.
Das Display soll halt: wenn ich auf meinen Select knopf drücke umschalten zwischen der Anzeige bass, höhen und lautstärke....
Bitte sag mir, wie ich das machen kann....*lechz lechz*
Das wolle ich schon immer mal machen...
EDIT. ich habe leider windows xp..kein linux
[ Diese Nachricht wurde geändert von: Mitruel am 14 Okt 2006 12:04 ]
|
BID = 377676
Dombrowski Stammposter
   
Beiträge: 450
|
Moin.
µC = Microcontroller. Wenn du das machen willst, hast du die nächsten Wochen erstmal gut zu tun, um dich in die µC-Technik einzuarbeiten.
Gehen tut es auf jeden Fall. Die ELV- sowie die 4017-Schaltung fallen größtenteils weg. Der Drehencoder wird über Entprellglieder praktisch direkt an den µC angeschlossen. (Z.B. der Encoder, den es bei Pollin gibt, hat zusätzlich einen Druckkontakt. D.h. es lässt sich so einrichten, dass Drücken auf den Knopf das Weiterschalten von Lautstärke, Höhen, Tiefen bewirkt, und Drehen am Knopf verändert den betreffenden Wert.) Vom µC werden die Digipots direkt gesteuert. Wie man LC-Displays an µC anschließt, ist an Hunderten Stellen im Netz nachzulesen. Die Logik und "Intelligenz" des Geräts sitzt dann schließlich in der Software für den µC, und die musst du schreiben.
Auch für Windows wird es doch wohl Grafikkonverter geben.
D.
|
BID = 377680
Mitruel Stammposter
    Beiträge: 404 Wohnort: Memmingen
|
Ist ein µc ein Mikrocontroller?!
Wie wird der programmiert?
Muß ich mir da so ein teures gerät kaufen...oder mit was mache ich das?
Ist das programmieren sehr schwer zu lernen?
Kann ich das "programm" auch wieder löschen oder ist das dann fest eingebrannt?
Kann ich das auch als laie der einen Willen hat?
Kannst du mir ein paar links geben um mich da einzuarbeiten?
Das mal ein paar fragen als anfang.
Mitruel
|
BID = 377682
LeoLöwe reloaded Schreibmaschine
    
Beiträge: 1406 Wohnort: Meine
|
|
BID = 377688
PhyMaLehrer Schriftsteller
    
Beiträge: 911 Wohnort: Leipzig
|
Hallo Mitruel! Die Mail habe ich bekommen; ich melde mich noch!
Zur Grafik-Umwandlung: Zu Windows XP gehört (bei mir unter "Zubehör") auch immer noch der Klassiker MSPAINT. Dort kannst du u. a. auch TIFF-Dateien laden und mit "Speichern unter..." als GIF Oder JPG abspeichern.
|
BID = 377708
Mitruel Stammposter
    Beiträge: 404 Wohnort: Memmingen
|
Hi
also, ich habe mir jetzt mal einen überblick über die programmierung von µC verschafft. Sieht gar nicht so arg leicht aus. Bis ich das kann, was meine Schaltung mal machen soll...ich weiß nicht
Reizen würde mich so ein netter display schon sehr....
Ach ja, mein Schlaltplan (in den Ich ja noch die Schaltung mit dem Vu-Meter einbinden will)
kann das so funzen?
[ Diese Nachricht wurde geändert von: Mitruel am 14 Okt 2006 16:10 ]
|