| Autor |
Amplitude eines PWM Signal anpassen Suche nach: amplitude (832) pwm (3633) |
|
|
|
|
BID = 177250
2SJ200 Schreibmaschine
     Beiträge: 1942 Wohnort: Österreich
|
|
nun dann würd ich fast sagen du schaltest einen NPN und PNP eben in gegentakt (denke MPSA42 / MPSA92 zB sollten für deine zwecke schon reichen (100mA Ic und 300V Uce) und den einen NPN gegn masse steuerst man ganz normal an mit +5V über basisvorwiderstand bei gewolltem LOW pegel am ausgang, der zweite PNP wird über einen NPN (auch MPSA42 zB) nach masse gezogen, damit kannst du auch mit einem +5V logikpegel über einen vorwiderstand an den NPN an der BASIS des PNPs die volle Ub durchschalten, gleichzeitig darf man des halt ed machen sonst is die ganze sache kaputt
aber so wärs eigentlich am einfachsten denk ich... |
|
BID = 177258
ElMaster Neu hier

Beiträge: 49
|
|
ich habe jetzt mal versucht das ganze aufzuzeichnen. verstehe jedoch nicht ganz wie diese schaltung aussehen sollten. |
|
BID = 177267
2SJ200 Schreibmaschine
     Beiträge: 1942 Wohnort: Österreich
|
|
BID = 177421
ElMaster Neu hier

Beiträge: 49
|
danke für die schaltung.
Die funktioniert doch aber nur, wenn das Signal plus und minus Spannung hat. Wie muss ich die Schaltung umbauen, damit sie auch mit einem Signal dass +5V und GND hat, funktioniert?
|
BID = 177424
2SJ200 Schreibmaschine
     Beiträge: 1942 Wohnort: Österreich
|
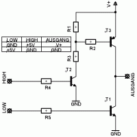
gar nicht, steht eh eine tabelle dabei, je nachdem welcher der beiden eingänge +5V bekommt wird am ausgang das richtge draufgeschaltet...
du benötigst nur logikpegel...
|
BID = 177430
Benedikt Inventar
      Beiträge: 6241
|
Zitat :
2SJ200 hat am 22 Mär 2005 18:27 geschrieben :
|
gar nicht, steht eh eine tabelle dabei, je nachdem welcher der beiden eingänge +5V bekommt wird am ausgang das richtge draufgeschaltet...
|
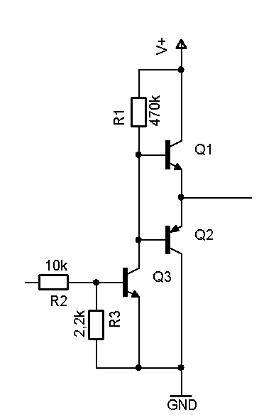
Und wenn man beide aktiviert knallt es !
Hier mal meine Idee die ich gestern beschrieben hatte.
Diese Schaltung hat den Vorteil, dass man keinen Kurzschluss bauen kann, aber leider ist der 470k Widerstand sehr hochohmig, was eine höhere Ausgangsimpedanz zur Folge hat. Mit einer Darlingtonschaltung sollte man das Problem aber lösen können.
|
BID = 177432
2SJ200 Schreibmaschine
     Beiträge: 1942 Wohnort: Österreich
|
der vorteil der anderen schaltung ist das man auch hocohmig werden kann (tristate ;)) und aber auch dass man die transistoren wirklich sättigen kann und bis auf 0,1-0,2V an die V+ herankommt...
|
BID = 177631
ElMaster Neu hier

Beiträge: 49
|
Danke für diese Schaltung.
Lieber eine Schaltung ohne Kurzschlussgefahr, als möglichst nah an V+ heranzukommen.
1 Nachteil hat die 2te Schaltung jedoch. Der 0V Pegel ist am Ausgang auf etwa 300mV. Wie kann ich diesen auf 0V ziehen?
|