Netzteil Positiv/Negativ - Trafo?

Im Unterforum Projekte im Selbstbau - Beschreibung: Selbstbau von Elektronik und Elektro

Elektronik Forum Nicht eingeloggt       Einloggen       Registrieren




[Registrieren]      --     [FAQ]      --     [ Einen Link auf Ihrer Homepage zum Forum]      --     [ Themen kostenlos per RSS in ihre Homepage einbauen]      --     [Einloggen]

Suchen


Serverzeit: 24 12 2025  19:35:31      TV   VCR Aufnahme   TFT   CRT-Monitor   Netzteile   LED-FAQ   Oszilloskop-Schirmbilder            


Elektronik- und Elektroforum Forum Index   >>   Projekte im Selbstbau        Projekte im Selbstbau : Selbstbau von Elektronik und Elektro


Autor
Netzteil Positiv/Negativ - Trafo?
Suche nach: netzteil (26456) trafo (15768)

    







BID = 133754

rjurko

Gerade angekommen


Beiträge: 1
 

  


Hi Zusammen,
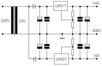
wollte mal fragen ob es möglich ist TRAFO(Era 50VA Sekundär 24V/2A) so anschliesen:
Poistiv Ausgang (+) nach den Brückengleichrichter als LM317 Eingang und Negativ (-) als GND
und gleichzeitig für LM337 - umgekehrt Negativ (-) als Eingang und Positiv (+) als GND.

sorry für Deutsch
gruß
richard

BID = 133798

2SJ200

Schreibmaschine

Beiträge: 1942
Wohnort: Österreich

 

  

- del -

[ Diese Nachricht wurde geändert von: 2SJ200 am 29 Nov 2004 13:58 ]

BID = 133802

2SJ200

Schreibmaschine

Beiträge: 1942
Wohnort: Österreich

nein, kannst leider nicht machen, ABER du kannst die untere schaltung verwenden, damit is es möglich auch mit bnur einer wicklung eine symmetrische spannung zu erzeugen




Zurück zur Seite 1 im Unterforum          Vorheriges Thema Nächstes Thema 


Zum Ersatzteileshop


Bezeichnungen von Produkten, Abbildungen und Logos , die in diesem Forum oder im Shop verwendet werden, sind Eigentum des entsprechenden Herstellers oder Besitzers. Diese dienen lediglich zur Identifikation!
Impressum       Datenschutz       Copyright © Baldur Brock Fernsehtechnik und Versand Ersatzteile in Heilbronn Deutschland       

gerechnet auf die letzten 30 Tage haben wir 18 Beiträge im Durchschnitt pro Tag       heute wurden bisher 5 Beiträge verfasst
© x sparkkelsputz        Besucher : 187918153   Heute : 12454    Gestern : 19923    Online : 396        24.12.2025    19:35
20 Besucher in den letzten 60 Sekunden        alle 3.00 Sekunden ein neuer Besucher ---- logout ----viewtopic ---- logout ----
xcvb ycvb
0.0258541107178