| Autor |
|
|
|
BID = 128973
laurel1 Aus Forum ausgetreten
|
|
Hallo,
vor einiger Zeit habe ich dieses Problem schon mal hier reingestellt und auch Antworten darauf erhalten. Insofern habe ich mal so eine Schaltung aufgebaut und die funzt nicht richtig.
Das Problem war folgendes. Bei meiner Gasheizung (Truma)ist das Zündmodul defekt. Leider gibt es dieses als Ersatzteil nicht mehr. Mein Gasspezi (ich geh nicht an ne Gasheizung) hat mir folgende Auflagen gemacht (diese sind explizit von Truma vorgeschrieben und sollen auf jeden Fall eingehalten werden (eher mehr meinerseits)!!!!!
1. Zündspannung min. 2KV
2. Vergossenes Modul
3. Muß diese Spannung min. 2 Minuten liefern können (nach 1 Minute ohne erfolgte Zündung schaltet die Heizung ab (Sicherheitsschaltung außerhalb des Zündmoduls).
Also habe ich da mal einen Multivibrator erstmal diskret aufgebaut und über einen 3,3k Wiederstand an nen BDX 53C als Treiber gehängt, dieser steuert dann einen 12/230 Volt Trafo auf der 12 Volt Seite.
Zum Testen habe ich mir ne einstellbare Funkenstrecke von nem Boschdienst ausgeliehen (kenne den gut, kost also nichts), sicher ist sicher, iss ja Hochspannung und damit ist nicht zu spaßen! Diese habe ich auf 3 Milimeter eingestellt, da wohl 1KV ungefähr 1 Milimeter Funkenstrecke entsprechen.
Fazit:
1. Stromaufnahme der Schaltung bei 12 Volt 400mA - 480mA
2. Zündet sofort mit schönem Lichtbogen
3. nach ca. 5 Sekunden keine Zündung mehr
4. runtergestellt auf 2 Milimeter und Zündung wieder da
5. nach weiteren ca. 10 Sekunden keine Zündung mehr (runtergestellt und wieder da)
Nach knapp 30 Sekunden muß ich die Funkenstrecke schon fast auf Null stellen, damit überhaupt noch was passiert!
Die Stromaufnahme der Schaltung ändert sich nicht, auch wenn die Hochspannung abfällt!
Sorry für den langen Text, ich denke aber mal, lieber ausführlich als absolut planlos. Das Teil baut der mir nicht ein und das ist auch gut so, nur was läuft da falsch?
Beste Grüße
Euer ratloser Peter
|
|
BID = 128982
Benedikt Inventar
      Beiträge: 6241
|
|
Poste doch mal die Schaltung, sonst kann man nicht viel dazu sagen...
Vermutlich wird der Transistor heiß und deshalb sinkt die Leistung ? |
|
BID = 129066
laurel1 Aus Forum ausgetreten
|
Hallo Benedikt,
herzlichen Dank für Deine schnelle Antwort. Durch meine Umstellung auf Linux läuft leider der Scanner noch nicht,
insofern kurze Beschreibung der Bauteile da ich eigentlich voraussetzte, dass die Schaltung eines Mutilvibrators bekannt ist.
1. Versorgungsspannung 12 Volt
2. T1 und T2 BC 547C
3. Kollektorwiederstand für diese jeweils 1K
4. Basiswiederstand je 10K
5. Kondensator von Kollektor T1 zu Basis T2 = o,47mF
6. Kondensator von Kollektor T2 zu Basis T1 = 4,7mF
7. An Kollektor T2 über einen 3,3k Wiederstand die Basis des BDX 53C angesteuert
8. Emitter BDX läuft direkt auf Masse
9. Kollektor BDX läuft über die 12 Volt Wicklung des Trafos auf die Versorgungsspannung
Beste Grüße
Peter
|
BID = 129074
Benedikt Inventar
      Beiträge: 6241
|
Einen Fehler hab ich schonmal:
Du brauchst mindestens 2kV.
230V->12V sind ein Übersetzungsberhältnis von 20
Der BDX53X hat max. 100V. 100Vx20=2000 =>2kVmax
Besser wäre ein BU508 + Treiber.
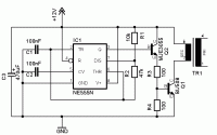
Versuchs mal mit einem NE555 anstelle der Transistorschaltung. Diese Schalten oft etwas langsam und deshalb wird die Spannung begrenzt.
|
BID = 129080
Benedikt Inventar
      Beiträge: 6241
|
So in etwa. Habs nicht ausprobiert, es müsste aber funktionieren. Für Q2 kannst du eigentlich jeden NPN Transistor verwenden, der mindestens 0,5A kann.
Für R1 und R2 kannst du auch Potis einbauen und die Frequenz und Impulsbreite etwas verändern.
R3 sollte etwas stärker belastbar sein (ca. 1W)
|
BID = 129127
laurel1 Aus Forum ausgetreten
|
ok,
ich danke dir herzlichst und übermorgen werde ich das teil mal aufbauen. die teile habe ich eh da, außer dem bu 508.
da schaun mir halt mal, ob wir da im fundus noch nen ersatz haben, ansonsten bestell ich den halt.
beste grüße
peter
|
BID = 129155
Benedikt Inventar
      Beiträge: 6241
|
BU508 ist ein Standart Transistor für Horizontalendstufen oder in Schalnetzteilen. Aber jeder andere Schaltnetzteiltransistor oder Horizontaltransistor ist auch verwendbar. Falls du irgendwo noch ein Schaltnetzteil oder einen Monitor hast, kannst du da so einen Transistor ausbauen.
|
BID = 129558
laurel1 Aus Forum ausgetreten
|
Hallo Benedikt,
habe mir jetz mal den BU bestellt und auch den 555, da keiner mehr da. Sobald das Teil aufgebaut ist melde ich mich mal!
Beste Grüße
Peter
|
BID = 129880
laurel1 Aus Forum ausgetreten
|
Hallo Benedikt,
habe die Schaltung jetzt nachgebaut (Teile sind da), aber so irgendwie taugt das garnicht. Ok, die Hochspannung bleibt absolut konstant, aber maximale Funkenstrecke 0,8mm!
Beste Grüße
Peter
|
BID = 129943
fenterhannes Stammposter
   
Beiträge: 312 Wohnort: Osnabrück
|
Vielleicht ist das Übersetzungsverhältnis des Trafos zu klein....? Davon abgesehen,.... können die Trafowicklungen ohne weiterse soviel Spannung ab? Die sind ja eigentlich für 230V isoliert. Klar können die mehr, aber 3kV könnten doch etwas viel sein oder?
Wenn da jetzt nen denkfehler drinne ist, klär mich doch bitte einer auf (hab nich so den Plan von Hochspannung,...interessiert mich jetzt aber).
Was würd denn dagegen sprechen statt dem Trafo ne KFZ Zündspule zu nehmen?
|
BID = 129983
Benedikt Inventar
      Beiträge: 6241
|
Gegen eine KFZ Zünspule spricht eigentlichg nichts, nur das diese warscheinlich etwas oversized ist.
@laurel1
Hast du die Widerstände mal durch Potis ersetzt und diese mal etwas verdreht ?
Je nach Tastverhältnis und Frequenz kann sich eine Menge verändern.
Ich hatte mal eine KFZ Zündspule so optimal abgestimmt, dass sie einen 5cm Dauerlichtbogen erzeugt hat und in 5m Entfernung im Nebenraum einen Anrufbeantworter zerstört hat.
|
BID = 129987
perl Ehrenmitglied
       
Beiträge: 11110,1 Wohnort: Rheinbach
|
Mit einem Netztrafo kann das auch nicht gehen, weil der keinen Luftspalt hat und deshalb keine Energie speichert.
_________________
Haftungsausschluß:
Bei obigem Beitrag handelt es sich um meine private Meinung.
Rechtsansprüche dürfen aus deren Anwendung nicht abgeleitet werden.
Besonders VDE0100; VDE0550/0551; VDE0700; VDE0711; VDE0860 beachten !
|
BID = 130106
martin02 Stammposter
   
Beiträge: 496
|
Habe auch mal eine solche Schaltung gebaut, mit ähnlichen Ergebnissen. Außerdem ging der Endtransistor andauernd kaputt, wegen der Induktionsspannung. Habe einen Schalt- Mosfet aus PC Netzteil genommen, die schaltung leicht geändert -> plötzlich bis zu 2 cm Funken!!! Der schaltet bei harter Ansteuerung nämlich sehr schnell. Aber auch schnell den Trafo durchgehauen, 220 Volt Wicklungen sind nicht für Hochspannung! Bei Ebay bekommt man bestimmt billig Gas Zündgeräte.
|
BID = 130162
laurel1 Aus Forum ausgetreten
|
Hallo,
danke für die vielen und schnellen Antworten!
Ebay kannste in diesem Fall vergessen, Zündgeräte gibt es da schon, aber die passen nicht für ne Truma.
Zündspule wäre ok, passt aber von der Größe her nicht.
Es gibt doch diese kleinen Zündspulen für Blitzröhren, wäre das evtl. ne Möglichkeit?
Beste Grüße
Peter, der trotzdem gleich mal Potis reinsetzt und einfach mal schaut
|
BID = 130193
Benedikt Inventar
      Beiträge: 6241
|
An sich ja, aber der Strom den diese Dinger liefern ist extrem gering. Da ist sogar der Funke eines Feuerzeugs größer.
Und wenn man Dauerleistung drauf gibt brennen die Dinger ziemlich schnell ab.
Versuch mal ein paar andere Trafos an die Ansteuerschaltung anzuschließen. Das muss besser gehen als die <1mm...
|