| Autor |
|
|
|
BID = 118871
TheME Gelegenheitsposter
 
Beiträge: 94
|
|
Was wäre, wenn ich spezielle USV-Akkus verwenden würde. Die sind auch hochstromfähig.
Das sind ja auch Blei(-Gel)-Akkus, oder nicht? |
|
BID = 118884
Benedikt Inventar
      Beiträge: 6241
|
|
Ich dachte du brauchst nur 5A ?
Für was dann Spezialakkus die >20A liefern ? |
|
BID = 118905
TheME Gelegenheitsposter
 
Beiträge: 94
|
Ich brauche nur 2A!
Bernddi hatte doch von Bleiakkus abgeraten und stattdessen NiCD empfohlen.
Kann ich nun einen 'normalen' Blei(-gel)-Akku (3Ah oder 7Ah) verwenden oder nicht?
|
BID = 118917
Benedikt Inventar
      Beiträge: 6241
|
Ein Bleiakku ist eigentlich für alles gut geeignet:
Einfache Ladung, hohe Strombelastung, hohe Energiedichte usw.
Nur das Gewicht ist etwas von Nachteil, aber das ist bei dir ja egal.
Nimm einen 7,2Ah Bleigelakku, der reicht.
|
BID = 118940
TheME Gelegenheitsposter
 
Beiträge: 94
|
Bernddi hatte gesagt, dass die Entladung (2A) bei einem 3Ah-Akku anstatt angenommenen 1.5h nur 0.75h dauern würde.
Darf ich nun bei den 7Ah-Akku annehmen, dass die Entladung 'echte' 3.5h dauert?
|
BID = 118978
Benedikt Inventar
      Beiträge: 6241
|
Nein, nicht ganz.
Die Entladung bezieht sich meist auf 20h.
Wenn du bei einem 7Ah Akku z.B. nur 100mA entnimmst, dann hält er keine 70h sondern warscheinlich um die 100.
Umgekehrt gilt das natürlich auch:
Wenn du 7A entnimmst, hält er keine Stunde, sondern eher 30-45minuten.
|
BID = 118992
TheME Gelegenheitsposter
 
Beiträge: 94
|
Schadet es denn dem Akku?
Ist es eigentlich besser den Akku NUR aufzuladen oder nebenbei auch etwas zu belasten?
Möglich wäre nämlich auch der Einsatz eines 6V-Akkus. Der würde dann über eine passende Beschaltung geladen werden.
Gleichzeitig würde man über einen Step-Up-Regler dem Akku Spannung entnehmen und auf saubere 12V stabilisieren.
Natürlich ist dann darauf zu achten, dass die zugeführte Ladung nicht weniger ist als die Entnommene.
|
BID = 119504
TheME Gelegenheitsposter
 
Beiträge: 94
|
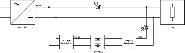
Hier hab ich mal ein Blockschaltbild meines Plans:
Zum Einsatz kommt ein 6V-Akku.
PS: Ich bitte noch um Antworten auf Fragen aus meinem vorherigen Post. DANKE
|
BID = 119993
TheME Gelegenheitsposter
 
Beiträge: 94
|
Um die vollte Power des Akkus nutzen zu können, sollte doch folgende Schaltung (Blockbild) ab besten geeignet sein, ?
Der Akku wird über ein eigenes Ladegerät geladen. Wenn der Akku voll ist, wird der Ladevorgang gestoppt.
Der Akku wird vom Ladegerät überwacht und ggf. wieder nachgeladen.
Wäherenddessen läuft ein Step-Up-Regler (Wirkungsgrad ca. 90%), der die Akkuspanung soweit hochsetzt, damit ein nachgeschalteter Spannungsregler die Spannungs auf raubere 12V stabilisieren kann.
So würden meiner Meinung nach viele Probleme beseitigt werden- und die automatische Netz/Akku-Umschaltung ist auch schon drin.
In diesem Fall würde ich dann wieder zum guten alten 12V-Bleiakku tendieren.
Wie gefällt es denn dem Akku, wenn man ihn zyklisch für kurze Zeit entlädt und dann wieder nachlädt?
Anregungen/Kritik?
|
BID = 120106
Benedikt Inventar
      Beiträge: 6241
|
Wiso auf einmal wieder so kompliziert ?
Nimm die MOSFET Spannungsbegrenzung, so das die Ausgangsspannung immer auf max. 12,5V begrenzt wird.
Da ganz du auf den StepUp Wandler verzichten, und du hast ca. 25% längere Laufzeit.
Wichtiger ist aber ein Tiefentladeschutz, die den PC abtrennt wenn die Spannung unter 10,5V sinkt.
Am besten für den Akku ist es, wenn du ihn duaerhaft mit einer Temperaturkompensierten Spannung lädst.
Als Spannungsregler eignet sich z.B. der L200, da dieser sowohl eine Strombegrenzte, als auch eine getrennte Spannungsreglegung hat. Der Spannungsteiler für die Spannung muss also nicht direkt am Regler liegen, sondern du kannst eine Diode dazwischen schalten. Der Spannungsabfall der Diode wird ausgeglichen.
Da du mehr als 2A benötigst, musst du einen zusätzlichen Transistor verwenden, aber das ist alles im Datenblatt erklärt. Den Strom würde ich auf etwa 0,5-1A mehr einstellen, als der PC benötigt.
|
BID = 120301
TheME Gelegenheitsposter
 
Beiträge: 94
|
Es ist je genau das, dass die Spannung mit dem MosFet 'begrenzt'.
Die Spannung dafr auf keinen Fall auf <11.6V fallen.
Der PC müsste dann also bei einer Klemmenspannung am Akku von <12V den Beenden-Vorgang einleiten.
Meine Frage: Zu wieviel % ist der Akku noch voll, wenn er unter Last (ca. 2A) eine Klemmenspannung von 12V hat?
Und noch was genz anderes: Was für einen Wirkungsgrad hat eigentlich ein Transformator?
Schaltnetzteile haben ja so ca. 70%. Ein Trafo wird das nicht toppen können, oder?
|
BID = 120313
CABAL Neu hier

Beiträge: 47
|
sowas ähnliches wie deine trafo frage hatte ich auch mal gestellt ( also ich wollte wissen welche parameter über den wirkungsgrad bei einer transformation entscheiden ) und da kam raus, das es von vielen faktoren abhängig ist: von dem kernmaterial
den ausmaßen des trafos
der frequenz mit der transformiert wird usw......
also das ist ne sache bei der man wohl ( soweit ich das verstanden habe !! bin anfänger !!! ) keine allgemeine aussage treffen kann..... in nem buch von mir stand das viele trafos wohl einen kopplungsfaktor nahe 1 haben ich könnte mir vorstellen das das gleiche ist bzw ne ähnliche aussage macht wie der wirkungsgrad....
|
BID = 120329
Benedikt Inventar
      Beiträge: 6241
|
Zitat :
TheME hat am 28 Okt 2004 17:26 geschrieben :
|
Es ist je genau das, dass die Spannung mit dem MosFet 'begrenzt'.
Die Spannung dafr auf keinen Fall auf <11.6V fallen.
Der PC müsste dann also bei einer Klemmenspannung am Akku von <12V den Beenden-Vorgang einleiten.
|
Wenn du das machst, hast du eine effektive Betiebsdauer von rund 30 Minuten.
Zitat :
|
Meine Frage: Zu wieviel % ist der Akku noch voll, wenn er unter Last (ca. 2A) eine Klemmenspannung von 12V hat?
|
Bei 12V hat der Akku noch >60%
Bei 11,6V etwa noch etwa 40%. Sind die 11,6V wirklich so kritisch ? Meinen Laptop betreibe ich auch mit 12V statt mit den 18V laut Aufdruck..
Wenn du bis 11V zulässt, dann kannst du den Akku bis auf etwa 20% entladen. Der Akku hält dan etwa 3 Stunden.
Alle Angaben für einen 12V 7,2Ah Panasonic Akku.
Zitat :
|
Und noch was genz anderes: Was für einen Wirkungsgrad hat eigentlich ein Transformator?
Schaltnetzteile haben ja so ca. 70%. Ein Trafo wird das nicht toppen können, oder?
|
Ein Trafo hat zwischen 0% (im Leerlauf, bzw. 50% bei Vollast bei kleinen Trafos) bis hin zu >99% bei Trafos im Umspannwerk.
Die 70% bei einem Schaltnetzteile gelten für Consumer Typen. Man kann auch welche mit >90% bauen, ist dann aber etwas teurer.
Normale Netztrafos haben so rund 70%+/-20%...
|
BID = 120385
TheME Gelegenheitsposter
 
Beiträge: 94
|
Ob 11.6V kritisch sind, kann ich leider nicht sagen.
So steht es im Datenblatt.
Ich werde aber mal versuchen mich schlauzumachen.
|
BID = 120460
TheME Gelegenheitsposter
 
Beiträge: 94
|
Ich hab gerade folgendes gefunden:
Statt dem Mainboard EPIA-TC, welches ich eigentlich nehmen wollte, könnte ich auch das EPIA-MS verwenden (Datenblatt: http://www.viaembedded.com/product/.....0.pdf(2,6MB)).
Da das Mainboard aber nur einen Standard-ATX-Anschluss hat, müsste man dann noch folgende DC/DC-Wandlerplatine vorschalten:
Bild eingefügt
Die Vorschaltplatine von www.Mini-box.com hat eine Eingangsspannung von 12V ±15%.
Das sollte doch reichen, oder?
Lt. Meiner Rechnung sind dann Spannungen von 10.2-13,8V möglich.
|