| Autor |
VGA mit Microcontroller Suche nach: vga (1376) |
|
|
|
|
BID = 96874
MicroTobi Gesprächig
  
Beiträge: 141 Wohnort: Herrenberg
|
|
Danke!
Also mit 25€ wäre man wahrscheinlich bei der anderen Lösung nicht davon gekommen
Nur noch eine Frage zum Programm:
Du hast für R, G und B jeweils nur 1ne Leitung??
Man braucht doch insgesamt 8bits für den RAMDAC, oder?
Oder willst du nur 8 verschiedene Farben anzeigen???
Würde mich sehr über Hilfe freuen!
Gruß Tobi |
|
BID = 96880
Benedikt Inventar
      Beiträge: 6241
|
|
Das ist ja auch nur ein einfacher Test, genausogut könnte man einen RAMDAC an PortD hängen. Wenn DOS im 8 Farben Modus läuft, kommt es auf dasselbe raus.
Hier noch ein einfaches Grafikdemo für einen AT90S2313.
Ich habe jetzt alle Flimmererscheinungen usw. behoben. Das Bild ist jetzt super scharf, und ich erreiche etwa 50x30 Pixel (mehr passt nicht in den 2k Flash). Theoretisch schafft der AVR auch 50x480 Pixel bei 256 Farben. |
|
BID = 96885
MicroTobi Gesprächig
  
Beiträge: 141 Wohnort: Herrenberg
|
Scheint ja gut zu funktionieren, jetzt müsste ich nurnoch einen RAMDAC haben, dann könnte man den Schaltplan mal zeichnen  Nur eine Frage hab ich immernoch: Wäre es möglich die Grafikkarte auf einer Streifenraster oder Lochraster Platiene aufzubauen??
Würde mich sehr über Hilfe freuen!
Gruß Tobi
|
BID = 96886
MicroTobi Gesprächig
  
Beiträge: 141 Wohnort: Herrenberg
|
Scheint ja gut zu funktionieren, jetzt müsste ich nurnoch einen RAMDAC haben, dann könnte man den Schaltplan mal zeichnen  Nur eine Frage hab ich immernoch: Wäre es möglich die Grafikkarte auf einer Streifenraster oder Lochraster Platiene aufzubauen??
Würde mich sehr über Hilfe freuen!
Gruß Tobi
|
BID = 96889
Benedikt Inventar
      Beiträge: 6241
|
Den Schaltplan dazu kannst du auch zeichnen, wenn du das IC noch nicht hast...
Das Datenblatt hatte ich ja schonmal hochgeladen:
https://forum.electronicwerkstatt.d....._.pdf
Ein Aufbau auf Lochraster ist kein Problem, man sollte aber alle Leitungen mit hohen Frequenzen möglichst kurz halten.
Hier noch ein Datenblatt vom FIFO
|
BID = 96897
MicroTobi Gesprächig
  
Beiträge: 141 Wohnort: Herrenberg
|
Ok, dann werde ich mal anfangen einen Schaltplan zu zeichnen, falls ich es schaffen sollte
Gruß Tobi
|
BID = 96923
Benedikt Inventar
      Beiträge: 6241
|
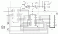
Hier mal der Schaltplan von meinem TV Bild Generator mit 512x256 Pixel und 128k VRAM.
Wegen der Einfachheit wäre 512x512 anstelle von 640x480 wohl besser (Ein Zähler bis 640 ist eben etwas schwieriger).
Im VRAM ist ein Teiler durch 256 eingebaut. Mit einem halben 74HC74 wird er nochmals durch zwei geteilt um auf 512 zu kommen.
Der AVR rechts oben erzeugt die Sync Impulse, die das ganze Timing steuern. Die restliche Schaltung richtet sich nach den Impulsen.
Die Sync Signale bestehen aus HSync, VSync und Blank (ist immer dann aktiv wenn HSync oder VSync aktiv ist, und zusätzlich noch etwas länger.
Wird Blank abgeschaltet, beginnt das Bild. Das Flipflop wird gesetzt, der Pixeltakt zum VRAM eingeschaltet. Nun werden 512Pixel ausgegeben. Dann wird das FIFO vom Teiler wieder zurückgesetzt.
So wird das ganze Bild ausgegeben. Am Ende des Bildes wird das VSync Signal erzeugt, das einen Interrupt im uC auslöst, der den Adresszähler wieder auf 0 setzt.
|
BID = 96942
MicroTobi Gesprächig
  
Beiträge: 141 Wohnort: Herrenberg
|
[ Diese Nachricht wurde geändert von: MicroTobi am 31 Aug 2004 14:19 ]
|
BID = 96943
MicroTobi Gesprächig
  
Beiträge: 141 Wohnort: Herrenberg
|
Oh, ich glaube, dass das mit Streifenraster etwas zu kompliziert wird. Dann ätz ich die Platiene leiber
Könnte ich diese Schaltung theorethisch benutzen???
Würde mich sehr über Hilfe freuen!
Gruß Tobi
|
BID = 97082
Benedikt Inventar
      Beiträge: 6241
|
Ich würde alles auf Lochraster aufbauen, denn die erste Version läuft sicher nicht. Bei Lochraster kann man alles Problemlos ändern, bei einer geätzen Platine nicht...
Die Adressleitungen weglassen, einen externen Zähler/Teiler ansonsten müsste man den Rest verwenden können.
|
BID = 97090
MicroTobi Gesprächig
  
Beiträge: 141 Wohnort: Herrenberg
|
Ok, dann werde ich mir den Schaltplan mal genauer ansehen.
Da ich morgen in Urlaub fahre, habe ich genug Zeit mir einen Schaltplan zu zeichnen
Gruß Tobi
|
BID = 102145
MicroTobi Gesprächig
  
Beiträge: 141 Wohnort: Herrenberg
|
Hallo, ich bin wieder da
Wollte im Urlaub eigentlich einen Schaltplan zeichnen, hat aber leider nicht ganz hingehauen, da ich des noch ned so ganz kapiert hab, deswegen wollt ich fragen, ob es einen fertigen Schaltplan irgendwo gibt???
Würde mich sehr über Hilfe freuen
Gruß Tobi
|
BID = 102160
Benedikt Inventar
      Beiträge: 6241
|
Sowas gibts wohl kaum irgendwo.
Versuch mal bei Ebay eine Matrox PCI Grafikkarrte zu bekommen (bzw. schick mir vorher die Links falls Bilder dabei sind, dann kann ich sagen ob die Dinger brauchbare VRAMs enthalten).
Zu VRAMs habe ich ja den Schaltplan schon mal gepostet.
Mit 256kB VRAMs (manchmal auch 16bit: 256kx16) kommst auf immerhin 512x512 Pixel
|
BID = 102571
MicroTobi Gesprächig
  
Beiträge: 141 Wohnort: Herrenberg
|
Ja danke,
werd dann mal schauen!
Gruß Tobi
|
BID = 104565
Fabian Schmitz Gerade angekommen
Beiträge: 2
|
Hi,
@ Benedikt und MicroTobi:
Bin heute durch Zufall auf diesen Thread gestoßen.
Schaut euch doch mal diesen Link
an:
http://www.fpga4fun.com/PongGame.html
Da wird die Ansteuerung eines CRT Multiscan Monitors mit einem kleinen FPGA erklärt. Allerdings nur mit jeweils 1 Bit pro Farbe, d.h. 8 Farben. Da könnte man mit entsprechenden DACs oder Widerstandsnetzwerken die Farbtiefe erhöhen.
Gruß
Fabian
|