Phono Vorverstärker und Audio Switch Elektronisch -Brummen über Audio Im Unterforum Projekte im Selbstbau - Beschreibung: Selbstbau von Elektronik und Elektro
| Autor |
Phono Vorverstärker und Audio Switch Elektronisch -Brummen über Audio Suche nach: audio (2559) switch (1547) audio (2559) |
|
|
|
|
BID = 1007825
andre-jaeger@gmx.net Neu hier

Beiträge: 24 Wohnort: Schweinfurt
|
|
Phono Vorverstärker und Audio Switch Elektronisch -Brummen über Audio
Ich hab mir aus paar Platinen einen Phonovorverstärker zusammen gebaut.
Trafo:
Print Ringkerntrafo, 10 VA
Primär: 2x 115 V
Sekundär: 2x 12 V
Hersteller: TALEMA
Wirkungsgrad: 82 %
Leerlaufstrom: 3,0 mA
Prüfspng.: 4 kV
Temperaturbest.: T60/E
Temp.anstieg b. Nennlast : 24 K
Sicherung 230V T: 80 mA
Isolationsklasse: A (105°C) B (125°C)
Gewicht : 252 g
Link:
https://www.reichelt.de/Ringkerntra.....%252A
dann einen Elektronischen Umschalter
Link:
http://www.ebay.de/itm/4-Kanal-Ster.....=true
und eine DUAL OP AMP Phonostufe MM
Link:
http://www.ebay.de/itm/DUAL-OP-AMP-.....=true
mein Problem ist jetzt, betreibe ich die Phono Vorstufe allein habe ich nur bei starker Lautstärke ein leichtes Brummen, was jetzt aber nicht so gravierend wäre. Ist also noch im Bereich des erträglichen, da ich meist eh nie so aufdrehen kann.
Schließe ich den Elektronischen Audio umschalter mit an, der auch einen AC Eingang hat, habe ich ein echt krasses Brummen.
Klemme ich den Plattenspieler dort an und verbinde die Masse mit dem Phonoverstärker ist es ein ganzes Stück leiser aber trotzdem noch lauter als wenn ich nur über die Phonovorstufe gehe.
Ich hab ein Kabel am Wasserhahn gewickelt und und bin auf einen der Elkos oben drauf gegangen, auf dieser Audio Umschalt Platine, dann war das Brummen ein Wahnsinns stück leiser. 1 Bild Oben links der 1 Elko
Hat jemand ne Ahnung woran das liegen kann, weiß mir jetzt nicht zu helfen?
Viele Grüße
Siehe Fotos!
[ Diese Nachricht wurde geändert von: andre-jaeger@gmx.net am 11 Dez 2016 21:27 ] |
|
BID = 1007838
Mr.Ed Moderator
      
Beiträge: 36324 Wohnort: Recklinghausen
|
|
Da kommen mehrere Punkte zusammen. Zum einen wirst du dir da u.U. Masseschleifen gebastelt haben, zum anderen, und das ist deutlich schlimmer, fehlt dem Vorverstärker seine Masseverbindung!
Im Schaltbild ist ein Trafo mit 2X15V gezeichnet, du benutzt 1x12V. Das wird so nichts.
Der Verstärker bekommt weniger als die Hälfte der benötigten Betriebsspannung, die Masse schwebt irgendwo bei ca. 6V rum, statt auf einem definierten Potential zu hängen. Aus den ca. 6V können die Regler auf der Vorverstärkerplatine auch keine sauberen 2x12V erzeugen. Das ist schlicht und einfach ein falscher Aufbau und ein falscher Netztrafo.
Was ebenfalls nicht geht ist der Netzanschluss! Der ist viel zu nah an den restlichen Bauteilen, im Fehlerfall besteht da Lebensgefahr. Der muß da weg.
Was den Rest angeht, was soll das werden, ein Phonovorverstärker für 4 Tonabnehmer?
_________________
-=MR.ED=-
Anfragen bitte ins Forum, nicht per PM, Mail ICQ o.ä. So haben alle was davon und alle können helfen. Entsprechende Anfragen werden ignoriert.
Für Schäden und Folgeschäden an Geräten und/oder Personen übernehme ich keine Haftung.
Die Sicherheits- sowie die VDE Vorschriften sind zu beachten, im Zweifelsfalle grundsätzlich einen Fachmann fragen bzw. die Arbeiten von einer Fachfirma ausführen lassen.
[ Diese Nachricht wurde geändert von: Mr.Ed am 12 Dez 2016 8:21 ] |
|
BID = 1007867
andre-jaeger@gmx.net Neu hier

Beiträge: 24 Wohnort: Schweinfurt
|
Danke für deine Antwort!
Es stimmt das da 15 Volt aufgedruckt ist, das ist aber schon das Maximum!
1. Der Phonoverstärker läuft in einem Bereich von AC 12-15 Volt Max.
2. Die Audio Switch Platine läuft auch in einem Bereich von AC 12-15 Volt Max.
3. Der Trafo hat eine Leerlaufspannung von AC 14,6 Volt unter Last noch ca. 13 Volt. ( Ich hatte den größeren Bruder zuerst dran, der unter Last ca. 15/16 Volt bereit stellt, mit dem lief die Schaltung aber nicht mehr, der Grund war, das die Platine wenig Strom benötigt und der 15 Volt Ringkern Trafo erst gar nicht in seine eigentliche Betriebsspannung von 15 Volt kommt, er bleibt in der Leerlaufspannung von 17,8 Volt, was dann viel zu hoch ist. Die Schaltung schalten sich dann auch ab und geht nicht.)
Link zum 15 Volt trafo:
https://www.reichelt.de/Ringkerntra.....25215
Ich habs gemessen mit und ohne Betrieb, der derzeitig angeschlossene Trafo läuft mit 14,1 Volt AC und kommt gar nicht auf seine Betriebsspannung von 12/13 Volt!
Daher ist er wohl mehr als ausreichend!
4. Ich habs mit einem normalen Trafo ausprobiert (Extern mit zu Leitung), kein Ringkern, und auch kein Unterschied, dieser Trafo hat 12 Volt AC und eine Leerlaufspannung von 13,8 Volt, 900mA, dieser läuft an die Schaltung Angeschlossen mit 13,2 Volt ca. Es macht weder hörbar noch Brumm Geräusch mäßig keinen Unterschied!!!
(Die Platinen laufen also am Besten mit einer Spannung von 13-14 Volt, alles was unter 12 und über 15 Volt ist mögen sie nicht und verweigern den Dienst.)
Sehen wir also mal davon ab das die etwas unglücklich derzeit verbaute 220Volt Netzanschlussdose zu nah an der Audio Switch Platine ist, macht es denn noch keine Unterschied, das diese Audio Switch Platine Brummt wie Sau, vielleicht hat die ja einen Schuss?!?! Sobald ich aber die Chich Kabel von Plattenspieler rein stöpsel ist das Brummen an ganzes stück ruhiger, nur wenn ich dann Lauter mache hört man es einfach zu extrem. Schalte ich die Audio Switch Platine auf dem B Kanal oder C/D, ist das Brummen wieder wahnsinnig hoch. Wird auch erst leiser nach dem ich einen anderen Plattenspieler daran anschließe. Aber weg ist es nie!
Sorry das ich viel Schreibe aber ich muss ja erklären was ich getestet habe!
Zu den 6 Volt, komme ich gar nicht, wie du gemeint hast, da die Platinen sehr wenig Leistung abfordern, habs gemessen im Leerlauf und unter Betrieb.
Ich hab noch einen einfachen Phonovorverstärker, der hat nur eine DC Zuleitung mit 14 Volt, also nicht AC. Der Netzstecker von dem Trafo ist Extern, wie verhält sich das dann da mit der Masse?
Und wie soll ich mit der Masse umgehen bei dem reinen AC Netzteil? Oder woher bekomme ich die?
(An den Platinen selbst ist kein wirklicher Masse Anschluss vorhanden, nur an der Phonoplatine für den Plattenspieler, die auch funktioniert wenn ich sie mit dem Dreher verbinde)
Warum ich eine umschaltbare Audio Switch Platine verbauen möchte, weil ich 4 Plattenspieler habe und nicht jedesmal umstecken möchte.
|
BID = 1007871
Mr.Ed Moderator
      
Beiträge: 36324 Wohnort: Recklinghausen
|
Der Verstärker braucht eine symmetrische Spannung aus einem Trafo mit Anzapfung. Den Anschluss dafür hast du leergelassen! Das Lötauge ist nicht da, weil der Chinamann noch welche überhatte. Da muß die Anzapfung angeschlossen werden.
Schau dir das Schaltbild doch mal an!
Zitat :
| | er Grund war, das die Platine wenig Strom benötigt und der 15 Volt Ringkern Trafo erst gar nicht in seine eigentliche Betriebsspannung von 15 Volt kommt, er bleibt in der Leerlaufspannung von 17,8 Volt, was dann viel zu hoch ist. Die Schaltung schalten sich dann auch ab und geht nicht |
Das ist völliger Schwachsinn! Hinter der Gleichrichtung sind nicht umsonst 2 Spannungsregler. Die eigentliche Schaltung wird mit +/- 12V betrieben, daher muß der Trafo mehr 3V mehr als diese 12V liefern. Zwischen den beiden äußeren Anschlüssen brauchst du also ca. 30V Wechselspannung, zwischen den äußeren und der Mittelanzapfung ca. 15V Wechselspannung.
Zitat :
| | vielleicht hat die ja einen Schuss?!?! |
Die hat keinen Schuss, der Fehler sitzt davor, hat den Lötkolben in der Hand und nicht verstanden, was eine symmetrische Spannung ist.
Auf der Umschalteplatine sind 4 Relais drauf, das ist keine Raketenwissenschaft.
Bei Vorverstärkern mit externen Netzteilen gibt es andere Möglichkeiten, diese symmetrische Spannung zu erzeugen. Das ist auch nicht unbedingt nötig, man kann die Schaltung auch anders auslegen.
Dein Vorverstärker braucht aber eine symmetrische Spannung, die du ihm nicht lieferst.
EDIT:
Schau dir mal das Fertiggerät an: http://www.ebay.de/itm/Germany-DUAL.....a1ed8
4 Adern vom 15V liefernden Trafo. Nicht aus Spaß, sondern weil sie nötig sind.
_________________
-=MR.ED=-
Anfragen bitte ins Forum, nicht per PM, Mail ICQ o.ä. So haben alle was davon und alle können helfen. Entsprechende Anfragen werden ignoriert.
Für Schäden und Folgeschäden an Geräten und/oder Personen übernehme ich keine Haftung.
Die Sicherheits- sowie die VDE Vorschriften sind zu beachten, im Zweifelsfalle grundsätzlich einen Fachmann fragen bzw. die Arbeiten von einer Fachfirma ausführen lassen.
[ Diese Nachricht wurde geändert von: Mr.Ed am 12 Dez 2016 15:02 ]
|
BID = 1007875
andre-jaeger@gmx.net Neu hier

Beiträge: 24 Wohnort: Schweinfurt
|
ok ich weiß auf was du hinaus willst, da hab ich also mist gebaut...
ok, wie kann ich das bitte beheben, kannst du mir einen günstigen Trafo empfehlen, der dafür geeignet ist?
und wie schließe ich das ganze dann an und auch die audio switch Platine?
ich kenne mich da zu wenig aus, hatte nur den Phonoverstärker etwas günstiger geschossen in ebay, und dachte mir das ich nicht wieder 100 Euro ausgeben muss, jetzt komme ich natürlich viel höher
falsch gedacht...
aber ich kann den Phonoverstärker empfehlen, der klang ist wirklich gut, trotz das ich ihn falsch angeschlossen habe. ich denke wenn das dann richtig angeschlossen ist ist das leise brummen von der Phonoplatine wohl auch weg bei höherer Lautstärke. aber die switch Platine brummt echt sehr laut, die hat aber auch nur 2 Anschlüsse, so ganz blicke ich da jetzt noch nicht durch...
daher wäre ich für deine Hilfe echt dankbar.
|
BID = 1007876
rasender roland Schreibmaschine
    
Beiträge: 1791 Wohnort: Liessow b SN
|
Dein Trafo hat doch zwei Sekundarwicklungen.
Schalte die beide in Reihe und geh mit den 3 Adern zum Phonoverstärker.
Von der Umschaltplatine zum Amp geht man besser mit geschirmter Leitung wenn gleich daneben der Netztrafo sitzt.
_________________
mfg
Rasender Roland
|
BID = 1007877
andre-jaeger@gmx.net Neu hier

Beiträge: 24 Wohnort: Schweinfurt
|
Zitat :
rasender roland hat am 12 Dez 2016 15:51 geschrieben :
|
Dein Trafo hat doch zwei Sekundarwicklungen.
Schalte die beide in Reihe und geh mit den 3 Adern zum Phonoverstärker.
Von der Umschaltplatine zum Amp geht man besser mit geschirmter Leitung wenn gleich daneben der Netztrafo sitzt.
|
ok DANKE! -welchen soll ich nehmen?
ich hatte diesen 1 bestellt und dann den 2ten mit 12 Volt:
15 volt Leerlaufspannung 2x 17,8 V <--- wo die schaltung bei 1x 17,8 volt anschliessen ja nicht mehr lief, deshalb bestellte ich ja den 12 Volt Ringkern mit der Leerlaufspanung von 14,xx
https://www.reichelt.de/Ringkerntra.....25215
12 Volt
https://www.reichelt.de/Ringkerntra.....&
PDF! Bild 2 sind die Pis zu sehen wie verdrahte ich das ganze!
Hey echt sorry, aber ich hab da zu wenig Backround Wissen, mit dem Zeug hab ich noch nicht viel gemacht und werde mich da auch mal belesen. aber wenns mir jemand zeigt bekomme ich es hin, danke!
PS: hab mal gegoogelt aber alles was ich mit Symmetrisch und OV Spannung gefunden habe, ging immer wieder auf Gleichstrom!??! ICh brauche doch AC mit OV, nicht DC. und genau 3 Leitungen nehm ich an, mittlere OV.
nutzt mir sowas was?
http://www.elv.de/velleman-k8042-sy......html
|
BID = 1007879
andre-jaeger@gmx.net Neu hier

Beiträge: 24 Wohnort: Schweinfurt
|
Zusatz derzeitige Verdrahtung :
|
BID = 1007881
der mit den kurzen Armen Urgestein
     
Beiträge: 17437
|
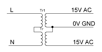
Sorry kauf dir Stricknadeln und lerne Stricken! Dein Verstärker benötigt als Eingangsspannung eine symmetrische Wechselspannung von 2 *15V und arbeitet intern mit einer symmetrischen Gleichspannung von +12V nach GND und -12V nach GND!
Edit: so wird dein Ringkerntrafo beschaltet!
Der Verstärker macht daraus die internen Versorgungsspannungen von +12V und -12V Dafür sind der Gleichrichter und die beiden Spannungsregler da
[ Diese Nachricht wurde geändert von: der mit den kurzen Armen am 12 Dez 2016 17:01 ]
|
BID = 1007883
Mr.Ed Moderator
      
Beiträge: 36324 Wohnort: Recklinghausen
|
Der Chinamann hat es doch aufgezeichnet und rasender roland hat es nochmal erklärt. Noch einfacher kann man es dir doch wirklich nicht machen!
Du brauchst keine Zusatzschaltung, die Gleichrichtung, Siebung und Regelung ist doch auch der Platine drauf, optisch recht üppig ausgelegt damit es nach was hochwertigem aussieht.
Der kleine Rest ist dann die simple Vorverstärkerschaltung, recht einfach ausgelegt, so wie in den üblichen Geräten zu finden.
Vielleicht solltest du dir erstmal Grundlagen aneignen bevor du versuchst irgendwas selber zu basteln.
Und denk an die Netzbuchse, der Aufbau so ist lebensgefährlich!
Und wenn das ganze offen betrieben werden soll, die Holzplatte als Gehäuse lässt böses erahnen, dann bau das Netzteil in ein externes Gehäuse ein.
_________________
-=MR.ED=-
Anfragen bitte ins Forum, nicht per PM, Mail ICQ o.ä. So haben alle was davon und alle können helfen. Entsprechende Anfragen werden ignoriert.
Für Schäden und Folgeschäden an Geräten und/oder Personen übernehme ich keine Haftung.
Die Sicherheits- sowie die VDE Vorschriften sind zu beachten, im Zweifelsfalle grundsätzlich einen Fachmann fragen bzw. die Arbeiten von einer Fachfirma ausführen lassen.
|
BID = 1007884
andre-jaeger@gmx.net Neu hier

Beiträge: 24 Wohnort: Schweinfurt
|
O Man hackt nicht gleich so auf mir rum Jungs, ihr habt auch nicht immer gleich alles gewusst, was meint ihr warum ich euch Profis Frage?
Dafür kann ich sehr gut Modellhubschrauber bauen und die Elektronik verlöten, verbauen/ umbauen und auch Flugunterricht geben
In der Richtung habe ich halt noch nicht viel gemacht.
OK DANKE!
Die linke Seite war ja richtig, die rechte Seite schließe ich nun mal anders an.
Wie auf dem Bild gezeigt!
Aber ihr habt trotzdem was vergessen! Was mach ich mit der Audio Schaltplatine?!?!? die 2 Leitungen AC Eingang, nehm ich den Strom dann einfach ab und geh auch darauf nur für die Dritte Leitung gibst keinen Anschluss, ich frag ja nur wegen dem Brummen? Oder sollte das dann weg sein wenn ich so verdrahtet habe und ohne OV darauf gehe? -und nicht gleich wieder schlagen! *LACH*
|
BID = 1007889
andre-jaeger@gmx.net Neu hier

Beiträge: 24 Wohnort: Schweinfurt
|
ok ich hab das jetzt so geschaltet wie auf dem Foto, hab den Trafo mit 2x 12 Volt Ausgang genommen.
Jetzt zeigt das Messgerät aber 28,8 Volt an und auf der Platine steht doch 15v ?!?!?
Die Mittlere Leitung hat 14,4 Volt gemessen von den Äußeren Anschlüssen aus, egal ob oben oder unten.
Passt das so kann ich damit auf die Platine ohne das sie ins Nirwana geht, oder wird der Strom durch 2 geteilt?
Oder Messe ich falsch? Darf ich nur den Wert nehmen von der Mitte nach Außen und hab dann die 14,4 Volt jeweils unten und Oben. Und wenn ich die 2 Außenleiter Messer die 28 Volt, dann stimmt das wohl so? Mich verwirrt halt der Aufdruck auf der Platine, links und Rechts von 15 Volt...
[ Diese Nachricht wurde geändert von: andre-jaeger äht gmx.net (automatisch editiert wegen spamgefahr) am 12 Dez 2016 17:54 ]
EDIT: Sinnloses Vollzitat gelöscht.
[ Diese Nachricht wurde geändert von: Mr.Ed am 12 Dez 2016 18:13 ]
|
BID = 1007890
Mr.Ed Moderator
      
Beiträge: 36324 Wohnort: Recklinghausen
|
Da steht 2x15V das ergibt 30, damit passt das. Du hast es offenbar immer noch nicht begriffen!
Die mittlere Leitung hat nicht 14,4V, die hat 0V, das ist dein Bezugspunkt und daher kommt diese Leitung an den 0V Anschluss der Platine, so wie es der Chinese gezeichnet hat.
Die anderen Leitungen haben 14,4V gegenüber dieser Leitung.
Stell dir das wie ein Haus vor. 0V ist der Erdboden. Der Keller hat -2,50m, das erste Stockwerk + 2,5m
Wenn du den Keller stehst und da nun sagst, hier sind 0m, dann ist der Eingang auf +2,5m und der erste Stock auf 5m.
Wie sieht die Schaltung der Umschaltplatine aus?
[ Diese Nachricht wurde geändert von: Mr.Ed am 12 Dez 2016 17:59 ]
|
BID = 1007891
andre-jaeger@gmx.net Neu hier

Beiträge: 24 Wohnort: Schweinfurt
|
Zitat :
Mr.Ed hat am 12 Dez 2016 17:53 geschrieben :
|
Wenn man die Schaltung der Platine sehen könnte, wäre das nicht falsch.
|
Die haben mir keinerlei Material (Schaltplan) mitgeliefert nur die Platinen und Nachgefragt habe ich auch, aber die haben angeblich nix!
Also wenn ich nun links außen und rechts außen Messe habe ich 28 Volt, wie schon geschrieben, Messe ich von Außen zur Mitte habe ich 14 Volt OV so zu sagen.
Links und rechts auf der Platine steht 15 Volt und ich der Mitte ist das OV!
Soll ich anklemmen oder hab ich dann Feuerwerk?
|
BID = 1007892
der mit den kurzen Armen Urgestein
     
Beiträge: 17437
|
Da fehlt noch ein Anschluss GND oder 0V !!! Und auf der Verstärkerplatine sind auch 3 Anschlüsse vorhanden !!!
Edit: der Schaltplan ist auch auf der Boey Seite !!!
_________________
Tippfehler sind vom Umtausch ausgeschlossen.
Arbeiten an Verteilern gehören in fachkundige Hände!
Sei Dir immer bewusst, dass von Deiner Arbeit das Leben und die Gesundheit anderer abhängen!
[ Diese Nachricht wurde geändert von: der mit den kurzen Armen am 12 Dez 2016 18:01 ]
|
|
Zum Ersatzteileshop
Bezeichnungen von Produkten, Abbildungen und Logos , die in diesem Forum oder im Shop verwendet werden, sind Eigentum des entsprechenden Herstellers oder Besitzers. Diese dienen lediglich zur Identifikation!
Impressum
Datenschutz
Copyright © Baldur Brock Fernsehtechnik und Versand Ersatzteile in Heilbronn Deutschland
gerechnet auf die letzten 30 Tage haben wir 16 Beiträge im Durchschnitt pro Tag heute wurden bisher 4 Beiträge verfasst © x sparkkelsputz Besucher : 186820243 Heute : 17844 Gestern : 47700 Online : 455 26.11.2025 11:57 7 Besucher in den letzten 60 Sekunden alle 8.57 Sekunden ein neuer Besucher ---- logout ----viewtopic ---- logout ----
|
xcvb
ycvb
1.53203296661
|