| Autor |
|
|
|
BID = 947939
Viper0815 Gelegenheitsposter
 
Beiträge: 88
|
|
Hallo
Möchte euch wieder um Rat fragen.
Ich werde einen Solar/Regler mit WR in meinem Anhänger verbauen.
LINK
Dazu kommt ein Notstromer mit E-Start.
LINKE
Meine Vorstellung ist, der Regler gibt das Signal, meine Blackbox schließt einen Kontakt für ca.30s (dann muss der Notstromer laufen). Wird das Signal vom Lader abgeschaltet, schließt meine Blackbox einen anderen Kontakt zum abschalten des Notstromer.
Am Notstromer verdrahte ich dann zum Schlüsselschalter Start Kontakt und zur Stop Taste.
Tja, wie könnte ich das realisieren?
vielen Dank!
sGr.
[ Diese Nachricht wurde geändert von: Viper0815 am 27 Dez 2014 18:32 ] |
|
BID = 948037
Viper0815 Gelegenheitsposter
 
Beiträge: 88
|
|
Ich denke ich suche Zeitrelais, ev. sog. ein Kombizeitrelais.
Gibts so was? |
|
BID = 948726
Viper0815 Gelegenheitsposter
 
Beiträge: 88
|
niemand?
|
BID = 948730
der mit den kurzen Armen Urgestein
     
Beiträge: 17437
|
Klar gibt es Zeitrelais musst nur Suchen ZB Eltako Multifunktionszeitrelais! http://www.google.de/url?sa=t&r.....d=rja
Edit: zum selber Suchen http://www.eltako.com/fileadmin/dow.....s.pdf mit Erläuterungen der Funktion.
_________________
Tippfehler sind vom Umtausch ausgeschlossen.
Arbeiten an Verteilern gehören in fachkundige Hände!
Sei Dir immer bewusst, dass von Deiner Arbeit das Leben und die Gesundheit anderer abhängen!
[ Diese Nachricht wurde geändert von: der mit den kurzen Armen am 3 Jan 2015 19:27 ]
|
BID = 948907
Viper0815 Gelegenheitsposter
 
Beiträge: 88
|
Danke, ja die Multirelais, hab die inzw. auch gefunden
denke ich brauche 2 Stk.
einmal EW, einmal AW
oder kann das S2U12DDX-UC beides? durchblicke das nicht ganz....
sGr.
|
BID = 948913
der mit den kurzen Armen Urgestein
     
Beiträge: 17437
|
Nö du brauchst nur ein einschaltwischendes Zeitrelais zum Starten des Generators!
Die Abschaltung erreichst du mit normalen Relais. Bedenke aber das dein Generator und der Wechselrichter nie gemeinsam laufen dürfen!
Umschaltung auf die Verbraucher nur Über Alles aus!
_________________
Tippfehler sind vom Umtausch ausgeschlossen.
Arbeiten an Verteilern gehören in fachkundige Hände!
Sei Dir immer bewusst, dass von Deiner Arbeit das Leben und die Gesundheit anderer abhängen!
|
BID = 948992
Viper0815 Gelegenheitsposter
 
Beiträge: 88
|
öhm, ein normales Relais macht mir doch nur 10ms? einen Kontakt
ich möchte schon 1s haben (oder einstellbar, falls man so lange drauf bleiben muss am Ausschaltknopf bis der wirklich tot ist)
das gleichzeitige laufen ist kein Problem, der WR lädt mir dann die Batterien und schleust die 230V vom Generator durch
LINK
|
BID = 949044
Viper0815 Gelegenheitsposter
 
Beiträge: 88
|
bin jetzt bei 2x MFZ12-230V
benötige kein Display oder elektr. Bedienung, mechanisch einfach robust.
|
BID = 949048
der mit den kurzen Armen Urgestein
     
Beiträge: 17437
|
Ach ja bisher war ich der Meinung das Solarzellen Gleichspannung liefern.
Der verlinkte Wechselrichter ist aber auf die Einspeisung von 230 V AC ausgelegt und schaltet diese durch. Gleichzeitig arbeitet der als Ladegerät für den Akku! Fällt die speisende Wechselspannung weg arbeitet er dann als Wechselrichter und gibt am Ausgang dann die selbst erzeugte Wechselspannung ab.
Ob du die Batterie mit den Solarzellen laden kannst, entzieht sich meiner Kenntnis.
Gehen wir mal davon aus. Generator aus und Solarzelle versorgt Batterie mit Ladestrom und den Wechselrichter mit Strom. Dann arbeitet dieser als Wechselrichter bis die Batteriespannung soweit sinkt das dieser abschaltet. (Tiefentladeschutz)
Du musst also nicht nur die Spannung der Solarzelle überwachen sondern auch noch die Batteriespannung, und den Strom von der Solarzelle.
Jetzt kommt dazu sobald dein Generator läuft schaltet der Wechselrichter selbst um und lädt auch die Batterie nach. Dabei steigt aber die Batteriespannung wieder an.
Zu dem Relais so lange an dem Relais eine Spannung anliegt ist dieses Angezogen. Der Öffner ist offen und der Generator kann gestartet werden.
Fällt die Versorgungsspannung für das Relais weg fällt auch das Relais ab und das Relais schaltet dann den Generator ab. Zum Starten des Generators wird also zuerst das Abschaltrelais mit Spannung versorgt und erst danach der Generator gestartet! (Folgeschaltung der Schließer des Abschaltrelais schaltet das Startrelais an)
Du brauchst also zum Starten des Generators nur die Versorgungsspannung an das Zeitrelais und das Abschaltrelais anlegen.
_________________
Tippfehler sind vom Umtausch ausgeschlossen.
Arbeiten an Verteilern gehören in fachkundige Hände!
Sei Dir immer bewusst, dass von Deiner Arbeit das Leben und die Gesundheit anderer abhängen!
[ Diese Nachricht wurde geändert von: der mit den kurzen Armen am 5 Jan 2015 19:58 ]
|
BID = 949189
Viper0815 Gelegenheitsposter
 
Beiträge: 88
|
Hi
verstehe deine Schaltung nicht.
Es soll kein Dauersignal am Notstromer anliegen. Die FB bzw. manueller Start soll natürlich immer funktionieren. Nur wenn ein Signal kommt, soll für eine Zeit ein Relais anziehen (Einschaltkontakt) und wenn dieses Signal abfällt ein anderes für eine Zeit anziehen (Ausschaltkontakt).
Das Signal werde ich von diesem Gerät beziehen:
LINK
im System ist dann noch dieser WR verbaut
LINK
weiters kommt ein Abschalt- bzw. autom. Unterspannungsschutzrelais zum Einsatz
LINK
die Batterie wird das
LINK
sollte eine PV kommen, dann mit 12V Modulen und diesem SR
LINK
das wäre so mal der Plan.
sGr.
|
BID = 949192
der mit den kurzen Armen Urgestein
     
Beiträge: 17437
|
Noch mal zum Mitmeiseln: Deine 230V Versorgungsspannung kommen entweder aus dem Netz oder aus dem Generator oder aus dem Wechselrichter. Fehlt am Wechselrichtereingang die Netzspannung arbeitet der Wechselrichter als solcher und versorgt deine Verbraucher mit 230V . Mit am Eingang des Wechselrichters anliegender Netzspannung schaltet dieser die Spannung durch und lädt gleichzeitig die Batterie!
Wenn du nun über den Solarladeregler die Batterie lädst ändert das am Verhalten des Wechselrichters nichts. Ohne Eingangsspannung arbeitet der als Wechselrichter bis die Batterie leer ist! Oder am Eingang dann Netzspannung anliegt!
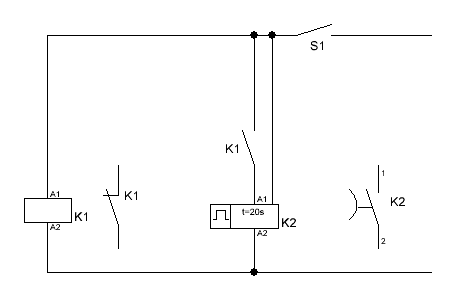
Die obige Schaltung ist nur die Steuerung für den Generator K1 sorgt für das Ausschalten und K2 für das Starten. Wobei da K2 das Zeitrelais ist! S1 ist dein Steuersignal solange der geschlossen ist läuft der Generator!
_________________
Tippfehler sind vom Umtausch ausgeschlossen.
Arbeiten an Verteilern gehören in fachkundige Hände!
Sei Dir immer bewusst, dass von Deiner Arbeit das Leben und die Gesundheit anderer abhängen!
|
BID = 949194
Viper0815 Gelegenheitsposter
 
Beiträge: 88
|
Hi
wie der WR und SR arbeiten ist mir bekannt.
Deine Schaltung hat immer ein Ausschaltsignal anliegen, was nicht gewollt ist.
Sgr
|
BID = 949195
der mit den kurzen Armen Urgestein
     
Beiträge: 17437
|
Und warum nicht ? Entweder ist der Generator an oder Aus und das erreichst du so am einfachsten! Du benötigst nur ein Steuersignal und nicht 2 zum starten und stoppen!
_________________
Tippfehler sind vom Umtausch ausgeschlossen.
Arbeiten an Verteilern gehören in fachkundige Hände!
Sei Dir immer bewusst, dass von Deiner Arbeit das Leben und die Gesundheit anderer abhängen!
|
BID = 949197
der mit den kurzen Armen Urgestein
     
Beiträge: 17437
|
Falscher Beitrag
[ Diese Nachricht wurde geändert von: der mit den kurzen Armen am 6 Jan 2015 20:04 ]
|
BID = 949199
Viper0815 Gelegenheitsposter
 
Beiträge: 88
|
Nein, ich muss auch manuell starten (FB), damit die Batterie um 18:00 voll ist.
Sgr
|