mal wieder ein SNT... Im Unterforum Projekte im Selbstbau - Beschreibung: Selbstbau von Elektronik und Elektro
| Autor |
|
|
|
BID = 64464
Henne02 Stammposter
    Beiträge: 493 Wohnort: Aachen
|
|
Danke für den Tip mit den IC!! Werde gleich mal das Datenblatt ziehen...
HF-Litze gibt's bei http://www.spulen.com Es sind 50g angegeben, jedoch sind auch mehr am Stück möglich. Habe aber weder Erfahrungen mit der Firma noch mit deren Litzen. Ich selbst bleibe auch noch bei CuL. Davon gibt's einen Kilometer günstig bei rs-components (zumindest würde ich für die paar Euro nichts Bestehendes zerlegen...)
Gibt es bis jetzt wirklich nur das Thor-Projekt als Beispiel für ein SMPS mit interessanter Ausgangsspannung
Na ja, mal sehen was wird...
Hendrik
[ Diese Nachricht wurde geändert von: Henne02 am 14 Apr 2004 18:05 ] |
|
BID = 64477
Benedikt Inventar
      Beiträge: 6241
|
|
Ich denke wir sollten hier nicht soviel von dem eigentlichen Zweck des SNT schreiben. Über Hochspannung zu diskutieren ist hier im Forum nicht erlaubt.
Dann wird das Thema wieder geschlossen.
Davon abgeshen: Zu hohe Spannung lassen sich schwer mit einem SNT erreichen. Ich habe mir gerade mal die Seite des Thor Projekts angesehen: So fett wie der Kern ist, der kostet ne Menge. Und nur so bekommst du die hohen Spannungen in den Griff.
Ich kenne einige Bilder von SNT MOTs aus den USA. Da sitzt eine Kaskade neben dem Trafo (der ca. 1kV liefert). Soetwas würde ich dir auch empfehlen: Ein SNT auf etwa 2,5kVeff und dann ein eine Kaskade dahiner. |
|
BID = 64495
Henne02 Stammposter
    Beiträge: 493 Wohnort: Aachen
|
Der Wirkungsgrad von Kaskaden dürfte Dir bekannt sein...
Wenn mein Teil sagen wir 3*V liefert, bräuchte ich vier Stufen um auf eine RSG-Spannung zu kommen...
Bei 1,5kW muss die Kaskade einen Strom von 500*A verbraten können. Das ist ziemlich heftig, wenn man bedenkt dass sowohl Dioden als auch Kondendsatoren die doppelte Spannungsfestigkeit haben müssen (Kronjäger).
Allerdings könnte ich so die Kaskade evtl. als Ladecap für die MMC misbrauchen - und die Kurzschlußfestigkeit ist auch gegeben
Weiß einer von Euch wie es mit der HF-Festigkeit von Kaskadenausgängen aussieht (Kickback von Primary bei zu schlechter Filterung...)
Grüße, Hendrik - der vom Umgang mit hohen Spannungen abrät und dieses Wort nicht mehr in den Mund nimmt...
- ab jetzt handelt dieser Thread also von der Reparatur eines MÄNNERfernsehers  -
|
BID = 64504
Henne02 Stammposter
    Beiträge: 493 Wohnort: Aachen
|
Hier also der Stand der Dinge:
Die Frequenz sollte möglichst hoch liegen, um den Ripple in Grenzen zu halten. Eine ARSG ist wohl Pflicht...
Die ersten Kaskadencaps werden größer als die beiden anderen, um die Performance zu verbessern.
Mit der Isolation sollte ich mir Mühe geben: Jedes Volt, das ich über den Trafo raushole erspart mir eine menge Verluste an der Kaskade...
secondary: <3mmCuL in der Mitte geerdet. So komme ich vielleicht mit dem ganzen Harz doch noch auf 4-5*V
Grüße, Hendrik
|
BID = 64510
Benedikt Inventar
      Beiträge: 6241
|
Es gibt einige andere Kaskadenschaltungen, die effektiver sind. (z.B. Gleichrichter mit Siebkondensator. An dessen + Ausgang ein zweiter Gleichrichter dranhängen (als wenn man 2 getrennte Spannungen gleichrichten und verbinden würde. Nur anstelle des 2. Trafos wird der 2. Gelichrichter mit der Wechselspannung verbunden.
An sich die Brückenversion der normalen Kaskade.
Die Dioden sind nicht das Problem. BYV96E halten eine Menge aus, und sind relativ günstig.
Bei 20-100kHz (höher auf keinen Fall, denn dann werden die Sprühentladungen zu hoch) brauchen die Kaskadenkondensatoren nicht groß zu sein.
Ich habe mir mal aus nem kleinern Geschäft in Nürnberg ein Stapel gebrauchter Kaskaden von Siemens gekauft:
Pro Platine waren 8 Kondensatoren. Diese bestanden aus einem Keramikzylinder mit 1cm Durchmesser und 1cm länge. An den beiden Seiten waren Kontakte aufgedampft. Die Dinger sind praktisch unzerstörbar. Ab etwa 10*V gibt es Überschläge an der Oberfläche. In Öl oder Wachs kommt man auf ein Vielfaches davon. Pro Kondensator waren 8 Dioden in Reihe geschaltet, also 32 Dioden pro Platine. Die Daten der Dioden habe ich auch gefunden: 10*V, 200mA. Und eine Platine hatte damals 3DM gekostet...
An einem Kondensator waren heftige Brandspuren und ein Teil des Keramiks war abgesplittert. Deshalb vermute ich, dass ordentlich Leistung im Spiel war. Die Kondensatoren haben 750pF.
Was ich damit sagen will: Bei den hohen Frequenzen reichen 1nF Kondensatoren für die Kaskaden bei weitem aus, solange die den Strom verkraften.
Ich habe mit einem Kondensator mal ne kleine TC gebaut (15cm hoch, fRes=4MHz), 12V 20W Input. Nach einer Minute verbrennt man sich den Finger an dem Keramikblock. Schade dass die nicht HF fest sind.
|
BID = 64545
Henne02 Stammposter
    Beiträge: 493 Wohnort: Aachen
|
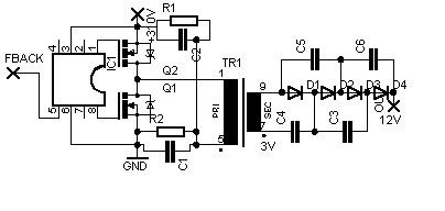
meinst du diese Schaltung??
Sowas habe ich noch nie gesehen...
Mal testen
Grüße, Hendrik
|
BID = 64548
Henne02 Stammposter
    Beiträge: 493 Wohnort: Aachen
|
So eine Kaskade kann nicht funzen:
Die eine Halbwelle passiert den oberen Schenkel des untersten Gleichrichters. Doch anstatt den Kondensator zu laden, passiert sie den unteren Schenkel des mittleren Gleichrichters und bildet so einen kurzen...
Das dürfte @4*V gut knallen...
Was meinst du also
Grüße, Hendrik
|
BID = 64618
Benedikt Inventar
      Beiträge: 6241
|
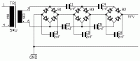
Ich meine diese Schaltung.
Diese Schaltung hat einen deutlich niedrigeren Innenwiderstand als die normale Kaskade, liefert also bei gleich großen Kondensatoren mehr Strom.
|
BID = 64624
Henne02 Stammposter
    Beiträge: 493 Wohnort: Aachen
|
Ha!! So funzt das also
Die 1nF entkoppeln die Gleichrichter vom Trafo und die 2nF puffern die Energie...
Mache ich die 1nF größer, können die Gleichrichter einen größeren Strom gleichrichten -> Strombegrenzung...
In diesem Fall müssen natürlich auch die 2nF größer, da sonst die Gleichrichter ihren Saft nicht loswerden. Werden Sie unverhältnismäßig größer, brauche ich mehrere Perioden um sie zu laden -> da habe ich also schon meinen Tancap für die MMC
Edit: Das beste fällt mir zum Schluss auf... Die Spannung bricht nicht völlig ein sondern nur auf Û des Trafos
Was spricht dagegen, C4 und C5 mit dem Trafo zu verbinden?
So dürfte der dritte Gleichrichter bei gleicher Kapazität mehr abbekommen
Brauche ich für diese Caps dann eine höhere Spannungsfestigkeit oder interessiert das auf Grund des Gleichrichters nicht? Mal schaun...
Hendrik
[ Diese Nachricht wurde geändert von: Henne02 am 15 Apr 2004 8:48 ]
|
BID = 64631
Benedikt Inventar
      Beiträge: 6241
|
Genau, deshalb sind die Kondensatoren an der vorherigen Stufe angeschlossen. Kondensatoren mit 5*V und 20nF sind billiger (und leichter zu bekommen) als 10-20*V Kondensatoren mit 2nF.
Ich habe mal kurz etwas mit dem Series Loades SMPS gebastelt (Thor Projekt). Dazu wird in Reihe mit der Primärwickung ein Kondensator einegbaut, um alles auf Resonanz abzustimmen. Zusätzlich erhält man eine Resonanzüberhöhung. Als Kern habe ich eine DST Kern und einen MW Antennenstab verwendet. Beide mit ähnlichem Ergebnis: 10V an der Halbbrücke (d.h. 10Vss Rechteck am Ausgang) und etwa 50Veff Sinus an der Primärwindung. Strom etwa 5A. Da wurde der Draht, Kern, MOSFETs, eigentlich alles, deutlich warm, obwohl nur 40V 0,5A in die Schaltung flossen. Wenn alles richtig abgestimmt ist, bekommt man auch eine Stromaufnahme von 5A bei 5V Betriebsspannung hin, aber das sollte man vermeiden.
Mit korrekter Abstimmung (wenn überhaupt, nur mit PLL möglich) sind die Nulldurchgänge des Stromes genau bei den Nulldurchgängen der MOSFETs -> Keine Schaltverluste.
Sobald man die Belastung des Trafos etwas ändert, verschiebt sich aber die Resonanzfrequenz und die Spannung bricht zusammen.
Eine Möglichkleit wäre die Resonanzfrequenz etwas in Richtung belasteter Trafo zu legen:
Dann hätte man im Leerlauf eine geringe Ausgangspannung. Belastet man den Ausgang, geht die Spannung und die Leistung extrem hoch.
In der Praxis kann man das aber recht schlecht verwirklichen. Zumindest nicht ohne viel Zeit, Geld und noch eine Menge mehr zu investieren.
Hier hat man nämlich all die Probleme wie bei einer direkt mit einer MOSFET Endtsufe angesteuerten TC. Ich weiß garnicht, wieviele MOSFETs ich erlegt habe, bis alles lief. Am Ende bin ich bei einer diskreten Gate Ansteuerung gelandet, die mir >2A Treiberstrom liefert und in 10-20ns den MOSFET abschaltet. Als MOSFETs haben sich IRF740 als die besten erwiesen (zumindest was das Preis-Leistungsverhältnis betrifft)
|
BID = 64644
Henne02 Stammposter
    Beiträge: 493 Wohnort: Aachen
|
zur Kaskade:
Dann sollte man die Caps für die zweite Stufe entsprechend größer wählen, da dort doppelt so viel wie in der dritten Stufe fließen soll...
zur TC:
Meine TC soll auf jeden Fall disruptiv bleiben. Die Funken sind netter als die berüchtigten HF-Flammen (klein aber höllisch heiß  )
zum Nulldurchgangsschalten:
ich lass es lieber erst mal, da TC und Elektronik wahrscheinlich sowiso nicht wahnsinnig kompatibel sind...
Werden die Transen in jedem Nulldurchgang geöffnet oder lässt man den Kreis ein paar mal schwingen und schiebt dann wieder Saft nach?
Man könnte mit 'ner MCU die Zeit zwischen den Nulldurchgängen berechnen, daraus die Periodendauer errechnen und kommt so auf den Offset zum Öffnen der Fets.
Über eine Zener könnte man einen Interrupt bei Erreichen der Zielspannung auslösen.
Wird die Zielspannung nicht erreicht wählt man die Öffnungszeiten der Fets größer.
Nach dem Stromstoß lässt man den Kreis Xmal frei schwingen: wenn 1Mal noch die Zielspannung erreicht wird, stimmt die Öffnungszeit, wenn 2Mal wird die Öffnungszeit verkleinert, wenn drei Mal wird deutlich verkleinert.
So könnte man die Spannung im Primärkreis unter Kontrolle halten...
|
BID = 64659
Benedikt Inventar
      Beiträge: 6241
|
Die FETs durch Schwingunsgzyklen usw. zu steuern ist immer recht kompliziert. Da ist es einfacher per PWM kontinuierlich Energie zuzugeben.
Wenn man das ganze per Reihenschwingkreis macht, hat man einen Sinusförmigen Strom. Wenn man das Tastverhältnis kleiner 50% macht, und die Deadtime zu groß ist, kann der Strom nicht fließen, bzw. er fließt über die Body Diode des FETs. Diese ist langsamer als der MOSFET und ist deshalb noch leitend wenn der andere FET der Halbbrücke leitend wird. Und dann knallt es mal kurz... Um das Problem garnicht erst aufkommen zu lassen, schaltet man eine Diode in Reihe zum MOSFET, um die Body Diode abzuschalten. Dann benötigt man zusätzlich eine Ersatzdiode, die sehr schnell ist (<20ns).
Daher sind SSTCs oft sehr teuer (wenn er gut sein soll).
Da gibt es die wildestens Schaltungen.
Wenn man sicher gehen will, sollte man bei der Halbbrücke bleiben. Angesteuert mit einem IRF2153D mit gleichgerichteter und gesiebter 230V. Wenn man mehr SHNTs basteln will, kann man immer noch eine PFC davor schalten
Der Trafo liefert dann sagen wir mal 2*V bei 1A. Das per Kaskade (symmetrisch: eine positiv, die andere negativ) hoch auf +/-6*V
Ein Problem ist nun der Kern:
Dieser sollte möglichst groß sein, um sowohl die Leistung zu übertragen, als auch genügend Isolation zwischen Primär und Sekundär, bzw. Sekundär und Kern zu bieten.
Was mir an SSTC gefällt: Ich kann 2m daneben einen TV laufen lassen, ohne dass es Störungen gibt.
Mit ungesiebter Betriebsspannung (bzw. mit gesiebter Spannung, die aber per MOSFET gepulst wird) kann man auch die Funken einer disruptiven TC hinbekommen.
|
BID = 64664
Henne02 Stammposter
    Beiträge: 493 Wohnort: Aachen
|
Bei rs könnten 2 Kerne funzen:
Der EC70 hat innen pro Hälfte 22,3*16,8mm. Somit hoffe ich im Spulenkörper auf 40mm Wickelfläche zu kommen. Da wohl wirklich nur ein Layer Sinn macht komme ich bei einem Drahtdurchmesser von 0,5mm auf 80Windungen... (+-2*V in der Mitte geerdet)
So bleiben mir primär 6Windungen... Das ist alles andere als viel. Also werde ich wohl die Frequenz hochjubeln müssen und die Ströme geringer halten. Dann ist auch die Kaskade effizienter.
Als Alternative böte sich er ETD59 an (Innensteg: 22,0mm * 22,1mm). Die Wickelfläche ist also identisch.
Meine Rechnungen werden zeigen, welcher Kern besser zur Leistung passt.
Wo würde man denn günstigere oder größere Kerne herbekommen??
Aufbau:
1-2 Lagen Glasfaser/Epoxy
mittig geerdete secondary (0,3CuL / 0,2CuL??)
1-2 Lagen Glasfaser/ Epoxy
2* 6Windungen primary (0,5CuL)
Was hältst du von RGP30M-Dioden (1*V /3A fast recovery)??
|
BID = 64668
Benedikt Inventar
      Beiträge: 6241
|
RPG30M:
13 Cent
FAST RECOVERY PLASTIC RECTIFIER
3A
1*V
500ns
125A Peak
BYV96E:
17 Cent
Fast soft-recovery controlled avalanche rectifiers
1,5A
1*V
300ns
35A Peak
Ich würde die BYV96E verwenden:
Geht bei der RPG30M die Spannung zu hoch, schlägt die Diode durch -> kaputt. Bei Reihenschaltung immer ein Widerstand parallel, damit sich die Spannung gleichmäßig aufteilt.
Bei der BYV96E schlägt die Diode nicht sofort durch, wenn die Spannung über 1,1*V geht, sondern die Diode ist eine Art Z-Diode und wird langsam leitend. d.h. wenn der Strom nicht groß ist, begrenzt sich die Diode die maximale Spannung selbst. Außerdem ist sie etwas schneller, denn 500ns sind für hohe Frequenzen kaum geeignet. Bei PC Netzteilen mit 35kHz werden Dioden <100ns verwendet.
Höher als 50kHz würde ich nicht gehen, alleine schon wegen der Dioden und den Sprühentladungen, die dann verstärkt auftreten.
Eine andere Möglichkeit für den Kern: In Wachs eingießen oder in Silikonöl tauchen.
|
BID = 64682
Henne02 Stammposter
    Beiträge: 493 Wohnort: Aachen
|
Argh!!
Ich habe die BYV unter Standardgleichrichterdioden gefunden und die andere unter fast recovery und wollte sie deshalb nehmen...
Das kommt davon, wenn man nicht zu allem ständig das Datenblatt zieht...
Epoxyd hat eine Durschlagsfestigkeit von >10*V /mm.
Wachs ist ein Gemisch aus allen möglichen langen C-Ketten.
Nehmen wir dieses weiße Stearin-Granulat: ich kenne die Durschlagsfestigkeit nicht. Unter Korona-Bildung dürfte es schmelzen vielleicht rußt es sogar. Das wäre dann das Ende
Öl kriecht und ist deswegen eine Riesensauerei...
Auf der anderen Seite isoliert es wunderbar, dringt in jede Ritze ein und man kann eine zerschossene Wicklung erneuen, ohne großartig Mterial zu verschleudern. Das Öl könnte zusätzlich Wärme ableiten...
Optimum: dichtes Gefäß (Konserve, Tupperbox,...) Da den Trafo rein (mit GF als Isolationschicht), Öl rein, wenn's geht: Vakuum anlegen, die Kabel nach oben rausführen, Mit Stearin abdichten (Wachsschicht), Deckel oben drauf.
Wo gibt's denn kleine Mengen an Silikonöl?? 5l wären etwas viel...
Grüße, Hendrik
|
|
Zum Ersatzteileshop
Bezeichnungen von Produkten, Abbildungen und Logos , die in diesem Forum oder im Shop verwendet werden, sind Eigentum des entsprechenden Herstellers oder Besitzers. Diese dienen lediglich zur Identifikation!
Impressum
Datenschutz
Copyright © Baldur Brock Fernsehtechnik und Versand Ersatzteile in Heilbronn Deutschland
gerechnet auf die letzten 30 Tage haben wir 18 Beiträge im Durchschnitt pro Tag heute wurden bisher 1 Beiträge verfasst © x sparkkelsputz Besucher : 187910696 Heute : 4990 Gestern : 19923 Online : 303 24.12.2025 10:28 10 Besucher in den letzten 60 Sekunden alle 6.00 Sekunden ein neuer Besucher ---- logout ----viewtopic ---- logout ----
|
xcvb
ycvb
0.0731220245361
|