mal wieder ein SNT...

Im Unterforum Projekte im Selbstbau - Beschreibung: Selbstbau von Elektronik und Elektro

Elektronik Forum Nicht eingeloggt       Einloggen       Registrieren




[Registrieren]      --     [FAQ]      --     [ Einen Link auf Ihrer Homepage zum Forum]      --     [ Themen kostenlos per RSS in ihre Homepage einbauen]      --     [Einloggen]

Suchen


Serverzeit: 24 12 2025  14:09:43      TV   VCR Aufnahme   TFT   CRT-Monitor   Netzteile   LED-FAQ   Oszilloskop-Schirmbilder            


Elektronik- und Elektroforum Forum Index   >>   Projekte im Selbstbau        Projekte im Selbstbau : Selbstbau von Elektronik und Elektro

Gehe zu Seite ( 1 | 2 | 3 Nächste Seite )      


Autor
mal wieder ein SNT...

    







BID = 64248

Henne02

Stammposter

Beiträge: 493
Wohnort: Aachen
Zur Homepage von Henne02
 

  


Hi!
Ich möchte auch seit langem ein SNT basteln. Und zwar ein MÄNNLICHES (1-2kW)

Der Wirkungsgrad ist dabei erst einmal zweitrangig. (Mit µ=0,6 wäre ich also glücklich. Und es sollte etwas leichter als ein konventionelles sein...)

Eigentlich finde ich ja Halbbrückenwandler am sympathischsten, jedoch muss man dort Deathtimes berücksichtigen...

Wäre das simpelste nicht ein Flyback, das nach erreichen eines bestimmten Stromes seinen FET abschaltet??

Ich bastel mal eine Skizze...

Bis gleich, Henne


BID = 64249

st0ne

Schriftsteller



Beiträge: 586
Wohnort: Salzburg
Zur Homepage von st0ne

 

  

ähm, ich entwickle übrigends grade einen mit der leistung die dir vorschwebt

mit einem regler-IC ist das mit den deadtimes ja eh kein problem, stellt man einfach auf maximal 0,9 tastverhältnis ein und des müsste funktionieren... denke ich

flyback ist halt für so hohe leistungen nicht so einfach... vorallem wird der trafo wieder größer...
in dem FP6400 verstärker von LAB.Gruppen ist ein flybackwandler mit 8kW drinnen... schaltet zwar nur mit 2 IGBTs aber es funktioniert anscheinend
der trafo fällt dadurch dann leider etwas größer aus... so wie ich das auf der messe am offenen gehäuse gesehen hab, ist der so ca. 12x12x8cm groß oder so... und des wird dann nicht mehr leicht
der amp hat sogar eine schutzschaltung die verhindert das die netzsicherung auslöst
also das man immer das maximum aus der steckdose rausziehen kann was geht

kann dir aber gern mal foto von dem amp reinstellen...

gruß st0ne

BID = 64258

Henne02

Stammposter

Beiträge: 493
Wohnort: Aachen
Zur Homepage von Henne02

Hallo stOne!

Wie einfach das mit dem IC funzt sieht man ja an Chillas Experiment...
Ich möchte halt etwas "narrensicheres"!
Dass es ohne SMPS-IC schwierig wird ist klar, deswegen habe ich auch vor eines einzusetzen.

Zur Erläuterung meiner Gedanken:

Primärseite:
Der MosFET wird schlagartig leitend und auf Grund des ind. Widerstandes des Trafos baut sich der Strom langsam auf, der über einen Spannungsabfall an R1 detektiert wird. Erreicht die Spannung einen bestimmten Wert, sperrt der Transistor. Dadurch sollte er geschützt werden.
Die Frequenz des SNTs sollte zwischen 30 und 60kHz regelbar werden. Die Spannung wird wie üblich mittels eines OKs überwacht.

Sekundärseite:
Die Dioden sind als Spannungsverdoppler geschaltet, so dass man im Zweifelsfall weiniger Windungen braucht und sich keine Gedanken um die Durchschlagsspannung machen muss. (Als Fixwert habe ich erst einmal 15kV angenommen )
Eine Ausgangspannung von 12-15V ist wahrscheinlich aber erst einmal attraktiver...

Auf Grund der Strom und Spannungsüberwachung sehe ich als einzige Schwachstelle des Konzeptes den HV-Kickback auf Grund des plötzlichen Abschaltens des FETs. Ob man dies mit einer Diode vor dem FET und einer 600V-Transil-Crowbar gelöst kriegt, muss man sehen ?!?
Alternativ könnte man die Primärseite in einen Schwingkreis verwandeln...
Moment, ich zeichne das mal...

Grüße, Hendrik




BID = 64264

Henne02

Stammposter

Beiträge: 493
Wohnort: Aachen
Zur Homepage von Henne02

Tadaa!!

Durch den Kondensator verwandelt sich die Primärseite in einen Schwingkreis:

Sperrt der FET, lädt das zusammenbrechende Magnetfeld den Kondensator, dieser entlädt sich wiederum in die Spule bis die gesamte Energie auf der Sekundärseite angekommen ist oder in Wärme verpufft...

Mann sollte C so auslegen, das die Frequenz des Schwingkreises auf der gewünschten Betriebsfrequenz liegt...

Wenn man im richtigen Moment wieder Saft auf den FET gibt, könnte man die Energie im System sogar immer weiter vergrößern bis am Ende dann wahrscheinlich der Kern schmilzt

Wo liegt mein denkfehler???

Grüße, Hendrik




BID = 64270

st0ne

Schriftsteller



Beiträge: 586
Wohnort: Salzburg
Zur Homepage von st0ne

najo, mit dem ic ists eigentlich relativ narrensicher...
ich will zb. einen UC3525 einsetzen... der ist relativ einfach zu beschalten...
ähm, 15kV? willst ne teslaspule bauen?

wennst bei 15kV 2kW leistung brauchst, würde ich dir eher eine halbbrücke, bzw. vollbrücke empfehlen...

das mit dem kondensator ist klar, ist dann ein sogenannter resonanzwandler... ist noch etwas komplizierter und bei falscher dimensionierung verdampft dir bei der leistung das netzteil

naja, du kannst theoretisch so viel energie übertragen bis der kern gesättigt ist, dann wird er halt warm und gibt nicht mehr viel her...
naja, wennst im nulldurchgang schaltest, hast weniger schaltverluste am transistor und dadurch auch weniger EMV störungen...

BID = 64302

Henne02

Stammposter

Beiträge: 493
Wohnort: Aachen
Zur Homepage von Henne02

Offengestanden hatte ich vor, mit diesen Teilen zunächst eine 12/24Vdc-Versorgung zu bauen (für PWM-Regelung), anschließend mal zu sehen, wie das so als PSU für Amps funzt und dann als PSU für meine zukünftige TwinCoil
(Wenn ich dann immer noch nicht denn Hals voll habe - oder verdampft bin - schalte ich zwei von den oben genannten PSUs in Reihe und komme so schon in Maggie-Dimensionen )

Ich guck mir erst einmal Dein IC an, aber so ein Resonanzwandler könnte schon was feines sein:
Wenn man in jedem zweiten Nulldurchgang einen kleinen Schuss draufgibt (kleiner FET), hätte man einen wunderschönen gleichmäßigen Sinus auf der Primärseite...

Kann der Kern in Sättigung gehen, bevor die Sekundärseite ihre Sollspannung erreicht hat??
Wie könnte eine Sättigungsdetection aussehen. Ich denke, ein NTC am Kern wäre zu lahm...
Da die Betriebsspannung der Primärseite vorgegeben ist, kann ich die Sättigung nur über die Öffnungszeit des FETs beeinflussen. (Wahrscheinlich auch über die Anzahl der Primärwindungen, die aber in den meisten Fällen wohl bei ca. 10 liegt.)

Wie wirken sich eigentlich die Anzahl der Windungen aus?? Mein Dimensionierungstool von irgendeiner Uni wirft mir zwar die Daten aus, wie jedoch entstehen sie??
Das Windungsverhältnis gibt die Ausgangsspannung an. Je weniger Primärwindungen, desto geringer ist der ind. Widerstand und umso mehr Strom kann fließen. Mehr Strom -> stärkeres Magnetfeld. Allerdings denke ich, dass bei weniger Windungen auch die Effizienz in den Keller geht... Mal schaun...

Grüße, Hendrik

BID = 64315

st0ne

Schriftsteller



Beiträge: 586
Wohnort: Salzburg
Zur Homepage von st0ne

warum machst die spule nicht auf herkömmliche weise? also hv-travo (mikrowelle oder neonbeleuchtung) und dann halt funkenstrecke und kondensator, oder ist dir diese lösung zu laut?
du musst allerdings auch bedenken das bei funkenüberschlag, sozusagen ein kurzschluss auf der sekundärseite stattfindet... dh. das netzteil sollte auf jeden fall kurzschlussfest sein...

du könntest die sättigung überwachen wenn du eine zusatzwindung anbringst die du überwachst...
weil die 15kV mit einem spannungsteiler nochmal runterteilen is auch nicht so gut... oder du baust die schaltung so das der kern einfach nicht in sättigung geht

die primärinduktivität hängt von der frequenz ab... die sekundärwindung dann halt vom, entsprechenden windungsverhältnis zur spannung

BID = 64330

Henne02

Stammposter

Beiträge: 493
Wohnort: Aachen
Zur Homepage von Henne02

Das SNT kommt VOR die Spule
Mikrowellentrafos sind sau schwer und die Spannung ist trotzdem dürftig...
Dieses Teil hätte die Power eines PolePigs - blos man braucht keinen Gabelstapler...

Den Spannungsteiler brauche ich am Ende sowieso, um die Spannung steuern zu können.

Das SNT lädt einen Tankcap der über 2 Shunts eigentliche MMC des Primärkreises lädt... Somit sollte ein Kurzschluss auszuhalten sein.

Wie merkt die Extrawicklung wie's dem Kern gerade geht?
Bricht bei einem gesättigten Kern einfach die Spannung ein, oder regelt man das Tastverhältnis immer weiter auf bis man merkt: Spannung bleibt konstant -> Hurra ich bin in der Sättigung und verdampfe gleich

Kann ein SNT nur sättigen, wenn es seine Leistung nicht loswird??

Meine momentane Überlegung:
Ich überwache die Amplitude im Primärschwingkreis. Alle X Schwingungen gebe ich dem LC-Glied während des nulldurchgangs einen Schubs. Fällt die Spannung unter 500V (z.B.) wähle ich das Tastverhältnis etwas größer.
(Durch die Spannungsüberhöhung auf der Primärseite benötige ich weniger Sekundärwindungen.
Der Emitterstrom wird überwacht, um ein Abrauchen des FETs zu verhindern.

Bei geringer Leistungsabgabe und einem Kern nahe der Sättigung ist die Dämpfung gering und das Tastverhältnis wird heruntergefahren.
Unter Vollast haben wir eine hohe Dämpfung, die Amplitude bricht schnell ein und somit wird das Tastverhältnis hochgefahren...
Vielleicht kann man mit diesem Feedback am Ende sogar doch noch den 15kV Spannungsteiler weglassen...

Soweit meine Überlegung... nur wie messe ich am Kondensator die Amplitude (ca.300V Offset...)

Grüße, hendrik

BID = 64338

Benedikt

Inventar

Beiträge: 6241

Was für einen FET verwendest du ?
Bei 2kW bräuchtest du einen MOSFET mit >15A bei 800V. Na dann viel Spaß, wenn dir 20€ MOSFETs Kistenweise abbrennen.

Bei solch einer Leistung verwendet man am besten eine Vollbrücke. Wenn es nur darum geht Spannungen um 15kV zu erzeugen, würde ich einfach den Trafo immer mit 2x 45% Tastverhältnis laufen lassen. Dann ist es kein eigentliches Schaltnetzteil, sondern nur ein gewöhnlicher Trafo, der eben mit 20kHz anstelle der 50Hz läuft. Das habe ich mal mit nem PC Netzteil getestet, als ich ein Leistungsfähiges 50V Netzteil für eine Endstufe brauchte. Spannungsregelung auf 60V eingestellt (als Leerlaufschutz). Sobald man mindestens 5W zieht, bleibt die Spannung relativ konstant bei 50V (eben ungeregelt und nur durch das Übersetzungsverhältnis des Trafos bedingt)

Was für Dioden verwendest du für den Gleichrichter ? Was für einen Kern verwendest du, um alles Hochspannungsfest zu bekommen ? Ein Überschlag aufgrund einer Spannungsspitze/ungewollten Resonanz und die Sekundärwindung ist ein verkohlter Haufen...


BID = 64354

Henne02

Stammposter

Beiträge: 493
Wohnort: Aachen
Zur Homepage von Henne02

Hallo, Benedikt!
Du hast es eigentlich erfasst: Ich will möglichst einfach (und sicher) große Leistungen transformieren.
Unter 500W nehme ich konventionelle Netzteile, da die einem wenigstens noch nicht so schnell abrauchen können und sich auch noch schleppen lassen. Darüber möchte ich mir jetzt ein Konzept mit einem HF-Trafo zurechtbasteln.
Über die einzelnen Komponenten habe ich mir deshlb noch keine größeren Gedanken gemacht.

zum HV-Beispiel:

dafür dürfte sich ein dicker UI- oder EI- am besten eignen.

Für den Gleichrichter (bzw. Levelshifter) werde ich wahrscheinlich die Komponenten des Thor-Projektes übernehmen. (Ein 3*16A HV-Monster)

Du schreibst in deinem Post von einer Leerlaufregelung von 60V. Ist damit das Feedback für ein SMPS-IC gemeint oder ein Spannungsregler auf der Sekundärseite?

Ein fixes Tastverhältnis außerhalb jeder Deadtime und eine simple Rückkopplung hören sich eigentlich vernünftig an...

Welches IC empfiehlst du??

Wenn eine Vollbrücke abraucht, wird das richtig teuer...
Allerdings wird dann auch der Kern komplett ummagnetisiert.

Was macht eine Halbbrücke eigentlich besser als ein Flyback??
Bei einem Flyback liegt an der Spule die komplette Betriebsspannung an. Bei einer Halbbrücke erst die "positive Hälfte" dann die negative... Was soll daran effizienter sein??

Kann man nicht eine Vollbrücke durch eine bifilare (später aufgetrennte) primary Ersetzen an deren Ende jeweils ein FET sitzt?? bei jeweils 10WND dürfte das kein Problem sein...
Würden bei einer solchen Schaltung eigentlich leicht unterschiedliche Iduktivitäten eine Rolle spielen (fixe Deadtimes...)??

Grüße, Hendrik

BID = 64356

Henne02

Stammposter

Beiträge: 493
Wohnort: Aachen
Zur Homepage von Henne02

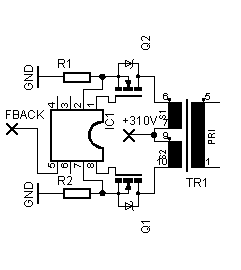
Hier mal ein Bild, wie ich mir das vorstelle:

Grüße, Hendrik



BID = 64357

Benedikt

Inventar

Beiträge: 6241

google mal etwas, da findest du sehr viele PDFs...

Flyback:
Spitzenstrom = 4x Mittelwert, also 4x 6,6A bei 2kW -> >25A
Spitzenspannung mindestens 2x Betriebsspannung, also >800V
800V 25A MOSFETs kosten ne Menge...
Die gesamte Energie muss im Kern zwischengespeichert werden, dadurch muss der Kern sehr groß werden und einen großen Luftspalt haben, um nicht in die Sättigung zu kommen.
Da man den Strom = Leistung die in den Trafo fließt regeln kann ist das Netzteil kurzschlußfest. Die Ausgangsspannung ist im Leerlauf (theoretisch) unendlich hoch -> Regelung notwendig. Da die Spannung sprungartig ansteigt bekommt man bei 15kV Probleme mit den Kapazitäten der Sekundärspule und mit Sprühentladungen zwischen den Windungen.

Halbbrückke/Vollbrücke:
Im Prinzip dasselbe, nur bei der Halbbrücke wird die Primärwindung mit der halben Betriebsspannung angesteuert als bei der Vollbrücke -> dafür doppelter Strom.
Der Vorteil: Die Energie wird direkt übertragen, fließt nur durch den Kern, wird also nicht gespeichert. Dadurch kann der Kern sehr klein sein.
Die Ausgangsspannung ist im Leerlauf nicht viel höher als unter Last (wenn man die Induktionsspitzen entsprechend dämpft). Außerdem hat man ein sauberes Rechteck als Ausgangssignal, das sicht gut gleichrichten lässt (wenn die Dioden ausreichend schnell sind)
Für 2kW reichen 2x 400V 15A in der Halbbrücke oder 4x 400V 8A MOSFETs in der Vollbrücke.

Wenn du nur zwei MOSFETs zwei Windungen ansteuern lässt, hast du ein anderes Problem: Schaltet der eine MOSFET geht die Spannung am anderen auf 2x Betriebsspannung, also 800V. Deshalb benötigt man hier 2x 800V 15A MOSFETs.

Ich würde die Halbbrücke mit den 400V 15A MOSFETs verwenden, oder die Vollbrücke (z.B. mit IRF740, dei sind ganz gut, habe ich auch für meine Teslaspule verwendet um 200Veff mit 500W bei 200kHz zu erzeugen. Wirkungsgrad: ziemlich hoch, eine 10x5cm Aluplatte als Kühlkörper wird nicht wärmer als etwa 50°C im Dauerbetrieb) Man hat fast keine Schaltverluste, da die MOSFETs dann schalten, wenn der Strom am Nullpunkt der Sinuskurve ist.

Google mal nach Resonanz Schaltnetzteil (bzw. auf Englisch). Da findest du einige interessante Schaltungen.

BID = 64451

Henne02

Stammposter

Beiträge: 493
Wohnort: Aachen
Zur Homepage von Henne02

Somit entscheide ich nun für eine Halbbrücke mit den genaanten MosFets. Dazu kommt noch ein Hi- & Loside Driver von IRF (mit einstellbarar deadtime). Da dessen Eingänge sinnvollerweise komplementär ausgeführt sind und geringste Pegel ausreichen, dürfte sogar schon ein NE555 als Taktgeber ausreichen (zw. Pin 6-7 2k und 6,8nF als Kondensator...).

Nächstes Problem:
UI-Kerne sind SCHWEINETEUER. Ich habe jetzt bei meinem Elektroniker einen MÄNNERringkern für 10EUR erstanden.
Mal sehen was sich damit anstellen lässt...

Wie würdet Ihr die Isolierung machen??
Ich dachte an drei lagen Glasfaser in Epoxyd getränkt. Dann kommt die erste Sekundärwicklung. Dann ordentlich Harz drauf, eine Lage Glasfaser und dann die zweite Wicklung.

Danach zwei Lagen Glasfaser und dann die paar Primärwindungen...

Mein Elektroniker grinste dazu nur und meinte, dass man sowas nur noch mit Vakuumziehen hinbekäme. Er hätte nach drei kv Überschläge...

Was meint Ihr??
Könnte ein Bad in Stearin evtl. effizienter sein??

(Meine 2,3kV MOTs sind wüst gewickelt und haben keinerlei Isolierung...)

Grüße, Hendrik

BID = 64452

lenz

Gesprächig



Beiträge: 140
Wohnort: Niederrhein

Hi Benedikt
Wer vertreibt in diesem unseren Land HF-Litze in entsprechender Stärke? Oder muß man sich die immer selbst
stricken?

BID = 64461

Benedikt

Inventar

Beiträge: 6241

@lenz
HF Litze ?
Keine Ahnung. Ich nehm immer den Cu Draht den ich rumliegen hab:
a) Entmagnetisierungsspule aus TV/Monitor
b) Ablenkspule

Wenns doch mal HF Litze sein soll, nehm ich den Draht von der Horizontalablenkung aus einem Monitor. Der ist für >5A bei >100kHz ausgelegt.


@Henne02
Als Treiber für die Halbbrücke würde ich den IR2153D nehmen, da ist der NE555 bereits eingebaut. Ein Komparator schließt bei Überstrom den Kondensator kurz (im Datenblatt mit einem MOSFET angedeutet). Auf diese weise hat man eine einfache, aber doch sichere Schaltung.

Es gibt einen IR2153 und einen IR2153D. Bei der D Version ist die Diode für den High Side Treiber eingebaut.


      Nächste Seite
Gehe zu Seite ( 1 | 2 | 3 Nächste Seite )
Zurück zur Seite 0 im Unterforum          Vorheriges Thema Nächstes Thema 


Zum Ersatzteileshop


Bezeichnungen von Produkten, Abbildungen und Logos , die in diesem Forum oder im Shop verwendet werden, sind Eigentum des entsprechenden Herstellers oder Besitzers. Diese dienen lediglich zur Identifikation!
Impressum       Datenschutz       Copyright © Baldur Brock Fernsehtechnik und Versand Ersatzteile in Heilbronn Deutschland       

gerechnet auf die letzten 30 Tage haben wir 18 Beiträge im Durchschnitt pro Tag       heute wurden bisher 3 Beiträge verfasst
© x sparkkelsputz        Besucher : 187913714   Heute : 8013    Gestern : 19923    Online : 283        24.12.2025    14:09
11 Besucher in den letzten 60 Sekunden        alle 5.45 Sekunden ein neuer Besucher ---- logout ----viewtopic ---- logout ----
xcvb ycvb
0.0550649166107