| Autor |
|
|
|
BID = 668160
cubemusic Gerade angekommen
Beiträge: 15 Wohnort: Eichenau
|
|
Hallo,
ich wende mich an Euch Fachleute, da ich mich leider nicht genug auskenne, aber dennoch sehr gerne ein Projekt umsetzen würde. Für Euch ist das ein Klacks, aber für mich ist zumindest die Schaltung eine Nummer zu hoch. Worum es geht:
Ich möchte eine LED-Kette mit beispielsweise 10 grünen und sehr hellen LEDs (alternativ auch weißen) so mit einem passenden Transistor verschalten, dass ein angeschlossener Flachpiezolautsprecher, der hier als Mikrofon fungiert (genauer gesagt als Erschütterungssensor) diese Kette triggert. Hinzu kommt, dass man einstellen können muss, wie lange die Kette nach jedem Trigger aufleuchtet und dann wieder erlischt.
Hintergrund: Ich habe eine Online-Musikschule (openmusicschool) und lehre unter anderem Schlagzeug, was ich mit einem E-Drum mit durchsichtigen (milchigen) Fellen bewerkstellige, das ich von oben filme. Ich möchte nun erreichen, dass nach jedem Schlag auf ein Pad (hier Fell) der Kessel unter dem Fell kurz illuminiert wird, sodass man von oben besser sehen kann, wo ich drauf gehauen habe. Für Becken (inkl. Hihat) und Bassdrum muss eine andere Lösung her, wobei ich bei der BD aus den LEDs einen Flächenstrahler basteln und unten auf den Boden legen würde, idealerweise mit roten LED´s. Die Beckenpads würde ich versuchen, von oben mit LED-Spots anzustrahlen, weiß aber noch nicht, ob das etwas taugt. ggf. würde ich hierfür auch ein transparentes Beckenpad kaufen und von hinten wie die Pads beleuchten.
Theoretisch würde sich diese Baustelle auch mit MIDI-to-Relais oder MIDI-to-Transistor-Schaltungen umsetzen lassen, allerdings ist das sehr teuer und auch unflexibel, denn gerade die wichtige Leuchtdauer kann man da nicht einstellen.
Tja, und daher wollte ich mein Glück hier bei Euch, bei den Fachleuten versuchen und fragen, ob mir jemand dabei helfen kann, die richtigen Bauteile zu definieren und der mir sagt, wie man die Sachen verschaltet.
Freue mich über jede Anregung.
Viele Grüße,
Philip |
|
BID = 668207
Kleinspannung Urgestein
     
Beiträge: 13393 Wohnort: Tal der Ahnungslosen
|
|
Also nur mal so schnell mit irgendeinem Transistor wird das nix.
Du wirst wohl das Signal des Piezos erst mal etwas verstärken müssen,z.B. mit einem OPV.
Dann könnte man "triggern" und einen einstellbaren Monoflop bedienen.
_________________
Manche Männer bemühen sich lebenslang, das Wesen einer Frau zu verstehen. Andere befassen sich mit weniger schwierigen Dingen z.B. der Relativitätstheorie.
(Albert Einstein) |
|
BID = 668214
perl Ehrenmitglied
       
Beiträge: 11110,1 Wohnort: Rheinbach
|
Die Idee ist an sich nicht schlecht, aber es gibt da einige Unwägbarkeiten, die ein paar Experimente, am besten noch duch Messungen mit einem Oszilloskop unterstützt, erforderlich machen dürften.
Ich könnte mir z.B. vorstellen dass man mit dem Piezo-Körperschallsensor direkt ein 74HCT_Monoflop (121?, 123? etc) triggern kann, welches dann einen z.B. 0,2s dauernden Impuls ausgibt, der für eine LED direkt, mit etwas Nachverstärkung auch für einen Baustrahler, ausreicht.
Aber wie gesagt: Sofern nicht gerade jemand einen fertigen Bauplan in der Schublade hat, ist ausprobieren angesagt.
|
BID = 668238
cubemusic Gerade angekommen
Beiträge: 15 Wohnort: Eichenau
|
hmm, dann werde ich wohl doch eher versuchen, das über eine Midi-to-...Lösung abzubilden, denn bei den anderen Themen kenne ich mich leider viel zu wenig aus und weiß auch nicht, was ich wie testen und berechnen muss.
Danke Euch trotzdem. Ich habe mir das ganz easy vorgestellt. Aber da sieht man eben die Ahnungslosigkeit
Philip
|
BID = 668250
Otiffany Urgestein
     
Beiträge: 13792 Wohnort: 37081 Göttingen
|
Das ist doch eine wundervolle Aufgabe für einen NE555
Näheres später!
Gruß
Peter
|
BID = 668265
Otiffany Urgestein
     
Beiträge: 13792 Wohnort: 37081 Göttingen
|
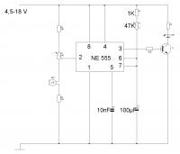
Folgende Schaltung bietet sich hier an:
Gruß
Peter <font color="#FF0000"><br><br>Das Dateiformat *.BMP ist nicht erlaubt ! Denken Sie bitte an den Traffic ! Deswegen nicht hochgeladen<br></font>
[ Diese Nachricht wurde geändert von: Otiffany am 4 Feb 2010 19:35 ]<font color="#FF0000"><br><br>Das Dateiformat *.BMP ist nicht erlaubt ! Denken Sie bitte an den Traffic ! Deswegen nicht hochgeladen<br></font>
[ Diese Nachricht wurde geändert von: Otiffany am 4 Feb 2010 19:36 ]
|
BID = 668271
dl2jas Inventar
     
Beiträge: 9913 Wohnort: Kreis Siegburg
|
Peters gut sortiertes Schaltungsarchiv.
Solche Schaltungen gibt es auch als Bausatz, schaue nach Klatschschalter als Suchbegriff.
Ein Bausatz wird dir vermutlich lieber sein, da er Anleitung und alle Bauteile enthält.
DL2JAS
_________________
mir haben lehrer den unterschied zwischen groß und kleinschreibung und die bedeutung der interpunktion zb punkt und komma beigebracht die das lesen eines textes gerade wenn er komplizierter ist und mehrere verschachtelungen enthält wesentlich erleichtert
|
BID = 668273
GeorgS Inventar
     
Beiträge: 6440
|
Hallo,
warum werden eigentlich außer 555 noch
andere ICs hergestellt?
Duck und....
_________________
Dimmen ist für die Dummen
|
BID = 668275
dl2jas Inventar
     
Beiträge: 9913 Wohnort: Kreis Siegburg
|
741 und 78xx.
DL2JAS
_________________
mir haben lehrer den unterschied zwischen groß und kleinschreibung und die bedeutung der interpunktion zb punkt und komma beigebracht die das lesen eines textes gerade wenn er komplizierter ist und mehrere verschachtelungen enthält wesentlich erleichtert
|
BID = 668276
Otiffany Urgestein
     
Beiträge: 13792 Wohnort: 37081 Göttingen
|
Es gibt auch viele Kopfschmerzmittel!
Der NE 555 ist wie Asperin
Die Schaltung in besserer Verwendbarkeit:
Gruß
Peter
[ Diese Nachricht wurde geändert von: Otiffany am 4 Feb 2010 20:03 ]
|
BID = 668278
Kleinspannung Urgestein
     
Beiträge: 13393 Wohnort: Tal der Ahnungslosen
|
Und du meinst,das funktioniert auch mit seinem Piezodingens?
_________________
Manche Männer bemühen sich lebenslang, das Wesen einer Frau zu verstehen. Andere befassen sich mit weniger schwierigen Dingen z.B. der Relativitätstheorie.
(Albert Einstein)
|
BID = 668284
Otiffany Urgestein
     
Beiträge: 13792 Wohnort: 37081 Göttingen
|
Ich denke schon. Sobald eine Spannungsänderung am Triggereingang erfolgt, wird auch getriggert.
Gruß
Peter
|
BID = 668295
Kleinspannung Urgestein
     
Beiträge: 13393 Wohnort: Tal der Ahnungslosen
|
Ich denk mal nicht.
So ein Piezo macht doch nur ein paar Millivolt,oder irre ich da?
Also die Schaltungen mit Erschütterungs und hastenichtgesehen Sensor die ich so mal gesehen habe,hatten immer einen OPV oder so in der ersten "Stufe" um das Signal etwas anwendungsfreundlicher aufzupeppen.
Was aber jetzt nichts heißen will.
_________________
Manche Männer bemühen sich lebenslang, das Wesen einer Frau zu verstehen. Andere befassen sich mit weniger schwierigen Dingen z.B. der Relativitätstheorie.
(Albert Einstein)
|
BID = 668309
Otiffany Urgestein
     
Beiträge: 13792 Wohnort: 37081 Göttingen
|
Denk mal an ein Piezofeuerzeug
Gruß
Peter
P.S.
Wenn ich dazu komme, baue ich das vielleicht morgen mal auf dem Steckboard auf.
[ Diese Nachricht wurde geändert von: Otiffany am 4 Feb 2010 21:49 ]
|
BID = 668359
cubemusic Gerade angekommen
Beiträge: 15 Wohnort: Eichenau
|
Der NE555 ist eigentlich ein Timer, wenn ich mich da recht an meine C64-Zeit erinnere..., oder? Danke schon mal für die Vorschläge. Vielleicht geht ja doch noch was. Ich würde dann mal warten, ob der Steckboardtest funktioniert, wobei es mir natürlich etwas unangenehm ist, wenn Du Dir da so viel Arbeit machst, Ottifany.
Philip
|