LED Taster ??

Im Unterforum LED Alles über Leuchtdioden - Beschreibung: Probleme mit Leuchtdioden, LED

Elektronik Forum Nicht eingeloggt       Einloggen       Registrieren




[Registrieren]      --     [FAQ]      --     [ Einen Link auf Ihrer Homepage zum Forum]      --     [ Themen kostenlos per RSS in ihre Homepage einbauen]      --     [Einloggen]

Suchen


Serverzeit: 24 12 2025  17:38:43      TV   VCR Aufnahme   TFT   CRT-Monitor   Netzteile   LED-FAQ   Oszilloskop-Schirmbilder            


Elektronik- und Elektroforum Forum Index   >>   LED Alles über Leuchtdioden        LED Alles über Leuchtdioden : Probleme mit Leuchtdioden, LED

Gehe zu Seite ( 1 | 2 Nächste Seite )      


Autor
LED Taster ??
Suche nach: led (32777) taster (7733)

    







BID = 63711

Sascha G

Schriftsteller



Beiträge: 502
Wohnort: Kreis Aachen
Zur Homepage von Sascha G ICQ Status  
 

  


suche eine schaltung: wenn man auf einen Taster drückt soll eine LED angehen wenn man nochmal den Taster drückt soll eine zweite LED angenen usw.... (10 LEDs).


MFG

Sascha

BID = 63714

Triac

Gesprächig



Beiträge: 165
Wohnort: Franken

 

  

du suchst eine zählerschaltung. google mal danach und du findes was darüber.

BID = 63718

Sascha G

Schriftsteller



Beiträge: 502
Wohnort: Kreis Aachen
Zur Homepage von Sascha G ICQ Status  

ich find nichts gutes

BID = 63720

2SJ200

Schreibmaschine

Beiträge: 1942
Wohnort: Österreich

wie willst du die LEDs wieder zurücksetzen, mit 10 RS-FF und 9 NOR gatter würds auch gehn zB

BID = 63721

Jemand

Gesprächig



Beiträge: 118
Wohnort: irgendwo
ICQ Status  

schau im datenblatt des Cmos IC 4017
müsste ein decimalzähler sein
dasteht bestimmt was drin!!!

BID = 63723

2SJ200

Schreibmaschine

Beiträge: 1942
Wohnort: Österreich

der lässt aber alle 10 NACHEINANDER leuchten und nicht 1, dann 1+2 und dann 1+2+3 ...

BID = 63741

Sascha G

Schriftsteller



Beiträge: 502
Wohnort: Kreis Aachen
Zur Homepage von Sascha G ICQ Status  

kann mir irgend jemand daraus einen schaltplan basteln, der 4017 ist gut!


MFG

Sascha

BID = 63744

2SJ200

Schreibmaschine

Beiträge: 1942
Wohnort: Österreich

willst du jetzt das der balken aus 10 leds bei ejdem druck länger wird oder das eine led nach der anderen durchgeschaltet wird ??

BID = 63745

Sascha G

Schriftsteller



Beiträge: 502
Wohnort: Kreis Aachen
Zur Homepage von Sascha G ICQ Status  

ist egal (das einfachere)

BID = 63750

2SJ200

Schreibmaschine

Beiträge: 1942
Wohnort: Österreich

am einfachsten ist mit sicherheit der 4017er

einfach VSS, /ENABLE und /CLOCK an masse schalten

an den CLOCK gibst deine positiven impulse vom taster (der muss enprellt werden da du sonst mit einem tastdruck glei mehrere weiterschalten wirst)

VDD an deine versorgungspannung legen

die ausgänge sind recht schwach, entweder du nimmst low current leds, gehst mit der versorgungspannung weit rauf bis ers halbwegs schafft (wie hoch die versorgung und wie viel strom steht im datenblatt) oder du machst eine transistorstufe für jede led oder du nimmst noch ein treiber IC danach...

mehr benötigst du im grunde nicht, wennst willst kann i noch a schaltung zeichnen, aber bissi später wenns ned dawei wer anderer macht...

BID = 63752

Sascha G

Schriftsteller



Beiträge: 502
Wohnort: Kreis Aachen
Zur Homepage von Sascha G ICQ Status  

wer nett wenn de mir noch einen schaltplan machst

BID = 63760

2SJ200

Schreibmaschine

Beiträge: 1942
Wohnort: Österreich

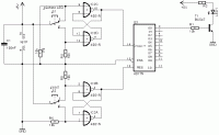
ok, hoffe die schaltung stimmt so ;)

an Q0 is eine ausgangstufe für eine LED gezeichnet, an Q2 bis Q9 kommt auch je eine solche stufe, der LED vorwiderstand hängt von der versorgungspannung und von der LED ab (es steht dort in der schaltung zwar 5V, sollte aber mit 5-15V funktionieren

der obere taster schaltet die leds durch der untere setzt auf die erste led zurück, wenn du öfter als 10mal drückst springt er von der 10ten auf die 1te automatisch zurück

ups, kelinigkeit vergessen, der 4001er mit dem die taster entprellt worden sind benötigt natürlich wie der 4017er auch eine versorgung und am besten noch einen stützkondensator...




[ Diese Nachricht wurde geändert von: 2SJ200 am  9 Apr 2004 18:26 ]

BID = 63763

Sascha G

Schriftsteller



Beiträge: 502
Wohnort: Kreis Aachen
Zur Homepage von Sascha G ICQ Status  

thx

musss ich an den 4001N noch ne extra stromversorgung legen oder kann ich einfach die des 4017 nehmen

BID = 63766

2SJ200

Schreibmaschine

Beiträge: 1942
Wohnort: Österreich

nana, alle an die selbe versorgung, auch die leds kommen an die gleiche

BID = 63767

Sascha G

Schriftsteller



Beiträge: 502
Wohnort: Kreis Aachen
Zur Homepage von Sascha G ICQ Status  

kanste mir mal die eagle-schaltplan-datei schicken ich will mir ein layout machen


[ Diese Nachricht wurde geändert von: Sascha G am  9 Apr 2004 18:58 ]


      Nächste Seite
Gehe zu Seite ( 1 | 2 Nächste Seite )
Vorheriges Thema Nächstes Thema 


Zum Ersatzteileshop


Bezeichnungen von Produkten, Abbildungen und Logos , die in diesem Forum oder im Shop verwendet werden, sind Eigentum des entsprechenden Herstellers oder Besitzers. Diese dienen lediglich zur Identifikation!
Impressum       Datenschutz       Copyright © Baldur Brock Fernsehtechnik und Versand Ersatzteile in Heilbronn Deutschland       

gerechnet auf die letzten 30 Tage haben wir 18 Beiträge im Durchschnitt pro Tag       heute wurden bisher 3 Beiträge verfasst
© x sparkkelsputz        Besucher : 187916247   Heute : 10547    Gestern : 19923    Online : 353        24.12.2025    17:38
11 Besucher in den letzten 60 Sekunden        alle 5.45 Sekunden ein neuer Besucher ---- logout ----viewtopic ---- logout ----
xcvb ycvb
0.0342960357666