555 PWM Dimmer, Bipol. oder FET?

Im Unterforum Projekte im Selbstbau - Beschreibung: Selbstbau von Elektronik und Elektro

Elektronik Forum Nicht eingeloggt       Einloggen       Registrieren




[Registrieren]      --     [FAQ]      --     [ Einen Link auf Ihrer Homepage zum Forum]      --     [ Themen kostenlos per RSS in ihre Homepage einbauen]      --     [Einloggen]

Suchen


Serverzeit: 25 12 2025  09:50:26      TV   VCR Aufnahme   TFT   CRT-Monitor   Netzteile   LED-FAQ   Oszilloskop-Schirmbilder            


Elektronik- und Elektroforum Forum Index   >>   Projekte im Selbstbau        Projekte im Selbstbau : Selbstbau von Elektronik und Elektro

Gehe zu Seite ( 1 | 2 Nächste Seite )      


Autor
555 PWM Dimmer, Bipol. oder FET?
Suche nach: pwm (3629) dimmer (2671)

    







BID = 518487

nEmai

Gelegenheitsposter



Beiträge: 84
Wohnort: Reutlingen
 

  


Guten Abend miteinander,

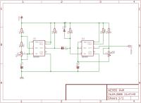
wieder eine kleine Bastelei. Habe den PWM-Schaltplan im Internet gefunden und hoffe, dass er soweit stimmt.
Meine Frage ist nun, soll ich mit dem PWM Signal lieber einen Bipolar Transistor oder einen FET ansteuern?
Es soll eine 50W Halogenlampe gedimmt werden.

(Wenn FET wäre ich über ne Anschlussbelegung glücklich, da ich bis dato nicht verstehe, wie sie beschaltet werden müssen. )

MfG.



BID = 518506

Racingsascha

Schreibmaschine



Beiträge: 2247
Wohnort: Gundelsheim
ICQ Status  

 

  

Leistungs-FETs sind immer (?) in der Reihenfolge G-D-S bedahtet. Das Gate ist sowas wie die Basis eines Bipolartransistors, Drain ist der Kollektor und Source der Emitter. Um den FET durchzusteuern muss man etwa 10V an das Gate im Bezug auf Source anlegen. Ob FET oder Bipolar ist meiner Meinung nach in so einem unkritischen Bereich eine Geschmacksfrage, ich bevorzuge FETs.

_________________
Fnord ist die Quelle aller Nullbits in deinem Computer.
Fnord ist die Angst, die Erleichterung, und ist die Angst.
Fnord schläft nie.

BID = 518507

ElektroNicki

Inventar



Beiträge: 6424
Wohnort: Ugobangowangohousen

nimm nen fet.
die pinbelegung is im allgemeinen (vlnr) gate drain source. g kommt an den 555 , zwischen + und d kommt der verbraucher, s an masse

_________________

edit: der flotte sascha macht seinem namen alle ehre

[ Diese Nachricht wurde geändert von: ElektroNicki am 26 Apr 2008 23:06 ]

BID = 518570

nEmai

Gelegenheitsposter



Beiträge: 84
Wohnort: Reutlingen

Okay, dann nehm ich nen FET.

Vielen Dank.

Edit:
Hoffe stimmt so.




[ Diese Nachricht wurde geändert von: nEmai am 27 Apr 2008 15:52 ]

BID = 522952

nEmai

Gelegenheitsposter



Beiträge: 84
Wohnort: Reutlingen

Guten Abend, ich grabe meinen Thread mal aus.

Bin nun endlich dazu gekommen das mal zusammenzubauen, aber muss feststellen, dass es nicht funktioniert.
Die Beschaltung des linken NE555 geht, am Ausgang entsteht ein am Poti R7 regelbarer Takt. Am Ausgang des rechten NE555 kommt allerdings nichts an.
Bin mir bei meinem Aufbau relativ sicher und hab schon auf Wackler usw. geprüft.

Liegen denn im Schaltplan irgendwelche groben Fehler vor? Ich hab ihn unverändert aus dem Internet übernommen.

MfG.

BID = 523003

teotihuacan

Gesprächig



Beiträge: 170
Wohnort: Winterlingen
ICQ Status  

Hast du ein Oszilloskop?

Ich glaube nämlich schon, dass am 2. 555 schon etwas ankommt, nämlich bei jeder Taktflanke des ersten 555 müsste ein sehr kurzer 0V-Peak kommen (der Kondensator C2 lädt sich auf, sobald Spannung kommt, da er jedoch sehr klein ist, ist er sofort geladen und sperrt nach sehr kurzer Zeit). Nach dem Kondensator kommt ja noch ein Widerstand gegen 12V. Dadurch hat der Peak 0V-Potenzial und direkt nach dem Peak kommt wieder 12V-Potenzial. Dieser Peak ist so kurz, dass du ihn wahrscheinlich mit keinem Multimeter messen kannst. Dadurch zeigt das Multimeter ständig 12V an. Stimmt das soweit?

Allerdings kommt mir gerade dieser Kondensator sehr klein vor, so nach Gefühl hätte ich eher einen mit 1n oder sowas genommen.

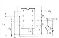
Ganz allgemein kommt mir der Schaltplan etwas spanisch vor. Z.B. ist der Reset am 1. 555 direkt auf 12V gelegt, beim zweiten ist er über einen 100k-Widerstand auf 12V gelegt. Außerdem ist die Taktfrequenz von ca. 10Hz-100Hz einstellbar (siehe Datenblatt vom NE555, Seite 11), das kommt mir ein bisschen langsam vor. Ich hätte für eine PWM eher 1-10kHz oder noch mehr erwartet.


Vom Funktionsprinzip her ist der 1. 555 ein Taktgenerator und der 2. ist ein Monoflop. Der Taktgenerator triggert das Monoflop (zum Triggern reicht ein kurzer 0V-Impuls). Der Ausgang ist dann eine bestimmte Zeit lang auf 12V-Potenzial und geht danach auf 0V. Diese Zeit ist über das Poti R8 einstellbar. Die einstellbare Zeit beträgt ca. 1ms-10ms (siehe Datenblatt Seite 9).

Dass dann die PWM überhaupt Sinn macht, musst du das Poti R7 ganz runter drehen, so dass die Taktfrequenz so hoch wie möglich ist, in dem Fall ca. 100Hz. bei 100Hz kommt alle 10ms ein kurzer Peak um das Monoflop zu triggern. Und das ist dann immer 1-10ms lang auf 12V.
Ist die Frequenz zu niedrig, so ist der Ausgang viel länger auf 0V als 12V. Somit leuchtet die Lampe entweder gar nicht oder man sieht es fast nicht. Möglicherweise war das das Problem bei deiner Schaltung.

Wenn die PWM dann immer noch nicht funktioniert, dann ersetz den Kondensator C2 durch einen größeren mit ca. 1n und schau nach ob dann irgendwelche 0V-Peaks am Triggereingang des zweiten NE555 ankommen.


PDF anzeigen


BID = 523029

nEmai

Gelegenheitsposter



Beiträge: 84
Wohnort: Reutlingen

Nein, so gut ist meine Werkstatt aka Schreibtisch leider nicht ausgestattet.

Was meinst du mit kann man nicht messen? Dass die Spannung von kurz fällt? Das stimmt wohl, aber für den Taktzähler in meinem Multi sollte das machbar sein, kommt aber 0.

Ich hab nun den Kondensator gegen 4,7nF aus der Bastelkiste ersetzt und jetzt funktioniert es. (Nu mess ich da auch einen Takt dran..)

Der mit dieser Schaltung maximal einstellbare Takt liegt bei 137,5Hz.
Allerdings verhält sich die PWM etwas komisch, wenn ich auf maximalem Takt arbeit. Der Takt an der PWM ist dann 1,3kHz. Was mich nun bisschen wundert ist das Tastverhältnis. Das Minimum is 14,3%, das lässt sich regeln bis auf 92%, bricht dann ein auf 50% und geht dann bis ans ende vom Poti wieder bis auf 80% hoch.
Bei ca. 75Hz vom Taktgeber lässt sich das TV von 8,5-92,9% regeln.

Zu der Sache mit den Resetpins: Mist jetzt ist es doch aufgefallen, dass ich an dem Schaltplan gepfuscht hab.
An dem 100k Widerstand war noch eine Resetleitung rausgeführt, die hab ich aber weggelassen.

[ Diese Nachricht wurde geändert von: nEmai am 21 Mai 2008 15:29 ]

BID = 523271

teotihuacan

Gesprächig



Beiträge: 170
Wohnort: Winterlingen
ICQ Status  

Läuft die PWM jetzt zufriedenstellend oder nicht?


Ist die maximale Taktfrequenz denn jetzt 137,5Hz oder 1,3kHz?

Das komische Verhalten der PWM könnte davon kommen, dass die beiden Timer nicht genau aufeinander abgestimmt sind, und zwar ist das Monoflop nicht nachtriggerbar, das heißt wenn ein 0V-Signal an TRIG kommt, dann fängt die Zeit an zu laufen, bis sie abgelaufen ist, egal ob während dieser Zeit noch weitere 0V-Signale auf TRIG kommen. Wenn jetzt also die Taktfrequenz zu hoch ist, dann kommen auf eine Zeitperiode des Monoflops 2 oder mehrere Triggerimpulse, allerdings läuft die Zeit unabhängig davon ab und der Ausgang geht auf 0 runter, wenn die Zeit abgelaufen ist, egal wie viel Triggerimpulse kommen.
Danach muss das Monoflop aber wieder auf den nächsten Triggerimpuls warten und ist solange auf 0.

Ich hab es dir kurz skizziert. Oben sind die Triggerimpulse in 3 verschiedenen Frequenzen, nämlich zu kleine Frequenz, genau richtige Frequenz und zu hohe Frequenz (was bei dir der Fall sein wird). Unten ist das Ausgangssignal, das eingestellte Zeitinterval des Monoflops ist dabei maximal und immer gleich.

Versuche die Frequenz auf die maximale Zeitperiodendauer des Monoflops abzugleichen. Ich habe dir ja das Datenblatt des 555 bereits hochgeladen. Auf den Seiten 9 und 11 sind Diagramme für Frequenz des Taktgenerators sowie Intervaldauer des Monoflops.
Es müsste etwa so aussehen, dass das Tastverhältnis 100% ist, wenn die Taktfrequenz genau 1/max.Zeitinterval des Monoflops ist.


Das mit dem Kondensator ist einleuchtend, bei den paar pF ist der Impuls einfach zu kurz, sowohl für den 555 zum Triggern, also auch für die Frequenzmessung deines Multimeters.



BID = 523283

nEmai

Gelegenheitsposter



Beiträge: 84
Wohnort: Reutlingen

Verwirrend, nicht? Am Taktgenerator 555 messe ich 137,5Hz als maximalen Takt, am PWM-Transistor am Monoflop 555 messe ich dann 1,3kHz. Frag die Teile wie das zu Stande kommt..

Zufriedenstellend kann man 92% nicht nennen, da ich dann gerade mal 8V auf meiner Lampe hab. Was mich in diesem Zusammenhang generell ein wenig Bauklötze staunen lässt ist die Tatsache, dass der Transistor verdammt heiß wird, sprich nen Leistungsabfall hat. Das verunsichert mich, ob ich das Konzept von PWM-Dimmung verstanden hab. Ich mein, der Transistor fungiert doch nur als Schalter und wird verschieden lang voll durchgesteuert, warum dann der Leistungsabfall? Es ist nicht so dramatisch wie bei Regelungen wo der Transistor dafür konzipiert ist, die Leistung zu fressen, man sieht ja der Strom geht runter, aber dennoch wundert es mich.

Das mit den Frequenzen ist gut erklärt, ich glaub ich brauch noch ein feineres Poti, weil so krieg ich das nicht eingestellt. Da gibt es einen Punkt der Frequenz um ca. 75Hz da komm ich bis 92% TV, gleich drüber brichts wieder ein.

MfG.

BID = 523287

Lötfix

Schreibmaschine



Beiträge: 2328
Wohnort: Wien

Hallo!

In die Gate-Leitung sollte ein niederohmiger Widerstand 5..20 Ohm, das verhindert Schwingungen des Mosfet. Vielleicht kommen die 1,3kHz ja davon.

mfg lötfix

_________________
Haftungsausschluß:
Bei obigem Beitrag handelt es sich um meine private Meinung. Rechtsansprüche dürfen daraus nicht abgeleitet werden. Sicherheitsvorschriften beachten!

BID = 523292

nEmai

Gelegenheitsposter



Beiträge: 84
Wohnort: Reutlingen

Der Widerstand am Transistor hat nicht allzuviel gebracht.

Hab nun am Taktgenerator 100k+2k2+100r potis gestaffelt und komme damit bis auf ein TV von 98,0%. Sofort drüber bricht es ein, egal wie vorischtig ich hochgeh. Ein 10r Spinteltrimmer wär ne feine Sache.

MfG.

[ Diese Nachricht wurde geändert von: nEmai am 22 Mai 2008 21:22 ]

BID = 523297

Lötfix

Schreibmaschine



Beiträge: 2328
Wohnort: Wien

Womit wird die Schaltung versorgt?
Eventuell einen größeren Elko direkt an der Schaltung anschließen.
Hat die Zuleitung ausreichenden Querschnitt?

mfg lötfix

_________________
Haftungsausschluß:
Bei obigem Beitrag handelt es sich um meine private Meinung. Rechtsansprüche dürfen daraus nicht abgeleitet werden. Sicherheitsvorschriften beachten!

BID = 523677

nEmai

Gelegenheitsposter



Beiträge: 84
Wohnort: Reutlingen

Versorgt wird die Schaltung aus 12v Akkus, wodurch der Glättungskondensator imho unnötig wird.
Über die Zuleitung für die Halo mach ich mir dann Gedanken, sollte es mal richtig funktionieren. So lange hängen nur ne Stadart-LED und mein Multi dran.

Egal was ich tu, ich komm nicht über 98,1% TV. Das ist doch zum durchdrehen.

MfG.

BID = 523680

Lötfix

Schreibmaschine



Beiträge: 2328
Wohnort: Wien


Zitat :
nEmai hat am 24 Mai 2008 18:56 geschrieben :


Versorgt wird die Schaltung aus 12v Akkus, wodurch der Glättungskondensator imho unnötig wird.


Versuch es trotzdem mal mit Kondensatoren direkt an den IC.
Die unterdrücken störende Spitzen während der Schaltvorgänge.
Gut, über den Zuleitungsquerschnitt für die Led brauchen wir nicht reden, mit der Halo ist es dann wichtig.

100% TV geht aber nur wenn das Monoflop nachtriggerbar ist, d.h. es muß nicht abgefallen sein um die Zeit neu zu starten.
Muß erst im Datenblatt nachsehen, ob das hier möglich ist.


mfg lötfix

_________________
Haftungsausschluß:
Bei obigem Beitrag handelt es sich um meine private Meinung. Rechtsansprüche dürfen daraus nicht abgeleitet werden. Sicherheitsvorschriften beachten!

[ Diese Nachricht wurde geändert von: Lötfix am 24 Mai 2008 19:16 ]

BID = 523681

Lötfix

Schreibmaschine



Beiträge: 2328
Wohnort: Wien

Habe nachgelesen:
Die verwendete Schaltung ist nicht nachtriggerbar, der Ausgang muß abfallen bevor neu getriggert werden kann. Mit etwas Beschaltung kann man das ändern:

mfg lötfix




_________________
Haftungsausschluß:
Bei obigem Beitrag handelt es sich um meine private Meinung. Rechtsansprüche dürfen daraus nicht abgeleitet werden. Sicherheitsvorschriften beachten!


      Nächste Seite
Gehe zu Seite ( 1 | 2 Nächste Seite )
Vorheriges Thema Nächstes Thema 


Zum Ersatzteileshop


Bezeichnungen von Produkten, Abbildungen und Logos , die in diesem Forum oder im Shop verwendet werden, sind Eigentum des entsprechenden Herstellers oder Besitzers. Diese dienen lediglich zur Identifikation!
Impressum       Datenschutz       Copyright © Baldur Brock Fernsehtechnik und Versand Ersatzteile in Heilbronn Deutschland       

gerechnet auf die letzten 30 Tage haben wir 18 Beiträge im Durchschnitt pro Tag       heute wurden bisher 4 Beiträge verfasst
© x sparkkelsputz        Besucher : 187929830   Heute : 6927    Gestern : 17227    Online : 400        25.12.2025    9:50
14 Besucher in den letzten 60 Sekunden        alle 4.29 Sekunden ein neuer Besucher ---- logout ----viewtopic ---- logout ----
xcvb ycvb
0.0664439201355