| Autor |
|
Voltcraft M-3850 Schaltplan+kaputt durch falsche Polung |
|
|
|
|
BID = 605252
Einstein jr. Gerade angekommen
Beiträge: 6 Wohnort: hannover
|
|
Hallo Leute,
ich hoffe hier bin ich mit meiner Frage richtig und ihr könnt mir helfen.
Ich bräuchte den Schaltplan des Voltcrafts M-3850, hat den vllt. jmd und könnte den mir vllt. einer schicken.
Und als zweites: Mein Vater hat mit einer regelbaren Spannungsquelle den Voltcraft falsch angeschlossen, also + zu - und andersrum. Seit dem funktioniert der nicht. Habt ihr vllt. eine Idee woran es liegen könnte? Und wieso geht der so schnell kaputt, sparen die bei ein paar Teilen und schon funzt der nicht ???
Danke schonmal für eure Hilfe.
MfG Einstein jr. |
|
BID = 605258
Mr.Ed Moderator
      
Beiträge: 36327 Wohnort: Recklinghausen
|
|
Das Gerät ist letztendlich ein Metrix M-3850.
Aber warum sollte das Multimeter heile bleiben wenn man, entgegen der Anleitung und jeder Vernunft, keine Batterien sondern ein externes Netzteil benutzt und das auch noch falsch gepolt anschließt? Da hat man nicht gespart, das ist völlig normal!
Wenn da kein Verpolungsschutz drin ist, wird das wohl jetzt Schrott sein.
_________________
-=MR.ED=-
Anfragen bitte ins Forum, nicht per PM, Mail ICQ o.ä. So haben alle was davon und alle können helfen. Entsprechende Anfragen werden ignoriert.
Für Schäden und Folgeschäden an Geräten und/oder Personen übernehme ich keine Haftung.
Die Sicherheits- sowie die VDE Vorschriften sind zu beachten, im Zweifelsfalle grundsätzlich einen Fachmann fragen bzw. die Arbeiten von einer Fachfirma ausführen lassen. |
|
BID = 605264
sam2 Urgestein
     
Beiträge: 35321 Wohnort: Franken (bairisch besetzte Zone)
|
Zur Sicherheit:
Wurde die externe Quelle denn wirklich als Ersatz für die Versorgungsbatterie des Meßgeräts angeschlossen oder "nur" an die Meßklemmen?
Wenn an Meßklemmen, an welche genau und in welchem Meßbereich?
Vergessen:
Erstmal noch willkommen im Forum!
_________________
"Das Gerät habe ich vor soundsoviel Jahren bei Ihnen gekauft! Immer ist es gegangen, immer. Aber seit gestern früh geht es plötzlich nicht mehr. Sagen Sie mal, DA STIMMT DOCH WAS NICHT???"
[ Diese Nachricht wurde geändert von: sam2 am 30 Apr 2009 15:19 ]
|
BID = 605267
Einstein jr. Gerade angekommen
Beiträge: 6 Wohnort: hannover
|
Hi!
@ Mr.Ed: mein Vater hat den Netzteil angeschlossen, weil er unten im Keller bzw. oben im Haus keine Batterien mehr hatte und er das Messgerät brauchte. Er ist ja nen Elektriker und weiß (denk ich mal) was er tut... Und so wies aussieht, er hats auseinandergenommen ich nicht, war kein Verpolungsschutz vorhanden.
@ sam2: ja, wurde als ersatz genommen...
Naja, wenn ihr meint der ist total hin sag ichs ihm mal. Shit happens.
|
BID = 605270
sam2 Urgestein
     
Beiträge: 35321 Wohnort: Franken (bairisch besetzte Zone)
|
Was ist schon "total"?
Ein wirtschaftlicher Totalschaden dürfte das in jedem Fall sein. Ob es auch ein technischer ist, bliebe zu kären.
Aber bei dem heute geringen Preis solcher Geräte dürfte sich das nicht lohnen. Selbst wenn man es wieder zu Laufen kriegt, ist i.d.R. die Meßgenauigkeit hinüber...
Als Elektrofachkraft sollte Dein Vater wissen, daß die Speisung derartiger Meßgeräte aus externen Quellen schon aus Sicherheitsgründen (Potentialverschleppung aus dem Meßkreis) streng untersagt ist!
|
BID = 605271
Spok Schriftsteller
    
Beiträge: 728
|
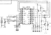
Ich würde mal in diesem Bereich nachsehen.
Das Original ist leider kaum lesbar, deshalb auch ein Schaltplanauszug aus einem vergleichbaren Typ.
MfG
|
BID = 605273
sam2 Urgestein
     
Beiträge: 35321 Wohnort: Franken (bairisch besetzte Zone)
|
Das Gerät wird von einem 9V-Block gespeist.
Da könnte der Verpolungsschutz preiswert und batteriesparend durch die Form des Batteriefachs im Bereich der Kontaktpole realisiert worden sein.
Gegen Verpolung bei grob bestimmungswidrigem Gebrauch kann das latürnich nicht schützen...
|
BID = 605276
Einstein jr. Gerade angekommen
Beiträge: 6 Wohnort: hannover
|
@ spok: danke, checken wir mal dann. Hast du die eingescannt oder ausm Netz gezogen. Ich habs nämlich gesucht und nichts gefunden. Und wenn du vllt. den gesmten Schaltplan schicken könntest..wär echt nett.
@ sam2: Ja er hat schon nen neues Gerät in Betracht gezogen, aber zu wissen was und wie kaputt ist, kann ja nicht schaden oder
|
BID = 605356
micha27 Gesprächig
  
Avatar auf fremdem Server ! Hochladen oder per Mail an Admin
Beiträge: 130
|
hallo,
hast du eine mail-Adresse, die 6 Mb aufnimmt, dann habe ich Unterlagen.
Die Adresse kannst du als PN schicken.
Gruß
micha27
|
BID = 605362
micha27 Gesprächig
  
Avatar auf fremdem Server ! Hochladen oder per Mail an Admin
Beiträge: 130
|
hallo,
hast du eine mail-Adresse, die 6 Mb aufnimmt, dann habe ich Unterlagen.
Die Adresse kannst du als PN schicken.
Gruß
micha27
|
BID = 605389
Einstein jr. Gerade angekommen
Beiträge: 6 Wohnort: hannover
|
vielen dank micha
zur Messungenauigkeit hab ich nochmal ne Frage: kann ich die nicht verbessern, in dem ich das Messgerät kalibriere? Das muss ich doch bei jedem Messegerät mal machen, damit ich der Messungenauigkeit, die im Laufe der Jahre zunimmt, entgegenwirke...
[ Diese Nachricht wurde geändert von: Einstein jr. am 1 Mai 2009 10:56 ]
|
BID = 605477
micha27 Gesprächig
  
Avatar auf fremdem Server ! Hochladen oder per Mail an Admin
Beiträge: 130
|
Ja, Kalibrieren hilft, definierte Meßwerte zu bekommen bzw. die Werte der Meßungenauigkeit zu kennen und zu korrigieren.
Das Problem ist "nur", daß man zum Kalibrieren Normale braucht, die um einiges besser sein müssen als dein Instrument.
Man kann es auch für einiges Geld kalibrieren lassen.
[ Diese Nachricht wurde geändert von: micha27 am 1 Mai 2009 20:58 ]
|
BID = 605523
Kleinspannung Urgestein
     
Beiträge: 13386 Wohnort: Tal der Ahnungslosen
|
Zitat :
micha27 hat am 1 Mai 2009 20:57 geschrieben :
|
Man kann es auch für einiges Geld kalibrieren lassen.
|
Man kann sich auch einen LT1021 o.ä besorgen,und es Näherungsweise selber machen.
_________________
Manche Männer bemühen sich lebenslang, das Wesen einer Frau zu verstehen. Andere befassen sich mit weniger schwierigen Dingen z.B. der Relativitätstheorie.
(Albert Einstein)
|
BID = 605549
Rhodosmaris Schreibmaschine
    
Beiträge: 2362 Wohnort: Lindau/Bodensee
|
Einen Kalibrier-/Eichservice mit und ohne Prüfzertifikat bietet das blaue "C" an. Die Preise sind aber nicht ohne.
Micha27
Würdest du mir die Unterlagen bitte auch zukommen lassen? Vor einigen Jahren schon ist mir bei meinem originalen Metex 3850 der Shunt des 200mA Bereiches verglüht. Da ich keinen Wert mehr ablesen konnte, hab ich einen Widerstand durch Vergleichsmessungen mit einem anderen Gerät ermittelt und eingebaut. Trotzdem vertrau ich dem Metex seit dem nicht mehr so richtig. Metex wollte mir keine Daten zuschicken und im Netz bin ich auch nicht fündig geworden.
Wär sehr nett von dir. Postfach ist groß genug - vll. hast aber auch nen für alle zugängl. Webspace.
Mailaddy schick ich per PN.
ciao Maris
|
BID = 605642
Einstein jr. Gerade angekommen
Beiträge: 6 Wohnort: hannover
|
also, "normale" messwerte zu kriegen, ist ja kein Ding. Hast nen Messgerät oder leihst dir eins kriegst du die raus. NUr ma so aus interesse: LTC1021, was ist das? ein ic? und um es näherungsweise bestimmen zu können, bräuchte ich eine schaltung, die ich mir erstellen muss, stimmts?
Aber wie kann ich das ganze kalibrieren, weißt jmd wie das bei meinem geht, bin nicht so der Freak und hab das wissen...
|