| Autor |
Schaltungsvorschläge Spannung pulsen Suche nach: spannung (45779) |
|
|
|
|
BID = 604346
Otiffany Urgestein
     
Beiträge: 13779 Wohnort: 37081 Göttingen
|
|
Und was ist an der Schaltung anders (außer den Werten), als an der von mir vorgeschlagenen?
Gruß
Peter
[ Diese Nachricht wurde geändert von: Otiffany am 26 Apr 2009 20:13 ] |
|
BID = 604349
selfman Schreibmaschine
    
Beiträge: 1681 Wohnort: Seekirchen a. W.
|
|
@Otiffany
Die Verschaltung des ersten Bausteins, dieser stellt bereits eine astabile Kippstufe dar! Und die sehr zu empfehlenden Kondis am Pin 5!
Den Vorteil der Schaltung sollte wahrscheinlich die Unabhängigkeit der Pulsfrequenz von der Pulsdauer sein. Es kommt eben darauf an, was man möchte.
Zitat :
| | wüsste nicht, wie ich das probieren sollte | In dem man es mit geeigneten Meßgeräten überprüft!
Schöne Grüße Selfman
_________________
Traue keinem Ding, das du nicht selber vermurkst hast. |
|
BID = 604350
meisterS Neu hier

Beiträge: 28 Wohnort: Kraichtal
|
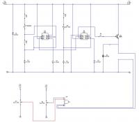
Hi,
hab mal was gezeichnet.
Wie der 4051 funktioniert, hab ich inzwischen auch verstanden
Nur wo ich den OpAmp ranpacken soll, weiss ich noch nicht.
Vielen Dank an alle, die sich hier beteiligen, ich lerne ständig dazu.
Hatte leider kein geeignetes Zeichen für den 4051, aber ich denke, alle die mitlesen, wissen was das darstellen soll.
Grüsse Stefan
[ Diese Nachricht wurde geändert von: meisterS am 26 Apr 2009 20:28 ]
|
BID = 604354
selfman Schreibmaschine
    
Beiträge: 1681 Wohnort: Seekirchen a. W.
|
Den Transistor sammt Vorwiderstand und Diode kannst Dir sparen. Der Analogschalter funktioniert zwar von außen gesehen wie ein Relais, ist aber rein elektronisch, hat also keine Spule die Strom zieht. Der Pontentialwechsel von Versorgungsspannung / Masse reicht aus.
Am Ausgang des Analogschalter könnte man die Spannung noch mit einem OP-Amp puffern, ist aber ev. gar nicht notwendig.
Und beherzige meinen Ratschlag!
Schöne Grüße Selfman
_________________
Traue keinem Ding, das du nicht selber vermurkst hast.
|
BID = 606190
meisterS Neu hier

Beiträge: 28 Wohnort: Kraichtal
|
Hallo,
habe die PWM nun mal nachgebaut und die funktioniert auch wunderbar.
Bevor ich das aber weiter ausbaue, will ich mir zunächst einen Fußfernregler bauen.
Nun aber meine Frage: ich habe am Gerät einen 10k Poti, mit dem ich von 0- 10V Steuerspannung einstellen kann.
Ziel soll sein, an zwei Potis 2 Spannungen abzugreifen und dazwischen mit dem Pedal hin und her zu "faden".
Wie muss ich die Potis anordnen, damit das klappt?
Stehe gerade auf dem Schlauch,
Grüsse Stefan
|
BID = 606195
perl Ehrenmitglied
       
Beiträge: 11110,1 Wohnort: Rheinbach
|
Dazu wirst du zunächst die Ausgangsspannungen der beiden Potis für Min und Max puffern müssen, damit sie lastunabhängig werden. *)
Ins Pedal kommt ein weiteres Poti, dessen Schleifer sich dann zwischen den beiden Werten bewegen kann.
*) Alternativ kannst du auch auf die Pufferung verzichten, wenn du relativ niederohmige Potis nimmst und den Widerstandswert des Poti im Pedal viel grösser wählst.
[ Diese Nachricht wurde geändert von: perl am 5 Mai 2009 20:45 ]
|
BID = 606221
meisterS Neu hier

Beiträge: 28 Wohnort: Kraichtal
|
auch wenn die Lösung bestimmt einfach ist:
wie muss ich die beiden Potis anordnen, parallel oder in Reihe?
bzw wo muss das dritte hin?
|
BID = 606223
dl2jas Inventar
     
Beiträge: 9913 Wohnort: Kreis Siegburg
|
Letztens habe ich an einem WIG-Schweißekasten herumgeschraubt, im Gegenzug bekam ich mein Auto repariert.
Die Funktion soll doch sein, daß anfangs hoher Strom fließt und dann für die laufende Naht ein geringerer Strom. Das Ding von Dalex hatte so eine Einrichtung. Drückte man im Griffstück einen Kontakt, änderte sich der Schweißstrom des Dalex. Ich nehme an, eine solche Funktion möchtest Du auch haben. Wozu dann das ständige Herumtakten zwischen zwei Schweißströmen?
Die Schaltung kann sehr einfach werden. Werksseitig das Poti ist offensichtlich als Spannungsteiler geschaltet, Abgriff am Schleifer. An diesen schließt Du ein weiteres Poti an, wieder Spannungsteiler. Die Steuerspannung wird dann am Schleifer des zweiten Potis abgegriffen. Jetzt kommt der Trick.
Der Fußpunkt des zweiten Potis wird nur bei Bedarf nach Masse geschaltet mit einem Relais, Transistor oder was auch immer. Mit dem Poti wird dann der deutlich niedrigere Schweißstrom eingestellt. Hat der Fußpunkt keinen Kontakt zur Masse, ist das zweite Poti kein Spannungsteiler mehr, am Schleifer steht die selbe Spannung wie am Schleifer des ersten Potis. Das klappt aber nur, wenn lediglich die Spannung interessant ist und kein nennenswerter Strom fließt. Auch belastet das zweite Poti den ersten Spannungsteiler, wenn der Schalter geschlossen ist.
DL2JAS
_________________
mir haben lehrer den unterschied zwischen groß und kleinschreibung und die bedeutung der interpunktion zb punkt und komma beigebracht die das lesen eines textes gerade wenn er komplizierter ist und mehrere verschachtelungen enthält wesentlich erleichtert
|
BID = 606377
meisterS Neu hier

Beiträge: 28 Wohnort: Kraichtal
|
Hey super,
genau so werde ich das machen.
Wie sollte der 2. Poti dimensioniert sein? hab hier nur nen 100kOhm rumliegen
sollte doch auch gehen oder?
Grüsse Stefan
|
BID = 606397
Bartholomew Inventar
     
Beiträge: 4676
|
Kommt auf den Wert des ersten Potis und die tatsächliche Stromaufnahme der Schaltung an. Einen 100kΩ-Spanungsteiler macht man eigentlich nur, wenn man weiß, dass nur sehr sehr wenig Strom abgenommen wird.
Könnte mit 2*100kΩ aber dennoch klappen (muss aber nicht).
|
BID = 606410
dl2jas Inventar
     
Beiträge: 9913 Wohnort: Kreis Siegburg
|
Stefan, probiere es aus!
Vermutlich wird es funktionieren. Meist werden solche Spannungsteiler so gering belastet, daß ein Poti 100 kOhm nicht auffällt. Berichte, was aus dem Projekt geworden ist.
DL2JAS
_________________
mir haben lehrer den unterschied zwischen groß und kleinschreibung und die bedeutung der interpunktion zb punkt und komma beigebracht die das lesen eines textes gerade wenn er komplizierter ist und mehrere verschachtelungen enthält wesentlich erleichtert
|
BID = 606624
meisterS Neu hier

Beiträge: 28 Wohnort: Kraichtal
|
Hier mal der Versuchsbericht:
Es klappt!!
Ich schließe den Kontakt mit einem Fußtaster, das Poti ist ein 100kOhm.
Damit kann ich die Steuerspannung von 0V bis nahe dem eingestellten ersten Wert regulieren.
Wenn ich das Ganze nun mit der PWM kombiniere, dann hab ich alles was ich wollte
Super Forum super Leute und ich hab einiges dazugelernt.
Nun muss ich nur noch die PWM neu dimensionieren. Irgendwie ist die Frequenz im Moment viel zu hoch. Kann ich das irgendwo berechnen? SO wie ich das verstanden habe, kommt es auf den Kondensator sowie die Widerstände an.
Grüsse und noch einmal vielen Dank an alle, die hier geschrieben haben.
Stefan
|
BID = 606631
selfman Schreibmaschine
    
Beiträge: 1681 Wohnort: Seekirchen a. W.
|
Wenn ich mich jetzt auf Deine letzte Zeichnung beziehen darf, dann machst Du einfach C2 und C3 größer, dann fällt die Frequenz. Ob um das Doppelte, Dreifache, Zehnfache, das spielt keine Rolle.
Schöne Grüße Selfman
_________________
Traue keinem Ding, das du nicht selber vermurkst hast.
|
BID = 606649
dl2jas Inventar
     
Beiträge: 9913 Wohnort: Kreis Siegburg
|
Mir ist noch nicht klar, wozu die PWM benötigt wird.
Schweißtechnik ist mir nicht ganz unbekannt, bin aber eher Laie. Oder anders ausgedrückt, ich bin der Einäugige unter den Blinden, hatte mal vor vielen Jahren ein Blockpraktikum Schweißtechnik.
DL2JAS
_________________
mir haben lehrer den unterschied zwischen groß und kleinschreibung und die bedeutung der interpunktion zb punkt und komma beigebracht die das lesen eines textes gerade wenn er komplizierter ist und mehrere verschachtelungen enthält wesentlich erleichtert
|
BID = 606903
selfman Schreibmaschine
    
Beiträge: 1681 Wohnort: Seekirchen a. W.
|
Bin auch kein Schweißtechnologe, aber speziell bei Aluminiumschweißen, aber auch bei Schweißrobotern ist heutzutage der sogenannte "Puls-Arc" Stand der Technik.
Der Schweißstrom wird dabei schnell hoch und runter "gepulst"! Das gibt einerseits genügend Hitze für einen tiefen Einbrand und schafft genügen Pausen zum Abkühlen damit einem das Schweißbad nich davonläuft.
Beim Schweißen in Zwangslagen (an senkrechten Teilen oder Überkopf) ist das auch bei Stahl sehr nützlich. Z.B. wird auch das händische Schweißen einer Steignahnt an einem senkrechten Teil so ausgeführt, daß währenden des Schweißens immer wieder kurz aus dem Schweißbad kurz nach oben gezogen wird um die Schmelze zu kühlen, weil sonst alles nach unten wegläuft. Der Puls-Arc ersetzt diese Handlung.
Bei Aluminimum, wo man genrell größere Probleme hat die nötige Hitze einzubringen um ein Schmelzbad zu erreichen und noch dazu dann mit ein bißchen mehr Wärme gleich alles davonläuft hilft so ein Verfahren auch und ist daher praktisch schon Standard.
Schöne Grüße Selfman
_________________
Traue keinem Ding, das du nicht selber vermurkst hast.
|