| Autor |
|
|
|
BID = 565340
susannsusann Gelegenheitsposter
 
Beiträge: 53
|
|
wollte meinen Account löschen habs aber nicht gefunden. Wer den Zugriff dazu hat kann mich rausschmeißen. |
|
BID = 565343
Her Masters Voice Inventar
     
Avatar auf fremdem Server ! Hochladen oder per Mail an Admin
Beiträge: 5312 Wohnort: irgendwo südlich von Berlin
|
|
ich täts nur zu gern, kanns aber leider auch nicht... |
|
BID = 565357
susannsusann Gelegenheitsposter
 
Beiträge: 53
|
Zitat :
Her Masters Voice hat am 18 Nov 2008 19:32 geschrieben :
|
ich täts nur zu gern, kanns aber leider auch nicht...
|
noch son Korinthenkacker  meine fresse was laufen hier nur für Typen rum, können oder wollen nicht lesen  aber kräftig nachäffen.
Noch jemand nettes hier ?
|
BID = 565367
Ltof Inventar
     
Beiträge: 9386 Wohnort: Hommingberg
|
Zitat :
susannsusann hat am 18 Nov 2008 20:01 geschrieben :
|
Noch jemand nettes hier ?
|
Ja
Ich hätte noch ne fünfte Variante:
Ein µC mit AD-Wandler misst den Gleichspannungsanteil und kompensiert das am Eingang in beliebig langen Zeitintervallen mit einem DA-Wandler.
sechs:
ein hydraulischer I-Regler
sieben:
ein magnetischer Regler
acht:
ein grooooooßer Kondensator am Ausgang - ach nee! - is ja unerwünscht...
neun:
ein Sklave, der am Poti dreht - ach nee! - is ja verboten...
_________________
„Schreibe nichts der Böswilligkeit zu, was durch Dummheit hinreichend erklärbar ist.“
(Hanlon’s Razor)
|
BID = 565392
susannsusann Gelegenheitsposter
 
Beiträge: 53
|
Zitat :
Ltof hat am 18 Nov 2008 20:26 geschrieben :
|
neun:
ein Sklave, der am Poti dreht -
|
der war echt gut  genauso werde ich es machen
Hier lässt sich mit Sicherheit der ein oder andere für diese Zweckentfremdung finden
Vielen dank Holger
|
BID = 565407
dl2jas Inventar
     
Beiträge: 9913 Wohnort: Kreis Siegburg
|
Ist schon schwierig, wenn man nicht weiß, was man will...
Zitat :
susannsusann hat am 13 Nov 2008 14:39 geschrieben :
|
...
Mit dieser Endstufe will ich nichts machen, es sollte ja nur als beispiel dienen.
Was ich meinte ist halt eine Schaltung damit zum einen ich keinen Eingangskondensator brauche, und zum anderen der DC - Abgleich bzw. der DC anteil in einer Verstärkerschaltung dezimiert wird.
...
|
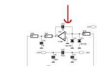
Auf welche Schaltung zeigt der rote Pfeil?
Langsam wird es hier wirklich zum Lachkabinett.
DL2JAS
|
BID = 565414
susannsusann Gelegenheitsposter
 
Beiträge: 53
|
das sehe ich genauso.
An sich hatte ich ja schon versucht das meine Frage nur auf das hier bezogen war, aber da ist ja so gut wie keiner richtig drauf eingegangen. Wie da waren Antworten, musst halt nach ICs suchen, wirklich sehr geistreich. Ich hätte nie gedacht das es bei euch so schwer ist was in Erfahrung zu bringen. Hinzu kommt dann noch das man manche hier wirklich in die  hauen kann.
Die eigentliche Frage wurde ja selbst nach nun mittlerweile vielen Seiten immer noch nicht beantwortet, und warum ? weils kaum einer richtig liest. Wichtig scheint ja nur zu sein, jeeeeeh ich habe geantwortet, ich habe fertig.
Gruß Holger
|
BID = 565436
dl2jas Inventar
     
Beiträge: 9913 Wohnort: Kreis Siegburg
|
Wirr der Mann.
Du hast die Schaltung, Du hast ein Simulationsprogramm, was Du angeblich recht gut bedienen kannst. Was fehlt noch?
Vermutlich was zum Austoben!
Hier ein entsprechender Link, der dann parallel genutzt werden sollte, wenn kein fachlicher Inhalt vorhanden:
https://forum.electronicwerkstatt.d.....65433
DL2JAS
|
BID = 573379
susannsusann Gelegenheitsposter
 
Beiträge: 53
|
hallo,
auch wenn es hier manchmal nicht so wie gewünscht läuft,
so wünsche ich doch in der Hoffnung auf Besserung
ein
wunderschönes Weihnachtsfest
und
guten Rutsch ins neue Jahr.
LG Karl
|
BID = 575626
selfman Schreibmaschine
    
Beiträge: 1681 Wohnort: Seekirchen a. W.
|
Also der Thread hat wirklich einigen Unterhaltungswert:
Da wird seitenlang über eine Schaltung diskutiert, die NICHT gebaut werden sollte. Zwischendurch laden andere Mitglieder auch noch ihren verbalen Müll hier ab und zwar so konfus, daß sie sich selber dabei verwelchseln. Und jetzt am Ende mutiert uns der liebe Threadstarter noch vom Holger zum Karl.
Dabei sucht er doch nur die Schaltung, die er ganz am Anfang schon gepostet hat und die jetzt wieder auf dem Tisch landet. Nämlich genau das was perl auf den Punkt genau benannt hat: Eine Kompensation einer ev. anliegenden Gleichspannung durch eine zweite gleichgroße die derer entgegengerichtet ist. Und das ist nunmal dieser integrierende OPV, den er eh schon markiert hat.
Die Funktionsweise wurde schon zigmal von Mitgliedern hier erläutert, aber die an der Berechnung scheitert es, weil es dazu eben Angaben braucht. Da wäre z.B. die maximal Höhe der Gleichspannung die kompensiert werden muß, die niedrigste Frequenz die dieser Verstärke doch ohne Prbleme übertragen soll, die Impedanz der Vorstufe,.... Aber ohne Wert keine Ergebnisse!
Ob sinnvoll oder nicht, sei dahingestellt! Es gibt viele Wege etwas zu Laufen zu bringen, auch die Strategie, daß man
Die gerade Anzahl der Fehler anstrebt
In dem Falle ist eben eine von der Vorstufe ausgegebene Gleichspannung der Ursprung allen Übels (die wie perl sagt man richtigerweise auch dort bekämpfen sollte). Diese sollte eben mit einem zweiten gleich großen (Kompensations)Fehler behoben werden.
Normalerweise erledigt eben das ein einziges Bauteil (wollte es nicht nennen), wofür aber nicht Platz ist, dafür aber für eine ganze Schaltung. Ich hoffe das es diese Schaltung nicht in Verruf bringt, wenn ich sage des widerum ein Kondensator (Ups, ist mir rausgerutscht) ist, der Gleichspannungsoffset aufnimmt, hier halt im Integrator. Und dieser Offset wird dann mit zehn Verrenkungen wieder auf den Verursacher zurückprojeziert, mitsammt aller negativen Eigenschaften und wahrscheinlich noch ein paar dazu von den zusätzlichen Bauteilen.
Also nimm die Schaltung so wie sie gezeichnet ist (Hüftschußdimmensionierung) und simuliere, probiere und mach sonst was nötig ist.
Merke: Mehr als gar nicht funktionieren kanns nicht!
Schöne Grüße Selfman
_________________
Traue keinem Ding, das du nicht selber vermurkst hast.
|
BID = 575658
GeorgS Inventar
     
Beiträge: 6440
|
Zitat :
| | Da wird seitenlang über eine Schaltung diskutiert, die NICHT gebaut werden sollte. Zwischendurch laden andere Mitglieder auch noch ihren verbalen Müll hier ab und zwar so konfus, daß sie sich selber dabei verwelchseln. |
Welch ein Glück, selfman,
daß du es uns erklärst! Und das schoon nach 10 Tagen Ruhe
vor diesem R..... !
Und:
proj eziert
ist auch noch ein Fundstück für die typischen Fehler.
Gruß
Georg
_________________
Dimmen ist für die Dummen
[ Diese Nachricht wurde geändert von: GeorgS am 29 Dez 2008 22:47 ]
|
BID = 575668
Makersting Schriftsteller
    
Beiträge: 612 Wohnort: Ostfriesland
|
Offtopic :
| | Was ich nicht verstehe, ist der Grund einer solchen Kondensatorvermeidung im Verstärker, wenn doch in der Lautsprecherweiche Kondensatoren sitzen. |
[ Diese Nachricht wurde geändert von: Makersting am 29 Dez 2008 23:30 ]
|
BID = 576683
sam2 Urgestein
     
Beiträge: 35321 Wohnort: Franken (bairisch besetzte Zone)
|
Offtopic :
| Projeziert ist aber nach neuer - sich für Deutsch haltender - Schlechtschreibung die richtige Form!
Ich fand "projiziert" auch schöner, aber das ist einer der Punkte, die mich dabei am wenigsten stören. |
|
BID = 576716
GeorgS Inventar
     
Beiträge: 6440
|
Zitat :
| | Projeziert ist aber nach neuer - sich für Deutsch haltender - Schlechtschreibung die richtige Form! |
Das darf doch wohl nicht wahr sein!
Kopfschüttel,
Georg
_________________
Dimmen ist für die Dummen
|
BID = 576883
selfman Schreibmaschine
    
Beiträge: 1681 Wohnort: Seekirchen a. W.
|
Heiß ja auch Proj etor und nicht Proj itor!
Schöne Grüße Selfman,
der normalerweise auch nichts von der "Neun dütschen Schlechtschreibung" hält.
_________________
Traue keinem Ding, das du nicht selber vermurkst hast.
|