| Autor |
|
Übungsbeispiel, Ich komm nicht auf die Lösung |
|
|
|
|
BID = 561885
perl Ehrenmitglied
       
Beiträge: 11110,1 Wohnort: Rheinbach
|
|
Diese Frage solltest du durch Nachrechnen eigentlich selbst beantworten können.
Bei richtiger Dimensionierung der Widerstände ist der Strom bei beiden Polaritäten gleich.
_________________
Haftungsausschluß:
Bei obigem Beitrag handelt es sich um meine private Meinung.
Rechtsansprüche dürfen aus deren Anwendung nicht abgeleitet werden.
Besonders VDE0100; VDE0550/0551; VDE0700; VDE0711; VDE0860 beachten ! |
|
BID = 561908
Otiffany Urgestein
     
Beiträge: 13779 Wohnort: 37081 Göttingen
|
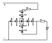
Wenn man das Ganze mal etwas entwirrt, sollte es so aussehen. Damit ist es etwas übersichtlicher und eine Diode kanns Du dir auch sparen. Die Berechnung der Widerstände nehme ich dir allerdings nicht ab.
|
BID = 561925
Topf_Gun Schreibmaschine
    
Beiträge: 1236
|
@Otiffany
kannst Du mir bitte Erklären, wie bei umgekehrter Polarität überhaupt eine LED leuchten soll, wenn 4 LEDs in Sperrrichtung betrieben werden?
Gruß Topf_Gun
_________________
Die Sonne, sieh, geht auf und nieder,
täglich weicht die Nacht dem Licht,
alles sieht man einmal wieder,
nur verborgtes Werkzeug nicht!
|
BID = 561931
Otiffany Urgestein
     
Beiträge: 13779 Wohnort: 37081 Göttingen
|
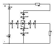
uuuups, was hab ich denn da gebastelt?
Das war der falsche upload!
Der müßte stimmen.
Gruß
Peter
[ Diese Nachricht wurde geändert von: Otiffany am 6 Nov 2008 19:21 ]
|
BID = 561949
Topf_Gun Schreibmaschine
    
Beiträge: 1236
|
Diese Bastelei ist auch nicht besser.
Der Querbalken leuchtet nur bei einer Polarität, der senkrechte Balken wir gegrillt.
Gruß Topf_Gun
_________________
Die Sonne, sieh, geht auf und nieder,
täglich weicht die Nacht dem Licht,
alles sieht man einmal wieder,
nur verborgtes Werkzeug nicht!
|
BID = 561950
Rial Inventar
     
Beiträge: 5397 Wohnort: Grossraum Hannover
|
Selbst wenn die Schaltungen richtig wären...
Gibt es die auch in groß ??? *augenquäl*
_________________
Früh aufstehen ist der erste Schritt in die falsche Richtung !
Alle Tips ohne Gewähr und auf eigene Gefahr !!!
Vorschriften sind zu beachten !!!
|
BID = 561957
Otiffany Urgestein
     
Beiträge: 13779 Wohnort: 37081 Göttingen
|
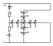
Ich glaube, ich bin heute nicht gut drauf.
Dritter Versuch
|
BID = 561966
Topf_Gun Schreibmaschine
    
Beiträge: 1236
|
Noch mal nix.
Der Querbalken leuchtet nur bei einer Polarität.
Tipp 14.55 Uhr gibt es ein Posting.
Gruß Topf_Gun
_________________
Die Sonne, sieh, geht auf und nieder,
täglich weicht die Nacht dem Licht,
alles sieht man einmal wieder,
nur verborgtes Werkzeug nicht!
|
BID = 561984
berufsbastler Schriftsteller
    
Beiträge: 615
|
also bei mir dürfen die 4 dioden für den senkrechten strich nicht direkt in REihe sein....
|
BID = 561989
Topf_Gun Schreibmaschine
    
Beiträge: 1236
|
Mein Tip war zur Verwirrung.
Ich meinte diese Schaltung:
https://forum.electronicwerkstatt.d.....g.JPG
Eine Graetzbrücke speist den Querstrich, in der Brücke werden 2 Dioden durch je 2 LEDs ersetzt. Ein Widerstand in jeden Pfad der Brücke.
Für die RV einmal mit 9 LEDs in Reihe und zum anderen mal mit 5 LEDs und 2 Dioden in Reihe rechnen.
Gruß Topf_Gun
_________________
Die Sonne, sieh, geht auf und nieder,
täglich weicht die Nacht dem Licht,
alles sieht man einmal wieder,
nur verborgtes Werkzeug nicht!
|
BID = 562034
ElektroNicki Inventar
     
Beiträge: 6424 Wohnort: Ugobangowangohousen
|
Oh Mann das ist doch einfach!
Man hängt den immer-an-Balken zwischen ne Graetzbrücke.
Zwei der Dioden (die die nach Masse zeigen) werden durch Leds ersetzt, die den zweiten Balken bildet.
_________________
|
BID = 562085
Gamtja Gelegenheitsposter
 
Beiträge: 67
|
ah, warum wird nun soviel geschrieben und neue Schaltungen tauchen auf.
Ist meine Schaltung nun richtig oder falsch?
|
BID = 562114
perl Ehrenmitglied
       
Beiträge: 11110,1 Wohnort: Rheinbach
|
Sieht aus als wäre es richtig.
Gibt es einen bestimmten Grund, dass du die Dioden des senkrechten Strichs waagerecht anordnest und die des senkrechten waagerecht ?
So etwas verwirrt und Schaltpläne sollen ja nicht verschleiern sondern erklären.
|
BID = 562124
prinz. Moderator
       Beiträge: 8935 Wohnort: Gifhorn und Wolfenbüttel
|
moin
gib mal in den Gockel "Schaltungssimulation" ein es gibt freie
Software da kannst Du deine Schaltung auf Funktion testen.
mfg
_________________
Nur für nicht Mutige
1.Freischalten
2.Gegen Wiedereinschalten sichern
3.Spannungsfreiheit allpolig feststellen
4.Erden und kurzschließen
5.Benachbarte, unter Spannung stehende Teile abdecken oder abschranken
|
BID = 562217
Makersting Schriftsteller
    
Beiträge: 612 Wohnort: Ostfriesland
|
Zitat :
ElektroNicki hat am 6 Nov 2008 21:55 geschrieben :
|
Oh Mann das ist doch einfach!
Man hängt den immer-an-Balken zwischen ne Graetzbrücke.
Zwei der Dioden (die die nach Masse zeigen) werden durch Leds ersetzt, die den zweiten Balken bildet.
|
Offtopic :
| | Das "Oh Mann, ist doch einfach!" ist nicht sehr nett. Das ist überheblich gegenüber dem Fragesteller. Und überlegen mussten wir erstmal alle. Auch du. Außerdem ist deine Lösung fehlerhaft. |
_________________
Gruß
Martin
|