SONS Gould Oszilloskop 4035 Im Unterforum Messgeräte - auch im Selbstbau - Beschreibung: Vorstellung und Diskussion über Meßgeräte, die auch für Hobby noch erschwinglich sind.
| Autor |
Sonstige SONS Gould Oszilloskop 4035 Suche nach: oszilloskop (10659) |
|
|
|
|
BID = 541866
Martin Wagner Schriftsteller
     Beiträge: 768 Wohnort: Unterfranken
|
|
Geräteart : Sonstige
Hersteller : Gould
Gerätetyp : Oszilloskop 4035
Chassis : 4035
Messgeräte : Multimeter, Oszilloskop
______________________
Hallo Leute,
Habe mir ein altes Gould Oszilloskop 4035 gekauft, Bilder hier: http://www.amplifier.cd/Test_Equipment/other/Gould-4035.html
Das gute Stück hat allerdings eine Macke: Beim Wechseln der Y Spannungsbereiche (egal welcher Kanal) verrutscht die Nulllinie immer ein Stück nach oben bzw. unten, in den kleinen Messbereichen verschwindet sie ganz vom Schirm . Sie kann aber Mithilfe des Y-Position Potis wieder zurückgeholt werden.
Seltsam dabei: Jeweils bei den Dekaden (also z.B. 10V, 1V, 0,1V) passt die Nulllinie wieder, auser die ganz kleinen Messbereiche von 2...10mV
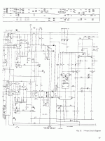
Also Service Manual besorgt, leider nur auf Enlisch und in mieser Qualität zu bekommen... Schaltplan des Y Verstärkers und Originaltext sind als Bilder angehängt.
Da ist folgende Erklärung drin, etwa:
"...
Der Differentialausgang des Emitterfolgers U202a und U202b wird über das konstant-Impedanz Widerstandsnetzwerk N201 abgenommen. Das Netzwerk erzeugt eine Abschwächung von 20, 10, 4, 2 oder 1. Wenn der 2mV oder 5mV Messbereich durch S201, welcher die zweite Schalterebene auf dem Volt/Div Schalter ist, ausgewählt wird, ist eine Abschwächung von 1 eingestellt. Bei 10mV wählt S201 eine Abschwächung von 2. Für die Bereiche 20mV bis 10V wählt der Schalter S201 Abschwächungen von 4, 10, 20 der Reihe nach, dieses wiederhohlt sich drei mal.
Dieses Signal wird durch den Verstärker, bestehend aus U202c und U202d verstärkt. Der VARiable Verstärkungssteller R213 erhöht die Abschwächung des Signals zu diesem Verstärker und gibt die Möglichkeit die Empfindlichkeit des Vorverstärkers einzustellen. ..."
Damit klärt sich auch, warum meine Nulllinie in den Dekaden passt. Nicht aber, wieso diese verrutscht.
Der Schaltungsbereich ist im Plan markiert. Woran kann das verrutschen liegen? Bei beiden Kanälten ists das gleiche Problem, allerdings nicht gleich ausgeprägt.
Auch beim drücken des Invert Knopfs verschwindet die Nulllinie.
Ein Reinigen der Schalterkontakte hat leider nichts bewirkt.
Danke im Vorraus
Gruß Martin |
|
BID = 541886
perl Ehrenmitglied
       
Beiträge: 11110,1 Wohnort: Rheinbach
|
|
Zitat :
| | Woran kann das verrutschen liegen? | Weil da, wo keiner sein sollte, ein Strom fliesst, der auf unterschiedliche Widerstände trifft.
Evtl ist der linke JFET angeknickt.
Du kannst ja mal sehen, ob die Linie auch hüpft, wenn du in einem empfindlichen DC-Bereich den Eingang kurzschliesst.
Zitat :
| | Bei beiden Kanälten ists das gleiche Problem, allerdings nicht gleich ausgeprägt | Ist da evtl soviel Schmutz auf der Platine ?
Zitat :
| | Ein Reinigen der Schalterkontakte hat leider nichts bewirkt. | Oder doch.
Vielleicht war da schon vor dir jemand mit WD40 dran ...
_________________
Haftungsausschluß:
Bei obigem Beitrag handelt es sich um meine private Meinung.
Rechtsansprüche dürfen aus deren Anwendung nicht abgeleitet werden.
Besonders VDE0100; VDE0550/0551; VDE0700; VDE0711; VDE0860 beachten ! |
|
BID = 542079
Krangel Gerade angekommen
Beiträge: 1 Wohnort: Berlin
|
Hallo Martin,
meiner Meinung nach liegt kein technischer Defekt vor, ich glaube der Eingangsverstärker muss neu kalibriert werden.
Ältere Oszis hatten direkt an der Frontplatte eine Abgleichmöglichkeit, meistens ein versenktes Poti, kenne allerdings Cloud Oszis nicht gut.
Mit freundlichen Grüßen
Krangel
|
BID = 543108
Martin Wagner Schriftsteller
     Beiträge: 768 Wohnort: Unterfranken
|
Danke. Habs inzwischen auch schon selber rausgefunden. Hätte ich mir das Zerlegen des Oszi zwecks Kontaktreinigung sparen können.
Mit den Folgen... das ich (hintennach) festgestellt habe, das die ganzen Stecker auf der Digitalbaustein-Leiterplatte keine Richtungsmarkierung bestitzen, ich zwei falschrum reingesteckt habe und jetzt der Digitalteil ne Macke hat  .
Hab ich wenigstens was zu tun, wenn mal gaaaanz viel Zeit ist
Gruß Martin
|
|
Zum Ersatzteileshop
Bezeichnungen von Produkten, Abbildungen und Logos , die in diesem Forum oder im Shop verwendet werden, sind Eigentum des entsprechenden Herstellers oder Besitzers. Diese dienen lediglich zur Identifikation!
Impressum
Datenschutz
Copyright © Baldur Brock Fernsehtechnik und Versand Ersatzteile in Heilbronn Deutschland
gerechnet auf die letzten 30 Tage haben wir 17 Beiträge im Durchschnitt pro Tag heute wurden bisher 5 Beiträge verfasst © x sparkkelsputz Besucher : 187975891 Heute : 6202 Gestern : 28182 Online : 275 27.12.2025 15:02 11 Besucher in den letzten 60 Sekunden alle 5.45 Sekunden ein neuer Besucher ---- logout ----viewtopic ---- logout ----
|
xcvb
ycvb
0.0261600017548
|