| Autor |
Eigener Mosfet Treiber.... Würde das so Funktionieren?????? Suche nach: mosfet (3485) |
|
|
|
|
BID = 534579
DonComi Inventar
     
Beiträge: 8604 Wohnort: Amerika
|
|
_________________
|
|
BID = 534701
hedie Stammposter
   
Avatar auf fremdem Server ! Hochladen oder per Mail an Admin
Beiträge: 323 Wohnort: Winterthur (schweiz)
|
|
Vielen Dank für die vielen Posts....
Also zum thema.... 20V / uS
Ich hab bei mir nen AD8099 Rumliegen... das ist ein HighSpeed OPV
der schafft 1350V / us
Ja es hat mit PWM zu tun ich möchte jedoch schonmal vorweg sagen, das ich keinen speziellen PWM Controller verwenden möchte
Wie wäre es mit diesem Komparator? http://www.st.com/stonline/books/pdf/docs/4848.pdf
hat jemand noch eine idee wie man am einfachsten, und mit wenig (sehr wenig) bauteilen einen Dreieck hinbekommt? derzeit mache ich das mit einem NE555 aber der verbraucht mir zu viel Platz! |
|
BID = 534705
DonComi Inventar
     
Beiträge: 8604 Wohnort: Amerika
|
Zitat :
|
hat jemand noch eine idee wie man am einfachsten, und mit wenig (sehr wenig) bauteilen einen Dreieck hinbekommt? derzeit mache ich das mit einem NE555 aber der verbraucht mir zu viel Platz
|
Ja, ein µController - anscheinend scheinst du ja eh einen zu verwenden, je nach Controller kann er auch gleich (in Hardware) die PWM übernehmen.
_________________
|
BID = 534707
hedie Stammposter
   
Avatar auf fremdem Server ! Hochladen oder per Mail an Admin
Beiträge: 323 Wohnort: Winterthur (schweiz)
|
Nein ich verwende keinen Controller und ich habe geschrieben:
ich möchte jedoch schonmal vorweg sagen, das ich keinen speziellen (PWM) Controller verwenden möchte
Das soll einfach nur ein Stand Alone PWM werden....
wie krieg ich den nun den Dreieck einfacher als mit dem NE555 hin?
Und würde dieser vorgeschlagene Komparator reichen??
|
BID = 534719
Lupin III. Schriftsteller
     Beiträge: 616 Wohnort: Salzburg
|
Also das was beim NE555 rauskommt ist sicher kein echtes Dreieck, eher die Lade-Entlade-Kurve eines Kondensators. Bekommst du damit wirklich ein MHz hin?
Muss es überhaupt 1 MHz sein? Was soll denn die PWM ansteuern? Normalerweise reichen da viel niedrigere Frequenzen und damit hast du dann die ganzen Bauteilprobleme nicht.
Also ein Dreieck mit weniger Bauteilen wirst du nicht hinbekommen.
Ein echtes echtes Dreieck bekommst du mit einem µC hin (obwohl da 1 MHz auch nicht grade wenig sind) oder mit einem Opamp (am Ende diesen Threads habe ich so eine Schaltung eingestellt) aber auf 1 MHz kommst du damit auch nicht.
|
BID = 534724
sme-bbg Schriftsteller
    
Beiträge: 959 Wohnort: Bad Eilsen
|
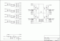
Jetzt gebe ich auch mal meinen Senf dazu ...
nur so als gedankenanstoß ...
Ich nehme für mosfets immer öfter und gerne eine Push Pull endstufe (Hoffe mal das die wirklich so heißt).
Anbei nen kleiner schaltplan, ist ein auszug einer Motorsteuerung.
Gruß Sven
|
BID = 534730
hedie Stammposter
   
Avatar auf fremdem Server ! Hochladen oder per Mail an Admin
Beiträge: 323 Wohnort: Winterthur (schweiz)
|
Danke für den Tipp
Ja es ist die Lade / Entladekurve des Kondensators...
Nein es muss nicht 1Mhz sein... aber einfach so viel als möglich
Ansteuerung soll individuell sein....
Was wäre den beim LM358 oder bei einem OP mit einer Slew Rate von 4V / uS ( Bitte Datenblatt anschauen: http://www.st.com/stonline/products/literature/ds/6030.pdf ) so in etwa die Obergrenze von der eingehenden Frequenz, so dass ich noch einen "sauberen" rechteck raus bekommen?
|
BID = 534778
sycatern Gelegenheitsposter
 
Beiträge: 74 Wohnort: Berlin-13437
|
Eine PWM-Audiostufe ist zwar nicht ganz das Thema
aber vielleicht kann man Davon ja was ableiten.
uuups und C8 natuerlich richtig gepolt.
[ Diese Nachricht wurde geändert von: sycatern am 15 Jul 2008 23:52 ]
|
BID = 534781
Lupin III. Schriftsteller
     Beiträge: 616 Wohnort: Salzburg
|
Das kommt ganz drauf an wie du sauber definierst. Je höher die Frequenz, desto größer ist der Anteil der Flanken einer ganzen Periode.
Als Beispielrechnung (ich vereinfache das mal so wie ich mir das denke): du möchtest höchstens 10% Flanken, das heißt, 90% der Zeit ist entweder an oder aus. Außerdem hat der Opamp-Ausgang eine Slewrate von 1 V/µs und du musst von 0 auf 10 V. Eine Flanke braucht daher 10 µs, pro Periode musst du einmal rauf und einmal runter, macht 20 µs. Dieser Anteil soll höchstens 10% sein, daraus folgt, dass eine Periode 200µs lang sein sollte. Folgt also eine Frequenz von 5 kHz. Der LM358 hat eine Slewrate von unter 1 V/µs (0,3 bis 0,6 sind im Datenblatt angegeben), die maximale Frequenz ist bei bei sonst gleichen Bedingungen dementsprechend geringer. Deswegen ist auch schon ein einfacher Komparator um so vieles besser dafür geignet.
|
BID = 534865
teotihuacan Gesprächig
  
Beiträge: 170 Wohnort: Winterlingen
|
Schau mal nach, was ich in dem Thread, den Lupin hier verlinkt hat, geschrieben habe, es ist der Beitrag direkt vor dem Beitrag von Lupin.
Es ist eine PWM mit Sägezahn statt Dreieck. Funktioniert einwandfrei und benötigt nur wenig Bauteile.
|
BID = 534982
sycatern Gelegenheitsposter
 
Beiträge: 74 Wohnort: Berlin-13437
|
Ein Saegezahn oder Dreieckgenerator laesst sich einfach mit
einer Schmitt-Triggerschaltung aufbauen.Das Verhaeltnis von R1 und R2
zu R3 bestimmt die Schaltschwellen des Triggers und somit die Amplitude des Rampensignals aber auch die Frequenz.Um eine feste Frequenz einzuhalten wird der Komparator OP2 nachgeschaltet der die Rampe mit dem
Gleichspannungswert vergleicht.
Die Werte sind hier Beispielwerte und nicht getestet.
|