| Autor |
|
Wäschetrockner Miele T333 |
Fehler gefunden
|
|
|
|
BID = 528221
nordkater Gesprächig
  
Beiträge: 126
|
|
Hallo Gilb,
den Schalter am Gebläsemotor habe ich durchgemessen. Er hat Durchgang, Leider!
Herzliche Grüße
Eckhardt
|
|
BID = 528225
nordkater Gesprächig
  
Beiträge: 126
|
|
Schaltplan habe ich jetzt auch gefunden!
Eckhardt
|
|
BID = 528290
nordkater Gesprächig
  
Beiträge: 126
|
Hallo Gilb,
ich habe in der Zwischenzeit auch das Schaltwerk ausgebaut, Kabel stecken noch drauf. Es ist von Crouzet Nr 88714062 mit der Miele T Nr 1026273. Ich werde mal schauen, ob ich soetwas gebraucht bekomme. Ich habe mir allerdings eine Obergrenze gesetzt, für mein Museumsstück.
Was meinst Du?
Gruß
Eckhardt
P.S.: Falls jemand im Forum so ein Teil hat, darf er sich gern bei mir melden.
|
BID = 528356
shotty Schreibmaschine
    
Beiträge: 1575 Wohnort: Achter´n Diek, an der Nordseeküste
|
Hallo Eckhardt,
also wenn Du den Schaltplan gefunden hast, kannst Du ja den Fehler genauer Lokalisieren, bzw. Messen.
Bist Du denn so vorgegangen, wie es Gilb beschrieben hat?
Gruß
shotty
|
BID = 528384
nordkater Gesprächig
  
Beiträge: 126
|
Hallo shotty,
im Prinzip ja, allerdings ist mein Schaltplan völlig anders und hat andere Bezeichnungen am Schaltwerk als die vom Gilb. Ich habe sogar 2 Zeichnungen (eine für die Schweiz?) Im Prinzip ist die Heizung eine Reihenschaltung: Netz-Temperaturregler-Heizung-Temperaturbegrenzer-Schaltkontakt-Netz. Ich habe gemessen, dass beide Klixons Durchgang haben und die Heizung 16 Ohm. Also bleibt nur der Kontakt (auf meinem Plan wäre das von 53a nach 12a). Darf ich die Probeweise überbrücken bzw. zusammenstecken?
Herzliche Grüße
Eckhardt
|
BID = 528415
Gilb Urgestein
     
Beiträge: 16259 Wohnort: Gardine (Gardinenhof)
|
Hallo Eckhardt,
kannst Du den Schaltplan scannen oder digital fotografieren und hier hochladen?
Nach den wenigen, noch bei mir vorhandenen Schaltplänen der
verschiedenen Ausführungen des Miele T 333 sind die Kontaktpaare 12 und
53 in unterschiedlichen Abschnitten und daher nicht zusammen geschaltet.
Ein kurzzeitiges, überwachtes Überbrücken kann man aber wagen, da der
Temperaturbegrenzer (Klixon rechts am Heizregister) die Heizung schützt.
Mit freundlichen Grüßen, auch an den lieben Kollegen Shotty,
der Gilb
|
BID = 528592
nordkater Gesprächig
  
Beiträge: 126
|
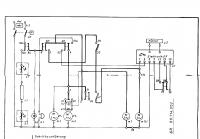
Hallo Gilb,
hier kommt der erste Schaltplan
Hochgeladene Datei ist grösser als 300 KB . Deswegen nicht hochgeladen
|
BID = 528597
nordkater Gesprächig
  
Beiträge: 126
|
Ich versuchs noch einmal zu verkleinern. Hoffentlich sieht man noch etwas
|
BID = 528599
nordkater Gesprächig
  
Beiträge: 126
|
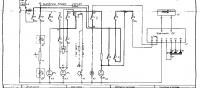
und jetzt die Version Schweiz.
Ich kann auch höher auflösende Scans anfertigen, die nimmt der Server allerdings nicht an.
Gruß
Eckhardt
Hochgeladene Datei ist grösser als 300 KB . Deswegen nicht hochgeladen
|
BID = 528602
nordkater Gesprächig
  
Beiträge: 126
|
hat wieder nicht geklappt,
vielleicht kann der Gilb die Fehlversuche löschen.
Aber jetzt die Schweiz:
|
BID = 528623
shotty Schreibmaschine
    
Beiträge: 1575 Wohnort: Achter´n Diek, an der Nordseeküste
|
Hallo Eckhardt,
bei der Ausführung Schweiz ist nur ein zusätzlicher Entstörfilter verbaut worden, um das Gerät in diesem Land zu betreiben (Vorschriften).
Die Frage ist jetzt, welches Programm ist verbaut.
Entferne mal die graue Kappe am Programm. Wenn hinten am Programm ein kleiner Motor mit 2 Anschlüssen sitzt, ist es ein Crouzetschaltwerk ( Bild 1). Am besten wäre vielleicht noch ein Foto, wenn möglich.
Mit freundlichem Gruß
shotty
|
BID = 528678
nordkater Gesprächig
  
Beiträge: 126
|
Das Schaltwerk ist von Crouzet Typ 88714062 mit der Miele T Nr 1026273
Gruß
Eckhardt
|
BID = 528681
Gilb Urgestein
     
Beiträge: 16259 Wohnort: Gardine (Gardinenhof)
|
Hallo Shotty,
Eckhardt hat weiter oben schon geschrieben, welches Crouzet-Schaltwerk in seinem Trockner sitzt.
Es ist wohl defekt und kann über Miele nur über einen teuren Umbau auf ein MTA-Schaltwerk ersetzt werden.
Mitunter hatten die verschiedenen Schaltwerke ja "Reserve"-Kontakte, um eine eventuelle Drehsstromheizung mehrphasig schalten zu können.
Ich meine, zu erinnern, da schon mal einen solchen Reservekontakt mißbraucht zu haben?
Was meinst Du?
Beste kollegiale Grüße
der Gilb
|
BID = 528875
shotty Schreibmaschine
    
Beiträge: 1575 Wohnort: Achter´n Diek, an der Nordseeküste
|
Hallo Gilb,
Sorry, habe ich wohl überlesen.
Ja, ich weiß was Du meinst. Ich habe solche Kontakte auch schon missbraucht, aber das waren MTA-Schaltwerke.
Ich habe mir noch mal den Kontakt Schaltplan vom Crouzet angeschaut, sitzt ja auch im T 363, und habe leider keinen vergleichbaren Kontakt gefunden, den man für Heizung nutzen kann.
Mit freundlichem Grüßen
shotty
|
BID = 528903
nordkater Gesprächig
  
Beiträge: 126
|
Welches Schaltwerk ließe sich dann noch verwenden?
Wie sieht es aus mit dem MTA 2123.01a04 ?
Eckhardt
|
Liste 1 MIELE |