SONS Hameg 203-6 Im Unterforum Messgeräte - auch im Selbstbau - Beschreibung: Vorstellung und Diskussion über Meßgeräte, die auch für Hobby noch erschwinglich sind.
| Autor |
Sonstige SONS Hameg 203-6 Suche nach: hameg (628) |
|
|
|
|
BID = 449572
Ralfi1975 Gelegenheitsposter
 
Beiträge: 72
|
|
Geräteart : Sonstige
Hersteller : Hameg
Gerätetyp : 203-6
Messgeräte : Multimeter
______________________
Hallo
Leider funktioniert mein oszi seit heute nicht mehr. Es hat schon einige jahre auf dem Buckel, und wird eher selten genutzt, aber ab und zu braucht man halt einfach eins und "den Strom anschauen zu können"
Folgendes Problem:
Auf dem Schirm erscheinen nur noch ein / bzw 2 Punkte je nach betriebsart. Bei angelegter Spannung gin es auch noch einen ausschlag von oben nach unten, also "Vertikal"
Horizontal kann ich die beiden (bei einkanalbetrieb nur einer) noch von links nach recht mit dem Positionsregler verschieben.
Der Bauteiletester /Komponententester funktioniert noch, also es geht schon theoretisch in beide "richtungen"
Die zeitablenkung incl. Feineinstellung kann ich verdrehen wie ich will, es tut sich nichts, der Punkt zuckt manchmal einige millimeter hin und her.
Ich habs dann mal aufgeschraubt, ist eigentlich nicht verstaubt, die spannungen (-/- 12V, 5V, 150V sind vorhanden, mit Multimeter gemessen)
Es sieht alles gut aus, aber die zeitablenkung funktioniert halt nicht.
Lege ich eine Wechselspannung mit Sinusform an, dann kann ich durch schnelles drehen am horizontalpositionsregler einen "sinusform" sehen.
Der punkt lässt sich scharfstellen und wandert auch nicht von links nach rechts durch, er bleibt immer auf dem Punkt wo man ihn hinstellt.
Vielleicht könnt ihr mir helfen.
Besten Dank ! |
|
BID = 449583
perl Ehrenmitglied
       
Beiträge: 11110,1 Wohnort: Rheinbach
|
|
Schaltplan vorhanden, oder schon danach gesucht ?
_________________
Haftungsausschluß:
Bei obigem Beitrag handelt es sich um meine private Meinung.
Rechtsansprüche dürfen aus deren Anwendung nicht abgeleitet werden.
Besonders VDE0100; VDE0550/0551; VDE0700; VDE0711; VDE0860 beachten ! |
|
BID = 449589
Ralfi1975 Gelegenheitsposter
 
Beiträge: 72
|
Hallo
Auser der OVP ist leider nichts mehr da. hab das gerät gebraucht gekauft vor einigen Jahren....
|
BID = 449598
perl Ehrenmitglied
       
Beiträge: 11110,1 Wohnort: Rheinbach
|
Na dann hol dir das mal: http://www.hameg.com/dl.php?datei=man/HM203-6_deutsch.pdf
Der Schaltplan ist da leider auch nicht drin, aber vielleicht kann hier jemand mal den Schaltplanauszug vom Ablenkgenerator hochladen?
Wenn der Knopf für die X-Verschiebung in der Mitte steht, ist der Strahl dann links, rechts oder in der Mitte ?
P.S.:
Hameg schreibt unverschämterweise:
Zitat :
| | Wir halten Unterlagen (Manuale, Servicemanuale, etc) für unsere Geräte ca. 10 Jahre vor. In dieser Zeit können Sie die Dokumente bei uns bestellen bzw. von unserer Website herunterladen. Sollten Sie einmal ein Handbuch oder einen Schaltplan für ein älteres Gerät benötigen, kann Ihnen der Schaltungsdienst Lange in Berlin weiterhelfen |
Was glauben die eigentlich, wann man den Schaltplan braucht? Etwa schon innerhalb der Garantiezeit ?
Das sind die Sitten asiatischer Hersteller, die auch nichts eiligeres zu tun haben, als die Spuren ihrer Schandtaten zu verwischen, nachdem das Teil nicht mehr produziert wird.
Das Servicemanual für den HM203-6 gibts für teuer Geld auch bei Foertig oder vergleiche dein Gerät mal mit dem 203-7. Davon gibts auch den Schaltplan: http://www.hameg.com/dl.php?datei=man/HM203-7_deutsch.pdf
Dann mal genau hinschauen, ob auch die Lagepläne mit den Innereien deines Gerätes übereinstimmen.
_________________
Haftungsausschluß:
Bei obigem Beitrag handelt es sich um meine private Meinung.
Rechtsansprüche dürfen aus deren Anwendung nicht abgeleitet werden.
Besonders VDE0100; VDE0550/0551; VDE0700; VDE0711; VDE0860 beachten !
[ Diese Nachricht wurde geändert von: perl am 10 Aug 2007 21:43 ]
|
BID = 449684
Ralfi1975 Gelegenheitsposter
 
Beiträge: 72
|
Hallo
Der Punkt ist bei den Grundeinstellungen links, also im ersten zentimeter
Wenn das des servicemanual ist, das man für 10 Euro kaufen kann, dann wäre ich schon bereit, etwas zu investieren....
Die PDFs werde ich mal anschauen, mit meinem ISDN dauert das leider einwenig....
|
BID = 449692
perl Ehrenmitglied
       
Beiträge: 11110,1 Wohnort: Rheinbach
|
Ja schau dir ruhig mal an, ob von den anderen 203ern etwas passt. Ich komme am Wochenende ohnehin nicht mehr dazu hier reinzuschauen.
Wenn der Strahl links steht, ist wohl entweder die Ladeschaltung für den zeitbestimmenden Kondensator kaputt, oder die Triggerschaltung funktioniert nicht und hält den Sägezahn in der Ecke fest.
Ob die Triggerschaltung funktioniert, kann man mit etwas Glück daran erkennen, ob der Strahl hellgetastet wird, wenn er loslaufen möchte (extern triggern).
Dazu und überhaupt solltest du die langsamste Ablenkgeschwindigkeit einstellen.
Ein zweites Scope dürfte bei der Fehlersuche sehr hilfreich sein.
_________________
Haftungsausschluß:
Bei obigem Beitrag handelt es sich um meine private Meinung.
Rechtsansprüche dürfen aus deren Anwendung nicht abgeleitet werden.
Besonders VDE0100; VDE0550/0551; VDE0700; VDE0711; VDE0860 beachten !
|
BID = 449708
Ralfi1975 Gelegenheitsposter
 
Beiträge: 72
|
Ein zweites Oszi könnte ich sicher im geschäft leihweise haben.
Die Pläne vom 203-7 sehen recht identisch aus, aber allzuviel kann ich nicht damit anfangen.
Deine Vorschläge werde ich mal probieren, vielleicht finde ich ja was....
Besten Dank erstmal, falls dir noch was einfällt, einfach posten.
|
BID = 449719
perl Ehrenmitglied
       
Beiträge: 11110,1 Wohnort: Rheinbach
|
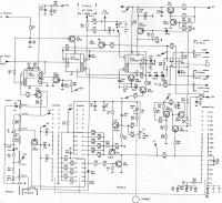
Den Plan der Zeitbasis des -7 findest du auf Seite 40 unten.
Am Schalter S304 befinden sich die Kondensatoren der Zeitablenkung und die Widerstände an S303 sind für den Ladestrom verantwortlich.
Der Emitter von T315 liefert eine mit dem Time/var Poti (VR304) einstellbare Spannung.
T316 arbeitet als Konstantstromquelle für die Aufladung der Kondensatoren. Die Größe dieses Konstantstromes wird durch die Emitterwiderstände R3060...R3065 und die an der Basis anliegende Spannung bestimmt.
Nachsehen, ob die +12V Versorgung dieser Stufe ankommt.
T317 ist für die Entladung der Zeitbasiskondensatoren zuständig.
Ich vermute, daß er dauernd leitend ist, weil er entweder defekt ist oder dauernd entweder über den Trigger-Holdoff T312 oder von IC304a Pin6 angesteuert wird.
Da scheint auch ein Fehler im Schaltplan zu sein. Normalerweise ist der Ausgang das ALS74 so niederohmig, daß man nicht einfach eine fremde Spannung addieren kann wie es hier geschieht. Ich würde zwischen Ausgang dieses ICs und der "HO-Enable/ST-disable" Leitung einen Widerstand erwarten.
P.S.:
Wenn es stimmt was ich vermute, daß nämlich der T317 dauernd angesteuert wird, sollte der Strahl loslaufen sobald man die se Ansteuerung entfernt. Dazu einfach mal die B-E-Anschlüsse diese Transistors kurzschliessen.
Damit man den Sweep dann auch sieht, ganz langsame Zeit einstellen.
P.P.S:
Anstatt dir ein Scope in der Firma auszuleihen, könntest du evtl. dein Gerät dorthin mitnehmen. Vielleicht gibts dort ja jemanden, der mehr Durchblick hat als du.
_________________
Haftungsausschluß:
Bei obigem Beitrag handelt es sich um meine private Meinung.
Rechtsansprüche dürfen aus deren Anwendung nicht abgeleitet werden.
Besonders VDE0100; VDE0550/0551; VDE0700; VDE0711; VDE0860 beachten !
[ Diese Nachricht wurde geändert von: perl am 11 Aug 2007 14:11 ]
|
BID = 449885
Ralfi1975 Gelegenheitsposter
 
Beiträge: 72
|
+++Edit++++
Was mir gerade noch eingefallen ist:
Den Punkt auf dem Display hatte ich sehr selten schonmal bei einigen zeiteinstellungen bebachtet, habe dies aber auf einen Wackelkontakt geschoben, da es nicht nachvollziehbar war.
Vielleicht hilft das auch weiter
++++++++++
Hallo
Leider sind die Pläne doch etwas anders, die Platinen sehen zwar identisch aus, aber die bezeichnungen stimmen nicht. Alle Transistoren heißen z.B. T517 Im ganzen Oszi gibt es keine Transistoren mit T317.
Das erschwert die Suche natürlich enorm.
meinst du es lohnt sich den richtigen Plan zu kaufen, bzw könntest du mir dann anhand des richtigen manuals einige Tipps geben ?
Ich habe die normalen transistoren, die möglicherweise in Frage kommen mal duchgemssen mit dem Multimeter, sie sehen alle gut aus, d.h. ich kann halt die übergänge rausmessen.
Auf meine Kollegen kann ich wohl nicht zurückgreifen, es gibt da schon welche, die Ahnung haben aber ich rechne eher nicht fest damit, das si sich da reinarbeiten / reindenken wollen.
Die FETs (BF xxx) habe ich nicht gemessen, wird wohl auch nicht gehen.
Was würdest du mir raten ?
Was ist im allgemeinen von solchen kästchen zu halten, die man an den PC anschließen kann ?. Diese kosten aber leider auch so viel wie ein gebrauchtes richtiges Oszi.
Ich werde es diese woche aber nochmals genau anschauen.
[ Diese Nachricht wurde geändert von: Ralfi1975 am 12 Aug 2007 20:02 ]
|
BID = 453057
Ralfi1975 Gelegenheitsposter
 
Beiträge: 72
|
Jetzt habe ich eben so einen langen tollen beitrag geschrieben und dann funkt mit diese forum-backup funktion dazwischen, jetzt muss ich alles nochmals tippen
Auf jedenfall tut das oszi wieder.
es war ein 74als74 defekt, das ich vorerst gegen ein 74ls74 ausgetauscht habe, diese unterschieden sich nur etwas in stromaufnahme und durchlaufzeit (4ns vs. 9ns).
das triggersiganl war vorhanden und ging nach dem käfer einfach nicht weiter zur ladeschaltung, die wohl mit von dem käfer angeschubbst werden muss.
das manual hat ca 14 Euro gekostet ist aber wenigstens mit kunstoffringen zusammengebunden und in einem brauchbaren zustand geliefert worden.
PS. Meine Frau fragt schon, ob ich auf dem dachboden übernachten will, weil ich garnicht mehr runterkomme...
Aber beide Oszis gehen nun wieder einwandfrei. Gestern habe ich beide schon gebraucht, da ich für eine Messung einen potentialfreien zweiten Kanal brauchte, ich werde beide natürlich behalten. <font color="#FF0000"><br><br>Hochgeladene Datei ist grösser als 300 KB . Deswegen nicht hochgeladen<br></font>
Wie kann ich diesen beitrag auf "Problem gelöst" stellen ?
[ Diese Nachricht wurde geändert von: Ralfi1975 am 26 Aug 2007 9:18 ]
|
|
Zum Ersatzteileshop
Bezeichnungen von Produkten, Abbildungen und Logos , die in diesem Forum oder im Shop verwendet werden, sind Eigentum des entsprechenden Herstellers oder Besitzers. Diese dienen lediglich zur Identifikation!
Impressum
Datenschutz
Copyright © Baldur Brock Fernsehtechnik und Versand Ersatzteile in Heilbronn Deutschland
gerechnet auf die letzten 30 Tage haben wir 17 Beiträge im Durchschnitt pro Tag heute wurden bisher 9 Beiträge verfasst © x sparkkelsputz Besucher : 187941152 Heute : 18262 Gestern : 17227 Online : 237 25.12.2025 22:24 2 Besucher in den letzten 60 Sekunden alle 30.00 Sekunden ein neuer Besucher ---- logout ----viewtopic ---- logout ----
|
xcvb
ycvb
0.0741369724274
|