Lüftersteuerung 12v - 10 kohm Poti - Mosfet? WIE? Im Unterforum Projekte im Selbstbau - Beschreibung: Selbstbau von Elektronik und Elektro
| Autor |
|
|
|
BID = 442690
MarcM Neu hier

Beiträge: 24 Wohnort: Viersen NRW
|
|
huhu zusammen!
Hatte vor, für meinen PC eine Lüftersteuerung zu bauen.
Also, zum Elektronik Menschen, Potis gekauft, eingebaut.. ahh, woran hatte ich nicht gedacht?
Richtig, 10 Kohm sind ein wenig sehr heftig für 12 V Lüftersteuerung.
Was also tun?
Die Potis sind hochlastpotis (bis 5 Watt) und dementsprechend schweineteuer...
Habe noch einige Mosfets hier rumfliegen, IRF z44, IRF Z 48N, BUZ 11, BUZ 21...
Aus was könnte man, zusammen mit den 10 Kohm Potis eine brauchbare Steuerung basteln?
Ich muss NICHT bis auf 0 Runter.
Mir würde ein regelbereich von sagen wir 50 - 100% vollkommen reichen.
(Dabei ist mir der Spannungsdrop egal)
Wichtig ist mir, das die 10Kohm Potis verbaut werden.
Andere Potis (habe mich schon umgesehen) haben eine andere einbaugrösse, und das war die lezte Frontblende vom PC, die ich zum "Probieren" hatte.
(Und keine Lust, Löcher in der Frontblende zu haben)
Beim googeln fand ich zwar Ergebnisse, aber keine, die ganz simpel ist, und mit den vorhandenen Komponenten.
(Habe noch mehr hier, so ist das nicht)
Jemand Ideen?
Gruss,
Marc |
|
BID = 442703
Electronicfox Schreibmaschine
    
Beiträge: 1634 Wohnort: hamburg
|
|
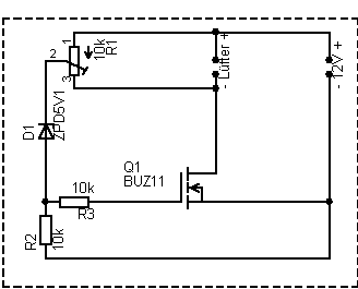
Was hältst du davon?
_________________
Es ist nicht mein Ziel mit dem Kopf durch die Wand zu gehen, sondern mit den Augen eine Tür zu finden. Also warum kompliziert, wenn’s einfach geht. |
|
BID = 442716
MarcM Neu hier

Beiträge: 24 Wohnort: Viersen NRW
|
hallöchen,
und vielen Dank für die Ultraflotte Antwort.
Sehe ich das richtig, das Gate ist der, der vom R3 kommt, Basis an Minus 12 V, und Emitter an Lüfter Minus??
Bei dem Poti R1 :
Welcher Anschluss woran, den vollen Widerstand (10 Kohm) zwischen dem Lüfter Minus und der 12 V Versorgung?
Mittlerer Schleiferkontakt an die Diode?
(Welche Diode funzt, habe hier etliche 4148 rumfliegen)
Lässt sich der BUZ 11 gegen IRF z 44 / N / 48N austauschen?
Bin aus den DAtenblättern von alldatasheet nicht wirklich schlau geworden, jedoch erscheint mir der Gatewiderstand als gross genug für die idee.
(Die BUZ 11 sind neue Mosfets, die 44er und 48er habe ich teils noch als "reste" rumliegen.)
Sorry der vielen Fragen, ich bin "nur" Elektroinstallateur und beschäftige mich selten mit Elektronik.
inwiefern und wie Präzise lässt sich der Lüfter damit steuern? =)
Gruss,
Marc
|
BID = 442726
nabruxas Monitorspezialist
    
Beiträge: 9533 Wohnort: Alpenrepublik
|
Oder gleich den richtigen Lüfter nehmen.
z.B. Variofan von Papst.
Der hält dann auch sicher länger als der PC.
_________________
0815 - Mit der Lizenz zum Löten!
|
BID = 442839
elch Schriftsteller
    
Beiträge: 510 Wohnort: Düsseldorf
|
die IRFZ müssten gehen, die 4148 nicht. Die Diode im Schaltplan ist eine 5,1 V Zenerdiode.
_________________
Meine Beiträge sind keine rechtsverbindliche Auskunft. Jeglicher Rechtsanspruch ausgeschlossen.
|
BID = 442840
Electronicfox Schreibmaschine
    
Beiträge: 1634 Wohnort: hamburg
|
Zitat :
elch hat am 12 Jul 2007 15:02 geschrieben :
|
die IRFZ müssten gehen, die 4148 nicht. Die Diode im Schaltplan ist eine 5,1 V Zenerdiode.
|
Wenn er 8 in Serie schaltet und die Kathoden Richtung R2 schauen funktionieren auch die
_________________
Es ist nicht mein Ziel mit dem Kopf durch die Wand zu gehen, sondern mit den Augen eine Tür zu finden. Also warum kompliziert, wenn’s einfach geht.
|
|
Zum Ersatzteileshop
Bezeichnungen von Produkten, Abbildungen und Logos , die in diesem Forum oder im Shop verwendet werden, sind Eigentum des entsprechenden Herstellers oder Besitzers. Diese dienen lediglich zur Identifikation!
Impressum
Datenschutz
Copyright © Baldur Brock Fernsehtechnik und Versand Ersatzteile in Heilbronn Deutschland
gerechnet auf die letzten 30 Tage haben wir 17 Beiträge im Durchschnitt pro Tag heute wurden bisher 7 Beiträge verfasst © x sparkkelsputz Besucher : 188004004 Heute : 8025 Gestern : 15227 Online : 233 29.12.2025 22:52 7 Besucher in den letzten 60 Sekunden alle 8.57 Sekunden ein neuer Besucher ---- logout ----viewtopic ---- logout ----
|
xcvb
ycvb
0.0305781364441
|