Mosfet H-Brücke 60-100V 2-6A Im Unterforum Projekte im Selbstbau - Beschreibung: Selbstbau von Elektronik und Elektro
| Autor |
Mosfet H-Brücke 60-100V 2-6A Suche nach: mosfet (3485) |
|
|
|
|
BID = 441098
LeoLöwe reloaded Schreibmaschine
    
Beiträge: 1406 Wohnort: Meine
|
|
Ich bin ja immer noch an meiner Schrittmotor-Steuerung am basteln. Eigentlich läuft der L298 als Treiber relativ gut. Ich bin nur mit der gerigen Spannung unzufrieden, ausserdem ist mir der Chip zu empfindlich.
Jetzt würde ich gerne den L298 nachbauen. Dafür benötigt man ja, soweit ich das Datenblatt verstanden habe, zwei H-Brücken und ein bisschen Logik.
Ich versuche erstmal zusammenzufassen was vorne rein und hinten wieder raus soll.
Vorne rein kommen die Steuersignale vom L297 mit 5 Volt. Der L297 kann zwar bis zu 7V, allerdings würde ich gerne bei 5V bleiben um später auch mal einen kleinen µC anschließen zu können.
Die Motoren sollen mit maximal 100 V (60 V würden auch schon reichen) und bis zu 6A betrieben werden können. Der Strom wird vom L297 überwacht.
Eine Schaltung für eine H-Brücke habe ich schon gefunden
http://www.roboternetz.de/wissen/in.....t.gif
Allerdings sind mir die Mosfets zu klein. Gibt es eigentlich irgendwo eine Übersicht über die Mosfets? Dann könnte ich die zumindest selber raussuchen.
Ein weiteres Problem ist die Logigschaltung im L298. Damit komme ich überhaupt nicht klar bzw. habe mich noch nie mit Logik-ICs beschäftigt.
Hat sich zufällig schonmal jemand mit sowas beschäftigt und hat einen Schaltplan für mich in der Schublade?
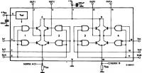
Im Anhang einmal die Schema-Zeichnung vom L298.
Datenblätter:
http://www.ortodoxism.ro/datasheets.....y.pdf
http://www.ortodoxism.ro/datasheets.....y.pdf
_________________
We now return you to your regularly scheduled nonsense. |
|
BID = 441456
LeoLöwe reloaded Schreibmaschine
    
Beiträge: 1406 Wohnort: Meine
|
|
So, ich habe mal wieder ein paar Stunden zugebracht und glaube jetzt zumindest eine Idee zu haben.
Mosfets glaube ich jetzt gefunden zu haben.
Im Angebot hätte ich einmal den IRF540N mit
VDSS = 100V
RDS(on) = 44mΩ
ID = 33A
oder den IRFP260N:
VDSS = 200V
RDS(on) = 0.04Ω
ID = 50A
Wobei mir der IRF540N eher zusagt, weil der billiger ist
Vom IRF540 habe ich das Datenblatt auch mal angehängt.
Der Motor soll später mal mit 80 Volt und ca. 6 A betrieben werden.
Die Stromregelung übernimmt der L297.
Die Dioden im Schaltplan sind BYV27 / 200 (also 200V). Sind die überhaupt notwendig oder reichen die Dioden in den FETs?
Würde die Brücke an sich denn so funktionieren oder brauche ich P & N-Kanale Fets + einen komplett anderen aufbau?
---
Zu dem Logik-Teil: Die Gatter werden mit 5V versorgt. Am Ausgang stehen also lt. Datenblatt maximal 5V und 8mA bereit, um den FET zu schalten. Reicht bestimmt nicht oder?
Wie müsste denn so eine Treiberstufe für die FETs aussehen?
---
Wie immer ein herzliches Dankeschön von mir. Jetzt könnt ihr meine Idee in der Luft zerfetzen
_________________
We now return you to your regularly scheduled nonsense. |
|
BID = 441460
perl Ehrenmitglied
       
Beiträge: 11110,1 Wohnort: Rheinbach
|
Ich will mich mit all den Details nicht beschäftigen, das musst du schon selbst tun, aber hierzu
Zitat :
| | Dioden im Schaltplan sind BYV27 / 200 (also 200V). Sind die überhaupt notwendig oder reichen die Dioden in den FETs? |
kann ich dir sagen, daß die Substratdioden in den FETs relativ langsam sind. Deshalb schaltet man ihnen bei hohen Frequenzen schnelle Dioden mit kleiner Durchlassspannung parallel, damit sie garnicht erst zu leiten anfangen.
P.S.:
Diese Schaltung ist ja grauslich !
Wie soll denn ein ACT08 mehr als 80V Steuerspannung aufbringen ?
_________________
Haftungsausschluß:
Bei obigem Beitrag handelt es sich um meine private Meinung.
Rechtsansprüche dürfen aus deren Anwendung nicht abgeleitet werden.
Besonders VDE0100; VDE0550/0551; VDE0700; VDE0711; VDE0860 beachten !
[ Diese Nachricht wurde geändert von: perl am 6 Jul 2007 14:09 ]
|
BID = 441462
Racingsascha Schreibmaschine
    
Beiträge: 2247 Wohnort: Gundelsheim
|
Zu den ICs: Mosfets brauchen nur eine Spannung, um durchzuschalten, man muss nicht mehrere mA in sie hineinjagen. Trotzdem würde ich Treibertransistoren verwenden, da 5V nicht ausreichen um einen normalen Mosfet komplett durchzuschalten (es gibt auch Logic-Level-Fets, die sind aber nochmal teurer), du wirst also eine 12V-Schiene brauchen. Außerdem: je schneller man einen Mosfet an und ausschaltet ("kräftige" Treibertransis verwenden, eine Push-pull Schaltung aus nem BC547/557 reicht), desto kürzer bleibt er im Bereich zwischen an und aus und verheizt nicht unnötig Wärme, steht auch noch bei Sprut in seiner Schaltregler-Rubrik.
IRF540 vs. IRFP260: ich würde auch den 540er nehmen, da sie fast den gleichen On-widerstand haben, welcher für die Verlustleistung bei gegebener Stromstärke entscheident ist. Die Formel dazu lautet: P = I² x R also je kleiner der Widerstand, desto weniger Verlustleistung. bei 6A würden dann 1,5W Wärme anfallen, ein kleiner Fingerkühlkörper reicht dafür.
_________________
Fnord ist die Quelle aller Nullbits in deinem Computer.
Fnord ist die Angst, die Erleichterung, und ist die Angst.
Fnord schläft nie.
[ Diese Nachricht wurde geändert von: Racingsascha am 6 Jul 2007 14:10 ]
|
BID = 441466
Benedikt Inventar
      Beiträge: 6241
|
Zitat :
LeoLöwe reloaded hat am 6 Jul 2007 13:57 geschrieben :
|
Jetzt könnt ihr meine Idee in der Luft zerfetzen
|
Brauchen wir nicht, das macht die Schaltung schon selbst.
Nein, macht sie natürlich nicht, aber funktionieren tut sie auch nicht. Der obere Mosfet wird nie leitend, denn damit er die positive Spannung voll durchschalten kann, benötigt er mindestens 5-10V mehr als die positive Betriebsspannung. Mit deiner momentanen Schaltung kommst du auf etwa 2-3V Ausgangsspannung.
Wieso verwendest du ACT ICs ? Normale HC oder gar CMOS reichen.
Weiterhin benötigen die IRF540 10V am Gate damit sie sauber schalten.
All das kann man lösen, wenn man die Mosfets mit einem geeigneten Treiber wie dem IR2112 ansteuert. Nicht ganz billig, funktioniert aber wunderbar und man spart sich viel Arbeit.
Was perl sagt ist prinzipiell richtig, wenn man allerdings dafür sorgt dass der andere Mosfet eingeschaltet ist, und quasi so aktiv die Diode überbrückt, kann man auf die Diode verzichten. Und so hoch sind die Chopperfrequenzen nun auch nicht, als dass die internen Dioden zu langsam wären. Meiner Meinung nach sind die Dioden in dieser Schaltung also überflüssig, aber in dem Punkt kann man sich natürlich streiten.
[ Diese Nachricht wurde geändert von: Benedikt am 6 Jul 2007 14:15 ]
|
BID = 441499
LeoLöwe reloaded Schreibmaschine
    
Beiträge: 1406 Wohnort: Meine
|
Wer kann mir mal die irf.lbr von Cadsoft zukommen lassen?
Deren FTP-Server streikt grade und ich würde gerne ein bisschen weiter zeichnen...
Kann diesen Link leider nicht öffnen
ftp://ftp.cadsoft.de/eagle/userfiles/libraries/irf.lbr
Habe hier das Datenblatt zum IR2112 gefunden:
http://www.ortodoxism.ro/datasheets/irf/ir2112.pdf
Damit würde ich gerne mal eine weitere Schaltung zeichnen und hoffe das der Baustein in der irf.lbr drin ist, die ich aber nicht runterladen kann
_________________
We now return you to your regularly scheduled nonsense.
|
BID = 441514
Benedikt Inventar
      Beiträge: 6241
|
Bei mir geht der Download, der IR2112 ist aber leider nicht drin.
Der IR2101/2/3 sollten auch geeignet sein, wenn du den irgendwo bekommst.
[ Diese Nachricht wurde geändert von: Benedikt am 6 Jul 2007 18:22 ]
|
BID = 441568
LeoLöwe reloaded Schreibmaschine
    
Beiträge: 1406 Wohnort: Meine
|
So, ich habe mal ein bisschen was zusammen getüddelt.
Im Anhang: Einmal der komplette Schaltplan für einen halben L298.
Ausserdem habe ich in einem anderen Schaltplan eine Kondensator/Diode/Widerstand Kombination gefunden, die zwischen IC und FET geschaltet war.
Sollte ich besser diese Kombination verwenden? Bzw. was für Zweck erfüllt die?
---
Zwischen dem IC und dem FET ist im Datenblatt noch ein Widerstand eingezeichnet. Nachdem ich mir den anderen Schaltplan angesehen habe denke ich mal das dazwischen so 100-200 Ohm Widerstände gehören. Stimmt?
Gemeint sind im Plan R2,3,4 & 5
D5 & 6 habe ich mal normale 1N4148 genommen. Müssen da spezielle Dioden hin?
Und eine letzte Frage: Die Elkos habe ich mal mit 10µF und 40V aufgeschrieben. Empfehlung hierzu?
P.S.: Im Datenblatt glaube ich die Elkos als 10µF Typen unbekannter Spannungsfestigkeit und die Dioden als 10K6F ausgemacht zu haben, allerdings kann man das kaum lesen bzw. die Diode nirgendwo kaufen.
P.P.S.: Entschuldigt bitte meine Ahnungslosigkeit, ich wusste bis vor wenigen Stunden noch nicht einmal das es solche ICs gibt.
@Benedikt: Die Logik-ICs sollten eigentlich 74HC Typen sein, ich hab im Eagle die falschen Typen erwischt.
Danke
Edit: Irgendwie sieht der Schaltplan zu "verwuschelt" aus, hier gibts den in groß + die .sch Datei
http://leoandres.dyndns.org/forum/Schrittmotor/
_________________
We now return you to your regularly scheduled nonsense.
[ Diese Nachricht wurde geändert von: LeoLöwe reloaded am 6 Jul 2007 21:57 ]
|
BID = 441579
Benedikt Inventar
      Beiträge: 6241
|
Zitat :
LeoLöwe reloaded hat am 6 Jul 2007 21:48 geschrieben :
|
Sollte ich besser diese Kombination verwenden? Bzw. was für Zweck erfüllt die?
|
Durch diese Schaltung werden die Mosfets unsymmetrisch angesteuert, also schneller abgeschaltet als eingeschaltet. Dadurch vermeidet man, dass beide FETs gleichzeitig leitdend sind. Solch eine Schaltung solltest du verwendet. Allerdings muss diese nicht ganz so kompliziert sein: Es reicht die Diode und parallel dazu 50-100Ohm. Als Diode verwende ich meist eine 1N5817, jede andere schnelle Diode tut es aber auch, vorausgesetzt sie kann mindestens 1-2A.
Zitat :
|
Nachdem ich mir den anderen Schaltplan angesehen habe denke ich mal das dazwischen so 100-200 Ohm Widerstände gehören. Stimmt?
Gemeint sind im Plan R2,3,4 & 5
|
Ja, je nach Frequenz verwendet man 1-500Ohm. In deinem Fall würde ich noch die oben erwähnt Diode parallel schalten, und etwa 100Ohm verwenden, damit der eine Mosfet auf jedenfall schneller ausschaltet, als der andere ein.
Zitat :
|
D5 & 6 habe ich mal normale 1N4148 genommen. Müssen da spezielle Dioden hin?
|
Sie müssen nur sehr schnell sein. Ich verwende meist UF4004, die gibt es bei Reichelt. Jede andere Diode mit <100ns und >100V tut es auch.
Zitat :
|
Und eine letzte Frage: Die Elkos habe ich mal mit 10µF und 40V aufgeschrieben. Empfehlung hierzu?
|
25V reichen, 40V sind auch OK. Diese sollten Low ESR sein, da diese etliche Ampere liefern müssen. Manchmal werden hier Tantal Elkos verwendet, ich Schalte meist noch 100nF Keramik parallel dazu. Da bei dir aber die Mosfets nicht groß sind, und die Frequenz nicht hoch ist, sollten normale 10µF Elkos ausreichen.
Zitat :
|
P.S.: Im Datenblatt glaube ich die Elkos als 10µF Typen unbekannter Spannungsfestigkeit und die Dioden als 10K6F ausgemacht zu haben, allerdings kann man das kaum lesen bzw. die Diode nirgendwo kaufen.
|
Die Diode hat mich auch einige Nerven gekostet, bis ich die UF400x Dioden gefunden hatte.
Und noch was: Der IR211x hat einen Shutdown Pin. Der ist zwar Low aktiv, aber mit je einem Inverter davon kannst du dir die HC08 sparen.
Und noch eine Bemerkung zu dem IR2112: Aufgrund der Bootstrap Schaltung, kann er nicht dauerhaft die positive Spannung durchschalten. Aber das dürfte dich nicht stören, da aufgrund der Chopperschaltung sowiso nie lange ein Mosfet eingeschaltet ist.
|
BID = 441593
LeoLöwe reloaded Schreibmaschine
    
Beiträge: 1406 Wohnort: Meine
|
Bin wieder da...
Dieses mal im Ahang: Der Schaltplan mit hoffentlich allen Verbesserungsvorschlägen drin. Ausserdem habe ich mir für den IR2112 ein neues Bauteil in Eagle erstellt, sollte das wer brauchen habe ich das auch gleich mal angehängt.
Eine Frage zu dem Eingang, den ich einfach mal "Enable" genannt habe.
Dieser kommt an den "Active low inhibit"-Ausgang vom L297.
So wie ich das Datenblatt verstehe, ist dieser low, wenn gesperrt werden soll, bzw. high im Betrieb.
(Datenblatt: http://www.ortodoxism.ro/datasheets......pdf)
Durch den Inverter ist der SD-Pin im Betrieb also low und bei Sperrung high. Also genau richtig, oder?
---
Nächste Frage, im Datenblatt ist angegeben das bei Ub = 15V alles größer 9,5V logisch 1 und alles kleiner 6V logisch 0 ist. Jetzt wollte ich den Treiber mit 5V versorgen.
Damit das ganze mit dem L297 zusammen arbeitet, müsste <0,4V = logisch 0 und >3,9V = logisch 1 gewertet werden.
Wenn ich micht nicht irre müsste das klappen, weil das IC bei Ub = 5V alles größer 3,17V also logisch 1 ansieht und alles kleiner 2V als logisch 0 ansieht. Oder hab ich mich da verrechnet?
---
Zwischen IC und FET ist jetzt die von Bendikt vorgeschlagene 1N5817 + 100R Kombi. Reicht da wenigstens ein normaler 1/4 Watt Widerstand oder brauchts da auch noch was spezielles?
---
Das war eigentlich auch schon alles  Ich hoffe mal das soweit alles stimmt bzw. mit dem L297 fehlerfrei zusammen arbeitet. Sonntag geht dann wohl die Bestellung raus, ich bin jetzt doch sehr neugierig ob die Schaltung läuft.
@Benedikt: Danke für die super Hilfe!
@alle anderen: Auch ein großes Danke an euch
Edit: Das Schaltbild ist ja schon wieder so unscharf! Die aktuelle Bruecke3.jpg gibts mit allem anderen zusammen wieder hier:
http://leoandres.dyndns.org/forum/Schrittmotor/
_________________
We now return you to your regularly scheduled nonsense.
[ Diese Nachricht wurde geändert von: LeoLöwe reloaded am 7 Jul 2007 2:45 ]
|
BID = 441612
powersupply Schreibmaschine
    
Beiträge: 2920 Wohnort: Schwobaländle
|
moin
Ich hab nur ne allgemeine Frage:
Sind die 540er nicht ein wenig knapp bemessen?
Die haben doch soweit ich weis "nur" 100V max Sperrspannung und Leo will mit 80V in Brückenschaltung drangehen...
Gruß powersupply
|
BID = 441613
Benedikt Inventar
      Beiträge: 6241
|
Zitat :
LeoLöwe reloaded hat am 7 Jul 2007 02:42 geschrieben :
|
Wenn ich micht nicht irre müsste das klappen, weil das IC bei Ub = 5V alles größer 3,17V also logisch 1 ansieht und alles kleiner 2V als logisch 0 ansieht.
|
Das ist richtig so. Aus diesem Grund hat der IR2112 auch getrennte Pins für Logik und Mosfet Treiber.
Zitat :
Zwischen IC und FET ist jetzt die von Bendikt vorgeschlagene 1N5817 + 100R Kombi. Reicht da wenigstens ein normaler 1/4 Watt Widerstand oder brauchts da auch noch was spezielles?
|
Es kommt auf die Frequenz an. Bei dir müssten die normalen Widerstände ausreichen.
Du könntest COM nicht an GND, sondern an Source der unteren Mosfets legen. Dadurch muss der Strom der die Mosfets an/aus schaltet nicht den Umweg über R2 machen. Das ist aber nicht zwingend notwendig.
Edit: Das Schaltbild ist ja schon wieder so unscharf!
|
Versuchs das nächste mal mit gif oder png. Das ist für Schaltbiler besser geeignet als jpg. Außerdem ist die Datei auch noch kleiner. Nur mal so als Tip am Rande.
powersupply hat am 7 Jul 2007 07:18 geschrieben :
|
Ich hab nur ne allgemeine Frage:
Sind die 540er nicht ein wenig knapp bemessen?
Die haben doch soweit ich weis "nur" 100V max Sperrspannung und Leo will mit 80V in Brückenschaltung drangehen...
|
Wenn die 80V aus einem unstabiliserten Netzteil kommen, das im Leerlauf auf >100V geht, dann sind diese in der Tat recht knapp. Vielleicht sollte man hier den IRF640 verwenden, um auch bei Spannungspitzen auf der sicheren Seite zu sein.
[ Diese Nachricht wurde geändert von: Benedikt am 7 Jul 2007 7:43 ]
|
BID = 441677
LeoLöwe reloaded Schreibmaschine
    
Beiträge: 1406 Wohnort: Meine
|
So, kleine Änderung noch. Ich würde sagen die Schaltung ist fertig.
Wie hoch die Frequenz genau ist weiß ich nicht. Am L297 hängt für die Takterzeugung eine Kombination aus R=22K und C=3,3n
Wird schon schief gehen
Zitat :
| | Du könntest COM nicht an GND, sondern an Source der unteren Mosfets legen |
Fertig.
Das Netzteil hat im Leerlauf genau 84 Volt. Bei 50% Last sinds zwar nur noch 81V, aber das dürfte ja nichts machen...
Der fertige L298 Ersatz würde dann um die 18€ kosten. Morgen klicke ich mir beim R dann mal einen Prototypen zusammen und berichte dann.
Nochmals vielen Dank an alle Helfenden!
_________________
We now return you to your regularly scheduled nonsense.
|
|
Zum Ersatzteileshop
Bezeichnungen von Produkten, Abbildungen und Logos , die in diesem Forum oder im Shop verwendet werden, sind Eigentum des entsprechenden Herstellers oder Besitzers. Diese dienen lediglich zur Identifikation!
Impressum
Datenschutz
Copyright © Baldur Brock Fernsehtechnik und Versand Ersatzteile in Heilbronn Deutschland
gerechnet auf die letzten 30 Tage haben wir 18 Beiträge im Durchschnitt pro Tag heute wurden bisher 10 Beiträge verfasst © x sparkkelsputz Besucher : 187922538 Heute : 16843 Gestern : 19923 Online : 527 24.12.2025 23:05 43 Besucher in den letzten 60 Sekunden alle 1.40 Sekunden ein neuer Besucher ---- logout ----viewtopic ---- logout ----
|
xcvb
ycvb
0.0694739818573
|