Autor |
Solarladeregler mit MOSFET Suche nach: mosfet (3479) |
|
|
|
|
BID = 419814
a8s Gerade angekommen
Beiträge: 14
|
|
Hallo,
ich möchte einen Solarladergler bauen.
Dieser soll bei 13,8V ein MOSFET ansteuern, welches dann parallel zum Solarmodul eine Last schaltet.
Hiermit soll der Akku vor Überladung geschützt werden und gleichzeitig der teure Solarstrom nicht verloren gehen.
Bei 13V soll die Last wieder abgeschalten und der Akku wieder geladen werden.
Wie ist dies möglichst mit diskreten Bauteilen zu realisieren?
Anbei eine Schaltung, welche den Strom leider "verbräht" !
Könnte man diese für ein MOSFET umbauen ? |
|
BID = 419854
Ltof Inventar
     
Beiträge: 9386 Wohnort: Hommingberg
|
|
Mit einem MOSFET wird diese Schaltung eher schlechter. Für richtige Schaltschwellen (13 V / 13,8 Volt) ist mehr Aufwand nötig.
Was für eine Last soll denn zum Verbraten des überschüssigen Modulstromes an Dein Solarmodul geschaltet werden? Ist Dir klar, dass das Modul eher selten den Maximalstrom liefert? Deine Last würde deshalb meist mit Unterspannung betrieben werden. Auch würde die Last im Grenzbereich ständig an- und ausgehen. Mag die das?
Gruß,
Ltof
_________________
„Schreibe nichts der Böswilligkeit zu, was durch Dummheit hinreichend erklärbar ist.“
(Hanlon’s Razor) |
|
BID = 419866
a8s Gerade angekommen
Beiträge: 14
|
@Ltof: Danke für deine schnelle Antwort.
Ich habe nun eine neue Schaltung gebaut, welche mit einem MOSFET bei 13,8V den Akku von meinem Solarmodul trennt. Nun bräuchte ich nur noch einen 2. Schaltkreis um dann eine andere Last, z.B. Lüfter, 2. Akku anzuschalten.
Anbei die Schaltung.
|
BID = 419870
Ltof Inventar
     
Beiträge: 9386 Wohnort: Hommingberg
|
Bist Du sicher, dass die Schaltung richtig trennt? Ich denke eher, dass der BUZ im Linearbetrieb arbeitet und vor sich hin heizt.
Gruß,
Ltof
_________________
„Schreibe nichts der Böswilligkeit zu, was durch Dummheit hinreichend erklärbar ist.“
(Hanlon’s Razor)
|
BID = 419875
a8s Gerade angekommen
Beiträge: 14
|
@Ltof
Bei mir wird der Buz bei 2A Laststrom überhaupt nicht warm !
Die Schaltung schaltet ihn beim Überschreiten der eingestellten Spannung sofort und vollstädig ab.
|
BID = 419887
Ltof Inventar
     
Beiträge: 9386 Wohnort: Hommingberg
|
Beim Überschreiten der Spannung ist klar, dass der aus geht. Hast Du ein Netzteil als Akku-Simulator verwendet? Im wirklichen Leben wird der BUZ nicht abgeschaltet, sondern linear zurückgeregelt und nicht ganz aus gehen.
_________________
„Schreibe nichts der Böswilligkeit zu, was durch Dummheit hinreichend erklärbar ist.“
(Hanlon’s Razor)
|
BID = 420034
a8s Gerade angekommen
Beiträge: 14
|
Habe nun noch mal etwas länger probiert und es stimmt, im Bereich von 13,6-13,8V wird der BUZ warm. Wie kann ich dies verhindern ?
|
BID = 420040
Ltof Inventar
     
Beiträge: 9386 Wohnort: Hommingberg
|
Indem er bei Erreichen der Schwelle vollständig abgeschaltet wird.  Das Zauberwort heisst: Hysterese. Du musst also die Umschaltschwelle durch Mitkopplung verschieben. Das kannst Du dadurch erreichen, dass ein zweiter BUZ, der gleichzeitig die Last auf das Solarmodul schaltet, den Schaltpunkt an dem BC verschiebt.
Übrigens:
Die jetzige Schaltung solltest Du Dir merken. Das ist ein feiner und simpler LDO-Negativ-Spannungsregler.
Durch Spiegeln der Schaltung (P-MOSFET, NPN-Transistor usw.) geht das auch als Positiv-LDO-Spannungsregler. Da fehlt nur noch die Strombegrenzung (Schmelzsicherung oder Polyswitch) und fertig ist der Lack.
Gruß,
Ltof
_________________
„Schreibe nichts der Böswilligkeit zu, was durch Dummheit hinreichend erklärbar ist.“
(Hanlon’s Razor)
|
BID = 420046
a8s Gerade angekommen
Beiträge: 14
|
Könntest du für mich einen abgeänderten Schaltplan posten ?!
Schonmal Danke für deine Hilfe !
|
BID = 420052
Ltof Inventar
     
Beiträge: 9386 Wohnort: Hommingberg
|
Nein, kann ich nicht, weil ich keinen habe. Das sind nur Anregungen meinerseits.
Hier nochmal ein paar Stichworte zusammengefasst:
Hysterese
Mittkopplung
Schmitt-Trigger
Kippstufe
Damit solltest Du die Suchmaschine Deines geringsten Misstrauens füttern und selbst eine Lösung finden.
Gruß,
Ltof
_________________
„Schreibe nichts der Böswilligkeit zu, was durch Dummheit hinreichend erklärbar ist.“
(Hanlon’s Razor)
[ Diese Nachricht wurde geändert von: Ltof am 6 Apr 2007 11:37 ]
|
BID = 420102
a8s Gerade angekommen
Beiträge: 14
|
Also ich bräuchte ja nur einen Schmitt Trigger welcher bei 13,8V den BUZ voll! durchsteuert und bei 12,8V wieder völlig sperrt. Die Hysterese wäre dann 1V.
Leider weiß ich nicht, wie ich mit einem Schmitt-Trigger ein MOSFET richtig ansteuere !
Kann mir jemand helfen ?
|
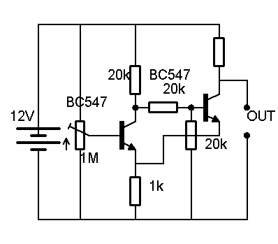
BID = 420106
a8s Gerade angekommen
Beiträge: 14
|
Hier ist mal der Schaltplan meines Schmitt-Triggers.
|