3 Kreise im NYM zusammenfassen?

Im Unterforum Elektroinstallation - Beschreibung: Alles über Installation
Achtung immer VDE beachten !!

Elektronik Forum Nicht eingeloggt       Einloggen       Registrieren




[Registrieren]      --     [FAQ]      --     [ Einen Link auf Ihrer Homepage zum Forum]      --     [ Themen kostenlos per RSS in ihre Homepage einbauen]      --     [Einloggen]

Suchen


Serverzeit: 26 2 2026  09:15:43      TV   VCR Aufnahme   TFT   CRT-Monitor   Netzteile   LED-FAQ   Oszilloskop-Schirmbilder            


Elektronik- und Elektroforum Forum Index   >>   Elektroinstallation        Elektroinstallation : Alles über Installation
Achtung immer VDE beachten !!


Autor
3 Kreise im NYM zusammenfassen?
Suche nach: nym (2996)

    







BID = 383551

jayjay86

Neu hier

Beiträge: 33
 

  


Hallo, hallo!
Es sollen 3 Lichtkreise (Halogeneinbauzeug) in eine abgehängte Zwischendecke gesetzt werden (die Styropor?-Platten-Decken).
Die Kreise sollen unabhängig voneinander geschaltet werden können.
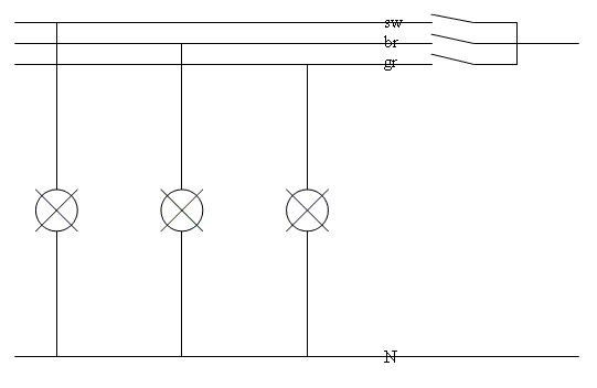
Wäre es möglich, für die Strecke UV->Lampe, ein NYM 5x1,5mm^2 (Anschluss dann: sw-bl, br-bl und gr-bl) zu nehmen oder muss 3x 3x1,5mm^2 verwendet werden? Bei der 5x1,5mm^2-Variante wäre der N natürlich etwas "dünn besetzt", bei der kleinen Leistung wird dieser ja nicht überbelastet. Im Regelfall wird da auch nichts weiteres angeklemmt. Aber das weiß man vorher ja nie.

Geschaltet wird direkt in der UV, daher geht's hier nur um die Zuleitung zu den Lampen.
Wie seht ihr das?

Danke u. Gruß
Julian

BID = 383557

ego

Inventar



Beiträge: 3091
Wohnort: Köln

 

  

Natürlich ist dies möglich: Sowohl mit einem LS als vorsicherung, wahrscheinlich ausreichend, aber auch als Drehstromleitung!
Wieviel Leistung soll denn installiert werden?

BID = 383568

sam2

Urgestein



Beiträge: 35321
Wohnort: Franken (bairisch besetzte Zone)

Bitte präzisiere die Frage:

Geht es um einen aufgeteilten Drehstromkreis (also drei getrennte Sicherungen) in einer Leitung oder lediglich um drei geschaltete Leuchtengruppen an einem Stromkreis (nur eine Sicherung)?

Welche Leistungsaufnahme haben die Leuchten je Gruppe?

Wie lange ist die Strecke? Verlegeart?

_________________
"Das Gerät habe ich vor soundsoviel Jahren bei Ihnen gekauft! Immer ist es gegangen, immer. Aber seit gestern früh geht es plötzlich nicht mehr. Sagen Sie mal, DA STIMMT DOCH WAS NICHT???"

BID = 383572

jayjay86

Neu hier

Beiträge: 33

Zu den Fragen: Alle 3 Kreise werden über den gleichen LS gespeist, an dem noch weiteres Licht hängt. Also 3 Leuchtengruppen. Leistung: Noch nicht ganz raus, liegt aber zwischen 11 und 15 Halogenstrahlern á ca. 30W insgesamt.
Also eigentlich sehr wenig.
Strecke dieser Zusammenfassung: ca. 15m, Verlegeart B.
Danke sam2 für den Wink mit dem Zaunpfahl: Bei einer Sicherung kann der N ja garnicht durch mehr Strom durchflossen werden.
Man hat es also mit Einphasen-Wechselstrom zu tun, keine Drehstromaufteilung.

Also die eigentlich Frage ist: Lassen sich 3x 3x1,5mm^2 auf 1x 5x1,5mm^2 komprimieren, da ja eine ausreichende Menge an Adern vorhanden ist?



BID = 383601

ego

Inventar



Beiträge: 3091
Wohnort: Köln


Zitat :
Natürlich ist dies möglich: Sowohl mit einem LS als vorsicherung, wahrscheinlich ausreichend, aber auch als Drehstromleitung!



BID = 383689

sam2

Urgestein



Beiträge: 35321
Wohnort: Franken (bairisch besetzte Zone)

Ob die Wiederholung hilft?
Er hatte Dich doch offenbar schon vorhin nicht verstanden...

Daher in anderer Form:
Ja, das geht so in Ordnung, wie Du es beschrieben hast.

Rechnerisch ist in diesem Fall kein Unterschied zwischen einer 3-adrigen und einer 5-adrigen Leitung:
Da nur eine Stromaufteilung in den 3 L stattfindet, die Summe also gleich bleibt, ist diese 5-adrige Leitung als "2 belastete Adern" zu betrachten.

BID = 383718

jayjay86

Neu hier

Beiträge: 33

Nunja... Die Wiederholung selbst hilft nicht...
Eher sich die Sache nochmal in Ruhe zu betrachten u. nicht zu überfliegen. Alles klar.

Danke sehr!


Zurück zur Seite 1 im Unterforum          Vorheriges Thema Nächstes Thema 


Zum Ersatzteileshop


Bezeichnungen von Produkten, Abbildungen und Logos , die in diesem Forum oder im Shop verwendet werden, sind Eigentum des entsprechenden Herstellers oder Besitzers. Diese dienen lediglich zur Identifikation!
Impressum       Datenschutz       Copyright © Baldur Brock Fernsehtechnik und Versand Ersatzteile in Heilbronn Deutschland       

gerechnet auf die letzten 30 Tage haben wir 12 Beiträge im Durchschnitt pro Tag       heute wurden bisher 0 Beiträge verfasst
© x sparkkelsputz        Besucher : 189615765   Heute : 4731    Gestern : 16450    Online : 101        26.2.2026    9:15
18 Besucher in den letzten 60 Sekunden        alle 3.33 Sekunden ein neuer Besucher ---- logout ----viewtopic ---- logout ----
xcvb ycvb
0.0821948051453