| Autor |
220V Verbraucher über 12V Spannung einschalten und erst aussch. wenn Taster gedrückt wird Suche nach: spannung (45779) taster (7733) |
|
|
|
|
BID = 377604
ogg1979 Gerade angekommen
Beiträge: 2 Wohnort: Bochum
|
|
Hallo!
Ich wüsste gerne, wie ich eine 220V Glühbirne eingeschaltet bekomme und diese auch so lange anbleibt, bis man einen Taster drückt.
"Geber" ist eine Spannung von 12V, die für ca. 1,5 sek. anliegt und dann wieder abfällt.
was für bauteile brauche ich und wie werden die geschaltet?
vielen dank im voraus
von Christian |
|
BID = 377637
Dombrowski Stammposter
   
Beiträge: 450
|
|
Moin.
- Relais mit Selbsthaltung; mind. 2-poliger Kontaktsatz; Selbsthaltung m. Öffner-Taster unterbrechen.
- Klatschschalter ohne Klatsch, d.h. o. Mikro u. Verstärker; Reset-Taster hinzumogeln.
- Relais per 2-Transistor-Flipflop steuern.
- Es gibt noch mehr.
Immer VDE u. Sicherheit u. so weiter beachten.
D. |
|
BID = 377638
Kurzschlussmechaniker Neu hier

Beiträge: 30 Wohnort: Unnerfrangen
|
|
BID = 377648
ogg1979 Gerade angekommen
Beiträge: 2 Wohnort: Bochum
|
|
BID = 377681
Dombrowski Stammposter
   
Beiträge: 450
|
Moin.
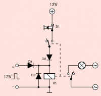
Von den dreien hat Relais m. Selbsthaltung die kleinste Bauelementezahl. Bei der gezeigten Schaltung muss allerdings der Steuerausgang so viel Strom liefern können, dass das Relais erstmal anzieht. Eine zusätzliche 12V-Quelle ist nötig. S1 ist der Taster zum Lösen. D1..D3 sind Schutzdioden.
D.
|