| Autor |
|
|
|
BID = 358691
Bildröhre gesperrt
|
|
Hallo,
ich habe eine Ampel bekommen, die mit 2 Birnen (normale Lampenbirnen für 220 Volt) betrieben werden. Das Problem ist, das die Bekannte von der ich die Ampel habe nun möchte, das die Birnen unterschiedlich leuchten. Jetzt sind die beiden Birnen nämlich zusammen in Reihe geschaltet so das beide leuchten. Sie möchte jetzt aber gerne, das die Ampel automatisch von Rot auf Grün schaltet und dieses in einer Zeitschaltung von ca. 20 Sekunden geschieht.
Weiß jemand welche Schaltung ich dafür benötige und wo ich so einen Schaltplan herbekomme? Ist eigentlich eine sehr easy Schaltung,allerdings nur wenn man weiß wie.....
_________________
[ Diese Nachricht wurde geändert von: Bildröhre am 11 Aug 2006 14:51 ] |
|
BID = 358693
HeinzVogel Schreibmaschine
     Beiträge: 1580 Wohnort: Welt
|
|
astabiler multivibrator
oder ne555
mit entstprechender Ansteuerung, am besten Relais...
hast du kein gelb? In deutschland ist es nämlich so, dass von rot nach grün gelb mit rot gleichzeitig leuchtet, und beim Umschalten auf rot alle drei der Reihe nach
mfg
_________________
Nein, Frau Bundeskanzlerin. Dezidiert Nein. |
|
BID = 358694
HeinzVogel Schreibmaschine
     Beiträge: 1580 Wohnort: Welt
|
|
BID = 358702
Bildröhre gesperrt
|
Ist eine DDR Ampel,die hat nur rot und grün mit Männchen.
_________________
|
BID = 358704
Bildröhre gesperrt
|
Beachtet bitte, das ich eine Schaltung benötige für 220 Volt, da die Lampen direkt mit dem Stromnetz verbunden sind.
_________________
|
BID = 358749
Morgoth Schreibmaschine
    
Beiträge: 2930 Wohnort: Rockenhausen (Pfalz)
|
nö wieso?
kleines netzteil eingebaut, und schon läuft die Mühle mit 5 oder 12V, und die Birnen werden über Relais geschaltet
_________________
Es irrt der Mensch solang er strebt
|
BID = 358752
Bildröhre gesperrt
|
Ja genau...
Schaltplan? Den brauche ich...
_________________
|
BID = 358762
Mr.Ed Moderator
      
Beiträge: 36336 Wohnort: Recklinghausen
|
Zitat :
|
Jetzt sind die beiden Birnen nämlich zusammen in Reihe geschaltet so das beide leuchten. |
Das ist aber unpraktisch, 115V Leuchtmittel sind schwer zu bekommen. Wer macht denn so einen Unsinn?
Was die Schaltung angeht:
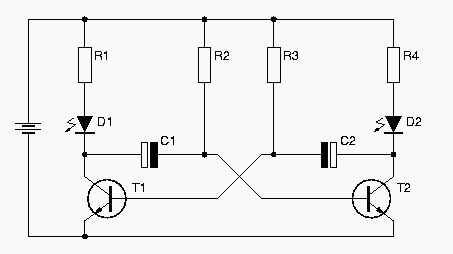
Schaltungen für Wechselblinker gibt es haufenweise im Netz, in deinem Fall reicht aber ein NE555 und ein Relais mit Wechselkontakt. Der NE555 kann das Relais direkt treiben.
Zum NE555 gibt es haufenweise Schaltungen im Netz, das dürfte immerhin das meistverkaufte IC der Welt sein.
_________________
-=MR.ED=-
Anfragen bitte ins Forum, nicht per PM, Mail ICQ o.ä. So haben alle was davon und alle können helfen. Entsprechende Anfragen werden ignoriert.
Für Schäden und Folgeschäden an Geräten und/oder Personen übernehme ich keine Haftung.
Die Sicherheits- sowie die VDE Vorschriften sind zu beachten, im Zweifelsfalle grundsätzlich einen Fachmann fragen bzw. die Arbeiten von einer Fachfirma ausführen lassen.
|
BID = 358763
Morgoth Schreibmaschine
    
Beiträge: 2930 Wohnort: Rockenhausen (Pfalz)
|
den gibts im datenblatt des NE555 "astable operation", und dann halt ein Wechsler-Relais dran, allerdings weiss ich net, ob der NE555 so ein relais schalten kann, oder ob er da Unterstützung braucht.
Natürlich geht auch ein konventioneller Multivibrator http://de.wikipedia.org/wiki/Multivibrator , aber da werden die bauteile so groß bei diesen Zeiten...
edit: Frage wurde im vorherigen Post beantwortet...
_________________
Es irrt der Mensch solang er strebt
[ Diese Nachricht wurde geändert von: Morgoth am 11 Aug 2006 17:52 ]
|
BID = 358800
Bildröhre gesperrt
|
Mr.Ed, es ist kein Unsinn. Ich habe eine RICHTIGE Ampel auf der Werkbank liegen, wie sie draußen im Straßenverkehr zu finden ist, nur halt von DDR Zeiten mit nur 2Lampen für rot und grün mit den Ampelmännchen. Da sitzen zwei normale Glühbirnen drin 220Volt/100W wie bei der heutigen Straßenampel jetzt auch. Deswegen bin ich ja am rätseln wie ich so eine Schaltung über 220Volt betreiben kann, so das die Glühbirnen noch genügend Power haben um ihre volle Leuchtkraft entfalten zu können.
_________________
|
BID = 358802
DonComi Inventar
     
Beiträge: 8604 Wohnort: Amerika
|
Ja, aber wenn die Glühlampen/leuchten in Serie betrieben werden, leuchten sie doch bloß ca. 1/2x so schwach.
Bist du dir sicher, dass die In Serie geschaltet sind?
Wenn die Dinger also für 220V~ (sinds ja heute auch nicht mehr) ausgelegt sind, spricht nichts gegen die Idee mit dem Relais zum Umschalten. Man könnte auch einen Triac nehmen, damit die Kontakte nicht verbrennen, was aber bei 100W nicht soo schlimm sein sollte.
_________________
|
BID = 358805
sam2 Urgestein
     
Beiträge: 35321 Wohnort: Franken (bairisch besetzte Zone)
|
@ Birö:
Mr. ED meint, daß die beiden Lampen bestimmt parallel geschaltet sind und nicht etwa - wie Du annimmst - in Reihe!
Ich rate Dir dringend, statt eines Eigenbaus ein fabrikfertiges Blinkrelais mit Umschaltkontakt zu verwenden! http://www.eltako.com/dwl/eltako_2006_kapitel_e.pdf
Denn ich habne ernsthafte Zweifel, daß Du die Schaltung so hinbekommst, daß davon keine Gefahr ausgeht. Mit den 230V Netzspannung ist nicht zu spaßen!
@ Don Comi
Denk nochmal darüber nach! Bei Reihenschaltung leuchten sie erheblich weniger als "1/2x"...
Denn halbe Spannung bewirkt (bei gleichem Widerstand) ein Viertel der Leistung.
|
BID = 358809
Bildröhre gesperrt
|
Ja ist parallel geschaltet^^
_________________
|
BID = 358812
Bildröhre gesperrt
|
Sam2 danke, an genau sowas habe ich nämlich zuerst gedacht gehabt und schon im Reichelt Katalog nachgeschaut. Das ist die einfachste Variante und sicher. Nur anschliessen, programmieren,fertig.
Danke allen.
_________________
|
BID = 358816
DonComi Inventar
     
Beiträge: 8604 Wohnort: Amerika
|
@Sam2:
Stimmt, da habe ich Schwachfug geschrieben  ...
_________________
|