| Autor |
|
|
|
BID = 244275
Herrminator Gelegenheitsposter
 
Beiträge: 87
|
|
Hallo zusammen,
ich habe ein eigenbau Netzgerät hier liegen. Mein Problem ist das zwischen der Minus Ausgangsbuchse und PE der Steckdose eine Spannung von 42,5 V anliegt. Und ich nicht verstehe nicht wie diese zustande kommt.
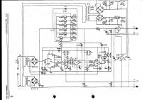
Anbei der Schaltplan des Netzteiles.
Ich hoffe ihr könnt mir weiterhelfen.
MFG Tobias
|
|
BID = 244301
Mr.Ed Moderator
      
Beiträge: 36327 Wohnort: Recklinghausen
|
|
Kapazitive Kopplunng der Trafowicklungen.
Oder: Wer misst, misst mist.
_________________
-=MR.ED=-
Anfragen bitte ins Forum, nicht per PM, Mail ICQ o.ä. So haben alle was davon und alle können helfen. Entsprechende Anfragen werden ignoriert.
Für Schäden und Folgeschäden an Geräten und/oder Personen übernehme ich keine Haftung.
Die Sicherheits- sowie die VDE Vorschriften sind zu beachten, im Zweifelsfalle grundsätzlich einen Fachmann fragen bzw. die Arbeiten von einer Fachfirma ausführen lassen. |
|
BID = 244307
Herrminator Gelegenheitsposter
 
Beiträge: 87
|
Zitat :
| | Oder: Wer misst, misst mist |
Soll ich mal ein Bild davon machen was "gestorben" ist ?
Was hat es damit aufsich ?
|
BID = 244344
BlackLight Inventar
      Beiträge: 5452
|
@Herrminator,
hängt mal zwischen PE und Minus einen Widerstand mit ca 10-1kOhm und messe nochmal mit deinem hochohmigen DMM deine Blindspannung.
|
BID = 244367
high_speed Schreibmaschine
    
Beiträge: 2073
|
Hallo Tobias
Sind die Gehäuse der Leistungstransistoren gegen den Schutzleiter isoliert?
MfG
Holger
PS: Für Schaltpläne gibt es bessere Grafikformate.
JPEG verbraucht hier nur Speicherplatz.
GIF, PNG sind hierfür besser geeignet.
Selbst BMP verbraucht als Schwarzweiß weniger als JPEG.
_________________
George Orwell 1984 ist nichts gegen heute.
Der Überwachungsstaat ist schon da!
Leider lernen die Menschen nicht aus der Geschichte,
ansonsten würde sie sich nicht andauernd wiederholen.
|
BID = 244437
Deff Schriftsteller
    
Avatar auf fremdem Server ! Hochladen oder per Mail an Admin
Beiträge: 778 Wohnort: Sachsen
|
Ich würde wie auch high-speed meint, kontrollieren, ob die 2N3055 alle Glimmerscheiben drunter haben bzw. der Kühlkörper gegenüber dem Chassis isoliert montiert ist.
Ich bitte um das Bild der Leichen...
|
BID = 244514
Herrminator Gelegenheitsposter
 
Beiträge: 87
|
So Fehler scheint gefunden zu sein.
Die 2N3055 sind alle mit Glimmerscheiben unterlegt. Die Fuße der 5 sind mit schwarzen abstandshaltern isoliert. Und trotzdem war ein Durchgang zu PE da. Die Plus Zuleitung abgeschraubt, Durchgang weg. Nun dem Schaltplan nach, Dräthe hin und Weg gemacht. Siehe da was ist das denn ? Der BD241 sitzt mit einer Glimmerscheibe isoliert an der Alu-Seitenwand, etwas versteckt hinterm Trafo. Aber die Messingbefestigungsschraube steckt direkt in der Alu-Seitenwand. Abmontiert fehler scheint behoben. Denke werde den BD241 auf einen extra Kühlkörper montieren, da eine Plastikschraube die Temperatur denke ich nicht aushält.
Besten Dank an euch für die schnelle Hilfe.
Tobias
Das Dateiformat *.bmp ist nicht erlaubt ! Denken Sie bitte an den Traffic ! Deswegen nicht hochgeladen
|
BID = 244515
Herrminator Gelegenheitsposter
 
Beiträge: 87
|
So jetzt nochmal das Bild
|
BID = 244553
Deff Schriftsteller
    
Avatar auf fremdem Server ! Hochladen oder per Mail an Admin
Beiträge: 778 Wohnort: Sachsen
|
Den BD auf ein extra Kühlprofil würde ich mir abschminken!
Weißt Du warum? Es gibt auch für diese Transistorgehäuseform (TO220) sog. Isoliernippel, die trotz der Verwendung von Metallschrauben, keinen Kontakt zwischen Transistor und Kühlkörper zulassen.
Sind für wenige Cent bei jedem Elektronikversender bestellbar.
Ansonsten, gut hingeschaut, denn das Foto läßt nicht zu, den von Dir beschriebenen Massekontakt optisch nachzuvollziehen, zumal um den Schraubenkopf herum Isolation zu sehen ist. Du scheinst Dir aber selbst nicht sicher zu sein, denn Du schreibst "anscheinend behoben".
[ Diese Nachricht wurde geändert von: Deff am 13 Sep 2005 16:13 ]
|
BID = 244606
Herrminator Gelegenheitsposter
 
Beiträge: 87
|
Werde ich gleich heute abend beim Rest mitbestellen. Und morgen werde ich das ganze wieder zusammenbauen. Und dann prüfen ob es jetzt wirklich das war. Wenn ich jetzt messe, sagt das Voltmeter 0,01 V. Ich sehe s ja dann wenn ich den Brenner 5 von Sprut inbetriebnehme obs jetzt geht. Oder ob es wieder raucht und stinkt und noch eine Schnittstelle kaput geht.
|
BID = 247872
Herrminator Gelegenheitsposter
 
Beiträge: 87
|
So habe diesen Isoliernippel eingebaut. Habe jetzt von PE zu Minus am Netzgerät 2,4 V. Wenn ich den PE am Netzstecker abnehme 0,2 V. Was soll ich davon jetzt halten ?
|
BID = 248071
sam2 Urgestein
     
Beiträge: 35321 Wohnort: Franken (bairisch besetzte Zone)
|
Klingt ganz normal.
Miß mal unter Last!
|
BID = 249935
Herrminator Gelegenheitsposter
 
Beiträge: 87
|
Unter Last verhält sich das ganze so wie wenn ein Kondensator entladen wird.
Eine Spannung von ca 9,5V sinkt um 0,1V pro/s.
Bis etwa 0,7 dann springt sie wieder hoch.
( Bei einer Spannung von 12 V und 0,53 A)
Sorry hat länger gedauert haben einen Todesfall in der Familie
|