Vorwiderstand Transistor?

Im Unterforum Alle anderen elektronischen Probleme - Beschreibung: Was sonst nirgendwo hinpasst

Elektronik Forum Nicht eingeloggt       Einloggen       Registrieren




[Registrieren]      --     [FAQ]      --     [ Einen Link auf Ihrer Homepage zum Forum]      --     [ Themen kostenlos per RSS in ihre Homepage einbauen]      --     [Einloggen]

Suchen


Serverzeit: 28 12 2025  13:43:51      TV   VCR Aufnahme   TFT   CRT-Monitor   Netzteile   LED-FAQ   Oszilloskop-Schirmbilder            


Elektronik- und Elektroforum Forum Index   >>   Alle anderen elektronischen Probleme        Alle anderen elektronischen Probleme : Was sonst nirgendwo hinpasst


Autor
Vorwiderstand Transistor?
Suche nach: transistor (12335)

    







BID = 109210

Enrico

Gesprächig

Beiträge: 188
Wohnort: Erzgebirge
 

  


Hallo,

ich weiß, die Frage wurde schon öffter gestellt, aber so richtig weiß ich da immer noch nicht bescheid.

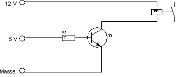
Der Transistor im Schtbild soll als einfacher Schalter wirken und das Relais ansteueren. Aber wie groß muss R1 sein?

Für Hilfe wäre ich sehr dankbar.

Grüße
Enrico



BID = 109219

tixiv

Schreibmaschine



Beiträge: 1492
Wohnort: Gelsenkirchen

 

  

Dazu musst Du den benötigten Strom des Relais, und den Verstärkungsfaktor des Transistors kennen.
Der Strom in die Basis muss dann um den Verstärkungsfaktor kleiner sein. Das ist allerdings nur der midest Strom. Meisstens nimmt man zum Ansteuern dann das 2-3 fache des erforderlichen mindest Stroms. Dann kann man nach dem Ohmschen gesetz den Widerstand berechnen.

Beispiel: Relais zieht 100mA (120 Ohm Spulenwiderstand bei 12V)
Verstärkungsfaktor des Transistors : 200

Dann muss der Basisstrom mindestens 100mA/200=0,5mA sein.
Man nimmt ungefähr den 3 fachen Strom, also 1,5mA. An dem Basiswiderstand liegt die Ansteuerspannung abzüglich der Schwellenspannung des Transistors: 5V-0,6V=4,4V.
Der Widerstand muss also 4,4V/1,5mA = 2,9k Ohm. Den gibts nicht, also nehmmen wir den nächst kleineren: 2,7k Ohm.

BID = 109228

Enrico

Gesprächig

Beiträge: 188
Wohnort: Erzgebirge

Hallo,

dank für deine Antwort. Also das Relais zieht einen Strom von ca. 35 mA, der Transistor ist einer vom Typ "BC 547", leider hab ich da niergendwo einen Verstärkungsfaktor gefunden. Weißt den zufällig jemand?

Grüße und danke.
Enrico

BID = 109258

DurstigerOlm80

Stammposter



Beiträge: 269

Die "C"-Typen haben eine hohe Stromverstärlung, zwischen 450 und 900 normal. Ich würde es mal mit 600 versuchen.

BID = 109280

perl

Ehrenmitglied



Beiträge: 11110,1
Wohnort: Rheinbach


Zitat :
Strom von ca. 35 mA, der Transistor ist einer vom Typ "BC 547", leider hab ich da niergendwo einen Verstärkungsfaktor gefunden.

Dafür gibts doch Datenblätter.
Da der Transistor in der Sättigung betrieben wird, ist die Verstärkung bei weitem nicht so hoch, wie DurstigerOlm80 glaubt.
Bei diesem Kollektorstrom und UCE unter 1V solltest du beim BC547 allenfalls mit einer Stromverstärkung von 80 rechnen !

Das ist übrigens ein Kleinsignaltransistor, vorwiegend für den Linearbetrieb bei Strömen unter 20mA .
35mA ist für diesen Transitor schon relativ hoch.
Der BC337 ist hier schon besser geeignet. Bei diesem wird bei UCE von 1V und 100mA ein B von 100..600 garantiert.


Außerdem fehlt in deiner Schaltung die Freilaufdiode über der Relaiswicklung. Jetzt kannst du darauf warten wann die beim Abschalten entstehende Induktionsspannung den Transistor zerstört hat.

Also: Diode über die Relaiswicklung legen und Vorwiderstand 2,2kOhm (Mit diesem Wert liegst du in den Datenblatt specs für B=20, UCE dann etwa 150mV)


_________________
Haftungsausschluß:

Bei obigem Beitrag handelt es sich um meine private Meinung.

Rechtsansprüche dürfen aus deren Anwendung nicht abgeleitet werden.

Besonders VDE0100; VDE0550/0551; VDE0700; VDE0711; VDE0860 beachten !

[ Diese Nachricht wurde geändert von: perl am  2 Okt 2004 16:42 ]

BID = 109288

DurstigerOlm80

Stammposter



Beiträge: 269


Zitat :

Da der Transistor in der Sättigung betrieben wird, ist die Verstärkung bei weitem nicht so hoch, wie DurstigerOlm80 glaubt.


Ups, stimmt natürlich

[ Diese Nachricht wurde geändert von: DurstigerOlm80 am  2 Okt 2004 17:03 ]

BID = 109559

Enrico

Gesprächig

Beiträge: 188
Wohnort: Erzgebirge

Hallo und danke für die Antworten!

Also ich werde es jetzt mal mit 'nem 2,2k probieren.
Die Freilaufdiode kommt natürlich auch mit rein, hatte ich bloß der Einfachheit halber weggelassen.

Ich hatte gestern probehalber mal 100k genommen, da hat es mir glatt den Regler-IC (TDA2030) im Netzteil zerschossen. Kann sich das jemand erklären?

Grüße
Enrico


BID = 109637

Bernddi

Schriftsteller



Beiträge: 530
Wohnort: Waldheim

???? woher stammt die basisvorspannung (die +5volt ) der basiswiederstand begrenzt nur den basisstrom da der transistor hier als schalter funkiert soll er in die sättigung fahren das heist Ube sat liegt in der grössenordnung von 0,2 volt vereinfacht gesagt über den r müssen rund 4,8 volt abfallen vereinfacht kannste sagen r =u/i bei 5 volt und 5 ma basisstrom reichen 1000 ohm sicher um den transistor in die sättigung zu treiben der kolektor emitterstrom wird eh durch das relais begrenzt die freilaufdiode ligt übrigens in sperrichtung parallel zum relais (schliest selbstinduktionsspannung des relais beim abschalten kurz (genauer gesagt begrenzt diese auf die durchlassspannung der diode )zum tda2030 das ist ein "misbrauchter" nf verstärker hier als leistungsop eingesetzt daher meine frage woher stammen die +5 volt ? und haben +5 volt und +12 volt nen gemeinsammen minuspol ???
gruß bernddi

BID = 110514

Enrico

Gesprächig

Beiträge: 188
Wohnort: Erzgebirge

Hallo und danke für die Antwort.

das ganze wird im Enteffekt vereinfacht gesagt an ein PC-Netzteil angeschlossen. Die 5V und 12V haben ein gemeinsammes Minus-Potential.

Ich hatte an meinem regelbaren Netzteil einfach 5V eingestellt und den Transistor mit Vorwiderstand angeschlossen (ohne Relais oder Ähnlichem). Wie gesagt, bei 100k Vorwiederstand hat's dann mal kurz geknallt. Es ist aber alles andere ganz geblieben, also auch der Transistor und Widerstand.

Was heißt eigentlich Transistor in der Sättigung betreiben, heißt das jetzt, dass er den vollen Strom (C-E) durchlässt?

Grüße und danke
Enrico

BID = 111920

Bernddi

Schriftsteller



Beiträge: 530
Wohnort: Waldheim

also vereinfacht gesagt wirkt ein transistor wie ein regelbarer wiederstand (der basistrom beeinflust den kolektor emitterstrom ) wenn du den basisstrom erhöst vergrössert sich ja auch der kolektorstrom ab einem bestimmten wert kannst du durch weiteres erhöhen des basistromes den kolektorstrom nicht weiter vergrössern der transistor ist dann im sättigungszustand jede weitere erhöhung des basistroms hat dann nur noch eine vergrösserung der verlustleistung zur folge
wenn du dir mal die kennlinien eines transistors anschaust wirst du sehen das diese immer "krumm" sind transistoren sind nun mal nicht optimale bauelemente !!! für schalteranwendung schtrebt man aber eine volle aussteuerung des transistors an schlieslich soll die leistung in der last und nicht im transistor "verbraten " werden (zur berechnung verwende mal die formel eines unbelastetten spannungsteilers ,wobei der transistor dann eben einen wiederstand des spannungsteilers darstellt (datenblatt gibt immer Uce sat an kleiner kann diese spannung nie werden überschlägig Uce * Ice = Ptot (genauer kommt dazu noch die verlustleistung der basis emitterdiode )Ube*Ib
zu deinen "versuch" sei froh das dein netzteil abgeschaltet hat schlieslich haste die gesammte leistung dann im transistor umgesezt (du hast quasi die +12 volt über den transistor kurzgeschlossen )
gruß bernddi

[ Diese Nachricht wurde geändert von: Bernddi am  9 Okt 2004  0:34 ]

BID = 111931

perl

Ehrenmitglied



Beiträge: 11110,1
Wohnort: Rheinbach

Immerhin ein Komma habe ich in obigen Traktat ausfindig machen können, jedoch keinen einzigen Punkt.
Wer soll das eigentlich lesen ?


_________________
Haftungsausschluß:



Bei obigem Beitrag handelt es sich um meine private Meinung.



Rechtsansprüche dürfen aus deren Anwendung nicht abgeleitet werden.



Besonders VDE0100; VDE0550/0551; VDE0700; VDE0711; VDE0860 beachten !


Zurück zur Seite 1 im Unterforum          Vorheriges Thema Nächstes Thema 


Zum Ersatzteileshop


Bezeichnungen von Produkten, Abbildungen und Logos , die in diesem Forum oder im Shop verwendet werden, sind Eigentum des entsprechenden Herstellers oder Besitzers. Diese dienen lediglich zur Identifikation!
Impressum       Datenschutz       Copyright © Baldur Brock Fernsehtechnik und Versand Ersatzteile in Heilbronn Deutschland       

gerechnet auf die letzten 30 Tage haben wir 17 Beiträge im Durchschnitt pro Tag       heute wurden bisher 3 Beiträge verfasst
© x sparkkelsputz        Besucher : 187988944   Heute : 8169    Gestern : 11123    Online : 320        28.12.2025    13:43
12 Besucher in den letzten 60 Sekunden        alle 5.00 Sekunden ein neuer Besucher ---- logout ----viewtopic ---- logout ----
xcvb ycvb
0.0540239810944