| Autor |
|
|
|
BID = 1053409
perl Ehrenmitglied
       
Beiträge: 11110,1 Wohnort: Rheinbach
|
|
Gibt es auch einen Schaltplan von dem Drahtverhau?
Welche ICs (bitte genaue Type angeben) hast du verwendet?
Zitat :
| | Im Datenblatt des NOR hatter steht Betriebsspannung min 4.75V und Max 5.25V. Das ist ein recht enger Spielraum. | Nein, das ist seit Jahrzehnten die spezifizierte Betriebsspannung für TTL-Schaltungen sowie deren Abkömmlinge wie H, S, LS.
https://de.wikipedia.org/wiki/74xx
Die meisten funktionieren bis herab zu 3,5V, aber dann halten sie die garantierten Spezifikationen *) nicht mehr ein.
P.S.:
In dem Wikipedia Artikel steht "Die Serie wurde in den 1970er-Jahren von Texas Instruments entwickelt".
Das ist falsch. Gehe 10 Jahre weiter zurück.
Um 1968 gab es solche Teile hier sogar schon in preisgünstigen Sortimenten "Wundertüten" für Bastler.
Zitat :
| | TTL was invented in 1961 by James L. Buie of TRW, which declared it, "particularly suited to the newly developing integrated circuit design technology." The original name for TTL was transistor-coupled transistor logic (TCTL).[2] The first commercial integrated-circuit TTL devices were manufactured by Sylvania in 1963, called the Sylvania Universal High-Level Logic family (SUHL).[3] The Sylvania parts were used in the controls of the Phoenix missile.[3] TTL became popular with electronic systems designers after Texas Instruments introduced the 5400 series of ICs, with military temperature range, in 1964 and the later 7400 series, specified over a narrower range and with inexpensive plastic packages, in 1966.[4] | Hier: https://en.wikipedia.org/wiki/Trans.....story
*) Z.B. Treiberleistung, Störabstand verschlechtern sich. Die Schaltzeiten hingegen können mit Unterspannung sogar besser werden.
[ Diese Nachricht wurde geändert von: perl am 29 Jun 2019 16:39 ] |
|
BID = 1053413
perl Ehrenmitglied
       
Beiträge: 11110,1 Wohnort: Rheinbach
|
|
Zitat :
| | dann schien die ganze Schaltung aber Katz und Maus mit mir zu spielen und ich hab die gduld verloren | Wenn du tatsächlich TTL verwendest, will ich dir ein "Geheimnis" verraten, das du offensichtlich nicht kennst:
Bei Schaltungen die logische Zustände speichern können, und deine gehört ja wohl dazu, ist es erforderlich die Speisespannungen abzublocken.
Man nimmt dazu Keramikkondensatoren mit 10..100nF und kurzen Anschlüssen, die direkt am IC von Vcc nach GND gelegt werden. Bei solch raumgreifenden Konstruktione wie auf dem Foto, sollte man jedem IC einen solchen Angstkondensator spendieren. |
|
BID = 1053425
elko64 Schriftsteller
    
Beiträge: 627
|
Zitat :
|
Hm,möglicherweise handelst Du dir mit dem Motor(wie wird der überhaupt angesteuert?)Probleme mit der Spannungsversorgung oder mit unbeschalteten Eingängen ein.
|
Hatte es erst ohne Motor getestet. Und die Eingänge waren alle beschaltet (nicht wie auf dem Foto)
[ Diese Nachricht wurde geändert von: elko64 am 29 Jun 2019 21:03 ]
|
BID = 1053426
elko64 Schriftsteller
    
Beiträge: 627
|
Zitat :
|
Welche ICs (bitte genaue Type angeben) hast du verwendet?
|
SN74LS08N DIP14 = AND Gate
SN74LS27N = NOR- Gate
[ Diese Nachricht wurde geändert von: elko64 am 29 Jun 2019 21:18 ]
|
BID = 1053427
elko64 Schriftsteller
    
Beiträge: 627
|
Zitat :
|
Gibt es auch einen Schaltplan von dem Drahtverhau?
|
Habe es nach folgendem Plan aufgebaut.
|
BID = 1053428
elko64 Schriftsteller
    
Beiträge: 627
|
Zitat :
perl hat am 29 Jun 2019 16:58 geschrieben :
|
Zitat :
| | dann schien die ganze Schaltung aber Katz und Maus mit mir zu spielen und ich hab die gduld verloren | Wenn du tatsächlich TTL verwendest, will ich dir ein "Geheimnis" verraten, das du offensichtlich nicht kennst:
Bei Schaltungen die logische Zustände speichern können, und deine gehört ja wohl dazu, ist es erforderlich die Speisespannungen abzublocken.
Man nimmt dazu Keramikkondensatoren mit 10..100nF und kurzen Anschlüssen, die direkt am IC von Vcc nach GND gelegt werden. Bei solch raumgreifenden Konstruktione wie auf dem Foto, sollte man jedem IC einen solchen Angstkondensator spendieren.
|
Nein, hab ich natürlich wiedermal nicht gewusst.
|
BID = 1053431
perl Ehrenmitglied
       
Beiträge: 11110,1 Wohnort: Rheinbach
|
Zitat :
| | Habe es nach folgendem Plan aufgebaut. |
Das war nicht die Frage.
Ich möchte DEINEN Schaltplan wissen!
Auf dem Foto sehe ich allerlei Bauteile, die nicht im Plan stehen, sowie einige nicht angeschlossene IC-Pins.
Das gehört alles mit in den Plan, vor allem auch die Pin-Nummern an jedem Gatter.
Anders kann man keine vernünftige Fehlersuche machen.
Ausserdem wäre es hilfreich, wenn du die letztlichen Eingänge und Ausgänge der Schaltung auf dem Foto kenntlich machtest.
Du wirst das also von dem tatsächlich vorhandenen Gebilde abzeichnen müssen.
Vielleicht erkennst du dabei schon, ob/wo dir ein Fehler unterlaufen ist.
Zitat :
| | Nein, hab ich natürlich wiedermal nicht gewusst. |
Naja, die Verwendung von Bauteilen, die einige Zehnmillionen Mal pro Sekunde schalten können, ist schon etwas anderes als eine Türklingel anzuschliessen.
Du hast dir ja sichtlich Mühe gegeben mit der Flachverdrahtung, aber bei Hochfrequenzschaltungen sind solch lange Leitungen eher kontraproduktiv.
Auch Kabelbäumchen begünstigen das Übersprechen von Signalen in Stromkreise, wo sie nicht hingehören.
Wichtig ist aber vor allem eine einwandfreie induktionsarme Masseverteilung!
Deshalb lötet man bei solch experimentellen Aufbauten die ICs gerne auf dem Rücken liegend mit den Beinchen nach oben ("Dead Bug") auf eine durchgehende Metallfläche (ungeätztes Basismaterial, notfalls auch Weißblech) auf.
Die GND Pins werden direkt mit dieser Fläche verbunden, an den Versorgungspins lötet man die erwähnten Angstkondensatoren gegen Masse.
Erst danach beginnt man mit der Verdrahtung, zunächst die Versorgung, danach die Signale.
Das gilt übrigens nicht nur für Digitalschaltungen, sondern auch manch ein NF-Verstärker erfordert solchen einen HF-gerechten Aufbau, wenn er nicht ins Schwingen geraten soll.
|
BID = 1053432
Rafikus Inventar
      Beiträge: 4228
|
Zitat :
elko64 hat am 29 Jun 2019 14:05 geschrieben :
|
dann schien die ganze Schaltung aber Katz und Maus mit mir zu spielen und ich hab die gduld verloren
|
Weil sie nicht so funktionieren kann, wie Du das Vorhaben beschrieben hast.
Angenommen alle Eingänge sind auf LOW und irgendwann wird A aktiviert, dann werden danach kommende Eingänge unterdrückt - wunderbar, funktioniert.
Aber was passiert, wenn A aktiv ist und dann noch B HIGH wird und noch C und zum Schluß A ausgeschaltet wird?
Ich spiele mich jetzt mal zum Propheten auf und behaupte, dass in dem Fall nichts sinnvolles rauskommt, und bestimmt nichts vorhersagbares.
Rafikus
|
BID = 1053470
elko64 Schriftsteller
    
Beiträge: 627
|
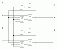
Nach diesem Plan habe ichs zusammen geschustert.
Unten die 2 Xor-Gatter und oben das And-Gatter.
[ Diese Nachricht wurde geändert von: elko64 am 1 Jul 2019 20:20 ]
|
BID = 1053471
Rafikus Inventar
      Beiträge: 4228
|
Leg noch die unbenutzten Eingänge an dem einen IC noch auf LOW.
Wie ist es mit meiner Ausführung von oben? Ist dir etwas eingefallen, wie in dem genannten Fall ein stabiler und vorhersehbarer Zustand erreicht werden kann?
Rafikus
|
BID = 1053473
elko64 Schriftsteller
    
Beiträge: 627
|
Zitat :
Rafikus hat am 1 Jul 2019 20:28 geschrieben :
|
Leg noch die unbenutzten Eingänge an dem einen IC noch auf LOW.
Wie ist es mit meiner Ausführung von oben? Ist dir etwas eingefallen, wie in dem genannten Fall ein stabiler und vorhersehbarer Zustand erreicht werden kann?
Rafikus
|
Keine Ahnung was dann passiert. evtl. nichts. hängt auch alles etwas von der Impulsdauer ab. Das wär aber eigentlich auch kein Problem. Ich mein, wenn das nicht genau vorhersehbar wäre und so eine Eigendynamik hat. Wichtig wäre eigentlich nur gewesen, dass nie 2 Ausgänge gleichzeitig High sind.
|
BID = 1053479
Kleinspannung Urgestein
     
Beiträge: 13393 Wohnort: Tal der Ahnungslosen
|
[quote]
elko64 schrieb am 2019-07-01 21:28 :
Zitat :
|
Wichtig wäre eigentlich nur gewesen, dass nie 2 Ausgänge gleichzeitig High sind.
|
Womit wir wieder bei dem wären,was ich schon vor Monden bemerkelt hab.
In der Zeit,in der du dir mit nicht mehr so ganz taufrischer Technik einen abgebrochen hast,( und die Gemeinheiten und Fallstricke immer noch nicht im Griff hast) hättest das auch mit Hilfe der Arduino-Gemeinde in nen Atmega 328 programmiert.
_________________
Manche Männer bemühen sich lebenslang, das Wesen einer Frau zu verstehen. Andere befassen sich mit weniger schwierigen Dingen z.B. der Relativitätstheorie.
(Albert Einstein)
|
BID = 1053480
elko64 Schriftsteller
    
Beiträge: 627
|
Zitat :
|
Womit wir wieder bei dem wären,was ich schon vor Monden bemerkelt hab.
In der Zeit,in der du dir mit nicht mehr so ganz taufrischer Technik einen abgebrochen hast,( und die Gemeinheiten und Fallstricke immer noch nicht im Griff hast) hättest das auch mit Hilfe der Arduino-Gemeinde in nen Atmega 328 programmiert.
|
Ich hatte ja auch erklärt warum ich das eigentlich nicht wollte. Nun wurde die ganze Sache für mich aber langsam etwas unübersehbar und ich habe mir schon trotzdem überlegt ob das evtl. doch der richtige Weg wäre. Zumal das ja auch optisch nicht so einen grossen Unterschied machen würde.
Nun ist es aber so, das ich ja schon mit dieser Aufgabe an meine Grenzen stosse und Arduino kenn ich mich nun schon grad gar nicht aus. Da würde ich efektiv von Null anfangen.
|
BID = 1053492
Offroad GTI Urgestein
     
Beiträge: 12844 Wohnort: Cottbus
|
Zitat :
| | und Arduino kenn ich mich nun schon grad gar nicht aus. |
Genau dafür (Verwendung ohne große Vorkenntnisse in Sachen Programmierung) wurde er aber praktisch erfunden.
Die von Rafikus erwähnten unklaren Zustände, und die damit verbundenen Probleme, habe ich bei meinem simplen Schaltungsentwurf auch nicht beachtet.
Beim Programmieren kannst du dich Schritt für Schritt an das gewünschte Ergebnis herantasten.
_________________
Theoretisch gibt es zwischen Theorie und Praxis keinen Unterschied. Praktisch gibt es ihn aber.
|
BID = 1053502
perl Ehrenmitglied
       
Beiträge: 11110,1 Wohnort: Rheinbach
|
Zitat : elko64 hat am 1 Jul 2019 20:19 geschrieben :
|
Nach diesem Plan habe ichs zusammen geschustert.
Unten die 2 Xor-Gatter und oben das And-Gatter. |
Also ich gebe es auf, und ICH werde dir daraus sicher keinen Schaltplan zeichnen!
Immer noch fehlen die auf dem Foto sichtbaren Bauteile, und was die seltsamen Haken darstellen sollen, erschliesst sich mir nicht.
Ausserdem habe ich keine Lust herauszufinden, wo bei dieser Schaltung Eingänge und Ausgänge liegen.
Vielleicht sollen sogar die armen 74LS die Motoren auch noch direkt antreiben
Hinzu kommt, dass Anfänger meist glauben, dass Signale im aktiven Zustand stets High sein müssten.
In Wirklichkeit liefern die meisten Sensoren Aktiv-Low Signale und auch die leistungsstarken Endstufen schalten vorzugsweise nach GND
Aber das brauchen wir ja alles nicht zu wissen, denn wir haben ja alle Zeit der Welt um den TE die Würmer einzeln aus der Nase zu ziehen.
Ich bin jedenfalls raus aus der Raterunde.
|