| Autor |
|
|
|
BID = 1051177
Rafikus Inventar
      Beiträge: 4228
|
|
Zitat :
| Und was soll passieren, wenn A aktiv wird, 3sec später Signal B aktiv wird und 4 sec später Signal C aktiv wird und dann nach 5sec das Signal A abfällt? In dem Moment des Abfallens von A ist immer noch B und C aktiv, was soll da passieren?
-Dann würde erstmal B durchgeschaltet und falls es (je nach Zykluslänge) dann für C noch reicht käme noch C zum Zug. ansonstenn bleibt C aussen vor. |
Dann geht das aber nicht ohne speichernde Glieder.
Ich glaube, du stellst es dir zu einfach vor, oder übersiehst die vielen, unterschiedlichen Zustände.
Du hast doch geschrieben, dass ein Eingang durchgeschaltet werden soll, wenn alle anderen null sind und die anderen erst mal sperren. In dem Fall aus dem obigen Zitat sind aber nicht alle anderen null, wenn B aktiv wird, somit kann das Signal von B nicht durchgeschaltet werden, zumindest nicht nach deiner Forderung.
Wenn das tatsächlich so funktionieren sollte, wie in dem Zitat, dann musst du damit rechnen, dass an den Ausgängen auch Signale in 1/10 sec oder 1/100 sec erscheinen.
Deshalt schrieb ich ja: zeichne ein Zeitdiagramm auf, unter Berücksichtigung der vielen Möglichkeiten.
Rafikus |
|
BID = 1051182
elko64 Schriftsteller
    
Beiträge: 627
|
|
Zitat :
|
Wenn das tatsächlich so funktionieren sollte, wie in dem Zitat, dann musst du damit rechnen, dass an den Ausgängen auch Signale in 1/10 sec oder 1/100 sec erscheinen.
Rafikus
|
Diese Schaltung wird dazu verwendet um Relais oder Motoren an und aus zu schalten und eigentlich nur verhindern, dass diese die Stromquelle bei gleichzeitigem Betrieb zu stark beanspruchen. Da sollte 1/100 Sekunde kein Problem darstellen. |
|
BID = 1051184
elko64 Schriftsteller
    
Beiträge: 627
|
[quote]
Rafikus schrieb am 2019-04-12 05:46 :
Zitat :
| Und was soll passieren, wenn A aktiv wird, 3sec später Signal B aktiv wird und 4 sec später Signal C aktiv wird und dann nach 5sec das Signal A abfällt? In dem Moment des Abfallens von A ist immer noch B und C aktiv, was soll da passieren?
Du hast doch geschrieben, dass ein Eingang durchgeschaltet werden soll, wenn alle anderen null sind und die anderen erst mal sperren. In dem Fall aus dem obigen Zitat sind aber nicht alle anderen null, wenn B aktiv wird, somit kann das Signal von B nicht durchgeschaltet werden, zumindest nicht nach deiner Forderung.
- Warum sollen die anderen nicht null sein vertehe ich nicht. Ich hab unten mal die Situation aufgezeichnet. Bild 1 = wenn nur A aktiv ist und B etwas später aktiv wird, aber nicht durchgeschaltet werden kann da a positiv ist
Bild 2 A ist nicht mmehr aktiv , da der Zyklus abgelaufen ist. Jetzt kann B durchschalten, da a nicht mehr positiv ist. für alle anderen (A, C und D). heisst es somit warten, da nun b positiv ist.
Wenn das tatsächlich so funktionieren sollte, wie in dem Zitat, dann musst du damit rechnen, dass an den Ausgängen auch Signale in 1/10 sec oder 1/100 sec erscheinen.
Deshalt schrieb ich ja: zeichne ein Zeitdiagramm auf, unter Berücksichtigung der vielen Möglichkeiten.
Rafikus
|
|
BID = 1051196
Rafikus Inventar
      Beiträge: 4228
|
Du solltest ein Zeitdiagramm zeichnen, keinen Schaltplan.
Mit dem dargestellten Schaltplan funktioniert es nicht.
In der oberen Zeichnung, bei Ausgang a: sowie einer der Eingänge b,c,d auf 1 Schaltet ist das Signal am Ausgang a weg. Und das wolltest Du doch nicht.
Bis jetzt gehen deine Beschreibung in die Richtung eines FIFO, aber vielleicht verstehen wir alle die Aufgabe immer noch nicht richtig.
Das andere ist, dass man einen Motor eigentlich nicht für so kurze Zeiten einschalten möchte.
Rafikus
|
BID = 1051205
elko64 Schriftsteller
    
Beiträge: 627
|
Zitat :
Rafikus hat am 12 Apr 2019 21:10 geschrieben :
|
Du solltest ein Zeitdiagramm zeichnen, keinen Schaltplan.
- Keine Ahnung wie das aussehen soll!?
Mit dem dargestellten Schaltplan funktioniert es nicht.
In der oberen Zeichnung, bei Ausgang a: sowie einer der Eingänge b,c,d auf 1 Schaltet ist das Signal am Ausgang a weg. Und das wolltest Du doch nicht.
- Ja, klar aber b, c und d können nicht auf 1 (das NOR-Gater) Schalten, da das positive a bei den NOR/AND Kompinationen von B, C und D den Durchlass verhindert. Somit sind b, c und d nicht positiv solange A Aktiv ist.
Bis jetzt gehen deine Beschreibung in die Richtung eines FIFO, aber vielleicht verstehen wir alle die Aufgabe immer noch nicht richtig.
Das andere ist, dass man einen Motor eigentlich nicht für so kurze Zeiten einschalten möchte.
warum? Es sind kleine 3V Elektromotoren und sollen etwa 5 Sekuden laufen. Das sollte doch kein Problem darstellen.
Rafikus
|
|
BID = 1051206
Primus von Quack Unser Primus :) nehmt ihn nicht so ernst
  
Beiträge: 7504
|
Zitat :
elko64 hat am 13 Apr 2019 01:09 geschrieben :
|
Zitat :
Rafikus hat am 12 Apr 2019 21:10 geschrieben :
|
Du solltest ein Zeitdiagramm zeichnen, keinen Schaltplan.
- Keine Ahnung wie das aussehen soll!?
|
|
_________________
...geguckt wird mit den Augen, nicht mit den Fingern!
|
BID = 1051216
der mit den kurzen Armen Urgestein
     
Beiträge: 17437
|
So würde man das mit Relais realisieren. So und in jeder Leitung liegt damit eine NOR Verknüpfung.
Edit die Umsetzung in Logikgatter ist da etwas komplizierter als mit der NOR + Und Verknüpfung deshalb sind da am Nor auch die Eingänge mit kleinen Buchstaben gekennzeichnet den die kommen vom Ausgang der UND !
_________________
Tippfehler sind vom Umtausch ausgeschlossen.
Arbeiten an Verteilern gehören in fachkundige Hände!
Sei Dir immer bewusst, dass von Deiner Arbeit das Leben und die Gesundheit anderer abhängen!
[ Diese Nachricht wurde geändert von: der mit den kurzen Armen am 13 Apr 2019 23:38 ]
|
BID = 1051217
der mit den kurzen Armen Urgestein
     
Beiträge: 17437
|
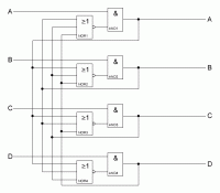
Und Hier mal richtig gezeichnet mit Gattern .
_________________
Tippfehler sind vom Umtausch ausgeschlossen.
Arbeiten an Verteilern gehören in fachkundige Hände!
Sei Dir immer bewusst, dass von Deiner Arbeit das Leben und die Gesundheit anderer abhängen!
|
BID = 1051219
Kleinspannung Urgestein
     
Beiträge: 13393 Wohnort: Tal der Ahnungslosen
|
Und in der Zeit,in der der Fred hier läuft,hätte das selbst so ein lausiger Amateur wie meiner einer programmiert.
Elko,nicht falsch verstehen.
Ich mußte auch erst deutlich über 40 werden,bevor ich begriffen hab,das sich so einige selbstgemachte Probleme mit paar Zeilen Programm bzw. rudimentärsten Programmierkenntnissen wesentlich schneller und einfacher erschlagen lassen als wie mit nem IC Grab oder Klappertechnik.
Man muss nur wollen...
Grad für den Arduino-Kram ( was meist Atmega 328 bedeutet), ist das Internet voll mit Hilfen,Foren und Beispielen.
Musst halt nur mal offen sein für was neues.
Es sei denn,du bist Schwabe.
Dann ist es Hoffnungslos.
Standartantwort von denen:
"Das haben wir immer schon so gemacht"
_________________
Manche Männer bemühen sich lebenslang, das Wesen einer Frau zu verstehen. Andere befassen sich mit weniger schwierigen Dingen z.B. der Relativitätstheorie.
(Albert Einstein)
|
BID = 1051243
Primus von Quack Unser Primus :) nehmt ihn nicht so ernst
  
Beiträge: 7504
|
...mittlerweile sind wir soweit das die anderen Eingänge verriegelt werden solange ein Ausgang HI ist  mal sehen was als nächstes kommt...…
_________________
...geguckt wird mit den Augen, nicht mit den Fingern!
|
BID = 1051247
elko64 Schriftsteller
    
Beiträge: 627
|
Zitat :
der mit den kurzen Armen hat am 14 Apr 2019 00:04 geschrieben :
|
Und Hier mal richtig gezeichnet mit Gattern .
|
Vielen Dank der mit den kurzen Armen für das Schaltbild. Eigentlich ist das ja aber doch genau das was Offroad GTI vorgeschlagen hat, oder nicht?
|
BID = 1051250
der mit den kurzen Armen Urgestein
     
Beiträge: 17437
|
Genau so ist es und wenn du dir das mal richtig anschaust erfüllt es genau wie die Schaltung in Klappertechnik Deine Bedingungen. Denn an den Ausgängen der NOR liegt nur dann eine 1 an wenn keiner der Eingänge ein H führt. Über die Undverknüpfung erfolgt die Verriegelung der anderen Eingänge. Beispiel A wird H dann kann das UND das Signal durchschalten. Die anderen NOR sehen dann ein H am Eingang und der Ausgang des NOR geht auf 0. Die Und die da nachfolgen bleiben auf 0 . Erst wenn A Null wird kann B oder C oder D durchschalten und die anderen UND verriegeln. Ein H am Eingang setzt das NOR auf Low am Ausgang.
_________________
Tippfehler sind vom Umtausch ausgeschlossen.
Arbeiten an Verteilern gehören in fachkundige Hände!
Sei Dir immer bewusst, dass von Deiner Arbeit das Leben und die Gesundheit anderer abhängen!
|
BID = 1051251
Jornbyte Moderator
      
Beiträge: 7425
|
Ich frag mich... wo gibt es noch diese Logikgatter?
_________________
mfg Jornbyte
Es handelt sich bei dem Tipp nicht um eine Rechtsverbindliche Auskunft und
wer Tippfehler findet, kann sie behalten.
|
BID = 1051252
elko64 Schriftsteller
    
Beiträge: 627
|
Zitat :
Kleinspannung hat am 14 Apr 2019 01:18 geschrieben :
|
Und in der Zeit,in der der Fred hier läuft,hätte das selbst so ein lausiger Amateur wie meiner einer programmiert.
Elko,nicht falsch verstehen.
Ich mußte auch erst deutlich über 40 werden,bevor ich begriffen hab,das sich so einige selbstgemachte Probleme mit paar Zeilen Programm bzw. rudimentärsten Programmierkenntnissen wesentlich schneller und einfacher erschlagen lassen als wie mit nem IC Grab oder Klappertechnik.
Man muss nur wollen...
|
Ja, da hasst du sicher recht, solange du mit Effizienz argumentierst. Manchmal gibt es aber auch noch andere Gesichtspunkte. Da wäre zB. der Optische. Mir gefällt es, wenn ich eine Schaltung optisch nachvolziehen kann. Zum Vergleich ein alter Automotor wo man die einzelnen Teile Vergaser, Zündverteiler, Einsprützpumpe, Zündkerzen alle noch sehen, oder die Zuleitungen verfolgen konnte. Heute ist alles in einem Block verschwunden.
Ebenso ist das klicken der Relais doch ein tolles akkustisches Spiel. Siehe zB. die alten Flipper-Kasten. Das ganze Innenleben war damals mit der elektromechanischer Lösung wie ein kleines Perkkusionsensamble.
Natürlich würde mich rein vom technischen gesehen das Programmieren auch interessieren und evtl. werd ich da auch mal damit beginnen, aber im Moment bin ich eben auf der Suche nach optischen "Lösungen" Zumal meine Apparate als Bilder dienen werden.
[ Diese Nachricht wurde geändert von: elko64 am 14 Apr 2019 23:57 ]
|
BID = 1051253
elko64 Schriftsteller
    
Beiträge: 627
|
Zitat :
der mit den kurzen Armen hat am 14 Apr 2019 23:35 geschrieben :
|
Genau so ist es und wenn du dir das mal richtig anschaust erfüllt es genau wie die Schaltung in Klappertechnik Deine Bedingungen. Denn an den Ausgängen der NOR liegt nur dann eine 1 an wenn keiner der Eingänge ein H führt. Über die Undverknüpfung erfolgt die Verriegelung der anderen Eingänge. Beispiel A wird H dann kann das UND das Signal durchschalten. Die anderen NOR sehen dann ein H am Eingang und der Ausgang des NOR geht auf 0. Die Und die da nachfolgen bleiben auf 0 . Erst wenn A Null wird kann B oder C oder D durchschalten und die anderen UND verriegeln. Ein H am Eingang setzt das NOR auf Low am Ausgang.
|
Ist doch eine geniale Lösung, nicht wahr?
|