LED Blinker Schaltung von 2,2V auf 6V umbauen. Im Unterforum Grundlagen - Beschreibung: Grundlagen und Fragen für Einsteiger in der Elektronik
| Autor |
LED Blinker Schaltung von 2,2V auf 6V umbauen. Suche nach: led (32739) blinker (492) schaltung (31735) |
|
|
|
|
BID = 1050704
Chris.D. Gerade angekommen
Beiträge: 2
|
|
Hallo,
ich beschäftige mich gerade ein bisschen mit einfachen Elektronik Schaltungen um meinen Schülern (9.Schulstufe) ein paar Grundlagen in Elektronik Basteleien zu zeigen, und hätte da eine Frage:
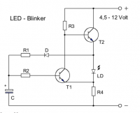
Im Anhang sind Screenshots von einem einfachen Schaltplan eines LED-Blinkers - der funktioniert super mit einer "Standard" LED die so ca. 2,2V/20mA benötigt.
Hat wer eine Idee, welche Parameter ich änder müsste, um statt der 2,2V LED eine LED-Kette mit 3 LEDs (also dann ca. 6V) zum Blinken bringen zu können?
(Ja, parallel anschließen ist eine Lösung, funktioniert auch, aber mich würde die serielle Anordnung interessieren mit erhöhtem Spannungsbedarf interessieren.)
Falls wer Ideen hat freu ich mich, bisschen rumgespielt hab ich mich schon, aber noch keinen guten Erfolge gehabt.
lg, Chris
PS: Falls wer einen anderen Aufbau kennt, der sich besser eignet bin ich natürlich auch dankbar!
|
|
BID = 1051854
Hohlleiter Stammposter
    Beiträge: 392 Wohnort: Lorsch
|
|
Hallo Chris,
ich weiss nicht, ob es noch von Interesse ist, aber was Du mal probieren könnest (ungetestet):
Schalte die beiden weiteren LEDs zwischen den Emitter von T2 und den Abzweig zur Diode D.
Die Versorgungsspannung muss dann natürlich ausreichend hoch sein. Mit welcher Spannung betreibst Du die Schaltung momentan?
Gruß,
Oliver |
|
BID = 1051855
Chris.D. Gerade angekommen
Beiträge: 2
|
Ja, bin noch interessiert. Danke für die Antwort.
Normalerweise betreibe ich die Schaltungen mit 9V Batterien.
Hm, interessante Idee. Werd ich in den nächsten Tagen gerne probieren und mich dann melden!
|
BID = 1051871
Jornbyte Moderator
      
Beiträge: 7305
|
Da hat sich einer mal viel Arbeit gemacht.
LED FAQ
_________________
mfg Jornbyte
Es handelt sich bei dem Tipp nicht um eine Rechtsverbindliche Auskunft und
wer Tippfehler findet, kann sie behalten.
|
BID = 1051889
perl Ehrenmitglied
       
Beiträge: 11110,1 Wohnort: Rheinbach
|
Zitat :
| | Hat wer eine Idee, welche Parameter ich änder müsste, um statt der 2,2V LED eine LED-Kette mit 3 LEDs (also dann ca. 6V) zum Blinken bringen zu können? |
Ich rate dir sehr davon ab dafür diese Schaltung zu benutzen, weil sie bei geringer Differenz von Betriebsspannung und LED-Flußspannung nur schwer ans Schwingen zu bringen ist.
Es ist mir zwar gelungen mit einigen Änderungen (vor allem durch Hinzufügen von R5) die Schaltung im Simulator auch mit nicht idealen 9V und zwei weißen LED (zusammen 6,5V) ans Laufen zu bringen, aber dazu ist ein besseres Verständnis erforderlich, als man es bei Anfängern voraussetzen kann.
Besser gesagt: Zum Verständnis taugt die Schaltung nichts, und auch ihr sonstiger Nutzen ist fraglich.
Bleibe lieber auf dem Pfad der Tugend und nimm wie alle anderen seit Jahrzehnten den NE555!
|
|
Zum Ersatzteileshop
Bezeichnungen von Produkten, Abbildungen und Logos , die in diesem Forum oder im Shop verwendet werden, sind Eigentum des entsprechenden Herstellers oder Besitzers. Diese dienen lediglich zur Identifikation!
Impressum
Datenschutz
Copyright © Baldur Brock Fernsehtechnik und Versand Ersatzteile in Heilbronn Deutschland
gerechnet auf die letzten 30 Tage haben wir 14 Beiträge im Durchschnitt pro Tag heute wurden bisher 11 Beiträge verfasst © x sparkkelsputz Besucher : 186042207 Heute : 12353 Gestern : 20288 Online : 300 27.10.2025 15:19 15 Besucher in den letzten 60 Sekunden alle 4.00 Sekunden ein neuer Besucher ---- logout ----viewtopic ---- logout ----
|
xcvb
ycvb
0.0896351337433
|