Autor |
|
|
|
BID = 1037922
DJ-Malibu Aus Forum ausgetreten
|
|
Hallo zusammen,
Ich heiße Martin und komme aus und Dortmun und
ich möchte mir eine kleine Schaltung für mein Auto bauen, die eine zusätliche Lichtquelle (LED Stripes) zum leuchten bringen soll.
Ich möchte ein RGBW Stripe mit gemeinsamen Plus benutzen. Nutzen werde ich jedoch nur die Farben weiss und rot.
Das weisse Licht soll geschaltet werden, wenn die Innenraumleuchte angeht.
Dazu kann ich eine Leitung der Innenraumleuchte nutzen. Es handelt sich dabei um geschaltete Masse.
Sind die Türen offen, kann ich eine Spannung von 12V messen, wenn ich daran Plus anlege. Wenn die Tür zugemacht wurde, geht die Spannung langam runter bis 0V. Parallel dazu dimmt auch die Innenraumleuchte.
Das rote Licht soll leuchte, wenn mind. das Standlicht an ist. Dazu kann ich eine Leitung nutzen, die 12V führt wenn das Standlicht an ist und 0V wenn Standlicht aus ist.
Wichtig ist zudem dass nie weiss und rot zusammenleuchten. Weiss soll Master sein, d.h. sollte rot leuchten, weil Standlicht an ist und ich mache die Tür auf, soll rot ausgehen und nur noch weiss leuchten.
Ich habe das ganze bereits mit Relais gebaut, jedoch würde ich das gerne mit NMOS bauen.
Könntet ihr mir bitte weiterhelfen. Leider bin ich elektrotechnisch nicht so affin. Kann aber nach Anleitung Platinen löten.
Vielen vielen Dank für eure Unterstützung. |
|
BID = 1037923
Her Masters Voice Inventar
     
Avatar auf fremdem Server ! Hochladen oder per Mail an Admin
Beiträge: 5312 Wohnort: irgendwo südlich von Berlin
|
|
zuerst solltest du deine Lesekompetenz trainieren... |
|
BID = 1037924
DJ-Malibu Aus Forum ausgetreten
|
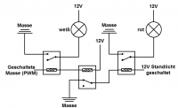
So sieht die aktuelle Schaltung mit Relais aus.
|
BID = 1037925
DJ-Malibu Aus Forum ausgetreten
|
Zitat :
Her Masters Voice hat am 30 Apr 2018 11:56 geschrieben :
|
zuerst solltest du deine Lesekompetenz trainieren...
|
Hilf mir doch mal auf die Sprünge...
Was habe ich falsch gemacht, dass mir gleich auf so eine freundliche Art geantwortet wird?
[ Diese Nachricht wurde geändert von: DJ-Malibu am 30 Apr 2018 12:20 ]
|
BID = 1037926
Mr.Ed Moderator
      
Beiträge: 36315 Wohnort: Recklinghausen
|
Du hast beim anmelden einige Regeln gelesen und akzeptiert. Auf einige dieser Regeln wird auch nochmal im Eingabefenster hingewiesen.
Was ist denn an dem groß, fett und rot geschriebenen Hinweis:
Keine Anfragen zu KFZ- und Hochspannungsbasteleien
Siehe Forenregeln
der über dem Eingabefenster steht, jetzt so schwer zu verstehen?
KFZ-Bastler haben sich hier so beliebt gemacht, daß wir diese Basteleien generell ausgeschlossen haben.
_________________
-=MR.ED=-
Anfragen bitte ins Forum, nicht per PM, Mail ICQ o.ä. So haben alle was davon und alle können helfen. Entsprechende Anfragen werden ignoriert.
Für Schäden und Folgeschäden an Geräten und/oder Personen übernehme ich keine Haftung.
Die Sicherheits- sowie die VDE Vorschriften sind zu beachten, im Zweifelsfalle grundsätzlich einen Fachmann fragen bzw. die Arbeiten von einer Fachfirma ausführen lassen.
[ Diese Nachricht wurde geändert von: Mr.Ed am 30 Apr 2018 12:33 ]
|
BID = 1037929
DJ-Malibu Aus Forum ausgetreten
|
Na ja, schade dass man hier gleich unter Generalverdacht gestellt wird.
Kenne ich so aus anderen Foren nicht.
Zugegebenermaßen habe ich die Forenregeln erst im Nachhinein gelesen, jedoch handelt es sich bei meiner Schaltung nicht um einen Umbau, der gegen die StVZO verstößt.
Laut den Forensregeln hätte ich darauf hinweisen müssen. Sorry!
(Fragen zu Umbauten an Fahrzeugen, die den Vorschriften der StVZO unterliegen, werden nur beantwortet, wenn aus der Fragestellung hervorgeht, dass die o.g. Bestimmungen nicht verletzt werden.)
Bevor wir jedoch weiter vom eigentlichen Thema abweichen...
Entweder man möchte mir hier im Forum helfen, was mich sehr freuen würde, oder man sollte dann meinen kompletten Beitrag löschen.
Das fände ich zwar schade, aber dann ist es auch für mich OK.
|
BID = 1037933
Surfer Inventar
     
Beiträge: 3085
|
Woher weist du denn , das deine Bastelei nicht gegen die StVo verstösst ?
fragend Surf
|
BID = 1037934
Mr.Ed Moderator
      
Beiträge: 36315 Wohnort: Recklinghausen
|
Leider betrifft dieser Umbau durchaus die StVZO. Oder hat deine selbstgebaute und fest mit dem Bordnetz verbundene Elektronik, die in der StVZO geforderte ECE-Zulassung, die nach erfolgter EMV-Prüfung durch ein akreditiertes Prüflabor vergeben wird?
_________________
-=MR.ED=-
Anfragen bitte ins Forum, nicht per PM, Mail ICQ o.ä. So haben alle was davon und alle können helfen. Entsprechende Anfragen werden ignoriert.
Für Schäden und Folgeschäden an Geräten und/oder Personen übernehme ich keine Haftung.
Die Sicherheits- sowie die VDE Vorschriften sind zu beachten, im Zweifelsfalle grundsätzlich einen Fachmann fragen bzw. die Arbeiten von einer Fachfirma ausführen lassen.
|
BID = 1038061
Primus von Quack Unser Primus :) nehmt ihn nicht so ernst
  
Beiträge: 7450
|
@ DJ-Malibu
...mach doch mal nen Foto von dem Typenschild des LED-Stripes wo man die E-Zulassungsnummer sieht
_________________
...geguckt wird mit den Augen, nicht mit den Fingern!
|
BID = 1038066
DJ-Malibu Aus Forum ausgetreten
|
Irgendwie habt ihr den Sinn eures eigenen Forums nicht verstanden.
Ich dachte das wäre hier ein Elektronikerforum und nicht ein Moralprädigtforum.
Scheinbar habe ich mich getäuscht.
Ich wollte Unterstützung bei einer Schaltung.
Was habe ich bekommen?
Eine Diskussion über STVZO.
Kleiner Tipp, einfach auf Fragen antworten.
Aber scheinbar könnt ihr das nicht.
Selten so ein Verhalten erlebt, wie in diesem Forum.
Ich bin in vielen Foren unterwegs und es wurde mir immer geholfen.
Übrigens habe ich bereits in einem anderen Forum Unterstützung bekommen.
Die neue Schaltung funktioniert so wie ich es haben möchte und ist auch eingebaut.
Es geht auch anders. Es gibt Forem, wo einem geholfen wird.
Hier nicht.
Aber egal. Ihr seid nicht die einzigen.
Jetzt warte ich nochmal ab, was für Antworten kommen und ob ich mich beschimpfen und beleidigen muss, weil ihr die Wahrheit nicht vertragt.
Danach werde ich mich hier wieder abmelden.
|
BID = 1038067
rasender roland Schreibmaschine
    
Beiträge: 1783 Wohnort: Liessow b SN
|
Gute Idee.
_________________
mfg
Rasender Roland
|
BID = 1038068
nabruxas Monitorspezialist
    
Beiträge: 9487 Wohnort: Alpenrepublik
|
Zitat :
| Übrigens habe ich bereits in einem anderen Forum Unterstützung bekommen. |
Welches (hilft mir dann)?
_________________
0815 - Mit der Lizenz zum Löten!
|
BID = 1038071
Mr.Ed Moderator
      
Beiträge: 36315 Wohnort: Recklinghausen
|
Und genau diese Diskussionen von KFZ-Bastlern haben zu diesem Verhalten geführt!
Was ist denn daran so schwer, einfach geltendes Recht zu akzeptieren?
_________________
-=MR.ED=-
Anfragen bitte ins Forum, nicht per PM, Mail ICQ o.ä. So haben alle was davon und alle können helfen. Entsprechende Anfragen werden ignoriert.
Für Schäden und Folgeschäden an Geräten und/oder Personen übernehme ich keine Haftung.
Die Sicherheits- sowie die VDE Vorschriften sind zu beachten, im Zweifelsfalle grundsätzlich einen Fachmann fragen bzw. die Arbeiten von einer Fachfirma ausführen lassen.
|
BID = 1038072
Goetz Schreibmaschine
     Beiträge: 1961 Wohnort: Dresden
|
Zitat :
|
Jetzt warte ich nochmal ab ... ob ich mich beschimpfen und beleidigen muss, ....
Danach werde ich mich hier wieder abmelden.
|
Ob Du Dich beschimpfen und beleidigen musst, kann Dir hier auch Keiner sagen, ist Deine Entscheidung, aber, ja, mach das, in der Reihenfolge, oder auch anderherum
|
BID = 1038073
Mr.Ed Moderator
      
Beiträge: 36315 Wohnort: Recklinghausen
|
Ich klick dann mal auf das Schloss...
_________________
-=MR.ED=-
Anfragen bitte ins Forum, nicht per PM, Mail ICQ o.ä. So haben alle was davon und alle können helfen. Entsprechende Anfragen werden ignoriert.
Für Schäden und Folgeschäden an Geräten und/oder Personen übernehme ich keine Haftung.
Die Sicherheits- sowie die VDE Vorschriften sind zu beachten, im Zweifelsfalle grundsätzlich einen Fachmann fragen bzw. die Arbeiten von einer Fachfirma ausführen lassen.
|