Autor |
Mosfet im Linearen Betrieb Suche nach: mosfet (3479) |
|
|
|
|
BID = 1027374
perl Ehrenmitglied
       
Beiträge: 11110,1 Wohnort: Rheinbach
|
|
Zitat :
| Also kann man mir nichts konkret vorschlagen? | Eine größere Anzahl von parallel zu schaltenden Heizdrähten nehmen, von denen aber jeder seinen privaten MOSFET hat, und diese nach Bedarf nacheinander einschalten.
Z.B.: https://www.conrad.de/de/mosfet-inf......html
|
|
BID = 1027378
I-need Stammposter
   
Beiträge: 415
|
|
Ja das klingt etwa nach dem was ich suchte. Und wie realisiere ich die Steuerung?
_________________
|
|
BID = 1027388
Offroad GTI Urgestein
     
Beiträge: 12818 Wohnort: Cottbus
|
LM3914.
Ist auch gar nicht übertrieben, für eine Heizung
_________________
Theoretisch gibt es zwischen Theorie und Praxis keinen Unterschied. Praktisch gibt es ihn aber.
[ Diese Nachricht wurde geändert von: Offroad GTI am 28 Sep 2017 11:00 ]
|
BID = 1027405
I-need Stammposter
   
Beiträge: 415
|
irgendwie schon. Naja ich werde jetzt mal das Zeugs bestellen. Ich sehe ja dann was wie gut funktioniert.
_________________
|
BID = 1027977
I-need Stammposter
   
Beiträge: 415
|
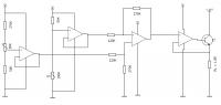
Tja irgendwie lässt mich die Sache doch nicht in Ruhe. Ich habe nun eine weitere Schaltung entworfen, die das ganze linear steuert.
Ich werde mir das gleich aufbauen und mit einer Widerstandkaskade simulieren. Und sobald das Paket mit dem NTC kommt auch testen. Grundidee war eine Konstantstromquelle zu haben. Mein Wissen ergänzte ich hier.
So habe ich berechnet dass ich am Eingang, wo man normalerweise die Referenzspannung anlegt, mit einer Spannung von 0-3V die Leistung an RL zwischen 0 Und 5W steuern kann.
Danach vergleiche ich die Spannungen der Spannungsteiler mit einem Differenzverstärker, der mir die Differenz noch um 2.25 verstärkt. Damit erreiche ich 0V wenn die Temperatur Stimmt und 3V am Ausgang, wenn die Temperatur arg nicht stimmt. Und alles dazwischen natürlich.
Da der Lm324 4 OPs beinhaltet habe ich die Spannungen der Spannungsteiler noch durch Impedanzwandler laufen lassen.
Was ich nun nicht weiss, ob es ein Problem darstellt wenn ich am Eingang des letzten OP ein Signal von 0V anlege. Ich hab da mal was von phase reversal gehört ...anderseits sollte es dort auch gar nie ganz 0V werden können, da der Lm234 ja kein rail to rail Ausgang hat.
_________________
|
BID = 1027980
I-need Stammposter
   
Beiträge: 415
|
Ich glaube gerade jetzt habe ich verstanden wieso es so nicht geht.
meine Schaltung schraubt einfach den Strom runter, sobald die Temperatur steigt. Und je näher sie an die Solltemperatur herankommt, desto weniger heizt sie.
Und das ist ja nicht so wie es sein soll, es soll ja so schnell heizen wie nur möglich, und sobald die Temperatur erreicht wurde soll sie sich auf eine Mittlere Leistung anpassen,... halt einfach konstant halten.
Deswegen auch die Diskussion von ich soll die doofen Widerstände weg lassen^^
Also, dann ergibt sich da eine zweite Frage ist die Rückkopplung durch den NTC nicht zu träge? ich meine nehmen wir mal an: Die Temperatur soll steigen, also Gibt der OP volles Rohr und die Konstantstromquelle bekommt 3V an den Eingang, ich heize so also mit 5W.
So und nun ist die Temperatur erreicht, den Heizstrom sollte nun zurückgeben. Der NTC mist auf Grund seiner Trägheit aber noch die Temperatur von "vorhin", weswegen die Schaltung nicht sofort reagiert. Nun irgendwann hat dann auch der NTC die richtigen werte. und unterschreitet so die Spannung die der Solltemperaturspannungsteiler vorgibt. da der Op ja elektrisch gesehen Openloop betrieben wird verstärkt er mir dies ja mit so ungefähr 1000000x weswegen die Ausgangsspannung schlagartig umkippt.
Also meiner Meinung nach komme ich da gar nie in einen Linearen bereich!
Ja mittlerweile überlege ich mir wirklich immer mehr mich damit zufrieden zugeben, dass das sich halt so verhält. Dann hätte ich aber auch ein OP kaufen können, der nur Op im Gehäuse beinhaltet und die ganze Schaltung sehr einfach bauen können.
oder halt mit zwei um mit der Konstantstromquelle die Heizleistung noch unabhängig vom Ladezustand der Batterie machen zu können.
_________________
|
BID = 1027986
der mit den kurzen Armen Urgestein
     
Beiträge: 17437
|
Du sattelst den Gaul vom falschen Ende her auf! Statt linear zu regeln solltest du per PWM die Last ansteuern. Die Trägheit des NTC ist da sogar willkommen! Den sie verhindert dann Regelschwingungen. Auch die Konstantstromquelle kannst du dir dann schenken.
_________________
Tippfehler sind vom Umtausch ausgeschlossen.
Arbeiten an Verteilern gehören in fachkundige Hände!
Sei Dir immer bewusst, dass von Deiner Arbeit das Leben und die Gesundheit anderer abhängen!
|
BID = 1027994
I-need Stammposter
   
Beiträge: 415
|
PWM, hm ... Auch interessant dieses Ansatz. Nun aber möchte ich nur langsam endlich etwas funktionierendes in der Hand haben. Also mache ich es so: den 1. Op bildet einen einfachen Komparator und vergleicht die zwei Spannungen. Dann bilde ich einen langsam agierendes RC Glied, das dann auf die Konstantstromquelle wirkt. Das RC ... wer weis ob es was bringt, aber dass der strom nicht so schnell ansteigt. Also
diese zwei Fragen:
- Muss ich einen phase reversal beim OP des CC befürchten, da ich ja fast bis auf 0V runter gehe und ich den Op ja single rail speise? Wir haben da in der Schule nie etwas darüber gelernt.
- brauche in anstelle eines einfachen Komparators einen Komparator mit Hysterese?
Ich meine, auch wenn der Ausgang beim überschreiten der Schwelle etwas schwingt, das RC Glied lässt diese schnellen Schwingungen ja nicht durch,...[/list]
_________________
|