| Autor |
Mosfet im Linearen Betrieb Suche nach: mosfet (3483) |
|
|
|
|
BID = 1027200
Offroad GTI Urgestein
     
Beiträge: 12828 Wohnort: Cottbus
|
|
Dann lass die ganzen 680k Widerstände weg, dann sollte das schon funktionieren.
Vorausgesetzt natürlich, der OPV kommt mit der Ausgangspannung hoch genug.
_________________
Theoretisch gibt es zwischen Theorie und Praxis keinen Unterschied. Praktisch gibt es ihn aber. |
|
BID = 1027207
perl Ehrenmitglied
       
Beiträge: 11110,1 Wohnort: Rheinbach
|
|
Zitat :
| | Tja das ist genau dass, was ich bei Prototyp 1 vor einem Jahr gebastelt habe | Läuft ja auch genau falschrum.
Wenn es kälter wird, steigt die Spannung am (-)-Eingang, dann sinkt die Spannung am Ausgang, der MOSFET wird noch weniger angesteuert,, AUS.
|
|
BID = 1027219
I-need Stammposter
   
Beiträge: 415
|
Ja das habe ich mittlerweile auch bemerkt. Und habe das schnell korrigiert. Den Mosfet habe ich nun endütig durch einen BJT ersetzt. Diese verstehe ich einfach besser!
Ich hoffe das könnte so funktionieren. Besser weiss ich es auf jedenfall nicht mehr, da stecken jetzt mehrere Stunden berechnen und studieren drin. Mehr als eigentlich für dieses Projekt geplant war
_________________
|
BID = 1027221
Offroad GTI Urgestein
     
Beiträge: 12828 Wohnort: Cottbus
|
Zitat :
| | endütig durch einen BJT ersetzt. |
Verrätst du auch welchen? Grob geschätzt braucht der eine Verstärkung von 4000...5000.
Zitat :
| | Diese verstehe ich einfach besser! |
Mehr zu verstehen gib es an MOSFETs in diesem Fall auch nicht. Einfach einsetzen, und der OPV sorgt für die richtige Gate-Spannung.
Apropos, welcher OPV zum Einsatz kommt, wissen wir immer noch nicht.
Genauso wenig, weshalb du am Pseudo-Differenzverstärker festhältst.
_________________
Theoretisch gibt es zwischen Theorie und Praxis keinen Unterschied. Praktisch gibt es ihn aber.
[ Diese Nachricht wurde geändert von: Offroad GTI am 25 Sep 2017 20:06 ]
|
BID = 1027226
perl Ehrenmitglied
       
Beiträge: 11110,1 Wohnort: Rheinbach
|
Zitat :
| | Den Mosfet habe ich nun endütig durch einen BJT ersetzt. Diese verstehe ich einfach besser! |
Da habe ich Zweifel.
Ich weiss nicht, welchen Opamp du verwendest, und welchen npn, aber 1A Ausgangsstrom wirst du so wohl nicht erreichen.
Angenommen der Opamp schafft maximal 4,5V am Ausgang, dann bewirkt der Spannungsteiler das Gleiche, als wenn du den Transistor mit 1,1V über 2kOhm ansteuerst.
Bei einer U_BE von 650mV gibt das gerade einmal 0,23mA Basisistrom.
Selbst bei einer -für einen Leistungstransistor relativ hoch angenommenen- Stromverstärkung von 150 werden daraus im Lastkreis nur 34mA.
Zitat :
| | Ich hoffe das könnte so funktionieren. Besser weiss ich es auf jedenfall nicht mehr, da stecken jetzt mehrere Stunden berechnen und studieren drin. |
Die Hoffnung stirbt bekanntlich zuletzt
Obige Rechnung habe ich mit dem Windows eigenen Bordrechner in 5 Minuten zusammengeklickt.
Und wenn du anstelle des npn einen Darlington-Transistor mit einer Stromverstärkung von etlichen tausend verwendest?
Dann fliesst überhaupt kein Kollektorstrom mehr, weil die herunter geteilte Steuerspannung nicht ausreicht.
|
BID = 1027236
I-need Stammposter
   
Beiträge: 415
|
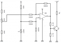
also das wird jetzt wahrscheinlich ein längerer Post, ich versuche mal zu schildern was meine Gedankengänge sind. Vielleicht könnt ihr dann besser Erklärern was ich falsch verstehe. also:
Zitat :
| Dann lass die ganzen 680k Widerstände weg, dann sollte das schon funktionieren.
Vorausgesetzt natürlich, der OPV kommt mit der Ausgangspannung hoch genug.
|
ohne diese Wiederstände, also openloop, bekommt der Op doch die funktion eines Komperators. eine kleine Differenz der Eingänge wird um 100000x verstärkt und treibt den OP so entweder auf (fast) Ub oder (fast) GND. Das ist eben das wo ich in Prototyp 1 gemacht hatte. Aber dort verwendete ich keinen OP sondern direkt einen Komparator. Dass der keine Hysterese hatte war natürlich au nicht ganz schön und dieses gepulste ein und ausschalten möchte ich eben auch nicht mehr.
Die Idee des Diff-Verstärkers liegt bei der Überlegung: ist die Temperatur genau wie sie sollte, dann habe ich am Eingang des Diff verstärkers also nahezu die selbe Spannung -> der Ausgang also 0. Aber da der OP ja Singel rail gespiesen wird resultiert sich das bei 2.5V. Das ist der Grund dann auch für den Spannungsteiler am Ausgang.
Deswegen konstruierte ich das so. Aber euren Kommentaren zufolge verstehe ich irgendwie etwas wohl ein bisschen anders als Ihr.
Zitat :
| | Mehr zu verstehen gib es an MOSFETs in diesem Fall auch nicht. Einfach einsetzen, und der OPV sorgt für die richtige Gate-Spannung. |
Genau da vermute ich liegt mein Verständnissfehler.
Zitat :
| | Ich weiss nicht, welchen Opamp du verwendest, und welchen npn, aber 1A Ausgangsstrom wirst du so wohl nicht erreichen. |
Da hast du völlig recht. ich dachte da nicht mehr so weit. Aber ein Darlington mit angepassten Spannungsteiler würde das auch klären.
Der OP richtet sich nach seinen Anforderungen. Bestellt ist da noch nix. habe zwar viel zuhause rumliegen mittlerweile, aber OPs nicht so arg viel. geschweige denn SMD. Wenn es sein muss bestelle ich also auch einen Rail to Rail. Ansonsten einen billigeren.
Ich hoffe jetzt habt ihr einen besseren einblick in meinen Kopf bekommen. Ich würde es auch genissen wenn jemand einen Schaltungsvorschlag machen würde, aber verstehen will ich das Ding dann aber schon  Die Hoffnung ist noch nicht gestorben, aber eigentlich ist das mehr ein neben Projekt (bin immernoch mit meiner Uhr beschäftigt) und wollte nicht so viel Zeit investieren. Nun, jetzt habe ich es begonnen....dann bringe ich es auch noch zu ende. Vielen Dank für die vielen Freiwilligen helfer...darf man auch mal noch sagen
Liebe Grüsse Simon
_________________
|
BID = 1027244
perl Ehrenmitglied
       
Beiträge: 11110,1 Wohnort: Rheinbach
|
Zitat :
| | Wenn es sein muss bestelle ich also auch einen Rail to Rail. Ansonsten einen billigeren. |
Wenn du den MOSFET benutzt, der statisch ja keinen Gatestrom braucht, kannst du mit einem einfachen Pull-Up-Widerstand am Ausgang des Opamp, dessen Ausgangsspannung auch bei billigen Typen auf 5V erhöhen. Das sollte in jedem Fall reichen.
Mosfets sind recht gutartig, und wenn du direkt am Transistor einen 1k-Widerstand in Reihe mit dem Gate schaltest, schwingen sie auch nicht.
Zitat :
| | Dass der keine Hysterese hatte war natürlich au nicht ganz schön und dieses gepulste ein und ausschalten möchte ich eben auch nicht mehr. |
Das ist der Schaltung evtl aber nicht leicht abzugewöhnen.
Du hast bei einer Heizung garantiert einige träge reagierende Elemente (Tiefpässe), die frequenzabhängig die Phase drehen.
Wenn die Phasenverschiebung 90° überschreitet, hast du in steigendem Maße eine mitkoppelnde Komponente, und diese führt zu Schwingungen, wenn die Verstärkung bei dieser Frequenz noch ausreicht.
Abhilfe bringt es bisweilen den Verstärker nicht noch langsamer zu machen, sondern ihn mittels RC-Hochpass schneller zu machen, da der Hochpass die Phase in der anderen Richtung dreht.
Das ist alles aber nicht trivial und erfordert bestimmt einige Experimente und Messungen.
Pass auf, dass du mit den Eingangsspannungen auf jeden Fall im empfohlenen Spannungsbereich bleibst! Etliche Opamps zeigen "phase reversal", wenn die Eingänge zu nahe an die Versorgungspannung kommen.
Das ist für den Opamp zwar nicht schädlich, aber wenn sich der (-)-Eingang in einen (+) Eingang verwandelt, hängt sich die Schaltung gewöhnlich auf.
Momentan sieht deine Schaltung zwar nicht danach aus, aber man sollte von vornherein an diese Möglichkeit denken.
P.S.:
In deiner Schaltung geht die Gegenkopplung nur über den Opamp.
Dahinter folgt aber der sehr steile MOSFET oder Darlington, der die Verstärkung wieder in unkontrollierte Höhen bringt.
Hinzu kommt, dass dieses Leistungsbauteil nicht linear ist.
Du solltest den Verstärker also "über alles" gegenkoppeln.
Leider löst das nicht das Problem, dass die Heizleistung nicht proportional zum Strom ist, sondern quadratisch damit steigt.
Wenn die Solltemperatur nicht zu hoch ist (bis ca +100°C) könntest du den Ausgangstransistor aber selbst zum Heizen verwenden.
Wenn er an einer halbwegs konstanten Spannung angeschlossen ist, ist seine Heizleistung proportional zum fliessenden Strom, und diesen kann man ja messen und in die Regelschleife einbeziehen.
Wenn du für 30 Cent einen 4-fach Opamp wie den LM324 bekommst, solltest du die darin enthaltenen Baugruppen auch benutzen und nicht versuchen alles mit einem einzigen Opamp zu erschlagen und den Rest brach liegen zu lassen.
[ Diese Nachricht wurde geändert von: perl am 26 Sep 2017 6:30 ]
|
BID = 1027249
I-need Stammposter
   
Beiträge: 415
|
Zitat :
| Das ist der Schaltung evtl aber nicht leicht abzugewöhnen.
Du hast bei einer Heizung garantiert einige träge reagierende Elemente (Tiefpässe), die frequenzabhängig die Phase drehen.
Wenn die Phasenverschiebung 90° überschreitet, hast du in steigendem Maße eine mitkoppelnde Komponente, und diese führt zu Schwingungen, wenn die Verstärkung bei dieser Frequenz noch ausreicht. |
Was spricht da dagegen wieder mein Differenzverstärker einzuführen? Die Differenz ist ja schön Linear zwischen der Soll und Ist Temperatur.
Zitat :
| | Wenn du für 30 Cent einen 4-fach Opamp wie den LM324 bekommst, solltest du die darin enthaltenen Baugruppen auch benutzen und nicht versuchen alles mit einem einzigen Opamp zu erschlagen und den Rest brach liegen zu lassen |
Vielleicht ist es mal gut wenn jemand eine Schaltungsvorschlag machen könnte. Das mit der linearen Verstärkung des OP bei Openloop verstehe ich zwar noch nicht, aber wenn noch mehr Baugruppen dazukommen soll z.b. eine über alles Gegenkopplung, bräuchte ich wohl schon noch etwas hilfe. Schlussendlich will ich ja auch ein halbwegs vernünftiges Resultat erhalten.
_________________
|
BID = 1027253
Offroad GTI Urgestein
     
Beiträge: 12828 Wohnort: Cottbus
|
Was genau stört dich eigentlich, wenn die Heizung gepulst geregelt wird?
Was hältst du von perls Vorschlag, einen Leistungs-Halbleiter als Heizung zu verwenden?
_________________
Theoretisch gibt es zwischen Theorie und Praxis keinen Unterschied. Praktisch gibt es ihn aber.
|
BID = 1027256
I-need Stammposter
   
Beiträge: 415
|
Naja ich möchte die wärme "gleichmässig" auf eine bestimmte Fläche übertragen. funktioniert am einfachsten mit Widerstandsdraht, da brauche ich nicht noch durch Wärmeleiter die wärme gut zu verteilen. Natürlich ist das Resultat nicht perfekt ausgeglichen und mittels NTC auch nicht super genau oder was auch immer. Wenn der Transistor/Mosfet zusätzlich zur Heizung mitwirkt ist das wurscht, wie auch alle anderen Verluste die in Wärme weggehen. Somit ist das das eigentlich mal ein richtig tolles Projekt wo Verluste mal überhaupt kein Problem ist.
Das Problem am Gepulsten ist, dass die LiIonen Batterie auch noch andere Dinge versorgen soll, die nicht gerne immer einen abrupten Spannungseingang durch die Belastung gut heissen. ändert die Zellspannung aber nur träge ist das gar kein Problem.
Wenn das mit der Linearen Steuerung nichts mehr wird, dann versuche ich halt die getaktete Belastung durch einen LC Tiefpass in meinem Heizkreislauf zu "glätten". Ist aber auch nicht so das wahre, nicht?
Das einzige was dafür sprechen würde ist, dass ich gerade noch ein paar smd lm555 zuhause habe, die ich als Komparator mit kleiner Hysterese verwenden könnte.
Aber Primärziel ist schon das Linear gesteuert hinzukriegen...das das so umständlich wird hätte ich nie gedacht.
_________________
|
BID = 1027258
Offroad GTI Urgestein
     
Beiträge: 12828 Wohnort: Cottbus
|
Zitat :
| | Was spricht da dagegen wieder mein Differenzverstärker einzuführen? Die Differenz ist ja schön Linear zwischen der Soll und Ist Temperatur. |
Das hilft dem Regler aber nicht, da dessen Ausgangsspannung in keinem linearen Verhältnis zur Temperatur steht.
Da kannst du ihn auch "open Loop" betreiben, wobei das eigentlich auch nicht ganz richtig ist, da die Gegenkopplung über den NTC erfolgt.
Offtopic :
| Ich hätte auch erwartet, dass sich so eine Regelstrecke auf Grund der Trägheit des Heizelementes gutmütiger verhält.
Perl will ich mal glauben, wenn er meint, dass dies Probleme geben könnte |
_________________
Theoretisch gibt es zwischen Theorie und Praxis keinen Unterschied. Praktisch gibt es ihn aber.
|
BID = 1027259
I-need Stammposter
   
Beiträge: 415
|
Zitat :
| | Das hilft dem Regler aber nicht, da dessen Ausgangsspannung in keinem linearen Verhältnis zur Temperatur steht. |
meinst du wegen der nicht ganz linearen Kennlinie des NTC? ist das nicht vernachlässigbar solange ich jo nicht irgendwelche Messungen damit anstellen möchte. Kennlinie habe ich schnell aus dem Datenblatt erstellt.
Ich verstehe so langsam nichts mehr...
_________________
|
BID = 1027280
perl Ehrenmitglied
       
Beiträge: 11110,1 Wohnort: Rheinbach
|
Zitat :
| | Vielleicht ist es mal gut wenn jemand eine Schaltungsvorschlag machen könnte. |
Vielleicht wäre es auch allmählich an der Zeit, dass du verrätst, was die geheimnisvolle Apparatur tun soll.
|
BID = 1027281
I-need Stammposter
   
Beiträge: 415
|
Es soll einen Elektrischen Handwärmer geben,... mehr so ein Witz...., der aber funktionieren soll. (ist mal aus einer Diskussion entstanden)
Deswegen wollte ich dafür auch nicht all zuviel Zeit investieren.
_________________
|
BID = 1027359
I-need Stammposter
   
Beiträge: 415
|
Also kann man mir nichts konkret vorschlagen?
ich hätte hier dann noch eine andere Möglichkeit. zwar nicht ganz soo wie ich wollte, aber was solls. über eine Schmitttriger, dessen Hysterese ich klein belassen will, wird mir also immer ein und ausgeschaltet. kann ich jetzt irgendwie aus diesem Signal ein kontinuierlich ansteigendes Signal erzeugen womit ich dann meine Last steuere. Somit vermeide ich harte ein und Ausschalt-kurven. RC Tiefpass ist ja nicht so wahnsinnig kontinuierlich. Aber ich habe ja noch 3 ungenutzte OPs.
_________________
|