| Autor |
|
2 Fragen zu einem früheren Thema (NE555) |
Problem gelöst
|
|
|
|
BID = 1019137
elko64 Schriftsteller
    
Beiträge: 627
|
|
Ja bei der NE555 Schaltung verwende ich ja einen BC337 um den IRF 3708 anzu steuern (hattest du mir mal so vorgeschlagen) Der 3708 wird jedoch trotzdem heiss. Wenn der aber wirklich 4v zur ansteuerung braucht muss ich das nochmal checken. |
|
BID = 1019138
perl Ehrenmitglied
       
Beiträge: 11110,1 Wohnort: Rheinbach
|
|
Zitat :
| | Die Ausgangsspannung des BISS001 am Pin 2 beträgt etwa 2V. | Reicht nicht.
Warum das so ist, und welche Abhilfe es gibt, schrieb ich ja schon.
P.S.:
Warum benutzt du nicht den Relaiskontakt des BM anstelle des MOSFET um die Timerschaltung zu aktivieren?
[ Diese Nachricht wurde geändert von: perl am 6 Mai 2017 0:14 ] |
|
BID = 1019140
elko64 Schriftsteller
    
Beiträge: 627
|
Zitat :
perl hat am 6 Mai 2017 00:12 geschrieben :
|
Zitat :
| | Die Ausgangsspannung des BISS001 am Pin 2 beträgt etwa 2V. | Reicht nicht.
Warum das so ist, und welche Abhilfe es gibt, schrieb ich ja schon.
P.S.:
Warum benutzt du nicht den Relaiskontakt des BM anstelle des MOSFET um die Timerschaltung zu aktivieren?
[ Diese Nachricht wurde geändert von: perl am 6 Mai 2017 0:14 ]
|
Was meinst du mit Relaiskontakt? Welcher Kontakt ist das?
|
BID = 1019142
elko64 Schriftsteller
    
Beiträge: 627
|
Aber ich könnte ein Relais nehmen.
|
BID = 1019143
der mit den kurzen Armen Urgestein
     
Beiträge: 17437
|
Das dürfte auch die sinnvollste Lösung sein, aber bitte das Relais über einen NPN-Transistor ansteuern!
_________________
Tippfehler sind vom Umtausch ausgeschlossen.
Arbeiten an Verteilern gehören in fachkundige Hände!
Sei Dir immer bewusst, dass von Deiner Arbeit das Leben und die Gesundheit anderer abhängen!
|
BID = 1019144
elko64 Schriftsteller
    
Beiträge: 627
|
Dann ist da aber immer noch der 2. 3708 der vor dem Motor der wird auch sehr heiss obwohl er mit dem BC 337 angesteuert wird.
|
BID = 1019147
der mit den kurzen Armen Urgestein
     
Beiträge: 17437
|
Klar doch ohne Kühlkörper wird der seine Verlustleistung auch nicht Los ! Und die von mir vorgeschlagene Lösung war auch eine andere. Den da wird der NPN-Leistungstransistor über den 1 k Angesteuert und durch den BC-Transistor gesperrt!
_________________
Tippfehler sind vom Umtausch ausgeschlossen.
Arbeiten an Verteilern gehören in fachkundige Hände!
Sei Dir immer bewusst, dass von Deiner Arbeit das Leben und die Gesundheit anderer abhängen!
|
BID = 1019148
perl Ehrenmitglied
       
Beiträge: 11110,1 Wohnort: Rheinbach
|
Zitat :
| | Was meinst du mit Relaiskontakt? Welcher Kontakt ist das? |
Der zu der hier gezeigten Relaisspule gehört.
Zitat :
| | der 2. 3708 der vor dem Motor der wird auch sehr heiss obwohl er mit dem BC 337 angesteuert wird. |
Weil dieser Schaltungsteil wegen des unvollständig angesteuerten 1. MOSFET keine 5V mehr bekommt.
Ausserdem wird der 2. FET nicht vom BC337 angesteuert, sondern von dessen Kollektorwiderstand.
P.S.:
Schreib mal detailliert hin, was dieses Gesamtkunstwerk machen soll.
Irgendwie kommt mir die Schaltung vor wie "von hinten durch die Brust ins linke Auge".
[ Diese Nachricht wurde geändert von: perl am 6 Mai 2017 1:33 ]
|
BID = 1019201
elko64 Schriftsteller
    
Beiträge: 627
|
Ok. Die Schaltung - durch Bewegung ausgelöst - soll während etwa 10 Sekunden einen kleinen Motor antreiben welcher sich im etwa im 0.5 Sekundentakt bewegt.  Das ganze wird über USB-Strom, also 5V betrieben. Das ist alles
|
BID = 1019203
elko64 Schriftsteller
    
Beiträge: 627
|
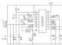
Der Relais-Transistor ist nicht vorhanden auf der Platine und auch kein Relais. Die Platine endet rechts etwa wie auf dem Bild unten.
|
BID = 1019243
perl Ehrenmitglied
       
Beiträge: 11110,1 Wohnort: Rheinbach
|
Zitat :
| | Der Relais-Transistor ist nicht vorhanden auf der Platine und auch kein Relais. |
Oben stand noch
Zitat :
| | hier ist noch der Original Schaltplan des PIR-BM. |
Also was denn nun?
Es ist übrigens gut möglich, dass der USB-Anschluß nicht genügend Strom für den Motor liefern kann.
Dann bricht die Spannung zusammen, die FETs bekommen nicht mehr genug Ansteuerung und werden heiss.
Messen!
|
BID = 1019268
elko64 Schriftsteller
    
Beiträge: 627
|
Sorry ich habe mich etwas blöd ausgedruckt. Von der PIR-platine habe ich kein Originalschaltplan. ich hab nur eben diesen Schaltplan gefunden. Der etnspricht nur bis zu den unterbrochenen Linien meiner PIR-Platine.
Ich gehe jetzt ins Atelier und werde noch ein bisschen die Versogungsspannung nach messen und testen. Falls das Problem die Ansteuerung der FET's ist.
Ich berichte dann am Abend
|
BID = 1019293
elko64 Schriftsteller
    
Beiträge: 627
|
hier bin ich wieder. Es scheint also wirklich so, wie Pearl gesagt hat, dass es an der zu geringen Ansteuerung des FET's liegt. Die Ausgangsspannung des PIR-BM liegt bei 2.5V. Ich denke ich such mal ein Relais welches mit 2.5V Steuerspannung meine 5V schaltet, fals es das gibt. Normalerweise würde ich ja denken, das sei ein Fall für einen Transistoren, aber offensichtlich doch nicht.
|
BID = 1019294
der mit den kurzen Armen Urgestein
     
Beiträge: 17437
|
Klar kannst du mit den 2,4V auch einen Transistor ansteuern! Das wird ja auch so zur Ansteuerung des Relais gemacht! Nebenbei es gibt auch 5 V Relais!
_________________
Tippfehler sind vom Umtausch ausgeschlossen.
Arbeiten an Verteilern gehören in fachkundige Hände!
Sei Dir immer bewusst, dass von Deiner Arbeit das Leben und die Gesundheit anderer abhängen!
|
BID = 1019298
elko64 Schriftsteller
    
Beiträge: 627
|
Ja, aber ich finde kein Relais welches mit 2,4V angesteuert werden kann. Das kleinste ist 5V. Ich nehme an da muss noch ein Transistor davor, oder?
http://www.conrad.ch/ce/de/product/.....etail
[ Diese Nachricht wurde geändert von: elko64 am 7 Mai 2017 20:57 ]
|